125420 (690537), страница 2
Текст из файла (страница 2)
;
недогрузки, что допускается.
3.3 Проверочный расчет зубьев на изгиб
Расчетные напряжения изгиба в основании ножки зубьев колеса и шестерни [4, с.67]:
; (3.11)
; (3.12)
где: КFβ - коэффициент неравномерности нагрузки по длине зуба, для прирабатывающихся зубьев КFβ =1;
КFv - коэффициент динамической нагруки, зависящий от окружной скорости колес и степени точности передачи, КНυ =1,1 [4, табл.4.3] ;
YF1 и YF2 - коэффициенты формы зуба шестерни и колеса, YF1 =3,9, YF2 =3,61 [4, табл.4.4].
Подставив значения в формулы (3.11) и (3.12), получим:
;
.
Прочность зубьев на изгиб обеспечивается.
Определяем ∆σF
;
Все вычисленные параметры проверочных расчетов заносим в табл.3.
Таблица 3
Параметры проверочных расчетов
| Параметр | Обозн. | Допускаемое | Расчетное | Недогрузка(-) или перегрузка(+) |
| Контактное напряжение, МПа | σН | 482,7 | 435 | -10% |
| Напряжение изгиба, МПа | σF1 | 281 | 59,4 | -79% |
| σF2 | 257 | 55 | -78% |
4. Расчет быстроходной ступени привода
Межосевое расстояние для быстроходной ступени с учетом того, что редуктор соосный и двухпоточный, определяем половину расстояния тихоходной ступени:
а=d2-d1;
а=84-14=70мм.
Из условия (3.2) принимаем модуль mn=1,5мм
Определяем суммарное число зубьев по формуле (3.12) [1,c.36]:
zΣ=2а/mn;
zΣ=2·70/1,5; zΣ=93,3
Принимаем zΣ=94.
Определяем число зубьев шестерни и колеса по формулам (3.13) [2,c.37]:
z1= zΣ/(U1+1); z1=94/(2,5+1); z1=26,1; принимаем z1=26.
Тогда
z2= zΣ-z1=94-26=68
Фактическое передаточное соотношение U1=68/26=2,6
Отклонение передаточного числа от номинального незначительное.
Определяем делительные диаметры шестерни и колеса по формуле (3.17) [2,c.37]:
d1=mn·z1=1,5х26=39мм;
d2=mn·z2=1,5х68=102мм;
Определяем остальные геометрические параметры шестерни и колеса по формулам [2,c.37]:
;
;
;
;
;
мм;
;
мм;
;
мм;
;
мм;
;
мм;
;
мм;
;
мм
;
мм;
;
мм;
Определяем окружные скорости колес
;
м/с.
Назначаем точность изготовления зубчатых колес - 7А [2,c.32].
Определяем силы в зацеплении (3.7, 3.8):
окружная
;
Н;
радиальная
;
Н.
Осевые силы в прямозубой передачи отсутствуют.
Все вычисленные параметры заносим в табл.4.
Таблица 4
Параметры зубчатой передачи быстроходной ступени
| Параметр | Шестерня | Колесо |
| mn, мм | 1,5 | |
| ha, мм | 1,5 | |
| ht, мм | 1,875 | |
| h, мм | 3,375 | |
| с, мм | 0,375 | |
| z | 26 | 68 |
| d, мм | 39 | 102 |
| dа, мм | 42 | 105 |
| df, мм | 35,25 | 98,25 |
| b, мм | 22 | 25 |
| аW, мм | 70 | |
| v, м/с | 1,4 | |
| Ft, Н | 166,7 | |
| Fr, Н | 60,7 | |
Учитывая, что геометрические параметры быстроходной ступени незначительно отличаются от тихоходной, выполнение проверочных расчетов нецелесообразно.
5. Проектный расчет валов редуктора
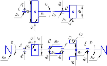
По кинематической схеме привода составляем схему усилий, действующих на валы редуктора по закону равенства действия и противодействия. Для этого мысленно расцепим шестерни и колеса редуктора, при этом дублирующий вал не учитываем.
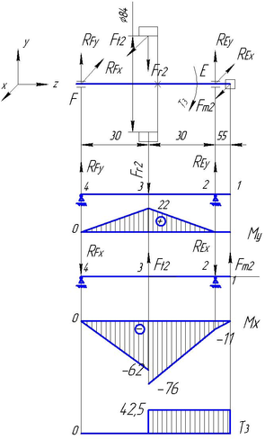
Схема усилий приведена на рис.1.
Рис.2 Схема усилий, действующих на валы редуктора.
Из табл.1,2,4 выбираем рассчитанные значения:
Т1=3,4 Нм; Т2=8,5 Нм; Т3=42,5 Нм;
Ft1=166,7 Н; Ft2=1012 Н; Fr1=60,7 Н; Fr2=368 Н;
d1=39мм; d2=102мм; d3=14мм; d4=84мм.
Fm1 и Fm1 - консольные силы от муфт, которые равны [4, табл.6.2]:
;
;
Н;
Н.
Rx и Ry - реакции опор, которые необходимо рассчитать.
Так как размеры промежуточного вала определяются размерами остальных валов, расчет начнем с тихоходного вала.
5.1 Расчет тихоходного вала редуктора
Схема усилий действующих на валы редуктора представлена на рис.2.
Назначаем материал вала. Принимаем сталь 40Х, для которой [2, табл.8.4] σв=730Н/мм2;
Н/мм2;
Н/мм2;
Н/мм2.
Определяем диаметр выходного конца вала под полумуфтой из расчёта на чистое кручение [2,c.161]:
где [τк] =(20…25) МПа
Принимаем [τк] =20МПа.
;
мм.
Принимаем окончательно с учетом стандартного ряда размеров Rа20 (ГОСТ6636-69):
мм.
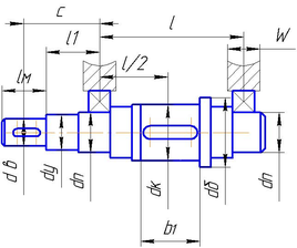
Намечаем приближенную конструкцию ведомого вала редуктора (рис.3), увеличивая диаметр ступеней вала на 5…6мм, под уплотнение допускается на 2…4мм и под буртик на 10мм.
Рис.3 Приближенная конструкция тихоходного вала
мм;
мм - диаметр под уплотнение;
мм - диаметр под подшипник;
мм - диаметр под колесо;
мм - диаметр буртика;
b4=25мм.
Учитывая, что осевых нагрузок на валу нет предварительно назначаем подшипники шариковые радиальные однорядные особо легкой серии по
мм подшипник №106, у которого Dп=55мм; Вп=13мм [4, табл. К27].
Выбираем конструктивно остальные размеры: W=20мм; lм=20мм; l1=35мм; l=60мм; с=5мм.
Определим размеры для расчетов:
l/2=30мм;
с=W/2+ l1+ lм/2=55мм –
расстояние от оси полумуфты до оси подшипника.
Проводим расчет тихоходного вала на изгиб с кручением.
Заменяем вал балкой на опорах в местах подшипников (см. рис.4). Назначаем характерные точки 1,2, 3 и 4.
Определяем реакции в подшипниках в вертикальной плоскости.
ΣМ2y=0; RFy·0,06-Fr2·0,03=0
RFy= 368·0,06/ 0,03;
RЕy= RFy=736Н.
Рис.4 Эпюры изгибающих моментов тихоходного вала
Определяем изгибающие моменты в характерных точках: М1у=0;
М2у=0; М3у=RЕy·0,03; М3у=22Нм2; М3у=0;
Строим эпюру изгибающих моментов Му, Нм2 (рис.3)
Определяем реакции в подшипниках в горизонтальной плоскости.
ΣМ4x=0; Fm2·0,115 - RЕx·0,06+ Ft2·0,03=0;
RЕx=(814·0,115+ 1012·0,03) / 0,06;
RЕx=2066Н;
ΣМ2x=0; Fm2·0,055 - Ft2·0,03+ RFx·0,6=0;
RFx= (1012·0,03 - 814·0,055) / 0,06;
RFx=-240Н,
результат получился отрицательным, следовательно нужно изменить направление реакции.
Определяем изгибающие моменты:
М1х=0;
М2= - Fr2·0,03
М2х=-368·0,03;
М2х=-11Нм;
М3хслева=-Fm2·0,085-RЕх ·0,055;
М3хслева==-814·0,085-240 ·0,03;
М3хслева=-76Нм;
М3х= - REх ·0,055;
М3х= - 2066 ·0,03;
М3х= - 62;
М4х=0;
Строим эпюру изгибающих моментов Мх.
Крутящий момент
Т1-1= Т2-2= Т3-3= T3=42,5Нм;
T4-4=0.
Определяем суммарные радиальные реакции [4,рис 8.2]:
;
;
;
Н;
;
Н.
Определяем результирующий изгибающий момент в наиболее опасном сечении (в точке 3) [4,рис 8.2]:
;
;
Нм2.
Эквивалентный момент:
;
;
Нм2.
5.2 Расчет быстроходного вала редуктора
Схема усилий, действующих на быстроходный вал представлена на рис.2.
Назначаем материал вала. Принимаем сталь 40Х, для которой [2, табл.8.4] σв=730Н/мм2;
Н/мм2;
Н/мм2;
Н/мм2.
Определяем диаметр выходного конца вала под полумуфтой из расчёта на чистое кручение [2,c.161]:
где [τк] =(20…25) Мпа
Принимаем [τк] =20Мпа.
;
мм.
Принимаем окончательно с учетом стандартного ряда размеров Rа5 (ГОСТ6636-69):
мм.
Намечаем приближенную конструкцию быстроходного вала вала редуктора (рис.5), увеличивая диаметр ступеней вала на 5…6мм, под уплотнение допускается на 2…4мм и под буртик на 10мм.
мм;
мм - диаметр под уплотнение;
мм - диаметр под подшипник;
мм - диаметр для заплечиков;
мм - диаметр вала-шестерни;
b1=22мм.
Учитывая, что осевых нагрузок на валу нет предварительно назначаем подшипники шариковые радиальные однорядные особо легкой серии по
мм подшипник №101, у которого Dп=28мм; Вп=8мм [4, табл. К27].
Выбираем конструктивно остальные размеры:
W=14мм; lм=16мм; l1=25мм; l=60мм.
Определим размеры для расчетов:
l/2=30мм;
с=W/2+ l1+ lм/2=40мм –
расстояние от оси полумуфты до оси подшипника.
Проводим расчет быстроходного вала на изгиб с кручением.
Рис.5 Приближенная конструкция быстроходного вала
Заменяем вал балкой на опорах в местах подшипников (см. Рис.6). Назначаем характерные точки 1,2, 3 и 4.
















