125420 (690537), страница 3
Текст из файла (страница 3)
Определяем реакции в подшипниках в вертикальной плоскости.
ΣМ2y=0; RАy·0,06-Fr1·0,03=0
RАy= 60,7·0,06/ 0,03;
RАy= RВy=121Н.
Определяем изгибающие моменты в характерных точках:
М1у=0;
М2у=0;
М3у= RАy·0,03;
М3у =3,6Нм2;
М3у=0;
Строим эпюру изгибающих моментов Му, Нм2 (Рис.6).
Определяем реакции в подшипниках в горизонтальной плоскости.
ΣМ4x=0; Fm1·0,1 - RАx·0,06+ Ft1·0,03=0;
RАx= (130·0,1+ 166,7·0,03) / 0,06;
RАx=300Н;
Рис.6 Эпюры изгибающих моментов быстроходного вала
ΣМ2x=0; Fm1·0,02 - Ft1·0,03+ RВx·0,06=0;
RВx= (166,7·0,03 - 130·0,02) / 0,06;
RВx=40Н
Определяем изгибающие моменты:
М1х=0;
М2= - Fm2·0,04
М2х=-130·0,04;
М2х=-5,2Нм;
М3хсправа=-Fm1·0,1+RВх ·0,03;
М3хсправа==-130·0,1+40 ·0,03;
М3хсправа=-11,7Нм;
М3х= - RАх ·0,03;
М3х= - 300 ·0,03;
М3х= - 9;
М4х=0;
Строим эпюру изгибающих моментов Мх.
Крутящий момент
Т1-1= Т2-2= Т3-3= T3=3,4Нм;
T4-4=0.
Определяем суммарные радиальные реакции [4,рис 8.2]:
;
;
;
Н;
;
Н.
Определяем результирующий изгибающий момент в наиболее опасном сечении (в точке 3) [4,рис 8.2]:
;
;
Нм2.
Эквивалентный момент:
;
;
Нм2.
5.3 Расчет промежуточного вала
Назначаем материал вала. Принимаем сталь 40Х, для которой [1, табл.8.4] σв=730Н/мм2;
Н/мм2;
Н/мм2;
Н/мм2.
Определяем диаметр выходного конца вала из расчёта на чистое кручение
;
где [τк] =(20…25) Мпа [1,c.161]
Принимаем [τк] =20Мпа.
;
мм.
С учетом того, что выходной конец промежуточного вала является валом-шестерней с диаметром выступов 24мм, принимаем диаметр вала под подшипник 25мм.
мм.
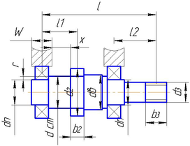
Намечаем приближенную конструкцию промежуточного вала редуктора (рис.7), увеличивая диаметр ступеней вала на 5…6мм
Рис.7 Приближенная конструкция промежуточного вала
dст=30мм;
х=8мм;
W=20мм;
r=2,5мм;
dв=28мм.
Расстояние l определяем из суммарных расстояний тихоходного и быстроходного валов с зазором между ними 25…35мм.
l=60+30+30=120мм.
l1=30мм; l2=30мм.
Предварительно назначаем подшипники шариковые радиальные однорядные особо легкой серии по dп=25мм подшипник №105, у которого Dп=47мм; Вп=12мм [4, табл. К27].
Заменяем вал балкой на опорах в местах подшипников.
Рассматриваем вертикальную плоскость (ось у)
Определяем реакции в подшипниках в вертикальной плоскости.
МСу=0;
RDу·0,09+Fr1·0,03+Fr2·0,12=0
RDy=(368·0,03+60,7·0,12) / 0,09;
RDy==204Н.
МDу=0;
RCy·0,09 - Fr1·0,06+ Fr2·0,03=0;
RCy=(368·0,06-60,7·0,03) / 0,09;
RCy=225Н.
Назначаем характерные точки 1, 2, 3, и 4 и определяем в них изгибающие моменты:
М1у=0;
М2у=-RCy·0,03;
М2у=-6Нм;
М3услева=-RCy·0,09+Fr1·0,06;
М3услева=-16,6Нм
М3усправа= Fr2·0,03;
М3усправа= 11
М4у=0;
Строим эпюру изгибающих моментов Му, Нм (рис.8).
Определяем реакции в подшипниках в горизонтальной плоскости.
МСх=0;
RDx·0,09-Ft1·0,03-Ft2·0,12=0;
RDx=(166,7·0,03+ 1012·0,12) /0,09;
RDx=1404Н;
МDх=0;
RCx·0,09+ Ft1·0,06-Ft2·0,03=0;
RCx=(1012·0,03+166,7·0,06) / 0,09;
RCx=337Н.
Назначаем характерные точки 1, 2, 3 и 4 и определяем в них изгибающие моменты:
М1x=0;
М2x=-RCx·0,03;
М2x=-10Нм;
М3xслева= - RCx·0,09-Ft1·0,06;
М3xслева=-91Нм;
М3xсправа= Ft2·0,03;
М3xсправа=5Нм;
М4у=0.
Строим эпюру изгибающих моментов Му, Нм (рис.8)
Рис.8 Эпюры изгибающих и крутящих моментов промежуточного вала.
Крутящий момент
Т1-1=0;
Т2-2=-Т3-3= - T2/2=-4,3Нм;
Т4-4=0.
Определяем суммарные радиальные реакции [4,рис 8.2]:
;
;
;
Н;
;
Н.
Определяем результирующий изгибающий момент в наиболее опасном сечении (в точке 3) [4,рис 8.2]:
;
;
Нм.
Эквивалентный момент:
;
;
Нм.
Все рассчитанные значения сводим в табл.5.
Таблица 5
Параметры валов
| R1, H | R2, H | MИ, Нм | MИэкв, Нм | |
| Тихоходный вал | 2118 | 774 | 79 | 89 |
| Быстроходный вал | 323 | 117 | 12 | 12,5 |
| Промежуточный вал | 405 | 1419 | 92,5 | 93 |
6. Подбор и проверочный расчет шпонок
Выбор и проверочный расчет шпоночных соединений проводим по [4]. Обозначения используемых размеров приведены на рис.11.
Рис.9 Сечение вала по шпонке
6.1 Шпонки быстроходного вала
Для выходного конца быстроходного вала при d=10 мм подбираем призматическую шпонку со скругленными торцами по ГОСТ23360-78 bxh=3x3 мм2 при t=1,8мм (рис.9).
При длине ступицы полумуфты lм=16 мм выбираем длину шпонки l=14мм.
Материал шпонки - сталь 40Х нормализованная. Напряжения смятия и условия прочности определяем по формуле:
(6.1)
где Т - передаваемый момент, Нмм; Т1=3,4 Нм.
lр - рабочая длина шпонки, при скругленных концах lр=l-b, мм;
[] см - допускаемое напряжение смятия.
С учетом того, что на выходном конце быстроходного вала устанавливается полумуфта из ст.3 ([] см=110…190 Н/мм2) вычисляем:
Условие выполняется.
6.2 Шпонки промежуточного вала
Для зубчатого колеса вала при d=30 мм подбираем призматическую шпонку со скругленными торцами bxh=8x7 мм2 при t=4мм, t1=3,3мм. Т2=8,5Нм.
При длине ступицы шестерни lш=25 мм выбираем длину шпонки l=25мм.
Материал шпонки - сталь 45 нормализованная. Проверяем напряжение смятия, подставив значения в формулу (6.1):
Условие выполняется.
6.3 Шпонки тихоходного вала
Передаваемый момент Т3=42,5Нм.
Для выходного конца вала при d= 22мм подбираем призматическую шпонку со скругленными торцами bxh=6x6 мм2 при t=3,5мм.
При длине ступицы полумуфты lМ=20 мм выбираем длину шпонки l=16мм.
Для зубчатого колеса тихоходного вала при d=35 мм подбираем призматическую шпонку со скругленными торцами bxh=10x8мм2 при t=5мм.
При длине ступицы шестерни lш=20 мм выбираем длину шпонки l=20мм.
С учетом того, что на ведомом валу устанавливаются шестерни из стали 45 ([] см=170…190 Н/мм2) вычисляем по формуле (6.1):
условие выполняется.
Таблица 6
Параметры шпонок и шпоночных соединений
| Параметр | тих. вал - полум | тих. вал - колесо | промвал-шестерня | промвал-колесо | быстр вал-шестер. | быстр. вал-полум. |
| Ширина шпонки b, мм | 6 | 10 | - | 8 | - | 3 |
| Высота шпонки h, мм | 6 | 8 | - | 7 | - | 3 |
| Длина шпонки l, мм | 16 | 20 | - | 25 | - | 14 |
| Глубина паза на валу t, мм | 3,5 | 5 | - | 4 | - | 1,8 |
| Глубина паза во втулке t1, мм | 2,8 | 3,3 | - | 3,3 | - | 1,4 |
7. Проверочный расчет валов на статическую прочность
В соответствии с табл.5 наиболее опасным является сечение 3-3 тихоходного вала, в котором имеются концентраторы напряжений от посадки зубчатого колеса с натягом, шпоночного паза и возникают наибольшие моменты.
Исходные данные для расчета:
МИэкв= 89Нм;
МИ=79Нм;
Т3-3=42,5Нм;
dв=35мм;
в=10мм - ширина шпонки,
t=5мм - глубина шпоночного паза,
l=22мм - длина шпонки.
При расчете принимаем, что напряжения изгиба изменяются по симметричному циклу, а напряжения кручения - по отнулевому циклу.
Определяем диаметр вала в рассчитываемом сечении при допускаемом напряжении при изгибе [σ-1] и=60МПа:
мм; 35>20.
Условие соблюдается.
Определяем напряжения изгиба:
σи=Ми/W;
где W - момент сопротивлению изгибу. По [4, табл.11.1]:
;
мм3;
σи=79000/3566=22Н/мм2.
При симметричном цикле его амплитуда равна:
σа= σи =22Н/мм2.
Определяем напряжения кручения:
τк=Т3-3/Wк;
где Wк - момент сопротивлению кручению. По [4, табл.22.1]:
;
мм3;
τк=42500/7775=5,4Н/мм2.
При отнулевом цикле касательных напряжений амплитуда цикла равна:
τа= τк /2=5,4/2=2,7Н/мм2.
Определяем коэффициенты концентрации напряжении вала [4, с.258]:
(Кσ) D=(Кσ/Кd+ КF-1) / Кy; (Кτ) D=(Кτ/Кd+ КF-1) / Кy; (7.1)
где Кσ и Кτ - эффективные коэффициенты концентрации напряжений, по табл.11.2 [4] выбираем для шпоночных пазов, выполненных концевой фрезой Кσ =1,6, Кτ =1,4;
Кd - коэффициент влияния абсолютных размеров поперечного сечения, по табл.11.3 [4] выбираем Кd =0,75;
КF - коэффициент влияния шероховатости, по табл.11.4 [4] выбираем для шероховатости Rа=1,6 КF=1,05;
Кy - коэффициент влияния поверхностного упрочнения, по табл.11.4 [4] выбираем для закалки с нагревом ТВЧ Кy =1,5.
Подставив значения в формулы (7.1) получим:
(Кσ) D=(1,6/0,75+ 1,05-1) / 1,5=1,45;
(Кτ) D=(1,4/0,75+ 1,05-1) / 1,5=1,28.
Определяем пределы выносливости вала [4, c263]:
(σ-1) D=σ-1/(Кσ) D; (τ-1) D=τ-1/(Кτ) D; (7.2)
где σ-1 и τ-1 - пределы выносливости гладких образцов при симметричном цикле изгиба и кручения, по табл.3. [4] σ-1 = 380Н/мм2, τ-1 ≈0,58 σ-1 =220Н/мм2;
(σ-1) D=380/1,45=262Н/мм2; (τ-1) D=220/1,28=172 Н/мм2.
















