125419 (690536)
Текст из файла
ФЕДЕРАЛНОЕ АГЕНСТВО ПО КУЛЬТУРЕ И КИНЕМАТОГРАФИИ
САНКТ-ПЕТЕРБУРГСКИЙ ГОСУДАРСТВЕННЫЙ
УНИВЕРСИТЕТ КИНО И ТЕЛЕВИДЕНИЯ
Кафедра механики
Расчетно-пояснительная записка к курсовому проекту
на тему «Редуктор двухступенчатый соосный двухпоточный с внутренним зацеплением тихоходной ступени»
Санкт-Петербург
2009г.
Содержание
| Техническое задание на курсовое проектирование |
| 1 Кинематический расчет и выбор электродвигателя |
| 2 Выбор материалов и определение допускаемых напряжений |
| 3 Расчет тихоходной ступени привода 3.1 Проектный расчет |
| 3.2 Проверочный расчет по контактным напряжениям |
| 3.3 Проверочный расчет зубьев на изгиб |
| 4 Расчет быстроходной ступени привода |
| 5 Проектный расчет валов редуктора 5.1 Расчет тихоходного вала редуктора |
| 5.2 Расчет быстроходного вала редуктора |
| 5.3 Расчет промежуточного вала редуктора 6 Подбор и проверочный расчет шпонок 6.1 Шпонки быстроходного вала 6.2 Шпонки промежуточного вала 6.1 Шпонки тихоходного вала |
| 7 Проверочный расчет валов на статическую прочность |
| 8 Выбор и проверочный расчет подшипников |
| 9 Выбор масла, смазочных устройств |
| Список использованной литературы |
Техническое задание на курсовое проектирование
Механизм привода
-
электродвигатель;
-
муфта;
-
редуктор зубчатый цилиндрический двухступенчатый соосный двухпоточный с внутренним зацеплением тихоходной ступени;
-
муфта;
-
исполнительный механизм.
Вариант 1
Потребный момент на валу исполнительного механизма (ИМ) Тим=30Нм;
Угловая скорость вала ИМ ωим=5,8с-1.
Разработать:
-
сборочный чертеж редуктора;
-
рабочие чертежи деталей тихоходного вала: зубчатого колеса, вала, крышки подшипника.
1 Кинематический расчет и выбор электродвигателя
Исходные данные:
-
потребный момент на валу исполнительного механизма (ИМ) Тим=30Нм;
-
угловая скорость вала ИМ ωим=5,8с-1;
Определяем мощность на валу ИМ Nим= Тимх ωим=30х5,8=174Вт.
Определяем общий КПД привода по схеме привода
ηобщ=ηкп ηшп ηм ηп (1.1)
где [1, с.9,10]: ηзп=0,972- КПД зубчатой цилиндрической передачи;
ηм=0,982 – потери в муфтах;
ηп=0,994- коэффициент, учитывающий потери на трение в подшипниках 4-х валов.
Сделав подстановку в формулу (1.1) получим:
ηобщ.=0,972*0,982*0,994=0,868
Определяем потребную мощность электродвигателя [1,с.9]
Nэд≥Nим/ηобщ. (1.2)
где Nэд – требуемая мощность двигателя:
Nэд=174/0,877=198,4Вт
Выбираем электродвигатель [1,с.18,табл.П2]
Пробуем двигатель АИР71В8:
Nдв.=0,25кВт;
nдв=750об/мин;
S=8%.
Определяем номинальную частоту вращения электродвигателя по формуле (5) [1,c.11]:
nном=nдв·(1-S/100);
nном=750·(1-0,08);
nном=690 об/мин
Определяем угловую скорость вала двигателя
ωдв=πnдв/30=π*690/30=72,2рад/с;
Определяем общее передаточное число привода
U=ωдв./ωим=72,2/5,8=12,5
Производим разбивку передаточного числа по ступеням. По схеме привода
Uобщ.=U1· U2; (1.3)
Назначаем по рекомендации [1,табл.2.3]:
U2=5;
тогда
U1= Uобщ./U2;
U1=2,5.
Принимаем окончательно электродвигатель марки АИР71В8.
Угловые скорости определяем по формуле
ω=πn/30 (1.4)
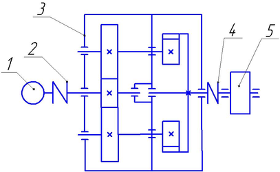
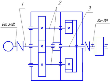
Рис.1 Схема валов привода
1 – быстроходный вал; 2 – промежуточный вал; 3 – тихоходный вал.
По схеме валов (рис.1) и формуле (1.4) определяем частоты вращения и угловые скорости каждого вала
n1= nном.
ω1= ωдв=72,2рад/с;
n2= nном/U1=650/3,5=185,7об/мин;
ω2=πn2/30=π*216,7/30=19,45 рад/с;
n3= n2/U2=216,7/3,55=52,3 об/мин;
ω3=πn3/30=π*61,1/30=5,48 рад/с.
Определяем мощность на каждом валу по схеме привода
N1=Nдв ηм=0,25*0,98=245Вт;
N2=N1 ηзп ηп3=245*0,97*0,993=230Вт;
N3=N2 ηзп ηп =233*0,97*0,99=221Вт;
Nим=N3 ηм =224*0,98=217Вт.
Определяем вращающие моменты на каждом валу привода по формулам [1,с.12,14]:
; Т2=Т1•U1 ; Т3=Т2•U2; (1.5)
Т1=245/72,2=3,4 Н•м;
Т2=3,4•2,5=8,5 Н•м;
Т3=8,5•5=42,5 Н•м.
Все рассчитанные параметры сводим в табл.1.
Таблица 1 Параметры кинематического расчета
| № вала | n, об/мин | ω, рад/с | N, Вт | Т, Нм | U |
| Дв | 690 | 72,2 | 250 | 3,5 | |
| 1 | 690 | 72,2 | 245 | 3,4 | 2,5 |
| 2 | 185,7 | 19,45 | 230 | 8,5 | |
| 5 | |||||
| 3 | 52,3 | 5,48 | 221 | 42,5 | |
| ИМ | 52,3 | 5,48 | 217 | 42,5 |
2 Выбор материалов и определение допускаемых напряжений
Выбираем материал для шестерни и колеса по табл.3.2 [4,c.52]:
шестерня – сталь 40Х, термообработка – улучшение 270НВ,
колесо - сталь 40Х, термообработка – улучшение 250НВ.
Определяем допускаемое контактное напряжение по формуле [4,c.53]:
(2.1)
где σHlimb – предел контактной выносливости при базовом числе циклов;
КHL – коэффициент долговечности;
[SH] – коэффициент безопасности;
по [1,c.33]: КHL =1; [SH] =1,1.
Определяем σHlimb по табл.3.1[4,c.51]:
σHlimb =2НВ+70; (2.2)
σHlimb1 =2270+70; σHlimb1 =610МПа;
σHlimb2 =2250+70; σHlimb1 =570МПа.
Сделав подстановку в формулу (2.1) получим
;
МПа;
;
МПа.
Определяем допускаемое расчетное напряжение по формуле [4,c.53]:
(2.3)
;
МПа.
Определяем допускаемые напряжения по по табл.3.1[4,c.51]:
[σ]Fo =1,03НВ;
[σ]Fo1 =1,03x270=281МПа;
[σ]Fo2 =1,03x250=257МПа.
3 Расчет тихоходной ступени привода
3.1 Проектный расчет
Определяем межосевое расстояние передачи по формуле [4,c.61]:
(3.1)
где Ка – числовой коэффициент, Ка =49,5 [4,c.61];
КHβ – коэффициент, учитывающий неравномерность распределения нагрузки по ширине венца, КHβ =1 для прямозубых колес [4,c.54];
- коэффициент ширины венца колеса,
=0,315 назначаем по ГОСТ2185-66 с учетом рекомендаций [4,c.61];
U – передаточное отношение, U2=5 (см. табл.1):
Т – вращающий момент на колесе ,Т3 =42,5 Нм (см. табл.1).
Подставив значения в формулу (3.1) получим:
Принимаем окончательно по ГОСТ6636-69 [4,табл.13.15]
Определяем модуль [2,c.36]:
(3.2)
mn=(0,01…0,02)·70;
mn=0,7;
Принимаем модуль mn=1мм [2,c.36]
Так как тихоходная ступень внутреннего зацепления определяем разность зубьев зубьев по формуле [5,т.2, c.432]:
z2-z1=2aw/mn (3,3)
z2-z1=2·70/1;
z2-z1=140.
Определяем число зубьев шестерни и колеса по формулам (3.13) [2,c.37]:
z1= z2-z1/(U2+1); z1=140/6=23,3; z1=24;
z2= z2-z1-+z1=140+24=164; z2=164.
Отклонения передаточного числа от номинального нет.
Определяем делительные диаметры шестерни и колеса по формуле [5,т.2, c.432]:
d=mn·z; (3.4)
d1=mn·z1=1х24=24мм;
d2=mn·z2=1х164=164мм;
Определяем остальные геометрические параметры шестерни и колеса по формулам [5,т.2, c.432]:
;
;
;
;
(3.5)
;
(3.6)
мм;
мм;
мм;
мм;
;
мм;
;
мм;
;
мм
;
мм;
;
мм;
Определяем окружные скорости колес
;
м/с.
Назначаем точность изготовления зубчатых колес – 7F [2,c.32].
Определяем силы в зацеплении [4, табл.6.1]:
- окружная
(3.7)
;
Н;
Таблица 2 Параметры зубчатой передачи тихоходной ступени
| Параметр | Шестерня | Колесо |
| mn,мм | 1 | |
| ha,мм | 1 | |
| ht,мм | 1,25 | |
| h,мм | 2,25 | |
| с, мм | 0,375 | |
| z | 24 | 164 |
| d,мм | 24 | 164 |
| dа,мм | 26 | 162 |
| df,мм | 21,5 | 166,5 |
| b, мм | 50 | 54 |
| аW,мм | 70 | |
| v, м/с | 0,23 | |
| Ft, Н | 531 | |
| Fr, Н | 193 | |
- радиальная
; где α=20° - угол зацепления; (3.8)
;
Н;
Характеристики
Тип файла документ
Документы такого типа открываются такими программами, как Microsoft Office Word на компьютерах Windows, Apple Pages на компьютерах Mac, Open Office - бесплатная альтернатива на различных платформах, в том числе Linux. Наиболее простым и современным решением будут Google документы, так как открываются онлайн без скачивания прямо в браузере на любой платформе. Существуют российские качественные аналоги, например от Яндекса.
Будьте внимательны на мобильных устройствах, так как там используются упрощённый функционал даже в официальном приложении от Microsoft, поэтому для просмотра скачивайте PDF-версию. А если нужно редактировать файл, то используйте оригинальный файл.
Файлы такого типа обычно разбиты на страницы, а текст может быть форматированным (жирный, курсив, выбор шрифта, таблицы и т.п.), а также в него можно добавлять изображения. Формат идеально подходит для рефератов, докладов и РПЗ курсовых проектов, которые необходимо распечатать. Кстати перед печатью также сохраняйте файл в PDF, так как принтер может начудить со шрифтами.















