125419 (690536), страница 2
Текст из файла (страница 2)
Осевые силы в прямозубой передачи отсутствуют.
Все вычисленные параметры заносим в табл.2.
3.2 Проверочный расчет по контактным напряжениям
Проверку контактных напряжений производим по формуле {4, c.64]:
; (3.9)
где: - К - вспомогательный коэффициент, для прямозубых передач К=436;
Ft =531Н (табл.2);
U2=5;
КНα – коэффициент, учитывающий распределение нагрузки между зубьями, для прямозубых колес КНα =1;
КНβ – см. п.3.1;
КНυ – коэффициент динамической нагруки, зависящий от окружной скорости колес и степени точности передачи, КНυ =1,04 [4, табл.4.3].
(3.10)
Определяем ∆σН
;
;
недогрузки, что допускается.
3.3 Проверочный расчет зубьев на изгиб
Расчетные напряжения изгиба в основании ножки зубьев колеса и шестерни [4,с.67]:
; (3.11)
; (3.12)
где: КFβ – коэффициент неравномерности нагрузки по длине зуба, для прирабатывающихся зубьев КFβ =1;
КFv - коэффициент динамической нагруки, зависящий от окружной скорости колес и степени точности передачи, КНυ =1,1 [4, табл.4.3];
YF1 и YF2 – коэффициенты формы зуба шестерни и колеса, YF1 =3,9, YF2 =3,61 [4,табл.4.4].
Подставив значения в формулы (3.11) и (3.12), получим:
;
.
Прочность зубьев на изгиб обеспечивается.
Определяем ∆σF
;
Все вычисленные параметры проверочных расчетов заносим в табл.3.
Таблица 3 Параметры проверочных расчетов
| Параметр | Обозн. | Допускаемое | Расчетное | Недогрузка(-) или перегрузка(+) |
| Контактное напряжение, МПа | σН | 482,7 | 435 | -10% |
| Напряжение изгиба, МПа | σF1 | 281 | 59,4 | -79% |
| σF2 | 257 | 55 | -78% |
4 Расчет быстроходной ступени привода
Межосевое расстояние для быстроходной ступени с учетом того, что редуктор соосный и двухпоточный, определяем половину расстояния тихоходной ступени:
а=d2-d1;
а=84-14=70мм.
Из условия (3.2) принимаем модуль mn=1,5мм
Определяем суммарное число зубьев по формуле (3.12) [1,c.36]:
zΣ=2а/mn;
zΣ=2·70/1,5; zΣ=93,3
Принимаем zΣ=94.
Определяем число зубьев шестерни и колеса по формулам (3.13) [2,c.37]:
z1= zΣ/(U1+1); z1=94/(2,5+1); z1=26,1; принимаем z1=26.
Тогда z2= zΣ-z1=94-26=68
Фактическое передаточное соотношение U1=68/26=2,6
Отклонение передаточного числа от номинального незначительное.
Определяем делительные диаметры шестерни и колеса по формуле (3.17) [2,c.37]:
d1=mn·z1=1,5х26=39мм;
d2=mn·z2=1,5х68=102мм;
Определяем остальные геометрические параметры шестерни и колеса по формулам [2,c.37]:
;
;
;
;
;
мм;
;
мм;
;
мм;
;
мм;
;
мм;
;
мм;
;
мм
;
мм;
;
мм;
Определяем окружные скорости колес
;
м/с.
Назначаем точность изготовления зубчатых колес – 7А [2,c.32].
Определяем силы в зацеплении (3.7, 3.8):
- окружная
;
Н;
- радиальная
;
Н.
Осевые силы в прямозубой передачи отсутствуют.
Все вычисленные параметры заносим в табл.4.
Таблица 4 Параметры зубчатой передачи быстроходной ступени
| Параметр | Шестерня | Колесо |
| mn,мм | 1,5 | |
| ha,мм | 1,5 | |
| ht,мм | 1,875 | |
| h,мм | 3,375 | |
| с, мм | 0,375 | |
| z | 26 | 68 |
| d,мм | 39 | 102 |
| dа,мм | 42 | 105 |
| df,мм | 35,25 | 98,25 |
| b, мм | 22 | 25 |
| аW,мм | 70 | |
| v, м/с | 1,4 | |
| Ft, Н | 166,7 | |
| Fr, Н | 60,7 | |
Учитывая, что геометрические параметры быстроходной ступени незначительно отличаются от тихоходной, выполнение проверочных расчетов нецелесообразно.
5 Проектный расчет валов редуктора
По кинематической схеме привода составляем схему усилий, действующих на валы редуктора по закону равенства действия и противодействия. Для этого мысленно расцепим шестерни и колеса редуктора, при этом дублирующий вал не учитываем.
Схема усилий приведена на рис.1.
Рис.2 Схема усилий, действующих на валы редуктора.
Из табл.1,2,4 выбираем рассчитанные значения:
Т1=3,4 Нм; Т2=8,5 Нм; Т3=42,5 Нм;
Ft1=166,7 Н; Ft2=1012 Н; Fr1=60,7 Н; Fr2=368 Н;
d1=39мм; d2=102мм; d3=14мм; d4=84мм.
Fm1 и Fm1 – консольные силы от муфт, которые равны [4, табл.6.2]:
;
;
Н;
Н.
Rx и Ry – реакции опор, которые необходимо рассчитать.
Так как размеры промежуточного вала определяются размерами остальных валов, расчет начнем с тихоходного вала.
5.1 Расчет тихоходного вала редуктора
Схема усилий действующих на валы редуктора представлена на рис.2.
Назначаем материал вала. Принимаем сталь 40Х, для которой [2, табл.8.4] σв=730Н/мм2;
Н/мм2;
Н/мм2;
Н/мм2.
Определяем диаметр выходного конца вала под полумуфтой из расчёта на чистое кручение [2,c.161]:
где [τк]=(20…25)МПа
Принимаем [τк]=20МПа.
;
мм.
Принимаем окончательно с учетом стандартного ряда размеров Rа20 (ГОСТ6636-69):
мм.
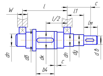
Намечаем приближенную конструкцию ведомого вала редуктора (рис.3), увеличивая диаметр ступеней вала на 5…6мм, под уплотнение допускается на 2…4мм и под буртик на 10мм.
Рис.3 Приближенная конструкция тихоходного вала
мм;
мм – диаметр под уплотнение;
мм – диаметр под подшипник;
мм – диаметр под колесо;
мм – диаметр буртика;
b4=25мм.
Учитывая, что осевых нагрузок на валу нет предварительно назначаем подшипники шариковые радиальные однорядные особо легкой серии по
мм подшипник №106, у которого Dп=55мм; Вп=13мм [4,табл.К27].
Выбираем конструктивно остальные размеры:
W=20мм; lм=20мм; l1=35мм; l=60мм; с=5мм.
Определим размеры для расчетов:
l/2=30мм;
с=W/2+ l1+ lм/2=55мм – расстояние от оси полумуфты до оси подшипника.
Проводим расчет тихоходного вала на изгиб с кручением.
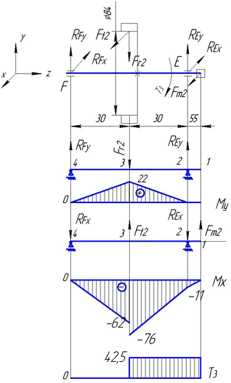
Заменяем вал балкой на опорах в местах подшипников (см. рис.4). Назначаем характерные точки 1,2, 3 и 4.
Определяем реакции в подшипниках в вертикальной плоскости.
ΣМ2y=0; RFy·0,06-Fr2·0,03=0
RFy= 368·0,06/ 0,03;
RЕy= RFy=736Н.
Рис.4 Эпюры изгибающих моментов тихоходного вала
Определяем изгибающие моменты в характерных точках:
М1у=0;
М2у=0;
М3у= RЕy·0,03;
М3у =22Нм2;
М3у=0;
Строим эпюру изгибающих моментов Му, Нм2 (рис.3)
Определяем реакции в подшипниках в горизонтальной плоскости.
ΣМ4x=0; Fm2·0,115- RЕx·0,06+ Ft2·0,03=0;
RЕx=( 814·0,115+ 1012·0,03)/ 0,06;
RЕx=2066Н;
ΣМ2x=0; Fm2·0,055- Ft2·0,03+ RFx·0,6=0;
RFx= (1012·0,03- 814·0,055)/ 0,06;
RFx=-240Н, результат получился отрицательным, следовательно нужно изменить направление реакции.
Определяем изгибающие моменты:
М1х=0;
М2= -Fr2·0,03
М2х=-368·0,03;
М2х=-11Нм;
М3хслева=-Fm2·0,085-RЕх ·0,055;
М3хслева==-814·0,085-240 ·0,03;
М3хслева=-76Нм;
М3х=- REх ·0,055;
М3х=- 2066 ·0,03;
М3х=- 62;
М4х=0;
Строим эпюру изгибающих моментов Мх.
Крутящий момент
Т1-1= Т2-2= Т3-3= T3=42,5Нм;
T4-4=0.
Определяем суммарные радиальные реакции [4,рис 8.2]:
;
;
;
Н;
;
Н.
Определяем результирующий изгибающий момент в наиболее опасном сечении (в точке 3) [4,рис 8.2]:
;
;
Нм2.
Эквивалентный момент:
;
;
Нм2.
5.2 Расчет быстроходного вала редуктора
Схема усилий, действующих на быстроходный вал представлена на рис.2.
Назначаем материал вала. Принимаем сталь 40Х, для которой [2, табл.8.4] σв=730Н/мм2;
Н/мм2;
Н/мм2;
Н/мм2.
Определяем диаметр выходного конца вала под полумуфтой из расчёта на чистое кручение [2,c.161]:
где [τк]=(20…25)Мпа
Принимаем [τк]=20Мпа.
;
мм.
Принимаем окончательно с учетом стандартного ряда размеров Rа5 (ГОСТ6636-69):
мм.
Намечаем приближенную конструкцию быстроходного вала вала редуктора (рис.5), увеличивая диаметр ступеней вала на 5…6мм, под уплотнение допускается на 2…4мм и под буртик на 10мм.
мм;
мм – диаметр под уплотнение;
мм – диаметр под подшипник;
мм – диаметр для заплечиков;
мм – диаметр вала-шестерни;
b1=22мм.
Учитывая, что осевых нагрузок на валу нет предварительно назначаем подшипники шариковые радиальные однорядные особо легкой серии по
мм подшипник №101, у которого Dп=28мм; Вп=8мм [4,табл.К27].















