125372 (690498), страница 2
Текст из файла (страница 2)
Угловая скорость
Скорость VF центра масс стола (точка F) и величина угловой скорости ωF стола определяются:
VF = ωD |PF| где |PF|=1/2 Lст
Модуль скорости Vk центра масс слитка (при условии, что толщиной слитка по сравнению с размерами стола можно пренебречьи слиток находится на краю стола без свисания) определяется аналогично
VК = ωD |PК| где |PК|=Lст- Lсл/2
В результате построения планов скоростей для 1,2,3,4,5,6,7,8,9,10,10а,11,12 положений механизма рассчитываем скорости точек и угловые скорости стола, трёхплечего рычага и шатуна. Рассчеты проведены в программе Mathcad 12 (приложение 2) Результаты сводим в таблицу 3.
Таблица 3
| № точки | VЕ м/с | VF м/с | Vk м/с | ωD рад/с | Мст кНм | Jпр*103 кгм2 | | Мд кНм | М∑ кНм | ε-2 рад/с-2 | ω-1 рад/с | φ рад,с |
| 1 | 0 | 0 | 0 | 0 | 0 | 0 | -0,042 | 0,000 | 0,000 | 0,875 | 0 | 0 |
| 2 | 0,451 | 0,095 | 0,166 | 0,019 | -10,940 | 9,489 | 22,945 | 9,237 | -1,703 | 0,063 | 0,753 | 0,524 |
| 3 | 0,673 | 0,152 | 0,268 | 0,030 | -8,652 | 19,420 | 15,573 | 7,414 | -1,238 | 0,063 | 0,795 | 1,047 |
| 4 | 0,764 | 0,189 | 0,333 | 0,038 | 1,129 | 23,880 | 0,000 | 1,504 | 2,633 | 0,063 | 0,835 | 1,571 |
| 5 | 0,732 | 0,171 | 0,300 | 0,034 | 10,130 | 19,350 | -21,415 | -8,139 | 1,991 | 0,063 | 0,874 | 2,094 |
| 6 | 0,432 | 0,091 | 0,161 | 0,180 | 3,888 | 5,940 | -18,321 | -7,962 | -4,074 | 0,063 | 0,910 | 2,618 |
| 7 | 0 | 0 | 0 | 0 | 0 | 0 | 0, | 0,145 | 0,145 | 0,063 | 0,946 | 3,142 |
| 8 | 0,458 | 0,104 | - | 0,021 | -3,752 | 5,881 | 19,937 | 9,647 | 5,895 | 0,063 | 0,980 | 3,665 |
| 9 | 0,785 | 0,192 | - | 0,038 | -4,074 | 16,560 | 15,725 | 9,008 | 4,934 | 0,063 | 1,013 | 4,189 |
| 10 | 0,956 | 0,237 | - | 0,047 | 7,915 | 23,300 | 9,699 | 6,531 | 14,446 | 0,063 | 1,044 | 4,712 |
| 10а | 0,961 | 0,239 | - | 0,048 | 9,311 | 23,630 | 3,143 | -8,210 | 1,101 | -0,417 | 1,046 | 4,817 |
| 11 | 0,785 | 0,188 | - | 0,038 | 14,900 | 22,820 | -17,252 | -16,960 | -2,060 | -0,417 | 0,863 | 5,236 |
| 12 | 0,307 | 0,069 | - | 0,014 | 12,930 | 8,220 | -23,403 | -9,922 | 3,008 | -0,417 | 0,555 | 5,760 |
4 Расчёт моментов
4.1 Расчёт статического момента
Потери мощности на трение в кинематических парах учитывается с помощью КПД механизма η.
В рассматриваемом примере в механизме имеется семь кинематических пар, из них, предположим, две пары - пары трения качения (соединения кривошипа с тихоходным валом редуктора посредством дополнительного разгрузочного устройства и сединения кривошипа с шатуном), а остальное - пары трения скольжения. Тогда КПД механизма η| определяется так:
η = ηк2*ηск2*ηск2*ηск
При ηк = 0,99, а ηск=0,98. Получим η = 0,992 * 0,982* 0,982 * 0,98 = 0,885.
Поскольку на механизм в рассматриваемом случае действуют лишь силы веса (стола, слитка и контргруза), то Мст определяется для 0 < φ < π, т.е. для тех моментов, когда слиток находится на столе, статический момент направлен против угловой скорости вращения кривошипа следующим выражением:
Для π < φ < 2π, т.е. для тех моментов, когда стол возвращается в исходное положение без слитка, статический момент направлен по угловой скорости вращения кривошипа Мст определится выражением:
По данным формулам расчет выполнен в программе Mathcad 12 (приложение 3). Результаты сводим в таблицу 3.
4.2 Расчёт динамического момента
Приведенный к оси кривошипа момент инерции для положений механизма 0<φ< π, т.е для точек 1-7 динамический момент рассчитаем по формуле
Где mгр, mст, mсл- масса груза, стола и слитка соответственно. m=G/g
При π <φ< 2π, т.е для точек 8-12
По данным формулам расчет выполнен в программе Mathcad 12 (приложение 4). Результаты сводим в таблицу 3.
По результатам расчётов строим график изменения приведённого момента инерции Jnp от угла поворота кривошипа φ.(рис.1 приложения 5).
Определение величины
(для упрощения записи в дальнейшем обозначим
) производим путём численного дифференцирования.
По графику (рис.1 приложения 5) найдем значения Jnp промежуточных значений (середина каждого участка) и сведём в таблицу 4 значение Jnp рассчитываемых и промежуточных точек.
определяем по формуле центрального дифференцирования
.
Точку 10а находим методом левого дифференцирования.
Таблица 4
| № точки | φ рад | Jпр*103 кгм2 | кгм2 |
| 1 | 0 | 0 | -0,042 |
| 1ц | 0.262 | 2.400 | 18,109 |
| 2 | 0.524 | 9.489 | 22,945 |
| 2ц | 0.785 | 14.400 | 18,989 |
| 3 | 1.047 | 19.420 | 15,573 |
| 3ц | 1.309 | 22.560 | 8,511 |
| 4 | 1.571 | 23.880 | 0,000 |
| 4ц | 1.833 | 22.560 | -8,662 |
| 5 | 2.094 | 19.350 | -21,415 |
| 5ц | 2.356 | 11.360 | -25,592 |
| 6 | 2.618 | 5.940 | -18,321 |
| 6ц | 2.88 | 1.760 | -11,336 |
| 7 | 3.142 | 0 | 0,000 |
| 7ц | 3.403 | 1.760 | 11,245 |
| 8 | 3.665 | 5.881 | 19,237 |
| 8ц | 3.927 | 11.840 | 20,380 |
| 9 | 4.189 | 16.560 | 15,725 |
| 9ц | 4.451 | 20.080 | 12,887 |
| 10 | 4.712 | 23.300 | 9,699 |
| 10а | 4.817 | 23.630 | 3,143 |
| 10ц | 4.974 | 23.440 | -1,933 |
| 11 | 5.236 | 22.820 | -17,252 |
| 11ц | 5.498 | 14.400 | -27,863 |
| 12 | 5.76 | 8.220 | -23,403 |
| 12ц | 6.021 | 2.160 | 1,427 |
| 1 | 6.283 | 0 | -0,042 |
Значения рассчитываемых точек внесем в таблицу 3.
Динамический момент Мд, М∑, рассчитаем с помощью табличного редактора Microsoft Office Excel 2007. В нем же построим графики Мст, Мд, М∑ от φ рис 3.
Динамический момент Мд рассчитываем по формуле
Сумма моментов М∑ = Мст*Мд
Полученные значения заносим в таблицу 3.
5 Выбор редуктора
Для выбора редуктора, кроме величин М∑ и U, необходимо знать наибольшее значение мощности.
Максимальное значение мощности, которую необходимо снять с тихоходного вала редуктора, находится из выражения
Nt = М∑max * ω
М∑max - максимальный суммарный момент на тихоходном валу редуктора =14,446кНм в точке 10
ωmax- угловая скорость в точке 10= 1,044рад/с
Nt =14,446*1,044=15,08 кВт
Мощность на быстроходном валу редуктора Nб с учётом коэффициента полезного действия редуктора ηр = 0,955.
Nб = Nt /ηр = 15,08/0,955 = 15,8 кВт.
Итак, для выбора редуктора имеются следующие данные
U = 71,428;
Nб = 15,8 кВт;
ωдв = 75рад/с.
Далее по таблице [1] стр.162 находим соответствующий тип редуктора с максимально близкими характеристиками – ЦСН-55-II со следующими характеристиками:
U = 79,5;
Nб = 29 кВт;
ωдв = 78,5рад/с.
Редуктор представляет собой трехступенчатую зубчатую передачу. На верхней части корпуса имеется кольцевой выступ для установки стойки, на которую крепится фланцевый электродвигатель.
6. Выбор муфт
Редуктор имеет посадочное место под электродвигатель, муфту на быстроходный вал редуктора не применяем.
На тихоходный вал имеем:
Ǿ = 170 мм.
М∑max =14,446 кН*м
max M = М∑max /G=14,446/9,8 = 1474 кгс*м
На основании этих данных выбираем муфту МЗП для диаметров до 180 мм М = 5000 кгс*м [3].
7 Расчёт шпоночного соединения
Шпоночное соединение тихоходного вала с муфтой.
Расчёт ведём исходя из условия возможного смятия шпонки.
Размеры шпоночного паза 190 х 22 х 45(мм) [1].
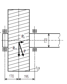
Рис. 4. Эскиз вала со шпонкой
Расчет на смятие
Где:
D=170 - диаметр вала, мм;
h=44 - высота шпонки, мм;
[σ]см = - допускаемое напряжение (для поверхностей с твёрдостью 270...330 НВ), кгсмм2;(250×106 Па)
Мmax=Мред=29кВт (шпонку рассчитаем на максимальную мощность редуктора).
Отсюда l шпонки
Из стандартного ряда выбираем длину шпонки:{...50,55,60,65,…}.
l = 65 мм.
8 Расчёт на статическую прочность выходного вала редуктора
Рис. 5. Эскиз вала с действующими нагрузками
Делительный диаметр колеса D
М – модуль зубчатого зацепления - 11мм;
Z – число зубьев - 80;
β – угол наклона зубьев - 16о15`.
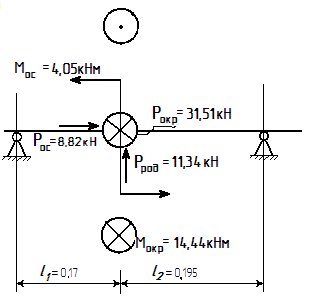
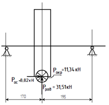
Рис. 6 Расчетная схема выходного вала
Рис. 7 Действующие усилия на оси вала
Расчет реакции опор
В расчетах на прочность влияние нормальной силы ZA не учитываем.
Построение епюр
Силы в опасном сечении
Проверим выполнение условия статичной прочности.
Формула эквивалентного момента по III гипотезе прочности.
где
Допускаемое напряжение для материала вала, [σ] =125 МПа;
[σ]эквШ = 36 МПа < [σ] = 125 МПа.
Условие статической прочности соблюдается.
Вывод
В данной работе рассмотрен способ передачи слитков при помощи подъёмно-качающегося стола. Проведено кинематическое и динамическое исследование механизма. Проведён выбор редуктора, расчёт шпоночного паза, а также расчёт вала по допускаемым напряжениям по III теории прочности.
Список используемой литературы
1 Краузе Г.Н., Кутилин Н.Д., Сацко С.А.. Редукторы, справочное пособие. - М. - Л.: Машиностроение, 1965.
2 Гузенков П.Г. Детали машин. - М.: Высшая школа, 1975.
3 Поляков В.С. Барбаш И.Д.Муфты Л.: Машиностроение, 1973.
4 Борисов A.M., Кислюк В.А., Левитов С.Д. Методическое пособие к курсовому проекту по общему курсу электропривода. Челябинск: ЧПИ, 1972.
5 Васильев В.Э. и др. Справочные таблицы по деталям машин. Т.1,2,3. 1966.
6 Чернавский С.А. и др. Проектирование механических передач, М.: Машиностроение, 1974.
7 Гузенков П.Г. Краткий справочник к расчётам деталей машин. М.: Высшая школа, 1964.
8 Зеленов А.Б. и др. Расчёты на прочность в машиностроении. T.I-III. М.: Машгиз, 1959.
9 Чернин И.М. и др. Расчёты деталей машин. Минск, 1978.















