125114 (690286)
Текст из файла
Государственное образовательное учреждение
высшего профессионального образования
Московский государственный индустриальный университет
(ГОУ МГИУ)
Кафедра ИДО № 74 «Естественнонаучных и инженерно-технических дисциплин»
Курсовой проект
По дисциплине «Технологическое машиностроение»
на тему ««Проектирование технологического процесса механической обработки ступенчатого вала»
№ зачетной книжки № 07-3955-57 Задания № 55
Выполнил: студент группы №Ах07Э22п
Ф. И.О. студента: Бирюкова Е.К.
Проверил:
Султан-заде Назим Музаффар-аглы
Москва 2010
Оглавление
Введение
1. Служебное назначение изделия
2. Анализ технологичности конструкции изделия
3. Определение типа и организационной формы производства
4. Выбор способа получения заготовки
5. Выбор маршрута механической обработки
6. Выбор технологических баз
7. Выбор технологического оборудования, оснастки и средств автоматизации
8. Выбор припусков на механическую обработку
9. Расчет режимов резания и норм времени
10. Маршрутная технологическая карта
11. Эффективность предлагаемого технологического процесса
Литература
Введение
В настоящее время важно качественно, дешево и в заданные плановые сроки с минимальными затратами труда изготовить деталь, машину в целом, применив современное высокопроизводительное оборудование, инструмент, технологическую оснастку, средства механизации и автоматизации производства. От принятой технологии производства во многом зависит долговечность и надежность работы выпускаемой машины, а также экономичность ее эксплуатации.
Совершенствование технологического процесса изготовления детали и машины в целом способствует конструированию и использованию более совершенных машин, снижение их себестоимости, уменьшению затрат труда на их изготовление.
Совершенствование конструкций машин характеризуется ее, в соответствии современному уровню техники, экономичностью в эксплуатации, а также тем, в какой мере учтены возможности использования наиболее экономичных и производительных технологических методов ее изготовления, применительно к заданному выпуску и условиям производства.
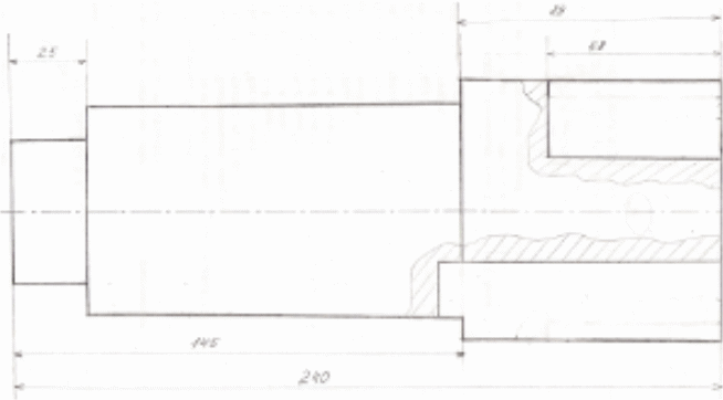
Задание
Марка стали 45Х, твердость НВ 229, годовая программа выпуска N=1500, L=240-0,46, l1=145-0,4, l2=48-0,25, l3=14-0,18, l4=25-0,21, l5=58-0,30,
l6=89 -0,35, l7=39-0,25, l8=54-0,30, d1=86-0,035, d2=69-0,03, d3=47-0,025, h1=10+0,15, h2=10+0,15,
,
.
Рис. 1. Схема вала с данными задания.
1. Служебное назначение изделия
По конструктивным и технологическим признакам деталь относится к классу «Валы».
Служебное назначение ступенчатых валов – передача вращательных движений.
У цилиндра на максимальной окружности имеются две опорные шейки. Деталь не подвергается термической обработке (НВ 185…229). Фаски по поверхностям не предусмотрены, следовательно острые кромки следует притупить.
2. Анализ технологичности конструкции изделия
Для приведенного на рис. 1.1 вала можно сделать вывод его технологичности на следующих основаниях:
- вал достаточно жесткий (равножесткий) (l/d < 12);
- простая конфигурация детали облегчает выбор исходной заготовки;
- расположение шеек (ступеней) удобное для обработки;
- не имеет труднодоступных поверхностей;
- возможно применение стандартного отечественного оборудования режущего и измерительного инструмента;
- удобные базирующие поверхности при фрезеровании шпоночного паза и обточке вала (наружные поверхности шеек и торец, при токарной обработке – центровые отверстия и торец);
- шпоночные пазы открытые, легко доступные, размеры заданы от торца (базового торца);
- отсутствие термической обработки упрощает технологический процесс обработки;
- могут быть использованы стандартные зажимные приспособления на всех технологических операциях;
- контроль заданных параметров вала может осуществляться стандартными контрольно-измерительными приборами.
3. Определение типа и организационной формы производства
Ориентировочно тип производства можно определить по табл. 1.1.
Таблица 1.1.
| Тип производства | Годовой объем выпуска деталей в штуках | ||
| Тяжелые (масса свыше 500 кг) | Средние (масса от 30 до 500 кг) | Легкие (масса до 30 кг) | |
| Единичное Мелкосерийное Среднесерийное Крупносерийное Массовое | До 5 5-100 100-300 300-1000 Свыше 1000 | До 10 10-200 200-500 500-5000 Свыше 5000 | До 100 100-500 500-5000 5000-50000 Свыше 50000 |
Тип производства можно установить по коэффициенту серийности (Кс)
где tв – такт выпуска;
Тшт ср – среднее штучное время.
Величина такта выпуска рассчитывается по формуле:
где Fд – действительный годовой фонд времени работы оборудования (2070 час/смену);
N – годовая программа выпуска деталей.
Обычно считается, что коэффициент серийности определяет количество различных операций по обработке детали, закрепленных за одним станком в течении года: для массового производства Кс=1…2, для крупносерийного Кс=2…10, для серийного Кс=10…20, для мелкосерийного и индивидуального Кс>20.
Т. к. Кс=23,66 наше производство является мелкосерийным.
Для единичного и мелкосерийного производства обычно применяется непоточная форма производства.
4. Выбор способа получения заготовки
После получения чертежа детали и технических условий на ее изготовление, необходимо привести данные о материале детали по химическому составу и свести их в таблицу 4.1. и 4.2.
Деталь изготавливается из стали 45Х.
Химический состав стали 45Х
Содержание элементов в %
Таблица 4.1.
| C | Si | Mn | Cr |
| 0,41…0,49 | 0,10…0,37 | 0,50…0,80 | 0,80…1,10 |
Механические свойства стали 45Х
Таблица 4.2.
| Марка стали | |||||
| в состоянии поставки | после термической обработки | ||||
| состояние | Qв, МПа или НВ | типовая термическая обработка | Qв, МПа | НВ | |
| 45Х | ОП | НВ≤217 | Отжиг 840-8700 Закалка 8400 Отпуск 5200 | 1050 | 179-229 |
Валы обычно изготавливаются из конструкционных и легированных сталей (типа 35, 40, 45, 30Х, 40Х, 45Х и т. д.)
В мелкосерийном производстве заготовки получают из горячекатаных или от холоднотянутых нормальных прутков.
Выбор метода получения исходной заготовки определяется типом производства.
Экономическое обоснование выбора метода получения исходной заготовки может осуществляться по различным методикам. Но в любом случае следует определить величину коэффициента использования материала заготовки по формуле:
где Мд – масса детали;
Мз – масса заготовки
В качестве метода получения заготовки используем горячую штамповку. Величина коэффициента получения заготовки:
Кис=0,65…0,85
Рис. 4.1.
5. Выбор маршрута механической обработки
Процесс изготовления вала состоит из следующих этапов:
- термообработка исходной заготовки (нормализация)
- подрезка торцев и зацентровка базовых (технологических) отверстий
- предварительная обработка, обтачивание наружных поверхностей, фрезерование шпоночных пазов
- термообработка
- окончательная обработка (шлифование, полирование)
6. Выбор технологических баз
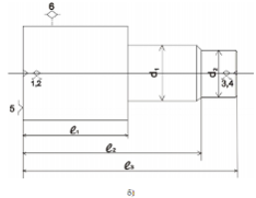
В типовом технологическом процессе обработки деталей класса «Валы» (длиной более 120 м) предусмотрено обеспечение принципа постоянства баз за счет обработки вала в центрах. Поэтому первой операцией будет обработка торцев и выполнение центровых отверстий.
Схема базирования заготовки на фрезерно-центровальной операции (фрезеровать два торца одновременно и центровать два отверстия единовременно на двухстороннем фрезерно-центровальном полуавтомате последовательного действия МР71) представлена на рис. 6.1 а). Схема базирования заготовки на токарном станке 16К20 (точить диаметры d1, и d2) представлены на рис. 6.1 б).
Рис. 6.1. Схемы базирования заготовки
Рис. 6.2. Схемы установки заготовки для определения погрешности базирования при фрезеровании шпоночного паза
Рассмотрим варианты схем базирования заготовки при обработке шпоночного паза (рис. 6.2.). Для первого варианта (рис. 6.2 а). При установке заготовки в призмы погрешность базирования (еᵷ) будет определяться по формуле:
Для второго варианта (рис. 6.2 б) при установке заготовки на плоскость (в станочных тисках) погрешность базирования (еᵷ) будет равняться половине допуска на диаметр заготовки:
Для третьего варианта (рис. 6.2 в) при установке заготовки в центрах погрешность базирования (еᵷ) будет равняться (еᵷ=0), т. к. установочная и измерительная база совпадают. Следовательно, целесообразно выбирать третий вариант (рис. 6.2 в).
7. Выбор технологического оборудования, оснастки и средств автоматизации
На первой операции используется Фрезерно-центровальный полуавтомат Мод. МР-71. В качестве приспособления используются: тиски (принадлежность станка). В качестве вспомогательного инструмента: две оправки для торцевых фрез; два сверлильных патрона. Режущий инструмент: две торцевые фрезы; два центровочных сверла. Контрольно измерительный: линейка, штангенциркуль.
На второй операции используется токарный многорезцовый полуавтомат мод. 1А730. В качестве приспособления используются: поводковый патрон с плавающим центром, возвращающийся в центр. В качестве вспомогательного инструмента: стойка для крепления резцов на суппорте. Режущий инструмент: два токарных проходных упорных резца и токарный прямой резец проходной. Контрольно-измерительный: предельные скобы для диаметральных реальных размеров; штангенциркуль для линейных размеров.
Характеристики
Тип файла документ
Документы такого типа открываются такими программами, как Microsoft Office Word на компьютерах Windows, Apple Pages на компьютерах Mac, Open Office - бесплатная альтернатива на различных платформах, в том числе Linux. Наиболее простым и современным решением будут Google документы, так как открываются онлайн без скачивания прямо в браузере на любой платформе. Существуют российские качественные аналоги, например от Яндекса.
Будьте внимательны на мобильных устройствах, так как там используются упрощённый функционал даже в официальном приложении от Microsoft, поэтому для просмотра скачивайте PDF-версию. А если нужно редактировать файл, то используйте оригинальный файл.
Файлы такого типа обычно разбиты на страницы, а текст может быть форматированным (жирный, курсив, выбор шрифта, таблицы и т.п.), а также в него можно добавлять изображения. Формат идеально подходит для рефератов, докладов и РПЗ курсовых проектов, которые необходимо распечатать. Кстати перед печатью также сохраняйте файл в PDF, так как принтер может начудить со шрифтами.
















