125101 (690275)
Текст из файла
Задание на проектирование
| № п/п | Наименование исходных данных | Обозначение | Единицы измерения | Величина параметров |
| 1 | Внутренний диаметр аппарата | Дв | мм | 1000 |
| 2 | Высота обечайки | Н | мм | 2000 |
| 3 | Давление в аппарате | Р | МПа | 0,8 |
| 4 | Температуры среды в аппарате | t | oC | 160 |
| 5 | Среда | - | глицерин | |
| 6 | Водный раствор | - | % | 20 |
| 7 | Плотность среды | кг/м3 | 1050 | |
| 8 | Вид днища | - | коническое, α=450 | |
| 9 | Диаметр выходного штуцера | Д0 | мм | 50 |
| 10 | Давление в рубашке аппарата | Рруб | МПа | 0,2 |
| 11 | Потребляемая мощность мешалки | Nм | кВт | 7,6 |
| 12 | Угловая скорость мешалки | nN | об/мин | 240 |
| 13 | Срок эксплуатации | год | 20 | |
Рассчитать основные элементы корпуса аппарата: обечайка, днище, крышка, мотор-редуктор, фланец, патрубок, перемешивающее устройство, штуцер, технологическое отверстие, рубашка, уплотнение, материал аппарата, опоры аппарата.
Введение
Развитие химической и нефтехимической промышленности требует создания новых высокоэффективных, надежных и безопасных в эксплуатации технологических аппаратов. Применение веществ, обладающих взрывоопасными и вредными свойствами, ведение технологических процессов под большим избыточным давлением и при высокой температуре обусловливает необходимость детальной проработки вопросов, связанных с выбором средств защита для обслуживающего персонала, с прочностью и надежностью узлов и деталей аппаратов. Перед химическим машиностроением поставлена задача создания и выпуска высокопроизводительного оборудования. Химическое машиностроение должно внести большой вклад в развитие топливно-энергетического комплекса нашего государства.
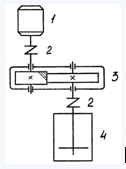
Темой проекта является проектирование аппарата, нагруженного внутренним и наружным давлением, и привода для механического перемешивающего устройства аппарата. В ходе проектирования производился расчет основных элементов аппарата в соответствии с рис. 1, находящихся под внутренним и наружным давлением с заданной рабочей средой и температурой.
Рис. 1. Кинематическая схема привода: 1-электродвигатель (асинхронный); 2-муфта (упругая); 3-одноступенчатый косозубый редуктор; 4-аппарат с мешалкой.
К перемешивающему устройству подбирался привод, для которого выполнялся кинематический, энергетический и силовой расчеты. Определялись основные размеры деталей передачи из условий прочности и жесткости, а также подбирались подшипники и муфты.
1. Основная часть
-
Расчет оболочек нагруженных внутренним и внешним давлением
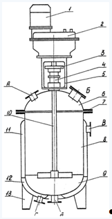
Во многих технологических процессах применяют емкостные аппараты с мешалки, которые работают под давлением в соответствии с рис. 1.1.
Рис. 1.1. Аппарат с мешалкой и её приводом: 1-электродвигатель; 2-редуктор; 3-муфта; 4-уплотнение; 5-стойка; 6-крышка; 7-фланцы; 8-обечайка; 9-днище; 10-мешалка; 11-рубашка; 12-днище рубашки; 13-опоры. Штуцеры: А - вход продукта; Б - люк; В - вход теплоносителя; Г - выход теплоносителя; Д - выход продукта.
Основным элементом аппарата является его цилиндрическая часть - обечайка 8. Вертикальное исполнение тонкостных цилиндрических аппаратов более выгодно, чем горизонтальное (в горизонтальных аппаратах появляются дополнительные изгибающие напряжения от силы тяжести самого аппарата и среды). Вертикальная обечайка закрывается днищем 9 снизу и крышкой сверху. В отличие от днищ, имеющих неразъемное соединение, крышки 6 являются отъемными частями, аппаратов. Днища и крышки изготавливают из тех же материалов, что я обечайки. Присоединение к аппаратам крышек и соединение отдельных частей аппарата осуществляется с помощью фланцев 7. Герметичность фланцевых соединений обеспечивается прокладками. Трубопроводы и контрольно-измерительные приборы присоединяются к аппаратам с помощью штуцеров, чаще фланцевых, реже резьбовых. Для осмотра аппарата, загрузки сырья и очистки аппарата, а также для сборки и разборки внутренних устройств служат люки Б. При съемных крышках аппараты могут быть без люков. Аппараты устанавливаются на фундаменте с помощью лап и опор 13. Перемешивание жидких сред в аппаратах производится либо механическими, либо пневматическими способами. Механическое перемешивание осуществляется мешалками 10. Для приведения во вращение механического перемешивающего устройства служит привод, состоящий из электродвигателя 1, редуктора 2 и муфт 3. Устанавливается редуктор на крышке вертикального аппарата с помощью стойки и опоры 5. Вал перемешивающего устройства вводится в аппарат через уплотнение 4, обеспечивающее герметичность. Уплотнение вала производится с помощью сальника, либо торцевым уплотнением. Жидкость вводится в аппарат через штуцер А, а выводится через штуцер Д. Обогрев аппарата осуществляется обычно с помощью рубашки 11, которую приваривают к корпусу стального аппарата. Диаметр рубашки принимают на 40-100мм больше диаметра аппарата. Обогревающую жидкость подают в рубашку через нижний, штуцер Г, а удаляют через верхний В, чтобы рубашка всегда была заполнена теплоагентом. Обогревающий пар подают в рубашку через верхний штуцер, а через нижний отводят конденсат.
В соответствии с правилами /1/ материалы, применяемые для изготовления аппаратов, должны обладать хорошей свариваемостью, а также прочностью и пластическими характеристиками, обеспечивающими хорошую работу аппарата в заданных условиях эксплуатации.
Элементы корпуса рассчитываются по двум вариантам: от действия внутреннего давления P(в) и наружного давления P(н).
-
Прибавки к толщине элементов корпуса на коррозию. Выбор материала для обечайки, днища и крышки
Для изготовления химических аппаратов обычно используют, стали различных марок. При выборе материалов корпуса, рубашки, штуцеров учитываем их коррозионную стойкость в рабочей среде (в глицерин), которую принимаем по /2/ и /3/.
По коррозионной стойкости подходят 5 сталей: 15ХSМ, Х5М, Х18H10T, Х17Н13М2Т, OX23H28MЗДТ, и алюминий (ГОСТ 4785-65).
Рассчитаем скорость проникновения коррозии по формуле (1.1) по /4/:
П=
(1.1)
где П - скорость проникновения коррозии (глубинный показатель), мм/год;
- показатель убыли массы при равномерной коррозии стали, г/(м2∙ч)(по /4/ принимаем
=0,2г/(м2∙ч);
- плотность стали (по /5/ принимаем
=7,96 г/см3).
П=
=0,22мм/год - по формуле (1.1).
Отсюда, из условия коррозионной стойкости по /2/ выбираем материал обечайки, днища и крышки – сталь Х18H10T со скоростью проникновения коррозии
П<0.1*10-3м/год.
Для выбранного материала прибавку к расчетной толщине стенки элементов корпуса на коррозию определяем по формуле (1.2):
С=П·Та (1.2)
где С - прибавка к расчетной толщине стенки элементов корпуса на коррозию, мм; Та - амортизационный срок (Ta=10лет).
С=П·Та=0,1∙10-3·20=2∙10-3м – по формуле (1.2).
Материалы, у которых С>(2÷3)10-3м обычно не используют по /2/. Поправка С находится в пределах допустимых величин, т. к. С=2,010-3м
-
Определение расчетных значений давлений, температур, допускаемых напряжений и модуля упругости применяемых материалов
Расчетное давление принимаем равным рабочему давлению. Рабочее давление в аппарате - максимальное избыточное давление, возникающее при нормальном протекании рабочего процесса.
Рабочее внутреннее давление для элементов корпуса, находящихся ниже свободной поверхности жидкости определяем по формуле (1.3):
P(в)=P+Pгидр (1.3)
где P(в) - рабочее внутренне давление, МПа; Р - избыточное внутреннее давление в аппарате над свободной поверхностью жидкости, P=0,8МПа; Pгидр - гидростатическое давление рабочей жидкости (глицерин), МПа.
Гидростатическое давление Pгидр вычисляем по формуле (1.4):
Pгидр=10ρж·x (1.4)
где ρж - плотность рабочей жидкости (глицерин: ρж=1050кг/м3); х - расстояние от свободной поверхности жидкости до нижней точки днища аппарата, мм.
При заполнении на 0,75 (75%) высоты обечайки найдём x по формуле (1.5):
x=H∙0,75 (1.5)
где H – высота обечайки, мм.
x =2000·0,75=1500мм=1.5м – по формуле (1.5).
Pгидр=10·1050∙1500∙10-9=0,01575 МПа=15,8∙10-3МПа - по формуле (1.4).
Pгидр при определении расчетного давления учитываем в том случае, когда его величина составляет 5% и более от рабочего давления по формуле (1.6):
или 5% (1.6)
=1,97% <5% - по формуле (1.6).
Отсюда по формуле (1.3) принимаем: P(в)=P=0,8МПа.
При расчете аппарата с рубашкой за расчетное наружное давление P(н) принимаем давление, которое может возникнуть при самых неблагоприятных условиях эксплуатации, например, в связи с возможностью сброса внутреннего давления (опорожнение аппарата). P(н) рассчитаем по формуле (1.7):
P(н)=Pруб+Pг (1.7)
где P(н) - рабочее наружное давление, МПа; Pруб - избыточное внешнее давление в рубашке аппарата, МПа; Pг - гидростатическое давление рабочей жидкости (глицерин) в рубашке, МПа.
Pг для рубашки определяется по формуле (1.4), т. е. Pг= Pгидр. При заполнении на 0,75 (75%) высоты рубашки xруб=x определяется по формуле (1.5), где xруб - расстояние от свободной поверхности жидкости до нижней точки днища рубашки, мм. Pг при определении расчетного давления учитываем в том случае, когда его величина составляет 5% и более от рабочего давления по формуле (1.8):
или 5% (1.8)
=7,9%>5% - по формуле (1.8).
Отсюда по формуле (1.7) принимаем: P(н)=Pруб+Рг=(0,6+0,015)МПа= 0,62 МПа.
Следует отметить, что формула (1.3) соответствует условиям работы корпуса при отключении подачи теплоносителя в рубашку, т. е. при Рруб=0.
Расчетную температуру стенок корпуса принимаем равной температуре среды, соприкасающейся со стенкой, по формуле (1.9):
t=tж (1.9)
где t - расчетная температура стенок корпуса, °С; tж - температура перешиваемой среды в аппарате (глицерин; tж=160°С).
По формуле (1.9) получаем: t=160°С.
Допускаемое напряжение для материала определяем по формуле (1.10):
[σ]=η·[σ]* (1.10)
где [σ] - допускаемое напряжение стали, МПа; η - поправочный коэффициент, для невзрывоопасных смесей η=1; [σ]* - допускаемое нормативное напряжение стали, МПа.
Для стали Х18H10T по табл. 1.1 при t=160°C принимаем: [σ]*=140МПа.
Таблица 1.1
Допускаемые напряжения [σ]* для коррозионностойкой стали Х18H10T принимаем по /5/
| Сталь | Значение [σ]*МПа при t,°С | ||||||||
| 100 | 150 | 200 | 250 | 300 | 350 | 400 | 410 | 420 | |
| Х18H10T | 156 | 148 | 140 | 132 | 123 | 113 | 103 | 102 | 101 |
*Прим.: для поковок из стали марки Х18H10T применяют допускаемые напряжения при температурах до 550С умножают на 0,95.
Отсюда по формуле (1.10) получим: [σ]=η·[σ]*=1·140∙0,95=133МПа.
Расчетное значение модуля упругости E при t=160°С принимаем по табл. 1.2: Е=197∙103МПа.
Таблица 1.2
Значения модулей упругости Е в зависимости от температуры по /5/
| Сталь | Значение Е/103 МПа (Н/мм2) при t,°С | ||||||||
| 20 | 100 | 150 | 200 | 300 | 400 | 500 | 600 | 700 | |
| Углеродистая | 199 | 191 | 186 | 181 | 171 | 155 | - | - | - |
| Легированная | 200 | 200 | 199 | 197 | 191 | 181 | 168 | 153 | 136 |
-
-
Расчет элементов корпуса, нагруженных внутренним давлением
Элементы сосудов согласно нормам /3/ при нагружении внутренним давлением рассчитываем по формулам, основанным на безмоментной теории оболочек и третьей гипотезе прочности по /6/. При этом вводим соответствующие ограничения по конструктивным параметрам аппарата. Одно из основных ограничений находим по формуле (1.11):
(1.11)
где S - толщина стенки оболочки, мм; Д - расчетный диаметр, (Д=ДВ=1000мм - внутренний диаметр аппарата).
Для рассматриваемой конструкции корпуса аппарата условие (1.11) выполняется со значительным запасом и позволяет напряженное состояние в оболочках считать плоским по уравнениям (1.12), (1.13), (1.14) и (1.15):
σ1=σt (1.12)
σ2=σm (1.13)
σ3=σp≈0 (1.14)
где σ1, σ2, σ3 - напряжения в оболочках корпуса, МПа; σt - тангенциальное напряжение, МПа; σm - меридиональное напряжение, МПа; σp - нормальное (радиальное) напряжение, МПа.
Так как для рассматриваемых оболочек σt меньше равно σm, то условие прочности при наличии сварных швов имеет вид уравнения (1.15):
σэкв3=σ1-σ3=σt≤φ[σ] (1.15)
где σэкв3 - эквивалентное напряжение, МПа; φ - коэффициент прочности сварного продольного шва.
Таким образом, используя это условие прочности и известные зависимости для определения тангенциальных напряжений в оболочках различных типов можно для любой из них вычислить требуемую толщину.
Расчетные схемы оболочек, составляющих корпус аппарата, при нагружении его газовым и гидростатическим давлениями, приведены на рис. 1.2.
Рис. 1.2. Расчетные схемы элементов корпуса, нагруженного внутренним давлением: а - крышка аппарата; б - обечайка аппарата; в - днище аппарата.
-
Определение толщины стенки обечайки
Толщину стенки цилиндрической обечайки аппарата в соответствии с рис. 1.3 определяем по формуле (1.16):
S1=
(1.16)
где S1 - толщина стенки обечайки, мм;
P1 – расчетное давление на обечайку, МПа;
φ - коэффициент прочности сварного продольного шва, стыковой односторонний шов при ручной сварке φ=7.
Формула (1.16) справедлива при соблюдении условия (1.11).
При отношении гидростатического и рабочего давления меньше 5% принимаем по формуле (1.3): Р1=Р=0,8МПа, т. к. Pгидр невелико.
S1=
=6∙10-3м - по формуле (1.16).
Так как
- условие (1.11) выполняется.
Принимаем по нормальному ряду: S1=6мм.
-
Определение толщины стенки стандартной эллиптической крышки
Толщину стенки эллиптической крышки аппарата определяем по формуле (1.17):
S2=
(1.17)
где S2 - толщина стенки эллиптической крышки, мм; P2=Р=0,8МПа – расчетное давление на крышку, МПа; R - радиус кривизны в вершине крышки или днища, (для стандартных крышек и днищ: R=ДВ=1000мм).
При отношении гидростатического и рабочего давления меньше 5% принимаем по формуле (1.3): Р2=Р=0,8МПа, т. к. Pгидр невелико.
Для стандартных крышек по формулам (1.18) и (1.19) найдем R и hВ:
R=ДВ (1.18)
hВ=0,25∙ДВ (1.19)
где hВ - высота крышки в соответствии с рис. 1.4. и по табл. 1.3:
По табл. 1.3 принимаем hВ=250мм. По формуле (1.18): R=500мм.
S2=
5∙10-3м - по формуле (1.17).
Принимаем по нормальному ряду: S2=5мм
Таблица 1.3
Размеры эллиптически отбортованных стальных крышек (днищ) для сосудов, аппаратов и котлов (ГОСТ 6533-78) по /7/
| ДВ | h1 | hВ | S | A | V | m | |||
| мм | м2 | л | кг | ||||||
| 1000 | 25 | 250 | 5 | 1,21 | 161,7 | 46,2 | |||
| 6 | 55,5 | ||||||||
| 8 | 74,4 | ||||||||
| 10 | 93,4 | ||||||||
| 12 | 1171 | ||||||||
| 14 | 137,2 | ||||||||
| 40 | 16 | 157,6 | |||||||
| 18 | 178,0 | ||||||||
| 20 | 198,7 | ||||||||
| 22 | 219,5 | ||||||||
| 25 | 251,1 | ||||||||
| 28 | 294, | ||||||||
| 30 | 319,9 | ||||||||
| 32 | 342,6 | ||||||||
| 60 | 34 | 1,27 | 177,4 | 365,6 | |||||
| 36 | 388,8 | ||||||||
| 38 | 412,2 | ||||||||
| 40 | 435,0 | ||||||||
| 45 | 495,0 | ||||||||
-
-
Определение толщины стенки конического днища
Для аппарата диаметром 273-3000мм, работающих под давлением, рекомендуется применять конические отбортованные днища с углами при вершине 60 (ГОСТ 12619-78). Для аппаратов, подведомственных Госгортехнадзору, центральный угол при вершине конуса днища должен быть не более 45. Днища могут быть изготовлены с толщиной стенки от 4 до 30мм.
Толщина стенки конического днища (рис. 1.5) определяем вначале по напряжениям изгиба в тороидальном переходе по формуле (1.20):
S0=
(1.20)
Где Р3 – давление на стенки днища, МПа. Из-за незначительности величины гидростатического давления Р3=Р1=0,8МПа. Y – коэффициент формы днища.
Для конических днищ с α=45, Y=1.9
Коэффициент прочности кольцевого шва принимается равным 1,0 при условии, что расстояние между кольцевым швом и началом дуги не меньше
h1=
(1.21)
Если это расстояние h1 меньше условия 1.21, то для стыкового кольцевого шва свариваемого с одной стороны, =0,8; для стыкового шва с подваркой со стороны вершины =0,95
5∙10-3м
Проверяем условие:
41,8мм < 50мм, то =0,8
5мм
По таблице 1.4 для 2α=90 определяем S0:
Значение S при различных параметрах Дв, hв, rв, h1.
Таблица 1.4
| Дв, мм | hв, мм | rв, мм | h1, мм | S, мм | A, м2 | V, м3 | Масса, кг |
| 1000 | 566 | 160 | 40 | 6 | 1,45 | 0,214 | 69,6 |
| 50 | 8 | 1,49 | 0,222 | 93,3 | |||
| 10 | 120,1 |
Принимаем So=10мм
Толщина стенки конической части днища определяется по формуле:
(1.22)
Где Др расчетный диаметр конического отбортованного днища:
(1.23)
Где rв=0,15∙Дв=0,15·1=0,15м
0,86м
0,0063м=6мм
Принимаем по нормальному ряду: S3=6мм. Однако во всех случаях толщина днища должна быть не меньше толщины обечайки, поэтому окончательно принимаем по стандартному ряду: S1= S3=6мм, S2=5мм, So=10мм
Длина цилиндрической части отбортованного конического днища:
0,99м
Длина конической части ниже тороидального перехода:
1,18м
-
Расчет элементов корпуса, нагруженных наружным давлением, на устойчивость
В тонких стенках аппаратов, работающих под наружным давлением, с рубашкой возникают напряжения сжатия, т. е. возможно вдавливание стенки внутрь. Под действием критического давления поперечное сечение первоначально круглой формы искажается, становится волнообразным, что приводит к потере устойчивости по /9/.
Принцип расчёта заключается в проверке на устойчивость толщин элементов корпуса, полученных из ранее полученных расчетных данных по /10/. Конструкция рубашки такова, что под действием наружного давления Рруб находятся обечайка, днище и крышка.
Эти элементы аппарата и рассчитываем на устойчивость по /11/. Расчетные схемы оболочек, составляющих корпус аппарата, при нагружении его наружным давлением, приведены на рис. 1.6.
Расчетное наружное давление для элементов корпуса P(н) определяем по формуле (1.7).
-
Расчет обечайки
Исполнительная толщина цилиндрической обечайки должна удовлетворять условию устойчивости (1.21):
(1.21)
где σС - напряжение от сжимаемой осевой нагрузки, которое определяется по формуле (1.22), МПа; [σС] - допускаемое напряжение сжатия, которое определяется по формуле (1.23), МПа;
- расчетное наружное давление на обечайку,
=Рруб=0,8МПа по формуле (1.7); [P] - допускаемое боковое давление обечайки, которое определяется по формуле (1.25), МПа.
σС=
(1.22)
σС=
=12,5МПа – по формуле (1.22).
Допускаемое напряжение сжатия определяется по формуле:
[σC]=
(1.23)
где KС - коэффициент, который рассчитывается по формуле (1.24):
КС
(1.24)
где
- параметр, зависящий от
по табл. 1.4:
Значения
для различных ДВ
Таблица 1.5
|
| 25 | 50 | 75 | 100 | 125 | 150 | 200 | 250 | 500 |
|
| 0,024 | 0,048 | 0,072 | 0,1 | 0,12 | 0,14 | 0,15 | 0,14 | 0,12 |
зависит от
=125, отсюда
=0,12 по табл. 1.4.
Для стали Х18H10T коэффициент продольной деформации (модуль упругости) при t=160°С: E=197∙103 МПа в соответствии с табл. 1.2.
КС
=0,112 - по формуле (1.24).
[σC]=
=88,26МПа - по формуле (1.23).
Допускаемое боковое давление для цилиндрических обечаек корпусов вертикальных аппаратов, работающих в области упругих деформаций, рассчитаем по формуле (1.25):
[P]=
(1.25)
где l1 - расчетная длина обечайки (рис1.7), определяемая по формуле (1.27) при соблюдении условий: S2-S1≤2мм и S3-S1≤2мм, мм.
При этом должно выполняться условие (1.26):
(1.26)
l1=h+h1+h2 (1.27)
где h - высота, определяемая по формуле (1.28), мм; h1 - высота борта (по табл. 1.3: h1=25мм); h2 - высота, определяема по формуле (1.29), мм.
h=H-100 (1.28)
h2=
(1.29)
HЭЛ - высота, которая находится по формуле (1.30), мм:
Hэл=
=
(1.30)
Hэл=125мм - по формуле (1.30) и по табл. 1.3.
h2=
=41,67мм≈42мм - по формуле (1.29).
h=2000-100=1900мм - по формуле (1.28).
l1=1900+25+42=1967мм - по формуле (1.27).
Проверяем условие (1.26):
1,97>0,20 – условие (1.26) выполняется.
[P]=
=0,066МПа – по формуле (1. 25).
Проверяем условие устойчивости обечайки по формуле (1.21):
12,26>1 – условие устойчивости (1.21) не выполняется.
Рассчитаем
по формуле (1.31):
(1.31)
где
- расчетная наружная толщина обечайки, мм.
=12,79мм - по формуле (1.31).
Принимаем по стандартному ряду с запасом:
=14мм.
-
Исполнительная толщина стандартной эллиптической крышки, работающей в области упругих деформаций
Исполнительная толщина крышки должна удовлетворять условию устойчивости (1.32):
0>5>Характеристики
Тип файла документ
Документы такого типа открываются такими программами, как Microsoft Office Word на компьютерах Windows, Apple Pages на компьютерах Mac, Open Office - бесплатная альтернатива на различных платформах, в том числе Linux. Наиболее простым и современным решением будут Google документы, так как открываются онлайн без скачивания прямо в браузере на любой платформе. Существуют российские качественные аналоги, например от Яндекса.
Будьте внимательны на мобильных устройствах, так как там используются упрощённый функционал даже в официальном приложении от Microsoft, поэтому для просмотра скачивайте PDF-версию. А если нужно редактировать файл, то используйте оригинальный файл.
Файлы такого типа обычно разбиты на страницы, а текст может быть форматированным (жирный, курсив, выбор шрифта, таблицы и т.п.), а также в него можно добавлять изображения. Формат идеально подходит для рефератов, докладов и РПЗ курсовых проектов, которые необходимо распечатать. Кстати перед печатью также сохраняйте файл в PDF, так как принтер может начудить со шрифтами.
















