110515 (690219)
Текст из файла
Министерство образования и науки РФ
Федеральное агентство по образованию
ГОУ ВПО
Саратовский государственный технический университет
Кафедра «Приборостроение»
Кольцевой индукционный датчик угла
Пояснительная записка к курсовой работе по дисциплине
«Электрические измерения»
Выполнила:
студентка группы ПБС-32
Боровкова Т.М.
Проверил: доц. каф. ПБС
Ледовской В.И.
Саратов 2006
Реферат
Пояснительная записка содержит 46 с., 15 рисунков. Приложение содержит графический материал, в сумме составляющий один формат А1.
Ключевые слова: кольцевой индукционный датчик угла, вращающийся трансформатор, статор, ротор, магнитопровод, обмотки.
В данной пояснительной записке к курсовой работе по дисциплине «Электрические измерения» рассматривается такая разновидность датчиков угла, как кольцевые индукционные датчики угла (КИДУ). Описана конструкция КИДУ, принцип действия, включая уравнения э.д.с., основные типы погрешностей, присущих данному типу датчиков угла. Приведен расчет основных геометрических и электрические параметры КИДУ, на основе которого выполнены сборочный и рабочие чертежи деталей.
В процессе выполнения курсовой работы использовались современные программные средства, такие как САПР «Компас 3D 8», векторный графический редактор «Corel Draw 12», среда математического моделирования «MatLab 7» и п.р.
Содержание
Введение
1. Конструкция кольцевых датчиков угла
2. Конструкция двухполюсного КИДУ
3. Принцип действия КИДУ
3.1 Уравнения э. д. с.
3.2 Параметры КИДУ
4. Погрешности КИДУ
4.1 Классификация погрешностей
5. Расчет КИДУ
5.1 Выбор геометрии магнитопровода
5.2 Расчет обмоток и параметров КИДУ
6. КИДУ со скосом пазов
Заключение
Список использованных источнико
Введение
Для определения углового положения гироскопа и передачи этих данных в систему управления гироприбором необходимо преобразовывать угол поворота кардановых колец в другую физическую величину, более удобную для дистанционной передачи и дальнейшего использования [1]. Устройства, выполняющие такого рода преобразование, называются датчиками угла.
К датчикам угла, применяемым в гироприборах, предъявляются следующие требования [1]:
-
момент, прикладываемый со стороны датчика к гироскопу,должен быть минимальным;
-
характеристика датчика должна быть линейной
, где Uвых – напряжение, снимаемое с датчика; – угол поворота ротора; kд – коэффициент пропорциональности, который называется крутизной характеристики датчика; -
порог чувствительности должен быть минимальным, с тем чтобы обеспечить фиксирование достаточно малых углов поворота гироскопа;
-
масса и габариты подвижных частей датчика должны быть также минимальны, с тем чтобы не увеличивать трение в опорах гироприбора;
-
мощность сигнала, снимаемого с датчика, должна быть максимально большой; это позволяет в ряде случаев не прибегать к усилению сигнала, что упрощает общую схему;
-
характеристика датчика должна быть стабильной и не зависимой от условий работы прибора;
-
остаточный сигнал датчика и шумы должны быть минимальными; в выходном напряжении датчиков, работающих на переменном токе, не должно быть высших гармоник, помех и остаточных э. д. с, сдвинутых по фазе на 90° относительно полезного сигнала.
Перечисленные требования иногда оказываются противоречивыми; так, например, увеличение выходной мощности приводит к увеличению момента, создаваемого датчиком. Решение вопроса о том, какое из перечисленных требований является основным, зависит от типа гироскопической системы, ее назначения и требуемой точности.
В качестве датчиков угла могут применяться различного типа устройства: потенциометрические, индукционные, емкостные, фотоэлектрические, пневматические, электромашинные и т. п. В настоящем курсовой работе рассматриваются кольцевые индукционные датчики угла (КИДУ).
Основными достоинствами КИДУ являются [1]:
-
отсутствие механического контакта между подвижной и неподвижной частями датчика, вследствие чего при работе датчика не возникают моменты сил сухого трения;
-
возможность обеспечения большого рабочего угла;
-
достаточно высокая разрешающая способность;
-
простота конструкции датчика, обусловливающая высокую надежность работы и малую стоимость;
-
удобство компоновки в приборе вследствие симметричности конструкции;
-
возможность использования в различных режимах работы.
Основными недостатками КИДУ являются:
-
наличие остаточного сигнала и сравнительно большого обратного момента;
-
небольшая мощность выходного сигнала, что требует применения усилителя;
-
зависимость выходного сигнала от нестабильности напряженияи частоты питания;
-
необходимость специальных токоподводов для обеспечения безмоментной электрической связи обмоток ротора с другими электроэлементами, расположенными на неподвижной части гироприбора;
-
сравнительно большая масса и габариты.
Вследствие указанных недостатков КИДУ в настоящее время не удовлетворяют жестким требованиям, предъявляемым к датчикам углов для прецизионных гироприборов. Поэтому в качестве линейных датчиков углов КИДУ применяются только в гироприборах средней и низкой точности.
1. Конструкция кольцевых датчиков угла
Кольцевые датчики угла представляют собой поворотные трансформаторы плоского типа с переменным коэффициентом трансформации, который изменяется в зависимости от относительного углового положения ротора и статора датчика [2]. Основными величинами, характеризующими работу датчика угла, являются:
1) потребляемые мощность и ток при номинальных значениях напряжения возбуждения и частоты сети;
-
рабочий диапазон угла поворота;
-
крутизна выходной характеристики;
-
степень линейности выходного напряжения в зависимости от угла поворота ротора;
-
симметрия выходного напряжения в зависимости от изменения знака угла;
-
остаточная э.д.с. в нулевом положении;
-
выходное сопротивление датчика;
-
значение реактивного момента,
По принципу изменения коэффициента взаимоиндукции между первичной и вторичной обмотками кольцевые датчики делятся на три типа:
-
датчики со сосредоточенными или распределенными обмотками на статоре и роторе;
-
датчики с короткозамкнутой обмоткой на роторе;
-
датчики без обмотки на роторе.
Рассмотрим кратко особенности каждого из этих типов кольцевых датчиков угла.
1. Кольцевые датчики угла с обмотками на статоре и роторе. В настоящее время этот тип кольцевого датчика является наиболее распространенным в гироскопических приборах. Магнитопровод датчика состоит из двух колец (рисунок 1.1), в пазы которых уложены по две электрически взаимно перпендикулярные сосредоточенные или распределенные обмотки. С целью исключения влияния эксцентриситета на работу датчика угла обмотки выполняются многополюсными. Для уменьшения реактивных моментов производится скос пазов внешнего и внутреннего магнитопроводов на одно зубцовое деление. У большинства датчиков угла коэффициенты взаимоиндукции между обмотками статора и ротора изменяются по синусоидальному закону от электрического угла поворота ротора аэ = ра. В этом случае удовлетворительная линейность выходной характеристики (до 1%) достигается в диапазоне изменения угла поворота ротора ±15°.
Рисунок 1.1 Принципиальная схема кольцевого датчика угла.
Принципиально для работы датчика угла достаточно по одной обмотке на статоре и роторе. Применение двух электрически взаимно перпендикулярных обмоток на статоре и роторе позволяет датчик сделать более универсальным и использовать его для синхронной передачи угла.
2. Датчики с короткозамкнутой обмоткой на роторе. Недостатком датчиков, имеющих первичную или вторичную обмотку на роторе, является необходимость осуществления токоподвода к ротору. Это увеличивает момент, необходимый для поворота ротора, что приводит к снижению точности датчика и уменьшению надежности его работы. Чтобы исключить этот недостаток ротор выполняют с короткозамкнутой обмоткой, а статор – с двумя сдвинутыми на 90° обмотками. Одна из обмоток статора – обмотка возбуждения, а другая – выходная обмотка. Выходная э. д. с. датчика создается поперечной составляющей магнитного потока ротора.
Рисунок 1.2 Датчик угла с короткозамкнутым витком на роторе
Рисунок 1.3 Датчик углас явнополюсным ротором
Датчик с короткозамкнутой обмоткой на роторе имеет сравнительно простую конструкцию, однако наличие на роторе контура с током приводит к появлению момента обратного воздействия, который превышает соответствующую величину момента для датчиков угла с обмотками на роторе и статоре.
3) Датчики угла без обмоток на роторе. Принципиальная схема датчика приведена на рисунке 1.3. На статоре датчика укладываются две обмотки (обычно распределенные), оси которых смещены на 90 электрических градусов. Одна из обмоток – обмотка возбуждения, другая – выходная. Ротор явнополюсный и имеет такое же число пар полюсов, как и обмотка статора. При совпадении осей полюсов с осями обмоток э.д.с. на выходной обмотке датчика равна нулю. Э.д.с. достигает максимального значения, когда этот угол составляет 45 электрических градусов.
Недостатки датчиков этого типа – наличие реактивного момента и большая степень нелинейности в зависимости выходной э.д.с. от угла поворота ротора.
Указанные недостатки можно устранить за счет применения явнополюсной конструкции статора и ротора и дифференциальной схемы включения обмоток.
Далее будем рассматривать кольцевой индукционный датчик угла с обмотками на статоре и роторе. В соответствии с техническим заданием КИДУ является двухполюсным с двумя взаимно перпендикулярными обмотками на статоре и роторе.
2. Конструкция двухполюсного КИДУ
Двухполюсные КИДУ выполняются как неявнополюсные электрические машины [1], имеющие равномерно распределенные пазы на статоре и роторе (рисунок 2.1). Пакеты статора и ротора набираются из листовой электротехнической стали или пермаллоя. Для получения однородных магнитных свойств применяется веерная сборка листов и скос паза ротора на одно зубцовое деление. В пазы статора и ротора укладываются по две взаимно перпендикулярные обмотки; закон распределения витков по пазам подбирается таким образом, чтобы коэффициент взаимоиндукции между обмотками статора и ротора изменялся по синусоидальному (косинусоидальному) закону от угла поворота ротора. Напряжение к обмоткам ротора подводится (снимается) с помощью контактных колец и щеток или с помощью контактных пружин; во втором случае угол поворота ротора ограничен.
На рисунке 2.1. обозначены:
1 – пакет статора; 2 – пакет ротора; 3 – корпус; 4 – крышки; 5 – подшипники; 6 – контактные кольца.
Рисунок 2.1 Принципиальная конструктивная схема КИДУ.
3. Принцип действия КИДУ
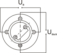
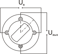
Датчик угла преобразует угол поворота в два переменных напряжения, амплитуды которых пропорциональны соответственно sin и cos.
Рисунок 3.1 Электрическая схема
Рисунок 3.2 К принципу работы
Характеристики
Тип файла документ
Документы такого типа открываются такими программами, как Microsoft Office Word на компьютерах Windows, Apple Pages на компьютерах Mac, Open Office - бесплатная альтернатива на различных платформах, в том числе Linux. Наиболее простым и современным решением будут Google документы, так как открываются онлайн без скачивания прямо в браузере на любой платформе. Существуют российские качественные аналоги, например от Яндекса.
Будьте внимательны на мобильных устройствах, так как там используются упрощённый функционал даже в официальном приложении от Microsoft, поэтому для просмотра скачивайте PDF-версию. А если нужно редактировать файл, то используйте оригинальный файл.
Файлы такого типа обычно разбиты на страницы, а текст может быть форматированным (жирный, курсив, выбор шрифта, таблицы и т.п.), а также в него можно добавлять изображения. Формат идеально подходит для рефератов, докладов и РПЗ курсовых проектов, которые необходимо распечатать. Кстати перед печатью также сохраняйте файл в PDF, так как принтер может начудить со шрифтами.
, где Uвых – напряжение, снимаемое с датчика; – угол поворота ротора; kд – коэффициент пропорциональности, который называется крутизной характеристики датчика;














