110515 (690219), страница 2
Текст из файла (страница 2)
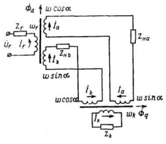
Наиболее просто это преобразование реализуется с помощью двухполюсного четырехобмоточного ВТ.. Схема включения приведена на рисунок 3.1. Здесь f – обмотка возбуждения (field winding); k – квадратурная обмотка (killer winding); a – косинусная обмотка; б – синусная обмотка.
При рассмотрении основных режимов работы ВТ примем следующие допущения [3]:
-
коэффициенты взаимоиндукции между обмотками статора и ротора изменяются по синусоидальному (косинусоидальному) закону;
-
обмотки на статоре (роторе) электрически перпендикулярны;
-
потери в стали пренебрежимо малы;
-
собственные параметры обмоток статора и ротора попарноодинаковы и постоянны.
Такой ВТ называется идеализированным.
Наиболее простым является режим холостого хода Zна=Zнб=. При включении обмотки возбуждения в сеть переменного тока в расточке машины образуется переменный продольный магнитный поток Ф, ось которого совпадает с осью обмотки возбуждения. Этот поток индуктирует (рисунок 3.2):
э. д. с. в обмотке возбуждения
; (3.1)
э. д. с. в косинусной и синусной обмотках
(3.2)
Здесь
и
– эффективные значения витков обмотки возбуждения и вторичных обмоток; Е – действующее значение вторичной э. д. с, когда оси обмоток совпадают ( = 0).
Отношение
называется коэффициентом трансформации.
Уравнение э. д. с. для обмотки возбуждения имеет вид
. (3.3)
Этому уравнению соответствует схема замещения, приведенная на рисунке 3.3. Вторичная обмотка показана для случая, когда ее ось совпадает с осью обмотки возбуждения.
Отношение
(3.4)
называется коэффициентом передачи по напряжению
Э.д.с. квадратурной обмотки
в режиме холостого хода у идеализированного ВТ равна нулю. При нагрузке вторичных обмоток ВТ различными сопротивлениями
электромагнитные процессы существенно усложняются. Во вторичных обмотках а и b появляются токи
и
, которые совместно с токами в обмотке возбуждения создают намагничивающие силы по продольной оси:
(3.5)
по перечной оси
(3.6)
Этим намагничивающим силам будут соответствовать продольный и поперечный магнитные потоки
и
можно представить себе как совокупность двух однофазных трехобмоточных трансформаторов, соединенных по схеме рисунка 3.3.
Магнитный поток
, если пренебречь падением напряжения на собственном сопротивлении обмотки возбуждения, остается постоянным и его можно найти из следующего уравнения
. (3.7)
Поперечный поток
создается н. с. вторичных обмоток и его величина в общем случае зависит от угла поворота ротора
(3.8)
Этот поток будет индуктировать во вторичных обмотках добавочную э.д.с, что приведет к искажению синусоидальной зависимости вторичных напряжений от угла поворота ротора . При замкнутой накоротко квадратурной обмотке этот поток демпфируется и выходные напряжения сохраняют синусоидальную зависимость от угла поворота ротора при любых сопротивлениях нагрузки. В этом случае говорят, что выполнено первичное симметрирование.
Рисунок 3.3 Схема замещения двух обмоточного КИДУ.
Рисунок 3.4 Приведение КИДУ к двум одно фазным трансформаторам.
Поперечный поток
, равен также нулю, если
. (3.9)
Токи
и
равны
(3.10)
где Z – собственное сопротивление вторичной обмотки.
Подставляя эти выражения в формулу (3.9), получим
. При этом условии, называемом условием вторичного симметрирования, вторичное напряжение изменяется по синусоидальному закону от угла поворота ротора.
3.1 Уравнения э. д. с.
Будем считать, что параметры обмоток не приведены к обмотке возбуждения. В этом случае в индуктивное сопротивление взаимоиндукции должен войти коэффициент трансформации. В матричном виде уравнения э.д.с. имеют вид:
, (3.11)
где Zf, Zk – собственные сопротивления обмоток возбуждения и квадратурной, включая сопротивление источника питания и симметрирующее сопротивление; k – коэффициент трансформации; хт – индуктивное сопротивление взаимоиндукции обмотки возбуждения;
и
– сопротивления косинусной и синусной обмоток, включая сопротивление нагрузки. Решая уравнения (3.11) относительно токов, получим
(3.12)
Из полученных выражений следует, что выходные напряжения ВТ
и
изменяются по косинусоидальному и синусоидальному законам от угла поворота ротора а при выполнении одного из следующих условий:
– условия первичного симметрирования;
– условия вторичного симметрирования.
Из первой формулы (3.12) следует, что потребляемый ток и входное сопротивление не зависят от угла , если
, т. е. выполнено вторичное симметрирование. Точно также можно показать, что выходное сопротивление вторичных обмоток не зависит от угла , если выполнено первичное симметрирование. Точность вторичного симметрирования (а при питании со стороны вторичных обмоток – и первичного симметрирования) можно оценить по э. д. с. квадратурной обмотки, которая определяется по формуле
при
. Подставляя сюда значение
из () и полагая, что
получим:
(3.13)
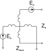
Для анализа работы КИДУ в некоторых схемах целесообразно в уравнениях (3.12) исключить токи статора. Уравнения э.д.с. примут вид:
(3.14)
Из этих уравнений следует, что при соблюдении условия первичного симметрирования
выходные обмотки ВТ можно рассматривать как две независимые обмотки с выходным сопротивлением
(3.15)
и э.д.с. (рисунок 3.5):
;
(3.16)
Рисунок 3.5 Схема КИДУ с исключенными обмотками возбуждения и квадратурной обмоткой
3.2 Параметры КИДУ
КИДУ характеризуется рядом величин, определяющих возможность его применения в той или иной схеме и точность работы. К величинам первой группы относятся:
– номинальное напряжение возбуждения; f – частота сети; k – коэффициент трансформации или коэффициент передачи по напряжению
;
– входное и выходное сопротивления;
– угол сдвига фазы между вторичной э. д. с. и приложенным напряжением.
Их схемы замещения, приведенной на рисунке 3.3, получаем:
– сопротивление холостого хода;
– сопротивление короткого замыкания;
– входное сопротивление при некотором сопротивлении нагрузки;
– угол сдвига фазы между вторичной э.д.с. и приложенным напряжением, где Zн – сопротивление источника.
Имея эти параметры, нетрудно определить любые электромагнитные величины, характеризующие работу КИДУ в схеме: потребляемые ток и мощность, выходное напряжение, оптимальную нагрузку и т.п.
Наиболее важными являются величины второй группы, характеризующие точность; они определяют, насколько реальная машина отличается от идеализированной. К этим величинам относятся:
1. Относительная амплитудная ошибка в синусоидальной зависимости вторичной э.д.с. от угла поворота ротора; она выражается в процентах или угловых минутах:
, (3.17)
где
максимальная угловая ошибка в минутах
По амплитудной относительной ошибке, выраженной в %, определяются классы точности: 0,01; 0,02; 0,05; 0,1; 0,2;0,3.
2. Асимметрия нулевых точек, характеризующая неперпендикулярность обмоток статора и ротора КИДУ. Для ее определения КИДУ поочередно возбуждается со стороны первичных обмоток, и затем определяются угловые положения ротора, при которых э.д.с. вторичных обмоток равна нулю. Отклонение этих угловых положений от углов, кратных 90о, представляет собой асимметрию нулевых точек КИДУ.
Из () следует, что для данного класса точности максимальное значение асимметрии
в угловых минутах не должно превосходить
, (3.18)
где — относительная амплитудная ошибка в процентах.
3. Остаточная э.д.с в нулевых точках (еос, %). Вследствие электрической и магнитной асимметрии магнитопровода от различных'технологических причин при однофазном питании КИДУ образуется эллиптическое вращающееся магнитное поле, которое индуктирует во вторичных обмотках э.д.с, сдвинутую по фазе на некоторый угол по отношению к э.д.с. от основного магнитного потока. Эта добавочная э.д.с. Может быть разложена на две составляющие (рисунок 3.6): совпадающую по фазе с основной э.д.с. и квадратурную э.д.с. Совпадающая по фазе э.д.с. компенсируется поворотом ротора, что обусловливает асимметрию нулевых точек. Квадратурная э.д.с. не может быть скомпенсирована, она представляет собой остаточную э.д.с, которая состоит из э.д.с. основной частоты и э.д.с. высших гармоник, появляющихся от нелинейности кривой намагничивания магнитопровода.
На работу КИДУ в компенсационных схемах главное влияние оказывает остаточная э.д.с. основной частоты. Ее величина не должна превосходить половины полезного сигнала, соответствующего максимальной угловой ошибке.
4. Э.д.с. квадратурной обмотки (ek, %). В идеальном КИДУ взаимоиндукция между перпендикулярными обмотками статора (ротора) должна отсутствовать. В действительности, вследствие различного рода технологических погрешностей коэффициент взаимоиндукции между обмотками не равен нулю, что приводит к появлению э.д.с. на одной обмотке при включении в сеть другой. Эту э.д.с. называют э.д.с. квадратурной обмотки. Она состоит из основной гармоники, имеющей частоту сети, и высших временных гармоник. Э.д.с. квадратурной обмотки зависит от углового положения ротора и содержит постоянную составляющую, не зависящую от углового положения ротора, переменную составляющую, изменяющуюся с двойной периодичностью от угла поворота ротора, и зубцовые гармоники (рисунок 3.7).
Рисунок 3.6 Векторная диаграмма остаточной э. д. с.
Рисунок 3.7 Зависимость э. д. с. квадратурной обмотки от угла по ворота ротора
Кривая э. д. с. квадратурной обмотки является весьма полезной при анализе качества изготовления магнитопровода КИДУ. Обычно для КИДУ как электрической машины задается максимальное значение э. д. с. квадратурной обмотки, выраженное в процентах от напряжения возбуждения
. (3.19)
5. Относительная разница (в %) коэффициентов передачи по напряжению косинусной и синусной обмоток
. (3.20)















