124920 (690197)
Текст из файла
СОДЕРЖАНИЕ:
Задание
1. Общий вид станка с указанием основных узлов, техническая характеристика станка и его назначение
2. Принципиальные схемы нарезания колёс и соответствующие частные кинематические структуры. Анализ кинематических структур. Общая кинемати- ческая структура станка
3. Кинематическая схема станка и её анализ с выводом расчётных формул настройки кинематических цепей
4. Настройка кинематических цепей станка при нарезании колёс по заданным..параметрам.
Список используемой литературы
Задание 1К4
Выполнить кинематический анализ зубофрезерного станка модели 5М324А и произвести его настройку на нарезание цилиндрического прямозубого, косозубого колеса и червячного колеса.
Содержание задания
1. Дать общий вид станка с указанием основных узлов, привести техническую характеристику и определить его назначение.
-
Дать принципиальные схемы нарезания колес и привести соответствующие частные
кинематические структуры. Выполнить анализ кинематических структур. Привести
общую кинематическую структуру станка. -
Выполнить кинематическую схему станка и произвести ее анализ с выводом расчетных
формул настройки кинематических цепей. -
Произвести настройку кинематических цепей станка при нарезании колес по следующим данным:
Прямозубое цилиндрическое колесо
| Номер | Модуль | Число | Диаметр | Число | Угол | Направле | Скорость | Подача |
| варианта | m,мм | зубьев, | фрезы | заходов | подъема | ние | резания V, | Sb, |
| Z | Dфр, мм | фрезы | Витков | витков | м/мин | мм/об | ||
| К | фрезы, | фрезы | ||||||
| 4 | 1,25 | 45 | 71 | 2 | 2°08' | левое | 41 | 1,6 |
1. Назначение: зубофрезерный полуавтомат мод 5М324А предназначен для нарезания цилиндрических колес с прямыми и винтовыми зубьями и червячных колес в условиях крупносерийного и серийного производства.
Техническая характеристика станка
Наибольший диаметр нарезания прямозубых колес, мм 500
Наибольший модуль колес, мм8
Наибольшая длина зуба прямозубых колес, мм 350
Наибольший угол наклона зубьев, град±60
Наибольшие размеры червячной фрезы, мм
диаметр 18
длина 20
Пределы частот вращения фрезы, мин 50-31
Пределы вертикальных подач фрезы, мм /об0,68-6,10
Пределы радиальных подач фрезы, мм/об0,35-2,
Мощность главного электродвигателя, кВт 7,5
Рисунок 1-Зуборезный станок мод. 5М324А:
1-станина; 2-салазки; 3-стол; 4-неподвижная стойка; 5-суппорт; 6-фреза; 7-подвижная стойка; 8-кронштейн (люнет) для поддержки оправки с заготовкой.
2. Принципиальные схемы нарезания колес и соответствующие частные кинематические структуры. Анализ кинематических структур. Общая кинематическая структура станка.
Рисунок 2-Принципиальная схема нарезания цилиндрического прямозубого колеса
Рисунок 3-Кинематическая структура на нарезание цилиндрического прямозубого колеса
Таблица 1 - Анализ кинематической структуры станка при нарезании цилиндрического прямозубого колеса.
| Обрабатываемая деталь | цилиндрическое колесо с прямым зубом | |
| Структурная схема | Рисунок 3 | |
| Анализируемые параметры | Результат анализа | |
| 1.Образуемая поверхность | ||
| 1.1 Форма поверхности | эвольвента | |
| 1.2Форма производящих линий: | ||
| 1.2.1 Образующей | эвольвента | |
| 1.2.2Направляющей | прямая | |
| 1 .3 Методы получения производящих линий 1.3.1 Образующей | обкат | |
| 1.3.2Направляющей | касание | |
| 2Условная запись движений | ||
| 2.1 Формообразования | ||
| 2.1.1 Скорость резания | Фv(В1В2) | |
| 2.1.2Подачи | Фs(П3) | |
| 2.2 Деления | нет | |
| 2.3Врезания | нет | |
| 3 Класс структуры | К23 | |
| 4Структура кинематических групп | ||
| 4.1 Группа движения скорости резания | ||
| 4.1.1 Внутренняя связь | B1-3-2-ix-4-5-B2 | |
| 4.1 2 Внешняя связь | M-l-iv P1-2 | |
| 4.2 Группа движения подачи | ||
| 4.2.1 Внутренняя связь | Нет | |
| 4.2.2 Внешняя связь | M-l-iv-P1-2-ix-4-is-P2-6-BB-П3 | |
| 5 Настройка движений по параметрам | ||
| 5.1 Движение скорости резания | ||
| 5.1.1 На траекторию | Гитара ix | |
| 5.1.2 На путь | нет | |
| 5.1.3На скорость | Гитара iv | |
| 5.1.4 На направление | Реверс P1 | |
| 5.1.5 На исходное положение | нет | |
| 5.2 Движение подачи | ||
| 5.2.1 На траекторию | Нет | |
| 5.2.2 На путь | Упор В | |
| 5.2.3На скорость | Гитара is | |
| 5.2.4 На направление | Реверс Р2 | |
| 5.2.5 На исходное положение | Упор Н | |
Рисунок 4-Принципиальная схема нарезания косозубого цилиндрического колеса
Рисунок 5-Кинематическая структура на нарезание цилиндрического колеса с винтовыми зубьями
Таблица 2-Анализ кинематической структуры станка при нарезании цилиндрического колеса с винтовым зубом.
| Обрабатываемая деталь | цилиндрическое колесо с винтовым зубом |
| Структурная схема | Рисунок 5 |
| Анализируемые параметры | Результат анализа |
| 1. Образуемая поверхность | |
| 1.1 Форма поверхности | винтовая |
| 1.2Форма производящих линий: | |
| 1.2.10бразующей | эвольвента |
| 1.2.2Направляющей | винтовая |
| 1 .ЗМетоды получения производящих линий | |
| 1.3.1 Образующей | обкат |
| 1.3.2Направляющей | касание |
| 2Условная запись движений | |
| 2.1 Формообразования | |
| 2.1. 1Скорость резания | Фv(В,В2) |
| 2.1.2Подачи | Фs(П3В4) |
| 2.2Деления | Нет |
| 2.3Врезания | Нет |
| 3 Класс структуры | С24 |
| 4Структура кинематических трупп | |
| 4.1Группа движения скорости резания | |
| 4.1.1 Внутренняя связь | B1-3-2-4--5-ix-6-7-8-B2 |
| 4.1.2Внешняяя связь | M-l-iv-P1-2 |
| 4.2Группа движения подачи | |
| 4.2.1 Внутренняя связь | П3-ВВ-9-Р2-4--5- ix-6-7-8-B4 |
| 4.2.2Внешняяя связь | M-l-iv-P1-2-4--5- ix-6-is-P3-9 |
| 5Настройка движений по параметрам | |
| 5.1 Движение скорости резания | |
| 5.1.1 На траекторию | Гитара ix |
| 5.1.2 На путь | Нет |
| 5.1.3На скорость | Гитара iv |
| 5.1.4 На направление | Реверс P1 |
| 5.1.5 На исходное положение | нет |
| 5.2 Движение подачи | |
| 5.2.1 На траекторию | гитарой iy, реверс Р2 |
| 5.2.2 На путь | упор В |
| 5.2.3На скорость | гитара is |
| 5.2.4 На направление | реверс Р3 |
| 5.2.5 На исходное положение | Упор Н |
а. б.
Рисунок 6-Принципиальные схемы нарезания червячных колес
а) нарезание червячного колеса методом тангенсальной подачи;
б) нарезание червячного колеса методом радиального врезания.
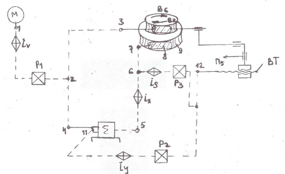
Рисунок 7-Кинематическая структура на нарезание червячного колеса методом радиального врезания
Таблица 3-Анализ кинематической структуры станка при нарезании червячного колеса методом радиального врезания.
| Обрабатываемая деталь | Червячное колесо | ||
| Структурная схема | Рисунок 7 | ||
| Анализируемые параметры | Результат анализа | ||
| 1. Образуемая поверхность 1.1 Форма поверхности 1.2Форма производящих линий: 1.2.1 Образующей 1.2.2Направляющей 1.3Методы получения производящих линий 1.3.1 Образующей 1.3.2Направляющей 2Условная запись движений 2.1 Формообразования 2.1.1 Скорость резания | винтовая эвольвента винтовая обкат след Фv(В1В2) | ||
| 2.1.2Подачи | Нет | ||
| 2.2 Деления | Нет | ||
| 2.3 Врезания | Вр(Пз) | ||
| 3Класс структуры | С12 | ||
| 4Структура кинематических групп | |||
| 4.1 Группа движения скорости резания | |||
| 4.1.1 Внутренняя связь | B1-3-2-ix-4-5-B2 | ||
| 4.1.2Внешняяя связь | M-l-iv-P1-2 | ||
| 4.2Группа движения подачи | нет | ||
| 4.3Группа движения врезания | |||
| 4.3.1 Внутренняя связь | нет | ||
| 4.3.2Внешняяя связь | M-l-iv-P1-2-ix-4-i5-P2-6-ВР-П3 | ||
| 5Настройка движений по параметрам | |||
| 5 Л Движение скорости резания | |||
| 5.1.1 На траекторию | Гитара ix | ||
| 5.1.2 На путь | Нет | ||
| 5.1.3 На скорость | Гитара iv | ||
| 5.1.4 На направление | Реверс P1 | ||
| 5.1.5 На исходное положение | нет | ||
| 5.2 Движение врезания | |||
| 5.2.1 На траекторию | Гитара iv, реверс P1 | ||
| 5.2.2 На путь | упоры | ||
| 5.2.3На скорость | Гитара is | ||
| 5.2.4 На направление | Реверс Р2 | ||
| 5.2.5 На исходное положение | Упоры | ||
Характеристики
Тип файла документ
Документы такого типа открываются такими программами, как Microsoft Office Word на компьютерах Windows, Apple Pages на компьютерах Mac, Open Office - бесплатная альтернатива на различных платформах, в том числе Linux. Наиболее простым и современным решением будут Google документы, так как открываются онлайн без скачивания прямо в браузере на любой платформе. Существуют российские качественные аналоги, например от Яндекса.
Будьте внимательны на мобильных устройствах, так как там используются упрощённый функционал даже в официальном приложении от Microsoft, поэтому для просмотра скачивайте PDF-версию. А если нужно редактировать файл, то используйте оригинальный файл.
Файлы такого типа обычно разбиты на страницы, а текст может быть форматированным (жирный, курсив, выбор шрифта, таблицы и т.п.), а также в него можно добавлять изображения. Формат идеально подходит для рефератов, докладов и РПЗ курсовых проектов, которые необходимо распечатать. Кстати перед печатью также сохраняйте файл в PDF, так как принтер может начудить со шрифтами.
















