124813 (690161), страница 3
Текст из файла (страница 3)
11) Выберем стабилитрон VD1 марки 1N5231 (Uст = 5,1В , Iст = 20мА Pст.max = 500мВт)
12) Определим сопротивление R2, считая Iб2 << Iст = 10мА:
=0.994кОм
Сопротивление выбираем из ряда Е24 R2 = 1кОм
13) Предположим, что транзисторы VT2 и VT3 находятся в активном режиме (кремниевые транзисторы), и будем считать падение напряжения UБЭ1 = UБЭ2 = 0.6В для каждого транзистора. На стабилитроне падает 5.1В, примем Iб3 << Iдел,
(6)
После подстановки числовых значений и решения системы (6) получим:
R5=0.51кОм, R4=1.89кОм
Сопротивление выберем из ряда Е24 R5 = 0.51кОм, R4 = 1.87кОм
4) Выберем транзистор VT3:
Iк3max>
UКЭ3max > Uвх max – Uст = 26.87 – 5.1 = 21.77В
PK > 18.9 мВт
По заданным максимально допустимым параметрам был найден транзистор 2N930: IКmax=30мА, UКЭОmax=45B, PKmax=0,60Вт, h21э=400
15) Выберем R3
= 2.4кОм, считая
=1мА
16) Выберем транзистор VT2:
Iк2max>1мА
UКЭ2max> 24-5.1 = 18.9В
PK > 18.9 мВт
Заданным параметрам удовлетворяет транзистор 2N930
17) Рассчитаем выпрямитель и фильтр (Рис.4.3):
Рис.4.3 Мостовой выпрямитель и сглаживающий фильтр (С1)
UВХ=220В±5%, ΔUПвх=233мВ, Uвх.ст=28.67В
Определим коэффициент пульсаций:
18) Рассчитаем эквивалентное входное сопротивление СН:
Rэкв=(Uвх.ст)/(Iвхmax)=28.67В/111мА=285.28Ом
19) Определим ёмкость C1:
Выберем из ряда Е24 C1=2700мкФ
20) Найдём необходимое выходное напряжение трансформатора TV1, при котором выполняется условие Uвых. выпр=28.67В:
Uвых выпр≈0.95Uвх- 2Uvdsat = 0.95·127-1.2 = 119.45В
(принимаем Uvdsat=0,6В),
21) Коэффициент трансформации:
Kтр= (Uвх)/(Uвх1) = 119.45/28.67 = 4.17
22) Выберем диодыVD2-VD5:
,
Выберем диод 1N5820 (Iпр max = Iпр и max 60А, Uобр.max = 400B), в момент зарядки емкости через диоды, включенные в прямом направлении течет ток зарядки конденсатора, который определяется сопротивлением конденсатора на данной частоте (ток порядка 32А)
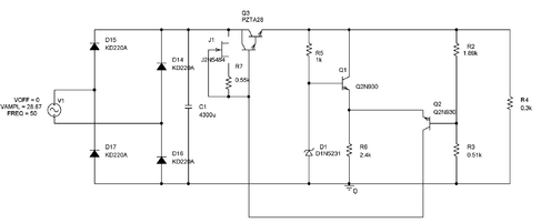
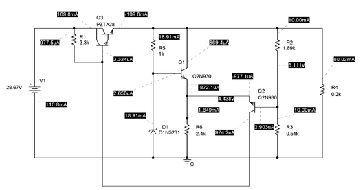
По выбранным элементам составим модель источника питания в системе OrCAD(Рис4.4) и произведём моделирование
Рис.4.4 Модель стабилизатора напряжения в OrCAD
Рис.4.5 Модель источника питания в OrCAD
По результатам моделирования получили, что при пульсации входного напряжения ΔUПвх = 0.233В, а пульсации выходного напряжения составляют ΔUПвых = 16мВ, а необходимо добиться пульсации на выходе стабилизатора ΔUПвых = 7мВ, этого естественно можно добиться, если увеличивать емкость
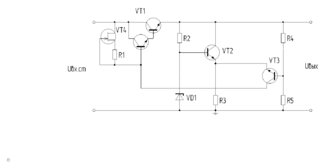
конденсатора (С1 – большие токи зарядки), но также возможно вместо резистора R1, использовать источник тока на полевом транзисторе. Схема полученного стабилизатора показана на Рис.4.6
Рис.4.6 Компенсационный стабилизатор напряжения
Источник тока должен давать ток 1мА. Выберем транзистор 2N5484 IСнач = 3.3мА, UЗИотс = -1.2В. Из выражения определим
UЗИ = - 0.55В,
. Смоделируем данную схему в OrCAD.
Рис.4.7 Модель источника в OrCAD
Рис.4.8 Зависимость Uвх.ст(t) при Uc=127В
Рис.4.9 Зависимость Uвых(t) при Uc=127В
Рис. 4.10 Зависимости Uвх.ст(t) при UС=127В-5%=120.65В
Рис. 4.11 Зависимости Uвых(t) при UС = 127В-5% = 120.65В
Рис. 4.12 Зависимости Uвх.ст(t) при UС=127В + 5% = 133.35В
Рис. 4.13 Зависимости Uвых(t) при UС = 127В + 5% = 133.35В
Рис. 4.14 Зависимость Uвых(t) при температурах t=0, 27, 70 0C
Список литературы
1. Электронные цепи и микросхемотехника: Учебник/ Ю.А. Быстров, И.Г. Мироненко.- М.: Высш.шк., 2002г.
2. П. Хоровиц, У.Хилл Искусство схемотехники: Перевод с английского под ред. д.т.н М.В.Гальперина- М.; Мир, 1986
3. М.Х.Джонс. Электроника – практический курс. Перевод с английского Е.В.Воронова, А.Л.Ларина- М.: Постмаркет 1999
4. В.Г.Гусев, Ю.М.Гусев Электроника - М.: Высшая школа, 1991.
















