124813 (690161), страница 2
Текст из файла (страница 2)
Примем R6 = R7 = R8 = 10кОм, R9 = R6|| R7|| R8 = 3.3кОм
Расчёт напряжений питания ОУ
Входной сигнал имеет вид:
, рассмотрим каждый ОУ в отдельности:
– для усилителя:
откуда видно, что выходной сигнал изменяется от -10…+10В, напряжение питания ОУ можно принять 12В.
– для интегратора:
, при самой малой частоте входного сигнала:
, видно, что выходной сигнал изменяется от -8…+8В, напряжение питания ОУ можно принять 10В.
– для сумматора:
, видно, что выходной сигнал изменяется от -12.8…+12.8В, напряжение питания ОУ можно принять 18В.
Для всех ОУ можно принять Uп = 18В.
Требования к ОУ: напряжение питания UП > 18B, выходной ток Iвых > 12мА, скорость нарастания не важна (низкие частоты), по возможности малое напряжение смещения, малые токи смещения. Выберем ОУ OPA101В – операционный усилитель со входами на полевых транзисторах с p-n переходом, прецизионный.
UП = 10…40В, Iвых.max = 45мА, Uсдв = 50мкВ, Iсм = 10рА.
В качестве схемы согласования с источником входного сигнала (необходимо обеспечить входное сопротивление схемы не менее 100кОм) применим повторитель напряжения на OУ OPA101В.
Рассмотрим передаточную функцию идеального преобразователя:
,
Определим частоту сопряжения, для этого рассмотрим 2 случая:
1.
2.
Частоту определим как:
Преобразователь на всем диапазоне частот работает как усилитель. При подаче синусоидального сигнала на вход:
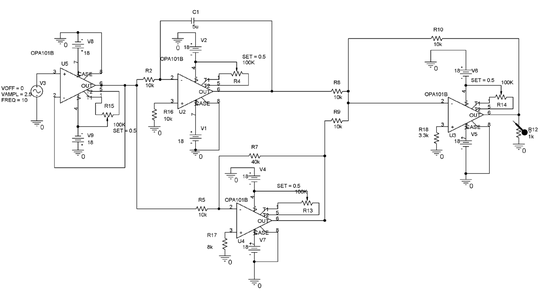
Рис.2.2 Схема аналогового преобразователя в OrCAD
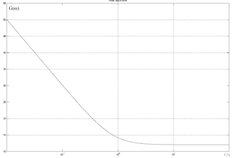
Моделированием в OrCAD получим ЛАХЧ преобразователя (Рис.2.3)
Рис. 2.3 ЛАЧХ преобразователя в рабочем диапазоне частот(1…100Гц)
Построим ЛАЧХ данной передаточной функции в Matlab Simulink
Рис.2.4 ЛАЧХ идеального преобразователя
Рис.2.5 Выходной сигнал при подаче синусоидального входного
3. Разработка комбинационного логического устройства
КЛУ реализует управление объектом с помощью логического сигнала Y. Состоянию объекта соответствуют входные комбинации, заданные в шестнадцатеричном коде:
- включено при 2, 5, 6, А, Е;
- выключено при 1, 3, 7, 8, В, С.
Составим таблицу истинности для заданной функции (Таблица 3.1).
Таблица 3.1 Таблица истинности
| HEX | X1 | X2 | X3 | X4 | y |
| 23 | 22 | 21 | 20 | ||
| 2 | 0 | 0 | 1 | 0 | 1 |
| 5 | 0 | 1 | 0 | 1 | |
| 6 | 0 | 1 | 1 | 0 | |
| А | 1 | 0 | 1 | 0 | |
| Е | 1 | 1 | 1 | 0 | |
| 1 | 0 | 0 | 0 | 1 | 0 |
| 3 | 0 | 0 | 1 | 1 | |
| 7 | 0 | 1 | 1 | 1 | |
| 8 | 1 | 0 | 0 | 0 | |
| В | 1 | 0 | 1 | 1 | |
| С | 1 | 1 | 0 | 0 |
Так как количество логических переменных меньше 6, то для решения задачи минимизации логической функции применим метод карт Карно. Составим карту Карно для заданной таблицы истинности (Таблица 3.1), дополним карту Карно необходимыми значениями логической функции Y и произведем объединение соответствующих ячеек (Рис.3.1)
Рис.3.1 Карта Карно для заданной таблицы истинности 0* и 1* - добавленные произвольным образом значения функции Y
По полученной карте Карно составим логическую функцию y:
,
применим теорему де Моргана к полученному выражению:
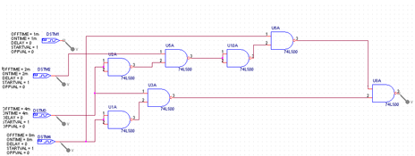
Cоставим модель преобразователя в системе OrCAD (Рис.3.3) и произведём моделирование. Результатом моделирования является диаграмма логических состояний (Рис.3.2), подтверждающая адекватность синтеза КЛУ.
Рис.3.2 Диаграмма логических состояний КЛУ
Рис.3.3 Модель КЛУ в OrCAD
4. Разработка источника питания для УНЧ
В данной части курсового проекта необходимо разработать стабилизированный источник питания, который являлся бы источником питания для УНЧ, разработанного в первом задании. По заданию:
IН=20…80мА
UВЫХ=24В±0.15%
ΔUП=7мВ
UВХ=127В±5%
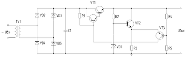
Источник питания содержит сетевой трансформатор, выпрямительный мост, сглаживающий фильтр и компенсационный стабилизатор напряжения последовательного типа. Схема источника питания приведена на Рис. 4.1
Рис.4.1 Источник питания УНЧ
Стабилизатором напряжения называется устройство, поддерживающее неизменным напряжение на нагрузке при изменении значений питающего напряжения и нагрузки, температуры окружающей среды и при воздействии других дестабилизирующих факторов, которые могут привести к изменению напряжения на нагрузке.
По принципу действия стабилизаторы напряжения подразделяются на параметрические и компенсационные. При этом под параметрическими стабилизаторами понимаются устройства, в которых стабилизация напряжения на нагрузке осуществляется в результате перераспределения напряжений между линейными и нелинейными элементами. В качестве
нелинейного элемента в параметрических стабилизаторах используются различные приборы, обладающие резко выраженной нелинейностью вольтамперных характеристик.
Компенсационные стабилизаторы напряжения постоянного тока представляют собой системы автоматического регулирования, содержащие цепь отрицательной обратной связи, по которой сигнал с выхода стабилизатора воздействует на его вход. Стабилизация напряжения на нагрузке в таких стабилизаторах осуществляется за счёт соответствующего регулирования тока, в качестве которого широко используются силовые транзисторы.
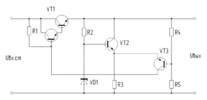
Выбранная схема компенсационного стабилизатора (КС) напряжения представлена на Рис.4.2
Рис.4.2 Компенсационный стабилизатор напряжения
Начнём расчёт схемы источника питания с расчёта компенсационного стабилизатора напряжения.
Качество работы стабилизатора оценивается следующими основными параметрами: коэффициентом стабилизации напряжения, внутренним сопротивлением, коэффициентом сглаживания пульсаций напряжения, температурным коэффициентом стабилизатора.
1) Определим коэффициент стабилизации. Коэффициент стабилизации показывает, во сколько раз стабилизатор уменьшает изменение питающего напряжения.
2) Определим выходное сопротивление (внутреннее сопротивление стабилизатора). Внутреннее сопротивление стабилизатора характеризует влияние изменений тока нагрузки стабилизатора на его выходное напряжение и определяется как отношение приращения выходного напряжения к вызвавшему его приращению тока нагрузки. Очевидно, что при малом значении внутреннего сопротивления стабилизатора ослабляется влияние изменений тока нагрузки на стабилизированное напряжение.
3) Определим минимальное напряжение на входе стабилизатора напряжения (СН) (Рис.4.2), приняв
= 3В (транзистор VT1):
,
где
- выходное напряжение источника,
- напряжение пульсаций на входе СН,
- допустимый уровень пульсаций на выходе СН.
4) Найдём входное напряжение СН.
Так как отклонение напряжение в сети от 127В - ± 5%, то после выпрямления и сглаживания минимальное напряжение, подаваемое на вход СН, отличается от номинального (при данном коэффициенте трансформации) на 5%, поэтому можно записать:
5) Важнейшим энергетическим показателем стабилизаторов является коэффициент полезного действия
, равный отношению мощности,
потребляемой нагрузкой с выхода стабилизатора
, к мощности, потребляемой стабилизатором от источника питания
. Рассчитаем максимальную мощность, потребляемую стабилизатором:
,
входной максимальный ток СН
складывается из максимального тока нагрузки
, тока стабилитрона
, коллекторного тока транзистора VT2
, тока делителя
и тока через сопротивление R1
.
6) Определим максимальную мощность, потребляемую нагрузкой:
7) Рассчитаем КПД стабилизатора напряжения:
8) Выберем транзистор VT1:
Iк1max >
UКЭ1max > Uвх.max - Uвых = 1,05Uвх.ст - Uвых = 6.1В
PK > 0.68 Вт
По определённым максимально допустимым параметрам был найден транзистор PZTA28:
IКmax=800мА, UКЭmax=80B, PKmax=1 Вт, h21э > 20000
9) Определим Iб1, приняв h21э =30000:
10) Рассчитаем сопротивление R1, приняв
= 1мА :
= 3.23кОм.
Сопротивление выберем из ряда Е24 R1 = 3.3кОм
















