124807 (690159)
Текст из файла
Электродвигатель асинхронный с короткозамкнутым ротором мощностью 200 КВт
Содержание
Введение
1. Расчет и конструирование двигателя
1.1 Выбор главных размеров
1.2 Расчет обмотки статора
1.3 Расчет размеров зубцовой зоны статора и воздушного зазора
1.4 Расчет ротора
1.5 Расчет магнитной цепи
1.6 Расчет параметров рабочего режима
1.7 Расчет потерь
1.8 Расчет рабочих характеристик
1.9 Расчет пусковых характеристик
1.10 Тепловой и вентиляционный расчет
1.11 Механический расчет
2. Моделирование двигателя
3. Конструкторская часть
4. Выбор схемы управления двигателем
Заключение
Список литературы
Введение
Электрические машины применяются во всех отраслях промышленности, в сельском хозяйстве и в быту. Они выпускаются большими сериями и в индивидуальном исполнении. Во многих случаях электрические машины определяют технический уровень изделий, в которых они используются в качестве генераторов и двигателей. Проектирование электричесиких машин требует глубоких знаний и высокого профессионального мастерства.
Впервые электрические машины получили применение в промышленности более ста лет назад. Тогда же появились и первые рекомендации по их расчету. В конце прошлого века в Европе и Америке возникли крупные электротехнические фирмы «Сименс», «Вестингауз» и другие, на которых сложились крупные конструкторские и расчетные отделы.
Обычно электрические машины выпускают сериями. Серия – ряд машин возрастающей мощности, имеющих одну конструкцию и единую технологию производства на больших участках серии и предназначенных для массового производства. При проектировании серий машин важнейшее значение имеют вопросы унификации деталей, конструктивных узлов и нормализации ряда размеров. Все это связано с рациональной организацией производства как внутри завода, так и в объединении, выпускающем единую серию машин. При этом необходимо заботиться об экономической эффективности целой серии машин, а не одной машины.
При проектировании серий асинхронных машин выбирают внешние диаметры статора таким образом, чтобы при одном и том же внешнем диаметре при изменении длины машины получить несколько машин на различные мощности и частоты вращения. Для машин постоянного тока выбирают одинаковым диаметр якоря и, изменяя длину машины, проектируют на нем несколько машин различной мощности и на разные частоты вращения.
Такое построение серий приводит к сокращению количества штампов, уменьшению количества моделей для отливки станин и подшипниковых щитов, сохранению одних и тех же диаметров валов, унификации подшипниковых щитов, сокращению количества оснастки и измерительного инструмента. Широкая унификация облегчает применение гибких автоматизированных производств, облегчает кооперацию между заводами.
Начиная с 1950 г. асинхронные двигатели выпускаются в виде единых серий. Первой была серия А (АО), заменившая серии И2, АД, «Урал» и др.
В настоящее время выпускается единая серия асинхронных двигателей 4А и АИ. В серии 4А 17 габаритов, число ступеней мощности составляет 33, диапазон мощностей 0,06–400 кВт; высоты осей вращения 50–355 мм.
На базе единых серий изготовляются двигатели различных исполнений, предназначенные для работы в специальных условиях. Так, на базе арии 4А выпускаются следующие электрические модификации: с повышенным пусковым моментом, с повышенным скольжением, 10-полюсные и 12-полюсные, многоскоростные, на частоту сети 60 Гц, однофазные, с фазным ротором и другие, специализированные по таким конструкциям: встраиваемые, с встроенным электромагнитным тормозом, малошумные, с встроенной температурой защитой, с повышенной точностью но установочным размерам, высокоточные; специализированные по следующим условиям окружающей среды: влагоморозостойкие, химостойкие, тропические; узкоспециализированного исполнения: для сельского хозяйства, для судов морского флота, для холодного климата, лифтовые, фреономаслостойкие, полиграфические, швейные и др.
Справочные данные.
Тип двигателя 4A315М4У3, где
4 – номер серии, А – серия, h = 315 мм – высота оси вращения, М – меньший,
Р = 200 кВт, Un =380/660 B, n = 1500 об/мин, sном = 0,013, X = 4,1, R1=0,014, R2=0,014, KПД = 94% сos() = 0,92, B = 0,79 Тл, A = 462 A/см, J = 3,8 A/мм2, X1=0,086, X2=0,12
В абсолютных единицах:
X = 7,6799Ом, R1= 0,02622Ом, R2=0,02622Ом, X1=0,161Ом, X2= 0,22478Ом.
Перевод в абсолютные единицы:
X = 4,1 1,87316 =7,6799 Ом; R1 = 0,014 1,87316 = 0,02622 Ом; R2 = 0,014 1,87316 = 0,02622 Ом; Х1 = 0,086 1,87316 = 0,161 Ом; Х2 = 0,12 1,87316 = 0,22478 Ом
1. Расчет и конструирование двигателя
1.1 Выбор главных размеров
Все расчеты выполняем по формулам из [1].
Высота оси вращения h = 315 мм. Определяем внешний диаметр статора Da по табл. 8.6 в зависимости от h: Da=0,52 м.
Внутренний диаметр статора по (8.2.):
, где kD – коэффициент, характеризующий отношение внутреннего и внешнего диаметров сердечника статора, определяем по табл. 8.7:
kD=0.64423 D = 0.64423 0.52 = 0.335 м.
Полюсное деление по (8.3.): = D / (2p) = 0.335 / 4 = 0.263 м.
Расчетная мощность по (8.4.), где kE – отношение ЭДС обмотки статора к номинальному напряжению, определяем kE = 0.9723 по рис. 8.20, = 0,94 и cos=0.92 по рис. 8.21, а.
P = (P2 kE) / ( cos) = (200 103 0,9723) / (0,94 0,92) = 2,249*105 В А
Электромагнитные нагрузки (предварительно по рис. 8.22, б).
А = 462 102 А/м B = 0,79 Тл.
Обмоточный коэффициент (предварительно для двухслойной обмотки): kоб1=0.874.
Расчетная длина магнитопровода по (8.6.):
L = P / (kb D2 kоб1 А B) = 224900 / (1.11 0.3352 157,08 0.874 462 102 0.79) = 0.36 м.
где синхронная угловая скорость по (8.5.):
= 2f / p = 2 50 / 2 = 157,08 рад/с
Число пакетов равно 3
Отношение = L / = 0,36 / 0,263 = 1,368. Значение = 1,368 находится в допустимых пределах по рис. 8.25.
Аналог | Расчет | |
| cos | 0,92 | 0,92 |
| , % | 0,94 | 0,94 |
1.2 Расчет обмотки статора
Предельные значения tZ1 по рис. 8.26. в зависимости от высоты оси вращения и полюсного деления:
tZ1min=0.017 м tZ1max=0.022 м.
Число пазов статора по (8.16):
Z1min =D / tZ1max = 0.335 / 0.017 = 61,9;
Z1max =D / tZ1min = 0.335 / 0.022 = 47,8.
Принимаем Z1 = 60, тогда q1 = Z1 / 2рm = 60 / 2*(2 3) = 5. Обмотка двухслойная.
Зубцовое деление статора (окончательно):
tZ1 = D / 2рmq = 0,335 / (4 3 5) = 17,54*10-3 м.
Число эффективных проводников в пазу (предварительно, при условии а = 4) по (8.17):
uп = D A / (I1ном Z1) = 0.335 46,2 103 / (202,866 60) = 3,999;
по (8.18):
I1ном = P2 / (mU1ном cos ) = 200 103 / (3 380 0,92 0,94) = 202,866 A.
Принимаем а = 4, тогда uп=а uп = 16 проводников.
Окончательные значения:
число витков в фазе по (8.20.)
w1 = (uп Z1) / 2аm = (16 60) / (2 4 3) = 40;
линейная нагрузка по (8.21.)
А = 2 I1ном w1m / D = (2 202,866 40 3) / ( 0,335) = 46,25 103 А/м;
магнитный поток по (8.22)
Ф = (kЕ U1ном) / (4kB w1 kоб1 f1) = (0,97226 380) / (4 1,11 40 0,874 50) = 47,56 10-3 Вб;
(для двухслойной обмотки kоб1=0,874);
индукция в воздушном зазоре по (8.23)
B = (p Ф) / (D L) = (3 47,56 10-3) / (0.3335 0.36) = 0.79 Тл;
Значения А и В находятся в допустимых пределах.
Плотность тока в обмотке статора (предварительно) по (8.25):
J1 = (AJ1) / A = 180 109 / 46,25 103 = 3,892 106 А/м2;
(AJ1 = 180 109 А/м2 по рис. 8.27, б).
Площадь поперечного сечения эффективного проводника (предварительно) по (8.24):
qэф = I1ном / а J1 = 202,866/ 4 3,892 106 = 13,03 10-6 м2.
Сечение эффективного проводника (окончательно): принимаем nэл = 4, тогда qэл = qэф / nэл = 13,03/ 4 = 3,257 мм2. Принимаем обмоточный провод марки
ПЭМП, а*b = 1*3,55 мм, qэл = 3,335 мм2, qэлср = nэл qэл = 4 3,335 = 13,34 мм2.
Плотность тока в обмотке статора (окончательно) по (8.27):
J1 = I1ном / а qэл nэл = 202,866/ 4 13,34 4 = 3,801 А/мм2.
Аналог | Расчет | |
| Z1 | 60 | 60 |
| q1 | 5 | 5 |
| А, А/м | 46,2 103 | 46,25 103 |
| B, Тл | 0,79 | 0,79 |
| J1, А | 3,8 | 3,801 |
1.3 Расчет размеров зубцовой зоны статора и воздушного зазора
Паз статора определяем по рис. 8.28, б с соотношением размеров, обеспечивающих параллельность боковых граней зубцов.
Принимаем предварительно по табл. 8.10: BZ1=1,909 Тл; Ba=1,4985 Тл, тогда (8.37):
bz1min = (B tz1 L) / (Bz1 Lст1 kc) = (0,79 17,54 10-3 0,36) / (1,909 0,36 0,95) = 7,64 10-3 м = 7,64 мм.
(по табл. 8.11 для оксидированной марки стали 2312 kc=0,95).
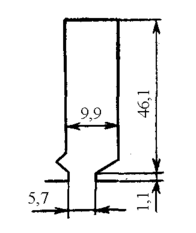
hа = Ф / (2Ba Lст1 kc) = 47,56 10-3 / (2 1,4985 0,36 0,95) = 46,4 10-3 м = 46,1 мм.
Размеры паза в штампе: bш = 5,7 мм; hш = 1,1 мм; hк = 1 мм.
По (8.38):
hп = (Da – D) / 2 – hа = (0,52 – 0,335) / 2 – 0,0464 = 0,0461 м = 46,1 мм.
По (8.40):
bп = tz1 – bz1 = 17,54 – 7,64 = 9.9 мм.
Паз и зубец статора показан на рисунке 1.
Размеры паза в свету с учетом припуска на сборку по (8.42):
bп = 0,3 мм, h = 0,3 мм.
Заполнение паза статора
| Наименование | Размер, мм | |
| по ширине паза | по высоте паза | |
| Обмоточный провод изолированный 1,15*3,7 | 3,7*2=7,4 | 1,15*16*2=36,8 |
| Пазовая изоляция и допуск на укладку | 2,5 | 9,3 |
| Всего: на паз без клина | 9,9 | 46,1 |
Рис. 1 Паз и зубец статора
Минимальная и максимальная ширина зубца:
1.4 Расчет ротора
Воздушный зазор (по рис. 8.31) = 0,9 мм.
Число пазов ротора (по табл. 8.16) ZZ2 = 50.
Внешний диаметр ротора: D2 = D – 2 = 0,335 – 2 0,9 10-3 = 0,3332 мм
Длина магнитопровода ротора: l2 = 0,39 м.
Зубцовое деление ротора: tZ2 = D2 / Z2= *0,3332 / 50 = 0,0209 = 20,9 мм.
Внутренний диаметр ротора равен диаметру вала, так как сердечник ротора непосредственно насаживается на вал Dj = DB = kB Dа = 0,23 0,52 = 0,120 м = 120 мм, kB= 0,23 по табл. 8.17).
Характеристики
Тип файла документ
Документы такого типа открываются такими программами, как Microsoft Office Word на компьютерах Windows, Apple Pages на компьютерах Mac, Open Office - бесплатная альтернатива на различных платформах, в том числе Linux. Наиболее простым и современным решением будут Google документы, так как открываются онлайн без скачивания прямо в браузере на любой платформе. Существуют российские качественные аналоги, например от Яндекса.
Будьте внимательны на мобильных устройствах, так как там используются упрощённый функционал даже в официальном приложении от Microsoft, поэтому для просмотра скачивайте PDF-версию. А если нужно редактировать файл, то используйте оригинальный файл.
Файлы такого типа обычно разбиты на страницы, а текст может быть форматированным (жирный, курсив, выбор шрифта, таблицы и т.п.), а также в него можно добавлять изображения. Формат идеально подходит для рефератов, докладов и РПЗ курсовых проектов, которые необходимо распечатать. Кстати перед печатью также сохраняйте файл в PDF, так как принтер может начудить со шрифтами.
















