124807 (690159), страница 6
Текст из файла (страница 6)
Ток фазы А
Зависимость скорости от момента
Моделирование производим в программе MATLAB для параметров пускового режима.
Момент и скорость вращения двигателя
Ток фазы А
Зависимость скорости от момента
Динамическая механическая характеристика
:
– для номинальных параметров;
– для пусковых параметров;
– статическая механическая характеристика.
Анализ моделирования
1. При моделировании с номинальными параметрами пусковой момент получается ниже, чем при моделировании с пусковыми параметрами
2. Действующее значение тока статора и скольжение:
при моделировании I = 198 А и S = 1,35
расчетные I = 202,67 А и S = 0,01287
3. Ток холостого хода полученный: при моделировании Iхх = 48 А;
расчетный Iхх = 46,8 А.
Таким образом, параметры смоделированного двигателя совпадают с расчетными параметрами с допустимой точностью.
3. Конструкторская часть
Конструкторская часть состоит из 3-х листов формата А1, которые начерчены вручную (Листы 1, 2, 3) и листа формата А4, выполненном на компьютере.
На первом листе (Лист 1 – БГТУ.ЭМКП.021.001.ВО) изображён продольный и поперечный вид двигателя, который выполнен в закрытом исполнении, как того требует техническое задание. Масштаб чертежа 1:2. На поперечном виде двигателя, на местном разрезе показаны паз и зубец статора и ротора. Чертёж выполнен в соответствии со стандартами ЕСКД. На этом же листе в таблицах указаны основные технические и пусковые характеристики спроектированного двигателя в сравнении с аналогом и с заданием на курсовое проектирование. Проставлены все габаритные и присоединительные размеры. Таблица составных частей изделия, поясняющая конструкцию и принцип работы изделия представлена на отдельном листе А4.
Второй лист (Лист 2 – БГТУ.ЭМКП.021.002) содержит графики, полученные в результате моделирования и описывающие некоторые особенности работы двигателя. На этих графиках можно увидеть зависимость тока статора, момента и угловой скорости от времени. Они отображают работу АД с параметрами номинального и пускового режимов. Помимо этого второй лист содержит рабочие и пусковые характеристики. Также на этом листе располагается схема автономного инвертора напряжения для короткозамкнутого асинхронного двигателя, выбранная по заданию для конкретных параметров. Также здесь находится Т-образная схема замещения АД и векторная диаграмма, которая нарисована исходя из рекомендаций [1] в соответствующем масштабе. Основанием для построения этой диаграммы является уравнения токов и уравнений напряжений обмоток статора и ротора также расположенными на Листе 2.
На третьем листе (Лист 3 – БГТУ.ЭМКП.О21.003) графической части изображена обмотка статора. Схема размещения обмотки статора нарисована исходя из следующих условий:
Z1 = 72, q1 = Z1 / 2рm = 72 / (6 3) = 4, 2p=6, = D / (2p) = 0.317 / 6 = 0.166 м, a=3, =5/6.
4. Выбор схемы управления двигателем
Выбор схемы управления производим по рекомендациям [8] с учетом требований задания курсового проекта:
– напряжение сети …………………………………….…………… 660 В
– мощность сети ……………………………………….неограниченная
– тип электропривода ………………………реверсивный, регулируемый
– характер нагрузки …………………………………………. постоянная
– условия пуска ……………………………………………… постоянный
– требования к регулированию скорости (для регулируемых
электроприводов) ……………………………………………… (0 –2)ωном
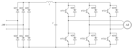
Схема управления АИН АД представлена на рис. 5.
Рис. 5. Автономный инвертор напряжения на IGBT транзисторах
Трехфазное напряжение, подаваемое из сети, поступает на выпрямитель сформированный из диодов VD1 … VD6, в котором происходит выпрямление этого напряжения. За счет IGBT транзистора VT1 и диода VD7 имеется возможность ограничивать напряжение, подаваемое на автономный инвертор напряжения, собранный на IGBT транзисторах VT1.1 … VT3.2 и диодах VD8 … VD13. Для уменьшения пульсаций преобразования тока, в схеме установлен дроссель L с достаточно большой индуктивностью, а с помощью конденсатора С происходит уменьшение пульсаций напряжения.
Заключение
В рамках данного курсового проекта был спроектирован асинхронный двигатель. Расчет проводился по методике, изложенной в [6], [9] с использованием персонального компьютера, что позволило исследовать влияние параметров двигателя на динамические характеристики машины.
Далее для сравнения предлагаются основные характеристики спроектированного двигателя, расчётные и полученные с помощью моделирования, а так же параметры аналогичного двигателя.
| МП/МН | Mmax/МН | IП/IН | B, Тл | SН, | SК, | cos | ||
| Аналог | 1,2 | 2,1 | 6,5 | 0,76 | 1,4 | 9,0 | 0,89 | 0,92 |
| Расчёты | 1,386 | 2,13 | 5,15 | 0,79 | 1,76 | 17,6 | 0,893 | 0,926 |
| Matlab | 1,3 | 2,01 | 5,6 | 1,7 | 11 |
Параметры спроектированного двигателя совпали с параметрами оригинала с допустимой точностью и полностью удовлетворяют требованиям технического задания.
В результате данной работы были получены навыки в проектировании асинхронного двигателя.
Список литературы
-
Копылов И.П. Проектирование электрических машин: В 2 т. / Под ред. И.П. Копылова. – М.: Энергоатомиздат, 1993.
-
Асинхронные двигатели серии 4А: Справ./ А.Э. Кравчик и др. – М.: Энергоиздат, 1982. – 504 с.
-
Справочник по электрическим машинам: В 2 т. / Под общ. Ред. И.П. Копылова, И.Б. Клокова. – М.: Энергоатомиздат, 1988.
-
Герман-Галкин С.Г. Компьютерное моделирование полупроводниковых систем. Matlab 6.0 – Санкт-Петергбург: Корона принт, 2001.-320 с.
-
Ключев В.И. Теория электропривода. – М.: Энергоатомиздат, 2001.-704 с.
-
Копылов И.П. Электрические машины. – М.: Высш. шк., 2000.-607 с.
-
Москаленко В.В. Автоматизированный электропривод. – М.: Энергоатомиздат, 1986.-464 с.\
-
Бурков А.Т. Электронная техника и преобразователи. – М. Транспорт, 1999. – 464 с.
















