124739 (690133), страница 2
Текст из файла (страница 2)
В состав принудительной системы смазки входят сетчатый фильтр, маслонасос с индивидуальным приводом, распределительная коробка, предохранительный клапан и манометр для контроля давления в масляной системе.
К корпусу кривошипно-шатунного механизма при помощи двух шпилек крепится плунжерный блок, который предназначен для всасывания продукта из подающей магистрали и нагнетания его под высоким давлением в гомогенизирующую головку. Плунжерный блок включает в себя блок, плунжеры, манжетные уплотнения, нижние, верхние и передние крышки, гайки, всасывающие и нагнетательные клапаны, седла клапанов, прокладки, втулки, пружины, фланец, штуцер и фильтр, который устанавливается во всасывающем канапе блока, К торцовой плоскости плунжерного блока крепится гомогенизирующая головка, предназначенная для выполнения двухступенчатой гомогенизации продукта за счет прохода его под высоким давлением через щель между клапаном и седлом клапана в каждой ступени.
Гомогенизирующая головка представляет собой две одноступенчатые головки аналогичной конструкции, соединенные вместе и связанные каналом, позволяющим продукту переходить последовательно от первой ступени ко второй. Каждая из ступеней двухступенчатой гомогенизирующей головки состоит из корпуса, клапана, седла клапана и нажимного устройства, включающего стакан, шток, пружину и нажимной винт с рукояткой.
Регулировка давления гомогенизации производится вращением винтов. При установлении режима гомогенизации продукта на первой ступени устанавливают 3/4 необходимого давления гомогенизации, а затем на второй ступени вращением нажимного винта повышают давление до рабочего.
На верхней плоскости плунжерного блока крепится манометрическая головка, которая предназначена для осуществления контроля давления гомогенизации, т.е. давления на нагнетательном коллекторе плунжерного блока. Манометрическая головка имеет дросселирующее устройство, дающее возможность эффективно уменьшить амплитуду колебания стрелки манометра. Манометрическая головка состоит из корпуса, иглы, уплотнения, гайки, поджимающей уплотнение, шайбы и манометра с мембранным разделителем. К торцовой плоскости плунжерного блока со стороны, противоположной креплению гомогенизирующей головки, крепится предохранительный клапан, который предотвращает повышение давления гомогенизации выше номинального.
Предохранительный клапан состоит из винта, контргайки, пяты, пружины, клапана и седла клапана. На максимальное давление гомогенизации предохранительный клапан настраивается вращением нажимного винта, который передает усилие нажатия на клапан посредством пружины.
Станина представляет собой сварную конструкцию из швеллеров, обшитых листовой сталью. На верхней плоскости станины устанавливается кривошипно-шатунный механизм. Внутри станины на двух кронштейнах шарнирно крепится плита, на которой устанавливается электродвигатель. С другой стороны плита поддерживается винтами, регулирующими натяжение клиновых ремней.
Станина гомогенизаторов марки А1-ОГМ-2,5 устанавливается на четырех регулируемых по высоте опорах. Боковые окна станины закрываются съемными крышками Верхняя часть станины закрыта кожухом, предназначенным для ограждения механизмов от повреждений и придания гомогенизатору необходимой эстетической формы.
Молоко или молочный продукт подается при помощи насоса во всасывающий канал плунжерного блока. Из рабочей полости блока продукт под давлением подается через нагнетательный канал в гомогенизирующую головку и с большой скоростью проходит через кольцевой зазор, образующийся между притертыми поверхностями гомогенизирующего клапана и его седла. При этом происходит диспергирование жировой фазы продукта.
В дальнейшем продукт из гомогенизирующей головки направляется по трубопроводу на дальнейшую обработку или хранение.
Характеристика вакуум-выпарной установки.
Основными элементами вакуумно-выпарной установки являются калоризатор, пароотделитель, два подогревателя, конденсатор, эжекторы.
Калоризатор представляет собой теплообменный аппарат цилиндрической формы с двумя трубными решетками, в которые вальцованы кипятильные трубки и две циркуляционные трубы. Межтрубное пространство калоризатора является паровой рубашкой. В которую через вентиль и термокомпрессор подается греющий пар.
Получаемый в процессе работы калоризатора конденсат по трубопроводу непрерывно отводится в подогреватель, затем в конденсатор.
Калоризатор состоит из корпуса, верхней и нижней крышки.
В процессе работы калоризатора молоко перемещается в кипятильных трубках снизу вверх, а в циркуляционных трубках сверху вниз. В калоризаторе также расположены патрубки подачи сырья на сгущение, краны для взятия пробы и выпуска сгущенного продукта.
Пароотделитель служит для отделения вторичного пара от частичек продукта. Представляет собой цилиндр с установленным на стойке зонтом-отражателем. Трубопровод соединяет верхнюю часть калоризатора с пароотделителем, он подсоединен к пароотделителю под углом, в результате чего поступающий сюда жидкость и пар приобретают вращательное движение.
Жидкость под действием центробежной силы отбрасывается к стенке пароотделителя и по ней стекает вниз в кольцевое пространство в периферии дна. Отсюда готовый продукт откачивается насосом через кран или по трубе вновь подается в калоризатор на сгущение.
Подогреватель по конструкции аналогичны трубчатым пастеризаторам. Сгущаемый продукт движется по трубам, в межтрубное пространство подается вторичный пар или смесь его с острым паром. Если один подогреватель не обеспечивает нагрева продукта до необходимой температуры. То устанавливает несколько последовательно соединенных аппаратов.
Конденсатор поверхностного типа выполнен в виде цилиндрического корпуса с верхней и нижней съемными крышками. В корпусе находятся трубки, концы которых развальцованы в верхней и нижней трубных решетках, м также патрубки для подачи вторичного пара из подогревателя или пароотделителя, отвода конденсата, подвода конденсата из калоризатора и нагревателей, отвода воздуха к вакуум-насосу, для подвода и отвода охлажденной воды.
Д
ля создания вакуума в системе из котельной через вентиль в пусковой эжектор подается пар, который работает только в начале для ускорения создания вакуума.
Рисунок 4 – Однокопусная вакуум-выпарная установка: 1 – трехходовой вентиль; 2 – приводной механизм насосов; 3, 4, 10 – вентили на паропроводах; 5, 11 – манометры; 6 – вентиль; 7 – вакуумметр; 8 – поверхностный конденсатор; 9 – вентиль на водяной трубе; 12 – пробоотборник; 13, 14, 15 – краны; 16 – термометр; 17 – насос для откачивания конденсата; 18 – насос для откачивания сгущенного продукта; 19 – верхняя перегородка с окном; 20 – сферическое днище калоризатора; 21 – цирколяционная труба; 22 – соединительный трубопровод; 23 – трубопровод для конденсата; 24 – подпорная шайба; 25 – нижняя перегоролка; 26 – патрубок подачи сырья; 27 – зонт-отражатель; 28 – люк; 29 – смотровое окно; 30 – осветитель; 31 – воздушный краник; 32 – термокопрессор; 33 – трубопровод; 34 – пусковой эжектор; 35, 36 – двухступенчатый эжектор.
Выпарная установка работает следующим образом. До начала сгущения сырья в установку засасывается вода. Циркулируя в системе, она ополаскивает установку и позволяет проверить её герметичность.
Подачей пара на эжекторы в системе создают вакуум. При разряжении около 80 кПа начинает засасываться сырье. На конденсатор подают холодную воду, и по мере заполнения трубок калоризатора на 2/3их высоты в паровую рубашку подается пар.
В установившемся режиме молоко последовательно поступает в первый и торой подогреватель. В первом продукт нагревается вторичным паром до 60-66ºС, во втором – острым паром до 70-75ºС. По мере образования конденсата, его непрерывно откачивают насосом. Если установка работает по принципу непрерывного сгущения, то готовый продукт откачивается по мере достижения заданной концентрации.
Оборудование для сушки.
Это оборудование предназначено для получения сухих молочных продуктов. В зависимости от агрегатного состояния исходного продукта сушильные установки можно разделить на две основные группы: для сушки молока и жидких молочных продуктов и для сушки твердых молочных продуктов.
Установки для сушки жидких молочных продуктов. Поверхностная сушильная установка
Сушильно-дробильный агрегат СДА—250 (рис.5) является сушилкой поверхностного типа и служит преимущественно для сушки обезжиренного молока. Агрегат имеет сушилку, транспортное устройство, дробильное устройство.
Сушилка представляет собой два полых вальца 9, закрытых из торцов крышками. Подшипники одного из вальцов подвижные, и это обеспечивает регуляцию расстояния между вальцами в пределах 0,7…0,8 мм В верхней части установки размещен желоб с отверстиями, через которые продукт равномерно распределяется по поверхности барабана.
Из внешних сторон валов находятся ножи для срезания продукта с валиков в дробильный агрегат. Позиция ножей регулируется винтами так, чтобы ребро каждого ножа было параллельное вальцам. Сверху установки находится вытяжной зонд.
Рис.5 Сушильный агрегат СДА- 250: 1 — станина; 2,5 — воздухопроводы; 3 — электродвигатель вентилятора; 4 — электродвигатель вальцов; 6 — приводной механизм; 7 — вытяжной зонд; 8 — механизм отвода пара; 9 — вальцы; 10 — патрубок для впускания пара; 11 — элеватор; 12 — электродвигатель дробилки; 13 — дробилка;14—шнек;15 – отделитель конденсата; 16 – патрубок для отвода конденсата.
При работе установки сгущенное молоко с помощью коллекторов распределяется тонкой пленкой на поверхность вальцов. Пар давлением 0,3 + 0,5 МПа поступает в вальцы и нагревает их к температуре 110 + 120 °С.
Между вальцами, что вращаются навстречу друг другу, образуется ванна кипящей жидкости. При выходе из межвальцового зазора продукт, нанесенный на вальцы тонкой пленкой, высушивается. Высушенная пленка молока срезается поясами и транспортируется шнеками в дробильный агрегат.
Дробильная установка дробилки состоит из била, что вращается, и просеивателя. Розмолотый продукт высыпается в виде порошка в мешки. Водяные пары, образованные при сушке продукта, отводится посредством системы вытяжки (2, 3, 5, 7, 8). Производительность установки по выпаренной влаге 230…250 кг/год, по сухому продукту 90 кг/год. Расходы пара на 1 кг высушенного продукта 1,2…1,4 кг. Растворимость продукта, что получают на таких установках, низкая — 80…85 %, что ограничивает их использование, хотя с точки зрения энергозатрат они есть более экономические, чем распылительные.
Распылительные сушильные установки
Сухие молочные продукты, полученные на распылительных сушильных установках, имеют высокую растворимость, что обусловливает их широкое использование. Теперь им альтернативы нет с точки зрения качества продукта.
Сушку капель в сушильной башне можно разделить на два периода:
-
период с постоянной скоростью сушки;
-
период с уменьшением скорости сушки.
Первый период наблюдается в начале процесса сушки, когда количество теплоты, что поступает к частице, расходуется на испарение влаги, температура частицы остается постоянной и равняется приблизительно 100 °С.
Второй период начинается после некоторого промежутка времени, когда количество теплоты, что поступает к частице, больше чем необходимо для выпаривания влаги. В этот период температура частицы начинает расти, что может привести к нежелательным физическим и химическим изменениям.
Одним из способов повышения качества продукта и экономии энергоресурсов в процессе сушки является двухстадийная и трехстадийная сушка: первая стадия в распылительной сушилке, вторая и третья стадии — сушка в псевдокипящем слое на поверхности, которая непосредственно размещена в сушильной камере или вынесенная за ее пределы.
Свойственным дополнительным процессом при высушивании распылением является агломерация (повторное смачивание и объединение мелких частиц в агрегате) молочных продуктов, что позволяет улучшить такие показатели, как растворимость, текучесть.
По способу распыления продукта сушилки разделяют на дисковые и форсунковые. В дисковых распыление продукта происходит под действием центробежной силы, в форсунковых — в результате резкого перепада давления при выходе продукта из сопла или под действием воздуха. Очевидно, что более тонкое распыление означает более быстрое высушивание. Распределение капель по размеру должно быть максимально узким для обеспечения одинакового процесса высушивания, а следовательно одинаковой тепловой обработки.
Распылительные сушилки также классифицируют по способу подачи воздуха: прямоточные, противоточные, комбинируемые.
До реализации процесса сушки в сушильной установке ставят следующие требования:
-
достаточное использование о3бъема сушильной камеры;
-
минимальный уровень налипания порошка на стенках;
-
высушенный продукт повторно не вступает в контакт с горячим воздухом;
-
высушенный продукт должен быть выгружен из сушильной камеры за минимальный промежуток времени.
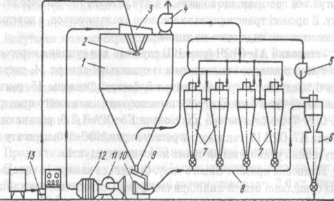
Рисунок 6 Сушильное устройство RSM - 500(Чехия):
















