124560 (690069)
Текст из файла
Министерство образования и науки Украины
Донбасский государственный технический университет
Кафедра ТОМП
РАСЧЕТНО-ПОЯСНИТЕЛЬНАЯ ЗАПИСКА
к курсовому проекту
по дисциплине: «Технология машиностроения»
Выполнил: ст. гр. ТОМ-04-1
Мозолев Е.В.
Проверил: Лавренчук К.П.
Алчевск, 2008г.
АННОТАЦИЯ
Курсового проекта по технологии машиностроения
студента группы ТОМ-04-1 Мозолева Е.В.
Расчетно-пояснительная записка на 35 страниц, в том числе 7 иллюстраций и 7 таблиц.
Графическая часть – 4 листа формата А1.
Комплект технологической документации на 11 страницах.
В курсовом проекте разработан технологический процесс изготовления детали «Корпус кронштейна» 9019.10.01.118. При этом был проведен критический анализ норм точности детали и анализ на технологичность. Рассмотрены два варианта получения заготовки и выбран оптимальный метод. Разработан комплект технологической документации. Рассчитаны режимы резания и проведено нормирование операций. В конструкторской части разработана конструкция станочного приспособления на токарную операцию, а также контрольное приспособление для контроля позиционного допуска и допуска соосности отверстий под крышку и цилиндра.
СОДЕРЖАНИЕ
Введение
1 Технологическая часть
-
Служебное назначение детали
-
Анализ технических требований
-
Выбор типа производства
-
Анализ технологичности детали
-
Выбор заготовки
-
Технологический маршрут обработки
-
Выбор технологических баз и последовательности обработки
-
Маршруты обработки поверхностей
-
Аналитический расчет припуска
1.7. Разработка технологических операций
-
Выбор технологического оборудования и оснастки
-
Расчет режимов резания
-
. Нормирование операций
2. Конструкторская часть
2.1 Проектирование сверлильного приспособления
-
Разработка схемы приспособления
-
Расчет силы закрепления
-
Описание конструкции приспособления
-
Контрольное приспособление
-
Выводы
Перечень ссылок
Приложение А
Приложение Б
Приложение В
ВВЕДЕНИЕ
Эффективным средством повышения производительности в машиностроении являются автоматизации и механизации технологических и вспомогательных процессов, выполняемых на различных этапах изготовления изделия. Автоматизация в среднесерийном производстве требует создания гибких производственных систем, способных автоматически переходить с обработки деталей одного типоразмера на другой.
В решении этих задач решающую роль играют станки с ЧПУ и многошпиндельные полуавтоматы. Многошпиндельные полуавтоматы позволяют повысить производительность обработки деталей, снизить количество операций, что в совокупности влияет на снижение себестоимости изделия. С внедрением многошпиндельных полуавтоматов появляются возможности освобождения рабочего от монотонного и тяжелого физического труда.
Высокопроизводительные многошпиндельные полуавтоматы позволяют автоматически произвести с одной установки практически полную обработку детали. Наличие на таких станках нескольких суппортов с широким выбором режущего инструмента дает возможность выполнять технологические переходы.
1 ТЕХНОЛОГИЧЕСКАЯ ЧАСТЬ
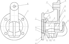
1.1 Служебное назначение детали
Данная деталь применяется в механизме разгрузки и служит цилиндром для поршня гидросистемы и опорой для всего гидромеханизма. Поэтому поверхность 11 (см. Рис. 1.1) имеет низкую шероховатость (Ra = 2.5 мкм) для снижения трения при перемещении поршня.
К корпусным деталям предъявляют комплекс технических требований, исходя из служебного назначения. Требования касаются геометрической точности – размеров и относительных положений и выбора материала, способного выдержать вибрации, ударную нагрузку и другие неблагоприятные факторы.
1.2 Анализ свойств материала
Материал заготовки – серый чугун СЧ 15 ГОСТ 1412-85. Этот материал применяется в тех случаях, когда необходимо обеспечить высокую вибростойкость, высокую прочность, устойчивость и стойкость к ударным нагрузкам, поэтому применение серого чугуна в корпусах оправдано его физико-механическими свойствами.
Материал СЧ 15 применяется при изготовлении оснований большинства станков, ступиц, корпусов клапанов и вентилей и других деталей сложной конфигурации при недопустимости большого коробления и невозможности получения их старения, а это салазки, столы, корпуса задних бабок, корпуса маточных гаек, зубчатые колеса, кронштейны, люнеты, вилки переключения, шкивы и планшайбы.
Рисунок 1.1 – Эскиз детали – корпус кронштейна.
Таблица 1.1 – Физико-механические свойства серого чугуна СЧ 15 [2].
| Предел прочности при растяжении, Па | Теплопроводность λ,Вт/(м к) | Твердость НВ | Удельная теплоемкость С, Дж/К | Плотность, кг/куб.м |
| 9.8*107 | 54 | 165 | 239-473 | 7000 |
Таблица 1.2 – Химический состав серого чугуна СЧ 15 [2].
| Углерод С,% | Кремний, Si,% | Марганец, Mn,% | Сера, S, % | Фосфор, P, % |
| 3.5...3.7 | 2...2.4 | 0.5...0.8 | 0...0.15 | 0...0.2 |
1.3 Выбор типа производства
Для данного курсового проекта тип производства был оговорен заранее – среднесерийный. По табл. 4.1 [1, с. 48], исходя из типа производства и массы заготовки, выбираем программу выпуска – 5000 штук.
Серийное производство занимает промежуточное положение между единичным и массовым производством, при котором изготовление изделий производится партиями или сериями, состоящими из одноименных, однотипных по конструкции и одинаковых по размерам изделий, запускаемых в производство одновременно. Основным принципом этого вида производства является изготовление всей партии (серии) целиком как в обработке деталей, так и в сборке.
В серийном производстве технологический процесс преимущественно дифференцирован, т. е. расчленен на отдельные операции, которые закреплены за определенными станками.
Станки здесь применяются разнообразных видов: общего назначения (универсальные), специализированные, специальные, автоматизированные, агрегатные. Станочное оборудование должно быть специализировано в такой мере, чтобы был возможен переход от производства одной серии машин к другой, несколько отличающейся от первой в конструктивном отношении, или переход от одного типа машины к другому.
При использовании станков общего назначения (универсальных) должны широко применяться специализированные и специальные приспособления, специализированный и специальный режущий инструмент или приспособленный для данной операции — нормальный и, наконец, измерительный инструмент в виде предельных (стандартных и специальных) калибров и шаблонов, обеспечивающих взаимозаменяемость обработанных деталей. Все это оборудование и оснастку в серийном производстве можно применять достаточно широко, так как при повторяемости процессов изготовления одних и тех же деталей указанные средства производства дают технико-экономический эффект, который с большой выгодой окупает затраты на них. Однако в каждом отдельном случае при выборе специального или специализированного станка, изготовлении дорогостоящего приспособления или инструмента необходимо подсчитать затраты и ожидаемый технико-экономический эффект.
Серийное производство значительно экономичнее, чем единичное, так как лучшее использование оборудования, специализация рабочих, увеличение производительности труда обеспечивают уменьшение себестоимости продукции. [3, с.56]
1.4 Анализ технических требований
Деталь «Корпус кронштейна» содержит ряд поверхностей, отличающихся формой, расположением и назначением. Рассмотрим поверхности и назначим технические требования к ним.
Рисунок 1.2 – Граф связей основных поверхностей
Поверхности 1, 2 и 3 являются основными, так как определяют положение детали в узле. Деталь базируется по плоскости торца 1, цилиндрической ступени типа «диск» 2 и закрепляется по отверстиям 3 с помощью болтов. Торец 1 должен быть перпендикулярен оси поверхностей 4 и 8. Ось цилиндрической ступени 2 должна быть перпендикулярна торцу 1. Отверстия 3 должны иметь позиционный допуск для одинакового расстояния между осями отверстий 3 и оси цилиндрической ступени 2.
Поверхности 4, 6, 7, 8, 9, 12, 15, 16 и 17 являются вспомогательными. К ним крепятся другие детали. В то же время, поверхность 11 является исполнительной, она служит цилиндром для поршня, который перемещается по этой поверхности, поэтому поверхность 11 должна иметь низкую шероховатость и наиболее высокую точность изготовления. Поверхность 4 является резьбовой – к ней присоединяется стакан, направляющий шток, поэтому следует назначить допуск соосности на поверхности 4 и 11. Поверхность 5 служит упором для герметизирующего материала (манжеты) между стаканом и корпусом. Цилиндрическая ступень 9 служит для фиксации стакана и предупреждения перекоса, поэтому должна быть соосной с поверхностью 11. Поверхность 8 удерживает и, благодаря конической ступени, упрощает замену износившейся манжеты. Поверхность 12 служит для присоединения пробки для регулирования давления в системе, имеет трубную резьбу G1-B, на работу системы «шток-поршень-циллиндр» прямого действия не оказывает, поэтому не требует допуска взаиморасположения. Поверхность 7 является упором для стакана, направляющего шток циллиндра, поэтому ей следует назначить допуск перпендикулярности оси поверхности 4. Поверхности 15 и 17 должны быть параллельными поверхности 1 и при этом перпендикулярными оси отверстия 16. Поверхность 16 служит для фиксации корпуса в приспособлении для монтажа. Поверхность 13 служит местом выхода поршня и одновременно ограничителем его перемещения, получается фрезерованием. Остальные поверхности свободные.
1.5 Анализ технологичности деталей
Деталь – “корпус кронштейна” изготавливается из чугуна литьем, поэтому конфигурация наружного контура и внутренних поверхностей не вызывает значительных затруднений при получении заготовки. Однако, достаточно высокая сложность формы детали и неудобство изготовить под нее форму по принципу наложения тени затрудняют процесс литья. Плоскость разъёма формы наиболее удобно расположить по плоскости, в которой лежит ось поверхности 2, проходящая через центр отверстия 16.
Нетехнологичными в данной детали являются глубокое глухое отверстие 11, так как его трудно обрабатывать, и поверхность 9, так как обрабатывается не на проход и подвод фрезы к нужной поверхности затруднен размерами смежных поверхностей. Также резьба G1-B, трубная дюймовая, является специальной, что требует применения специального инструмента.
1.6 Выбор способа получения заготовки
На базовом предприятии заготовка получается методом литья в песчаные формы. Для установления альтернативного метода получения заготовки строим матрицу влияния факторов. Для изготовления заготовки из чугуна СЧ20 при крупносерийном производстве.
Таблица 1.3 – Матрица влияния факторов [1, с. 62].
| Способ изготовления заготовки | Факторы | Σ | ||||
| Формы и размеры заготовки | Требуемая точность и качество поверхности | Техноло-гические свойства материала | Годовая программа | |||
| Литье в кокиль | 4 | 3 | 5 | 3 | 15 | |
| Литье под давлением | 5 | 4 | 4 | 5 | 18 | |
| Литье в землю | 3 | 1 | 4 | 4 | 12 | |
| Литье в песчано-глинистые формы | 4 | 1 | 4 | 5 | 14 | |
По результатам анализа матрицы влияния факторов принимаем литье под давлением.
Определим точность отливки, ее размеры и отклонения для литья под давлением. В соответствии с рекомендациями ГОСТ 26645-86 для этого способа литья, габаритных размеров отливки от 100 до 630 мм, из чугуна с температурой плавления выше 700°С, находим класс точности размеров и масс отливок 3 и ряд припусков 1 [4, табл. К.1, стр. 205]. Принимаем для нашего случая 3 класс точности и ряд припусков 1. Исходя из выбранного способа получения отливки, его геометрической формы, незначительных размеров принимаем 6 степень коробления отливки [4. Табл. К.5, стр. 209]. В итоге получаем отливку, точность которой 3 – 5 – 6 ГОСТ 26645-86. Для литья в кокиль точность отливки будет 5 – 6 – 2 ГОСТ 26645-86.
Находим допуски размеров отливки. Результаты расчетов для обоих способов сведем в таблицу 1.5.
Таблица 1.5 – Результаты назначения припусков на обработку
| Метод | Размер | КТР | КТМ | СК | РП | Т | Z | Технологический размер, мм |
| Литье в кокиль | Ø30 | 5 | 11т | 6 | 2 | 0,44 | 1,25 | Ø 28,5+0,44 |
| Ø72 | 0,56 | 1,4 | Ø69,2+0,56 | |||||
| 30 | 0,44 | 1,25 | 28,75-0,44 | |||||
| Ø 40 | 0,5 | 1,4 | Ø42,8+0,5 | |||||
| Ø 35 | 0,44 | 1,25 | Ø32,5-0,44 | |||||
| Ø 140 | 0,64 | 1,65 | Ø143,3-0,64 | |||||
| 32 | 0,44 | 1,25 | 34,5-0,44 | |||||
| 4 | 0,24 | 1 | 5-0,24 | |||||
| Литье под давлением | Ø30 | 3 | 5 | 6 | 1 | 0,22 | 0,5 | Ø29-0,22 |
| Ø72 | 0,28 | 0,8 | Ø70+0,28 | |||||
| 30 | 0,22 | 0,5 | 29,5-0,22 | |||||
| Ø 40 | 0,24 | 0,8 | Ø41,6-0,24 | |||||
| Ø 35 | 0,22 | 0,5 | Ø34+0,22 | |||||
| Ø 140 | 0,32 | 0,8 | Ø141,6-0,32 | |||||
| 32 | 0,22 | 0,5 | 33-0,22 | |||||
| 4 | 0,12 | 0,6 | 4,6-0,12 |
По заводским данным масса заготовки, получаемой литьем в песчаные формы равна mЗ = 4,8 кг. Определим коэффициент использования материала по формуле (1.1):
Характеристики
Тип файла документ
Документы такого типа открываются такими программами, как Microsoft Office Word на компьютерах Windows, Apple Pages на компьютерах Mac, Open Office - бесплатная альтернатива на различных платформах, в том числе Linux. Наиболее простым и современным решением будут Google документы, так как открываются онлайн без скачивания прямо в браузере на любой платформе. Существуют российские качественные аналоги, например от Яндекса.
Будьте внимательны на мобильных устройствах, так как там используются упрощённый функционал даже в официальном приложении от Microsoft, поэтому для просмотра скачивайте PDF-версию. А если нужно редактировать файл, то используйте оригинальный файл.
Файлы такого типа обычно разбиты на страницы, а текст может быть форматированным (жирный, курсив, выбор шрифта, таблицы и т.п.), а также в него можно добавлять изображения. Формат идеально подходит для рефератов, докладов и РПЗ курсовых проектов, которые необходимо распечатать. Кстати перед печатью также сохраняйте файл в PDF, так как принтер может начудить со шрифтами.















