124462 (690019), страница 3
Текст из файла (страница 3)
2.2 Конденсационные системы УЛФ
Принцип действия конденсационных систем основан на более высокой температуре конденсации паров углеводородов по сравнению с воздухом.
К конденсационным порой ошибочно относят системы, в которых предлагается каким-либо образом охлаждать ПВС непосредственно в ГП резервуаров Но такие технические решения необходимо рассматривать как один из способов уменьшения температуры паровоздушной смеси (и, соответственно, уменьшения концентрации углеводородов в ней), наряду с применением отражательно-тепловой изоляции или водяного орошения резервуаров.
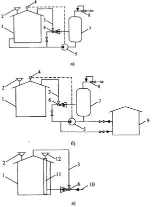
В конденсационных системах УЛФ охлаждение ПВС осуществляется в одну или две ступени (рис. 10).
При одноступенчатой конденсации ПВС из резервуара 1 по газовой обвязке 3 поступает в холодильник 4, который включается по сигналу датчика давления 5. Образующийся в результате охлаждения ПВС конденсат отделяется в емкости 6 и насосом 7 закачивается обратно в резервуар, а воздух со следами углеводородов сбрасывается в атмосферу через регулятор давления 8 типа «до себя».
Рисунок 10 - Конденсационные системы УЛФ: а — одноступенчатая; б — двухступенчатая; 1 — резервуар с бензином; 2—дыхательный клапан; 3—газовая обвязка; 4,9—холодильники; 5—датчик давления; 6, 10—емкости; 7—насос; 8—регулятор давления типа «до себя»
ЦНИЛ Госкомнефтепродукта РСФСР была разработана и испытана [104] полупромышленная холодильная установка с поверхностным охладителем-конденсатором для конденсации паров бензина. Холодильная машина включает в себя аммиачный 2-цилиндровый компрессор, конденсатор, испаритель, насос для подачи хладагента, охладитель-конденсатор, емкость для сбора конденсата, насос для откачки конденсата.
В качестве хладагента используется раствор хлористого кальция с температурой замерзания -35...-38 °С. Конденсация бензиновых паров из паровоздушной смеси осуществляется в поверхностном охладителе-конденсаторе за счет охлаждения паровоздушной смеси хладагентом, протекающим по ореб-ренным трубкам. Выпадающий при охлаждении конденсат собирается в емкости и по мере накопления откачивается насосом в резервуар. В его состав входят в основном гексаны и часть пентанов и бутанов. По составу и свойствам получаемый конденсат соответствует газовому бензину с давлением насыщенных паров около 0,15 МПа.
В ряде изобретений, по-существу, также предлагаются одноступенчатые конденсационные системы УЛФ, но конструктивно они оформлены иначе.
В [6] предлагается устанавливать теплообменное устройство непосредственно на кровле резервуара. Оно включает корпус 1, внутри которого имеется система вертикальных каналов 2, форсунки 3 для распыливания воды, а также клапан давления 4. Работа устройства основана на том, что клапан 4 срабатывает при давлении, на 10... 15 % меньшем, чем дыхательный клапан резервуара. Паровоздушная смесь проходит через вертикальные каналы, охлаждаемые за счет естественного перепада температуры между стенками корпуса и окружающим воздухом. При температуре окружающей среды выше 20 °С используется система принудительного охлаждения ПВС. Для этого по коллектору 5 к форсункам 3 подается вода, которая распыляется в направлении стенок устройства. Выпадающий из ПВС конденсат стекает вниз.
Для повышения эффективности работы устройства автор конструкции предлагает разместить в нижней части некую насадку, материал которой при контакте с конденсатом набухает и образует развитую поглощающую поверхность.
Несмотря на очевидную простоту предложенного устройства, ясно, что оно не может обеспечить высокой степени улавливания углеводородов: перепад температур в нем весьма невелик, а время нахождения ПВС в устройстве при расходе 100 м3/ч не превышает 6 с.
В [88] предложено устанавливать на кровле резервуара устройство, в камере которого смонтированы элементы для образования каналов, по которым проходит ПВС и хладагент. Причем эти элементы выполнены в виде наклонных и соединенных попарно пластин.
2.3 Компрессионные системы УЛФ
Много публикаций в отечественной и зарубежной литературе посвящено компрессионным системам улавливания легких фракций. Сущность этих систем заключается в компримировании отобранной из емкостей парогазовой смеси с целью ее аккумулирования или реализации (в сжиженном или газообразном состоянии).
По способу компримирования эти системы делятся на эжекторные и компрессорные. Рабочей средой в эжекторах является жидкость (техническая вода, углеводороды и т. д.) или газ. Соответственно они называются жидкостно-га-зовыми (ЖГЭ) или газ-газовыми (ГТЭ) эжекторами. Компрессорные системы классифицируются по типу используемых компрессоров (поршневые, винтовые, роторные, ротационные).
Принцип-действия эжекторов заключается в частичной передаче кинетической энергии от рабочего тела подсасываемому (эжектируемому) газу в камере смещения потоков и последующем восстановлении давления смеси«рабочее тело—газ» в диффузоре. При использовании ГГЭ разделение смеси, как правило, не производят. Если же газ компремируется с помощью ЖГЭ, то полученная смесь разделяется в специальной емкости, а рабочая жидкость используется вновь.
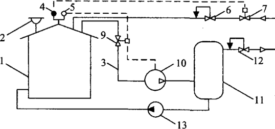
Сжатие паровоздушной смеси с помощью компрессоров опасно, т. к. это может привести к взрыву и пожару. По этой причине на рис. 11, 12 показаны принципиальные схемы компрессорных систем УЛФ, в которых исключается попадание воздуха в ГП резервуаров при снижении давления в нем.
В первом случае (рис. 11) это достигается тем, что в ГП подается углеводородный газ из специального газопровода 8. При создании в ГП вакуума около 100 Па по сигналу датчика вакуума 4 открывается клапан 7 и через регулятор давления 6 типа «после себя» углеводородный газ поступает в резервуар 1. Подача газа прекращается при повышении давления до атмосферного по сигналу того же датчика закрытием клапана 7.
Рисунок 11 - Компрессорная система УЛФ разомкнутого типа (с подпиткой углеводородным газом): 1—резервуар с нефтью (нефтепродуктом); 2—дыхательный клапан; 3—газовая обвязка; 4—датчик вакуума; 5—датчик давления; 6—регулятор давления типа «после себя»; 7,9—отсечные клапаны; 8—газопровод; 10—компрессор; 11—емкость; 12—регулятор давления типа «до себя»; 13—насос
При повышении избыточного давления в ГП резервуара 1 до 1000 Па по сигналу датчика давления 5 открывается клапан 9 и включается компрессор 10. При сжатии часть углеводородов из газовой смеси конденсируется. Конденсат отделяется в емкости 11 и затем возвращается в резервуар 1 насосом 13. Несконденсировавшиеся углеводороды через регулятор давления 12 типа «до себя» подаются в газопровод 8.
По аналогичной схеме выполнена система улавливания легких фракций, предложенная фирмой «Philips petroleum».
Подобные системы УЛФ применяются на нефтяных промыслах, где всегда имеются газопроводы для транспортировки попутного нефтяного газа. В связи с тем что углеводородный газ, откачиваемый из резервуара в газопровод, назад не возвращается, система, схема которой приведена на рис. 12, называется компрессорной системой УЛФ разомкнутого типа.
Рисунок 12 - Компрессорная система УЛФ института «Башнефтепроект»: 1 —резервуар; 2—газгольдер; 3—балансирный механизм; 4, 7—отсечные клапаны; 5—турбогазодувка; 6—подводящий газопровод промысловой компрессорной станции; 8—напорный газопровод
Примером подобной системы является автоматизированная система герметизации резервуарных парков промыслов, предложенная в институте «Башнефтепроект» [2], рассчитанная на использование турбогазодувок (рис. 12). В зависимости от давления в ГП легкие фракции нефти переходят из резервуара в резервуар или по трубопроводу газоуравнительной системы в «мягкий» газгольдер, 2. При наполнении газгольдера поднимается его верхняя часть, шарнирно связанная с балансирным механизмом 3. При определенном положении балансирного механизма открывается клапан 4 отбора газа из газгольдера и газ поступает на прием турбогазодувки 5. Турбогазодувка компримирует газ и подает его в газовую сеть промысловой компрессорной станции по газопроводу 6. При создании расположения в ГП резервуаров в них под избыточным давлением 200 Па поступает газ из «мягкого» газгольдера, верхняя часть газгольдера и связанный с ним балансирный механизм опускаются. Если запасов газа в газгольдере недостаточно, то открывается клапан 7 выпуска газа из напорного газопровода 8 или концевой сепарационной установки в «мягкий» газгольдер. Пуск турбогазодувки производится автоматически с одновременным открытием клапана 4 при помощи сигнального устройства, установленного на балансирном механизме. Газгольдер рассчитан на максимальное избыточное давление 2000 Па.
Применение компрессорных систем УЛФ целесообразно при больших расходах паровоздушной смеси. КПД компрессоров и развиваемое ими давление достаточно высоки. Вместе с тем применение поршневых компрессоров требует значительных капитальных затрат, а винтовые компрессоры не всегда имеют достаточную эксплуатационную надежность. Кроме того, в компрессорных системах УЛФ компримирование паров приводит к повышению их температуры, что требует обязательного охлаждения паров с целью обеспечения конденсации углеводородов. Для обеспечения безопасной работы компрессоров необходимо предотвратить попадание воздуха в ГП резервуаров. Охлаждение паров и создание их запасов для последующего заполнения ГП требуют дополнительных затрат.
В силу перечисленных причин большое распространение получили эжекторные системы УЛФ. Достоинствами эжекторных установок являются простота, надежность, недефицитность комплектующих узлов. Их обслуживание не требует дополнительного персонала.
Принципиальные схемы предложенных эжекторных систем УЛФ приведены на рис. 13. На рис. 13 а показана схема компримирования ПВС с использованием в качестве рабочей жидкости самого легкоиспаряющегося нефтепродукта. При повышении избыточного давления в ГП резервуара 1 до 1000 Па по сигналу датчика давления 4 включается насос 5, который подает рабочую жидкость (бензин) в жидкостно-газовый эжектор 5. ЖГЭ отсасывает избыток ПВС из ГП резервуара 1, смешивает ее с рабочей жидкостью и компримирует. В результате часть углеводородов из ПВС растворяется в рабочей жидкости. Доля поглощенных углеводородов зависит от давления и температуры.
Рис. 13. Эжекторные системы УЛФ: а — компримирование ПВС легкоиспаряющимся нефтепродуктом; б — компримирование ПВС низколетучим нефтепродуктом
Разделение полученной газожидкостной смеси производится в емкости 7. После этого воздух со следами углеводородов через регулятор давления 8 типа «до себя» сбрасывается в атмосферу, а жидкая фаза повторно используется в качестве рабочей жидкости, закачивается в резервуар 1 или в трубопровод (на схеме не показан).
2.4 Комбинированные системы УЛФ
Описанные выше системы УЛФ не всегда обеспечивают необходимое сокращение паров углеводородов в атмосферу. Поэтому во многих изобретениях предполагается совмещать сразу несколько способов улавливания паров.
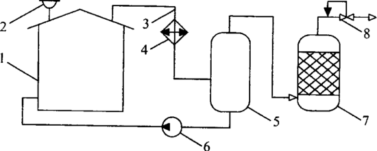
Рисунок 14 - Конденсационно-адсорбционная система УЛФ: 1 —резервуар с бензином; 2 — дыхательный клапан; 3—газовая обвязка; 4—холодильник; 5 — емкость; 6—насос; 7—адсорбер; 8—регулятор давления типа «до себя»
На рис. 14 показана принципиальная схема конденсационно-адсорб-ционной системы УЛФ, предложенной в [3]. ЛВС, вытесняемая из резервуара, в холодильнике 4 подвергается охлаждению при температуре от -10 до -50 °С. При этом происходит конденсация части углеводородов, которые отделяются в емкости 5 и насосом 6 возвращаются в резервуар 1. Далее воздух с остатками несконденсировавшихся паров поступает в адсорбер 7, где проходит доочистку. Затем воздух со следами углеводородов через регулятор давления 8 типа «до себя» сбрасывается в атмосферу.
Температура конденсации углеводородов в холодильнике 4 не оговаривается, однако конкретизируется способ охлаждения ПВС: для этой цели предлагается использовать холодные спаи плоской батареи термоэлементов, соединенной с источником постоянного тока.
















