124261 (689948), страница 2
Текст из файла (страница 2)
αi-, βi - начальные фазы составляющих силы и момента.
Тщательной балансировкой многоцилиндрового поршневого двигателя, устранением неравномерности рабочих циклов в цилиндрах удается свести к минимуму или полностью устранить создаваемую им вибрационную нагрузку низших порядков.
Опрокидывающими моментами и горизонтальными силами не исчерпывается многообразие вибрационных нагрузок, источником которых служат двигатели внутреннего сгорания. Так, неполная сбалансированность движущихся масс приводит к появлению моментов, вращающих двигатель относительно осей вертикальной (рыскание) и поперечной горизонтальной (галопирование). Динамические нагрузки, имеющие случайный характер, создаются в результате неидентичности воспламенения и сгорания топлива в цилиндрах.
1.3 Нагрузки, вызванные работой гребных винтов за корпусом
Действие нагрузок, связанных с работой гребных винтов за корпусом в непосредственной близости от него, представляет собой наиболее существенную причину вибрации судна.
Винт, работающий за корпусом судна, возбуждает два вида вибрационной нагрузки: нагрузку, передающуюся корпусу через подшипники и непосредственно приложенную к обшивке в виде пульсирующих давлений.
1.3.1 Нагрузка, передающаяся корпусу через подшипники
Неоднородность потока, набегающего на винт, создается вследствие нескольких причин, среди которых важнейшую роль играет так называемый попутный поток.
Осевая Vx (направленная вдоль оси гребного вала) и окружная Vt составляющие скорости регулярной части попутного потока могут быть рассчитаны или измерены с использованием I модельного эксперимента.
Осевую составляющую удобно представить в виде суммы:
Vx = v0 + vx,
где v0 - скорость судна; vx - зависящая от координат в плоскости диска винта составляющая осевой скорости.
Пример изменения vx и Vt за один оборот лопасти двухвинтового судна показан на рис.1.3
Рис 1.3 Пример изменения vx/v0 и Vt/v0 за один оборот лопасти.
2. Местная вибрация корабля. Вибрация набора судового корпуса. Свободные колебания однопролётной свободно опёртой балки
2.1 Расчетная схема
Рис.2.1 Расчётная схема однопролётной свободно опёртой балки.
2.2 Исходные данные
| Длина балки "L", м | Интенсивность веса балки "q" кгс/cм | Модуль упругости материала "Е" МПа | Момент инерции поперечного сечения "I" см4 |
| 8.2 | 0.22 | 210000 | 6200 |
2.3 Дифференциальное уравнение свободных колебаний упругой системы
Учитывая даламберовы силы, дифференциальное уравнение свободных колебаний однопролётной балки имеет вид:
(2.1)
2.4 Общее решение колебаний упругой системы
(2.2)
2.5 Дифференциальное уравнение для форм главных свободных колебаний призматического стержня
(2.3)
где
(2.4)
2.6 Общий интеграл дифференциального уравнения для форм главных свободных колебаний
(2.5)
2.7 Граничные условия на свободно опёртых концах балки
Граничные условия для рассматриваемого стержня имеют вид:
Внося сюда выражение (2.2), получаем граничные условия для форм свободных колебаний:
(2.6)
2.8 Составление уравнений из условий подчинения граничным условиям на левом и правом концах балки
Подчиняя выражение (2.5) граничным условиям (2.6) функции wk (х) при х = 0 и х = L получаем систему линейных однородных алгебраических уравнений относительно неизвестных постоянных Ak, Bk, Ck и D/e:
(2.7)
2.9 Система линейных однородных алгебраических уравнений относительно неизвестных постоянных интегрирования
(2.8)
2.10 Определитель системы. Уравнение частот
Интересующее нас решение, отличное от нуля, получаем при равенстве нулю определителя упомянутой выше системы уравнений (2.8):
Уравнение это называется уравнением частот.
(2.9)
откуда уравнение частот будет иметь вид:
(2.10)
Отсюда уравнение частот примет следующий вид:
sin μк = 0
Корни этого уравнения частот будут определяться по формуле:
μk= πk,
где k=l, 2, 3,...
2.11 Формулы для определения частот свободных колебаний
По найденным из уравнения частот корням μk (k = 1, 2, 3,. .) с помощью формулы (2.4) определяются частоты свободных колебаний стержня:
(2.11)
Заметим, что обычно корни μk,, а, следовательно, и частоты λk, нумеруются в порядке их возрастания:
2.12 Расчет значения частот первых пяти тонов свободных колебаний свободно опертого призматического стержня
Расчёт значения частот первых пяти тонов свободных колебаний свободно опёртого призматического стержня начинается с вычисления значения интенсивности массы самого призматического стержня, а именно:
,
тогда частоты первых пяти тонов свободных колебаний (2.11) будут равны:
при k = 1:
,
при k = 2:
при k = 3:
при k = 4:
при k = 5:
2.13 Выражение для определения форм свободных колебаний свободно опёртого призматического стержня
Из уравнений системы (2.8), если учесть результат sin μк = 0, следует, что:
Вк = 0.
Таким образом, лишь постоянная Dk оказалась не равной нулю. Тогда на основании формулы (2.5), если подставить в нее найденные выше значения Ak, Bk и Ck, получим выражение для форм колебаний свободно опертой балки:
(2.12)
Таким образом, форма колебаний может быть определена с точностью до постоянного множителя, значение которого обычно выбирается исходя из удобства вычислений.
2.14 Расчёт и построение форм первых пяти тонов главных свободных колебаний свободно опёртого призматического стержня
Рис.2.2 Форма свободных колебаний однопролётной свободно опёртой балки.
2.15 Расчёт значений частот первых пяти тонов свободных колебаний свободно опёртого призматического стержня с удвоенным по сравнению с заданным значением интенсивности веса балки
Вычисление значения интенсивности массы самого призматического стержня с учетом удвоенного, по сравнению с заданным, значением интенсивности веса балки, а именно:
тогда частоты первых пяти тонов свободных колебаний (2.11) будут равны:
при k = 1:
при k = 2:
при k = 3:
при k = 4:
при k = 5:
2.16 Расчёт значений частот первых пяти тонов свободных колебаний свободно опёртого призматического стержня с удвоенным по сравнению с заданным значением длины балки
при k = 1:
,
при k = 2:
при k = 3:
при k = 4:
при k = 5:
2.17 Приведение результатов расчёта значений частот первых пяти тонов свободных колебаний свободно опёртого призматического стержня в сводной таблице
| При заданных значениях интенсивности веса и длины балки, Гц | При удвоенном по сравнению с заданным значением интенсивности веса балки, Гц | При удвоенном по сравнению с заданным значением длины балки, Гц | |
| при k = 1 | 111,7 | 75,4 | 27,9 |
| при k = 2 | 426,7 | 301,8 | 111,7 |
| при k = 3 | 960,12 | 679,1 | 251,1 |
| при k = 4 | 1706,8 | 1206,4 | 446,4 |
| при k = 5 | 2667,01 | 1885,01 | 697,5 |
2.18 Сопоставление результатов расчётов. Выводы
Увеличение тона главных свободных колебаний ведёт к увеличению узловых точек. Чем больше тон свободных колебаний, тем больше частота колебаний. Графиком функции, описывающей форму свободных колебаний, является синусоида (полусинусоида).
При увеличении интенсивности веса балки и длины балки возрастание частоты колебаний, с увеличением тона колебаний, происходит медленнее по сравнению с расчетами по заданным значениям интенсивности веса и длины балки. Чем больше интенсивность веса и длины балки, тем меньше частота колебаний, причем величина длины балки больше влияет на частоту колебаний, чем интенсивность веса балки.
3. Местная вибрация корабля. Вибрация судовых пластин. Свободные колебания гибких пластин
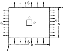
3.1 Расчетная схема прямоугольной пластины
Прямоугольная пластина со сторонами "а", "в" в плане, толщиной "h" находится под воздействием в срединной плоскости усилий Tx, параллельных оси x, и усилий Ty, параллельных оси у.
Рис. 3.1 Расчётная схема прямоугольной пластины.
3.2 Исходные данные для расчёта свободных колебаний гибких пластин
| Размер пластины "а" м | Размер пластины "в" м | Толщина пластины "h" м | Сжимающее усилие в направлении оси ОX "σx", МПа | Сжимающее усилие в направлении оси ОY "σy", МПа | Модуль упругости материала "Е", МПа |
| 0,95 | 0,95 | 0,02 | 1200 | 400 | 210000 |
3.3 Силы упругости, действующие на элемент пластины
(3.1)
где D - цилиндрическая жесткость пластины;















