124193 (689903)
Текст из файла
Министерство образования и науки Украины
Донецкий национальный технический университет
Механический факультет
Кафедра: "Металлорежущие верстаты и инструменты"
КУРСОВОЙ ПРОЕКТ
По дисциплине: "Режущие инструменты"
На тему: " Расчет металлорежущего инструмента"
Исполнитель
Студент гр. МС-02а А.С. Дьяченко
Консультант И.О. Малишко
Нормоконтролер И.В. Киселева
ДОНЕЦК 2005
Задание
Обрабатываемый материал чугун НВ 190.
Спроектировать долбяк для обработки зубчатых колес m=2,5 мм, z1=30, z2=60, Ст.7-D.
Спроектировать комбинированную развертку для обработки отверстий d1=20 мм, d2=30 мм, l1=40 мм l2=60 мм, Ra=1,25 мкм.
Спроектировать протяжку для обработки шлицевой втулки d-8×56 H7×62H12×10D9, l=100 мм, Ra=2.5 мкм.
Реферат
Курсовой проект: 34 стр., рис.5, 4 приложений, 4 источника.
Объект исследования: протяжка шлицевая, развертка комбинированная, долбяк для обработки зубчатых колес,
Цель работы: спроектировать указанные инструменты и приспособления для обработки деталей с заданными размерами и параметрами.
В курсовом проекте приведены расчеты всех параметров и размеров указанных инструментов, выбраны материалы для изготовления инструмента.
Разработаны рабочие чертежи рассчитываемых инструментов.
ПРОТЯЖКА, РАЗВЕРТКА, ЗАГОТОВКА, КАНАВКА, ДОЛБЯК, ХВОСТОВИК, МОДУЛЬ, ДОПУСК, ЗУБ, МАТЕРИАЛ, ПРОФИЛЬ.
Содержание
Введение
1. Расчет шлицевой протяжки
2. Расчет комбинированной развертки
3. Расчет долбяка для обработки зубчатых колес
4. Определение чертежных размеров долбяка по передней поверхности
Заключение
Список использованой литературы
Введение
Целью данного курсового проекта является расчет и проектирование металлорежущих инструментов: протяжка шлицевая, развертка комбинированная и долбяк для обработки зубчатых колес.
Протягивание является одним из наиболее высокопроизводительных процессов обработки деталей резанием. Высокая производительность процесса протягивания объясняется тем, что одновременно находится в работе несколько зубьев инструмента с большой суммарной длиной режущих кромок. Протягивание позволяет получать поверхности высокой точности (6-го - 8-го квалитетов точности) и низкой шероховатости (Ra=0.63-0.25 мкм).
Наиболее широкое применение получили протяжки для обработки шлицевых отверстий. При центрировании шлицевой втулки на валу, по внутреннему диаметру, для обеспечения более высокой точности центрирования необходимо потягивать одной протяжкой внутренний диаметр, шлицевые канавки и фаски.
Комбинированные развертки используют при обработки ступенчатых отверстий, высокой точности, небольших и средних диаметров, в крупносерийном и массовом производстве.
Долбяки применяют для изготовления прямозубых и косозубых цилиндрических зубчатых колес внутреннего и внешнего зацепления. Зацепление долбяка с зубчатым колесом в процессе нарезания аналогично зацеплению корригированной зубчатой передачи.
1. Расчет шлицевой протяжки
Исходные данные для расчета:
наружный диаметр шлицев D=62H12 мм;
внутренний диаметр шлицев d=56 H7 мм;
число шлицев n=8;
ширина шлица
;
d-8×56 H7×62H12×10D9
материал детали чугун НВ 190;
длина протягивания l=100 мм;
шероховатость отверстия Rа=2.5 мкм.
Конструктивные особенности шлицевой протяжки зависят от технологии изготовления детали. Лучшее качество шлицевого отверстия по всем элементам (требуемые размеры шлицев и расположение их относительно оси, концентричность наружного и внутреннего диаметров, отсутствие заусенцев на боковых поверхностях шлицевых пазов и на внутренней поверхности отверстия) удается получить в том случае, если одновременно протягивают шлицевые пазы и отверстие.
Чтобы обеспечить указанные показатели качества, протяжку конструируют следующим образом. В начале режущей части располагают фасочные, за ними круглые, затем шлицевые зубья (схема ФКШ). При таком расположении зубьев, если и образуемся заусенец от круглых и шлицевых зубьев, то он контактирует в нерабочей поверхностью фаской.
Группа обрабатываемости.
Выбирается по [1. П1. стр 200] - V1.
Группа качества.
Выбирается по [1. П2. стр. 203] - 2.
Материал режущей части протяжки.
Выбирается по [1. П3. стр. 203]. Принимаем сталь Р6АМ5.
Конструкция протяжки.
Диаметр более 40 мм, протяжка выполняется сварная.
Материал хвостовика - сталь 40Х.
Размеры стандартных хвостовиков в [1. П4. стр 204]
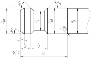
Dхв=50 мм; D1=36 мм; D2=49 мм; l1=90 мм; l2=20 мм; l3=32 мм; c=8 мм; [σр] = 300 МПа.
Рисунок 1.1 - Основные размеры хвостовика
Сила допустимая прочность хвостовика:
;
где
допустимое напряжение при растяжении;
площадь опасного сечения хвостовика
Тяговая сила станка 7Б56 Q=196 кН.
Геометрия зубьев
Углы выбираются по [1. П5. стр 207]
Зубья: черновые и переходные - форма А,
,
;
чистовые - форма Б,
,
,
;
калибрующие - форма Б,
,
,
;
Рисунок 1.2 Геометрические параметры режущей части протяжки
Скорость резания
Выбираем по [1. П6. стр. 208]
m/min;
Подачи зубьев
Средняя наработка протяжек из стали Р6АМ5, выбираем по [1. П12. стр 211]
Наработка чистовой части
, при
Наработка черновой части
; при
Наработка с учетом поправочных коэффициентов принятых по [1. П17. стр 214]
Рекомендуемые подачи круглых черновых зубьев
Глубина стружечной канавки
Приняв предварительно коэффициент помещаемости
Для круглых зубьев
Принимаем ближайшую большую глубина стружечной канавки
Для фасочных и шлицевых
Принимаем
Шаг черновых зубьев
Шаг черновых зубьев
принимаем по [1. П19. стр 216] наименьшим из всех имеющихся и соответствующим данной глубине стружечной канавки
:
. Остальные элементы профиля:
;
;
.
Число одновременно работающих зубьев рассчитываем по формуле ()
;
Определяем максимально допустимую силу резания
Принимаем наименьшей из трех сил:
,
,
:
;
;
Припуск на круглую часть протяжки
Диаметр подготовленного под протягивание отверстия
Следовательно, принимаем
.
Число зубьев в группе
Для каждой части протяжки отдельно. Максимальную длину режущих кромок на фасочных зубьях определяем приближенно
;
где:
ширина шлица;
;
;
В [1. П31. стр 225]
, допускается
.
Максимальную длина режущих кромок на круглых зубьях определяем
;
Значение
, следовательно допускается
Максимальная длина режущих кромок на шлицевых зубьях
Удельную силу резания
определяем [1. П21. стр 218]: для
и
, для
; поправочные коэффициенты находим по [1. П18. стр 214]:
,
,
,
;
;
;
, т.к
Принимаем
;
.
Распределение припуска.
Припуск на фасочную часть определяем по формуле (4.5) [1. стр 83], где
находим по формуле (4.9) [1. стр 83], а диаметр окружности
проходящий через точку пересечения исходных профилей фаски и прямобочного паза, по формулам (4.6) - (4.8) [1. стр 83]
;
угол профиля впадин фасачных зубьев выбирается в зависимости от числа шлицев
по [1. П34. стр 266]
;
;
;
;
;
;
Припуск на круглую часть находим по формуле:
;
Припуск на черновые зубья круглой части:
;
где:
из ()
из ()
;
Припуск на шлицевую часть находим по формуле:
;
где:
диаметр первого шлицевого зуба;
;
;
Разбивать припуск на шлицевые зубья нет смысла, т.к квалитет обработки 12.
Добавляем 4 калибрующих зуба с нулевым подъемом на зуб - запас на переточку.
Число групп черновых зубьев
.
Для шлицевой части
;
округляем до ближайшего меньшего
;
остаточный припуск
;
Добавляем два переходных зуба с подъемом на сторону
;
Для фасочной части
;
округляем до ближайшего меньшего
;
остаточный припуск
;
Добавляем один переходной зуб с подъемом на сторону
;
Общее число зубьев
;
;
;
;
;
;
;
;
;
Число фасочных зубьев
;
;
;
Подъемы зубьев
Подъемы переходных зубьев по [1. П23. стр 220]:
Для круглой:
;
;
;
Для шлицевой:
;
Для фасочной:
;
Подъемы чистовых зубьев по [1. П22юстр 220]:
Для круглых:
;
;
Длина режущей части
;
где:
длина фасочной части;
Для шлицевой части необходимо найти шаг калибрующих зубьев по
[1. П24. стр 221] для
;
;
;
;
;
длина шлицевой части;
Для круглой части необходимо найти шаг чистовых зубьев по [1. П24. стр 221] для
:
;
;
;
;
длина круглой части;
;
В целях обеспечения выхода шлифовального круга в
добавляют по 16 мм после фасочной и круглых зубьев
;
Сила резания
При протягивании на фасочной части протяжки:
;
где:
произведение поправочных коэффициентов по [1. П21. стр 218]
При протягивании на круглой части протяжки:
;
При протягивании на шлицевой части протяжки:
;
Диаметр калибрующих зубьев круглых
;
шлицевых
Диаметры впадин фасочных зубьев:
;
шлицевых зубьев:
;
Число выкружек. Число выкружек шлицевых зубьев
.
Ширину режущих лезвий на прорезных зубьях определяем по формуле:
;
приняв предварительно размер криволинейной фаски из [1. П32. стр 225]:
;
;
Вычисляем ширину выкружек шлицев зубьев по формуле:
;
по табл. [1. П27. стр 224] для
и
;
и
.
Круглые и фасочные зубья выполняются без выкружек т.к они располагаются в группе по одному зубу.
Диаметр и длина передней направляющей
; Т.к.
, то
.
Длина переходного конуса
Выбирают по [1. П28. стр 225]
.
Расстояние от переднего торца протяжки до первого зуба
Определяют по пункту 4 [1. стр 90]:
Характеристики
Тип файла документ
Документы такого типа открываются такими программами, как Microsoft Office Word на компьютерах Windows, Apple Pages на компьютерах Mac, Open Office - бесплатная альтернатива на различных платформах, в том числе Linux. Наиболее простым и современным решением будут Google документы, так как открываются онлайн без скачивания прямо в браузере на любой платформе. Существуют российские качественные аналоги, например от Яндекса.
Будьте внимательны на мобильных устройствах, так как там используются упрощённый функционал даже в официальном приложении от Microsoft, поэтому для просмотра скачивайте PDF-версию. А если нужно редактировать файл, то используйте оригинальный файл.
Файлы такого типа обычно разбиты на страницы, а текст может быть форматированным (жирный, курсив, выбор шрифта, таблицы и т.п.), а также в него можно добавлять изображения. Формат идеально подходит для рефератов, докладов и РПЗ курсовых проектов, которые необходимо распечатать. Кстати перед печатью также сохраняйте файл в PDF, так как принтер может начудить со шрифтами.















