124163 (689879), страница 3
Текст из файла (страница 3)
КПД редуктора с учетом потерь в опорах, потерь на разбрызгивание и перемешивания масла [1, формула 4.14]
Уточняем вращающий момент на валу червяка
По [1, табл. 4.7] выбираем 7-ю степень точности передачи и находим значение коэффициента динамичности Kv = 1,1.
Коэффициент неравномерности распределения нагрузки [1,формула 4.26]
В этой формуле коэффициент деформации червяка при q =10 и Z1 =4
[1,табл. 4.6]
При незначительных колебаниях нагрузки вспомогательный коэффициент Х=0,6
Коэффициент нагрузки
5.5 Проверочный расчет
Проверяем фактическое контактное напряжение
МПа < [GH] = 173МПа.
Проверяем прочность зубьев червячного колеса на изгиб.
Эквивалентное число зубьев.
Коэффициент формы зуба [1, табл. 4.5] YF = 2,19
Напряжение изгиба
Па = 16,2 МПа
-
Определяем основное допускаемое напряжение изгиба для реверсивной работы:
, где
-коэффициент долговечности, принимаем по его минимальному значению
=0,543/1,с.67/;
Таким образом,
=98*0,543=53,21МПа. Прочность обеспечена, т. к.
<
.
Определяем окружные Ft, осевые Fa и радиальные Fr силы в зацеплении соответственно на червяке и на колесе по формулам:
Все вычисленные параметры заносим в табл.6.
Таблица 6
Параметры червячной передачи
| Параметр | Колесо | Червяк | |
| m | 4 | ||
| z | 40 | 4 | |
| ha,мм | 4 | ||
| hf,мм | 4,8 | ||
| с, мм | 0,8 | ||
| d, мм | 160 | 40 | |
| dа, мм | 168 | 48 | |
| df, мм | 150,4 | 30,4 | |
| dаm, мм | 172 | - | |
| b, мм | 32 | 42 | |
| γ | 21º48’05” | ||
| V, м/с | 0,6 | 1,5 | |
| Vs, м/с | 1,6 | ||
| Ft, Н | 6191 | 2615 | |
| Fa, Н | 2615 | 6191 | |
| Fr, Н | 2252 | ||
6 Расчет ведомого вала редуктора
6.1 Исходные данные
Исходные данные выбираем из табл.3,5,6 с округлением до целых чисел:
Н;
Н;
Н;
FВ3=490Н – нагрузка от цепи на вал под углом 45°;
Т3=495,3Н;
d=160мм;
b=32мм.
По кинематической схеме привода составляем схему усилий, действующих на валы редуктора.
Рис.4 Схема усилий, действующих на валы червячного редуктора
6.2 Выбор материала вала
Назначаем материал вала. Принимаем сталь 45, для которой [1, табл.8.4] σв = 890 Н/мм2. Определяем пределы выносливости материала вала при симметричном цикле изгиба и кручения
;
;
;
Н/мм2;
;
Н/мм2.
6.3 Определение размеров вала
Определяем диаметр выходного конца вала под ступицей звездочки из расчёта на чистое кручение
(6.1)
где [τк]=(20…30)Мпа [1,c.161]
Принимаем [τк]=25Мпа.
Диаметр выходного конца
Принимаем ближайшее большее значение из стандартного ряда d1 =50мм.
Намечаем приближенную конструкцию ведомого вала редуктора (рис.5)
Рис.5 Приближенная конструкция ведомого вала
Диаметры подшипниковых шеек d2 =d1+2t=50+2х2,8=55,6мм
Принимаем d2 =60мм
Диаметр под ступицу червячного колеса d3= d2 +3,2r=60+3,2х3=69,6мм
Принимаем d3 =71мм
Диаметр буртика
d5= d3 +3,2r=71+9,6=80мм
l1 =(1,0…1,5)d1 =1,2х50=60мм
l2≈1,25d2 =1,25х60=75мм
l3 =(0,8..1)хdam=170мм
Предварительно выбираем подшипник 7512 ГОСТ333-79 с внутренним диаметром 60мм, наружным 110мм, шириной 20мм. l4 =22мм.
6.4 Расчет ведомого вала на изгиб с кручением
Для построения эпюр с учетом рис.5 определяем расстояния прилагаемых сил (рис.6).
a=b=l3/2=85мм;
с=l1/2+l2-10=95мм;
d=160мм.
Рис.6 Компоновочный эскиз вала
Заменяем вал балкой на опорах в местах подшипников.
Силу давления цепной передачи на вал FВ раскладываем на составляющие в осях х и у:
FВх= FВy= FВcos45°=346,5Н.
Рассматриваем вертикальную плоскость (ось у)
Изгибающий момент от осевой силы Fа будет: mа=[Fad/2]: mа=2615·16010-3/2; mа=209Нм.
Определяем реакции в подшипниках в вертикальной плоскости.
1mАу=0
-RBy·(a+b)+Fr·a+ mа-FВу(a+b+c)=0
RBy=(-FВу(a+b+c)+Fr·а+ mа)/ (a+b);
RBy= (-346,5·0,265+2252·0,085+209)/ 0,17;
RBy==436,5Н
2mВу=0
RАy·(a+b)-Fr·b- mа+FВу(a+b+c)=0
RАy==(-FВу·c-+Fr·b+ mа)/ (a+b);
RАy =(-346,5·0,095+2252·0,085+209)/ 0,17;
RАy =2162Н
Проверка: FКу=0
RАy -Fr+ RBy -FВу =2162-2252+436,5-346,5=0
Назначаем характерные точки 1,2,2’,3 и 4 и определяем в них изгибающие моменты:
М1у=0;
М2у=-RАy·а;
М2у=-2162·0,085;
М2у =-184Нм;
М2’у= М2у -mа (справа);
М2’у=-184-209;
М2’у =-293Нм;
М3у=FВу·с;
М3у=346,5·0,095=33Нм;
М4у=0;
Строим эпюру изгибающих моментов Му, Нм (рис.7)
Рассматриваем горизонтальную плоскость (ось х)
1mАх=0;
-FВх·(a+b+с)-RВх·(a+b)+ Ft·a=0;
-346,5·(0,085+0,085+0,095)-RВх·(0,085+0,085)+6196·0,085=0;
RВх=434,8/0,17; RВх=2558Н
2mВх=0;
RАх·(a+b)-Ft·b-FВх·с= 0;
RАх=(61910,085+346,50,095)/0,17;
RАх=3286,5Н
Проверка mКх=0;
RАх- Ft +FВх+RВх=2558-6191+346,5-3286,5=0
Назначаем характерные точки 1,2,2’,3 и 4 и определяем в них изгибающие моменты:
М1х=0; М2х= -RАх·а;
М2х=-3286,5·0,085;
М2х=-279Нм; М3х=-FВх ·с;
М3х=-346,5·0,095;
М3х=-33Нм, М4х=0;
Строим эпюру изгибающих моментов Мх.
Крутящий момент
ТI-I=0; ТII-II=T1=Ft·d/2;
ТII-II=619116010-3/2; ТII-II=495Нм.
Рис.7 Эпюры изгибающих и крутящих моментов ведомого вала.
6.5 Расчет коэффициента запаса прочности
В соответствии с рис.7 наиболее опасным является сечение 2-2, в котором имеются концентраторы напряжений от посадки червячного колеса с натягом, шпоночного паза и возникают наибольшие моменты.
Исходные данные для расчета:
М2’у=293Нм;
М2х=279Нм;
Т2-2=495Нм;
d=71мм;
в=20мм – ширина шпонки,
t=7,5мм – глубина шпоночного паза.
При расчете принимаем, что напряжения изгиба изменяются по симметричному циклу, а напряжения кручения – по отнулевому циклу.
Определяем результирующий изгибающий момент:
Нм.
Определяем напряжения изгиба:
σи=Ми/W;
где W – момент сопротивлению изгибу. По [1,табл.22.1]:
мм3
σи=404000/30880=13Н/мм2.
При симметричном цикле его амплитуда равна: σа= σи =95Н/мм2.
Определяем напряжения кручения: τк=Т2-2/Wк; где Wк – момент сопротивлению крученю. По [1,табл.22.1]:
мм3
τк=495000/65025=7,6Н/мм2.
При отнулевом цикле касательных напряжений амплитуда цикла равна:
τа= τк /2=7,6/2=3,8 Н/мм2.
Согласно примечанию к табл. 0.2 [3] в расчет принимаем концентрацию напряжений от посадки зубчатого колеса, для которой по табл.0.5 [3] (интерполируя) Кσ/Кν=3,9; Кτ/Кd=2,8. По табл. 0.3…0.4 [3]: КF=1,0 – для шлифованной посадочной поверхности; Кν=1,0 – поверхность вала не упрочняется. Определяем коэффициенты концентрации напряжении вала:
(Кσ)D=( Кσ/Кν+ КF-1)/ Кν=(3,9+1-1)/1=3,9;
(Кτ)D=( Кτ/Кν+ КF-1)/ Кν=(2,8+1-1)/1=2,8.
Определяем пределы выносливости вала:
(σ-1)D=σ-1/(Кσ)D=383/3,9=98,2 Н/мм2;
(τ-1)D=τ-1/(Кτ)D=222/2,8=79,3 Н/мм2.
Определяем коэффициенты запаса прочности:
sσ=(σ-1)D/ σа=98,2/13=7,5;
sτ=(τ-1)D/ τа=79,3/3,8=20,8.
Определяем расчетный коэффициент запаса по нормальным и касательным напряжениям:
Сопротивление усталости вала в сечении 3-3 обеспечивается.
7 Расчет ведущего вала редуктора-червяка
7.1 Исходные данные
Исходные данные выбираем из табл.3,5,6 с округлением до целых чисел:
Н;
Н;
Н;
Н;
Т2=116,3Н;
d=83,33мм;
b=40мм.
Схема усилий приведена на рис.4.
7.2 Определение диаметров вала
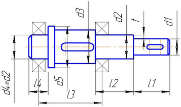
Ведущий вал – червяк (см.рис.8)
Рис.8 Эскиз червяка
Диаметр выходного конца при допускаемом напряжении
(согласно табл. 7.1 [2]):
По ГОСТ принимаем d1 =25мм
Диаметры подшипниковых шеек d2 =d1+2t=25+2х2,2=29,9мм
Принимаем d2 =30мм d3≤df1=47,88
Принимаем d3 =40мм
l1 =(1,2…1,5)d1 =1,4x25=35мм
l2≈1,5d2 =1,5x30=45мм
l3 =(0,8…1)хdam=170мм
l4 – определим после выбора подшипника
7.3 Эскизная компоновка ведущего вала
Назначаем предварительно подшипники шариковые радиально-упорные однорядные средней серии по
мм подшипник №36307, у которого Dп=80мм; Вп=21мм [1,c.394, табл.П3].
Выполняем эскизную компоновку вала редуктора. Необходимо определить длину вала L и расстояния от середины подшипников до точек приложения нагрузок a, b и с (рис.6).
Принимаем
, где
-коэффициент долговечности, принимаем по его минимальному значению 















