124162 (689878)
Текст из файла
93
Содержани
Введение 4
Техническая характеристика изделия. 5
Обоснование выбора конструкции 6
1.1 Задача 8
1.2 Расчетная схема 8
1.3 Данные для расчета 8
1.4 Условия расчета 8
1.5 Выбор двигателя 9
1.6 Определение передаточных отношений 10
1.8 Вывод 15
2 Расчет конической передачи 16
2.1 Задача 16
2.2 Расчетная схема 16
2.3 Данные для расчета 16
2.4 Условие расчета 17
2.5 Выбор материала и расчет допускаемых напряжений 17
2.6 Проектный расчет передачи 18
2.7 Вывод 25
3 Расчет промежуточной прямозубой цилиндрической зубчатой передачи 26
3.1 Задача 26
3.2 Расчетная схема 26
3.3 Данные для расчета 26
3.4 Условие расчета 27
3.5 Выбор материала и расчет допускаемых напряжений 27
3.6 Проектный расчет передачи 28
3.7 Проверочный расчет передачи 32
3.8 Вывод 35
4 Расчет тихоходной прямозубой цилиндрической зубчатой передачи 36
4.1 Задача 36
4.2 Расчетная схема 36
4.3 Данные для расчета 36
4.4 Условие расчета 37
4.5 Выбор материала и расчет допускаемых напряжений 37
4.6 Проектный расчет передачи 38
4.7 Проверочный расчет передачи 42
4.8 Вывод 45
5 Ориентировочный расчет валов 46
5.1 Задачи 46
5.2 Расчетные схемы 46
5.3 Данные 47
5.4 Условия расчета 47
5.5 Расчет быстроходного вала 47
5.6 Расчет 1 промежуточного вала 48
5.7 Расчет 2 промежуточного вала 48
5.8 Расчет тихоходного вала 48
5.9 Вывод 49
6 Эскизная компановка 50
6.1 Цель 50
6.2 Данные для компановки 50
6.3 Условие компановки: 51
7 Проверочный расчёт валов 52
7.1 Цель 52
7.2 Расчётная схема 52
7.3 Данные 52
7.4 Условия 53
7.5 Построение эпюр 53
7.6 Определение коэффициента запаса прочности в опасных сечениях 57
7.7 Вывод 61
9 Шпоночные соединения 66
9.1 Задача 66
9.2 Расчетная схема 66
9.3 Данные 66
9.4 Условия расчета 67
9.5 Подбор соединения 67
9.6 Расчет 67
9.7 Вывод 68
10 Муфты 69
11 Смазка 70
Заключение 71
Список литературы 72
Введение
Редуктором называют механизм, состоящий из зубчатых или червячных передач, выполненный в виде отдельного агрегата и служащий для передачи мощности от двигателя к рабочей машине. Кинематическая схема привода может включать, помимо редуктора, открытые зубчатые передачи, цепную или ременную передачу.
Назначение редуктора — понижение угловой скорости и повышение вращающего момента ведомого вала по сравнению с валом ведущим, понижение числа оборотов. Механизмы для повышения угловой скорости, выполненные в виде отдельных агрегатов, называют ускорителями или мультипликаторами.
Редуктор состоит из корпуса (литого чугунного или сварного стального), в котором помещают элементы передачи - зубчатые колеса, валы, подшипники и т. д. В отдельных случаях в корпусе редуктора размещают также устройства для смазки зацеплений и подшипников (например, внутри корпуса редуктора может быть помещен шестеренчатый масляный насос) или устройства для охлаждения (например, змеевик с охлаждающей водой в корпусе червячного редуктора).
Редуктор проектируют либо для привода по заданной нагрузке (моменту на выходном валу) и определенной машины, либо передаточному числу без указания конкретного назначения. Второй случай характерен для специализированных заводов, на которых организовано серийное производство редукторов.
В данной курсовой работе необходимо спроектировать привод для пластинчатого конвейера. Данный привод состоит из электродвигателя, муфты и трехступенчатого коническо-целендрического редуктора.
Техническая характеристика изделия.
Двигатель
Тип – 4А112М2У3
Мощность – 7.5 кВт
Обороты – 2900 об/мин.
Редуктор
Тип - коническо-цилиндрический трехступенчатый
Передаваемая мощность – 6 кВт;
Передаточное отношение – 35
Обороты быстроходного вала – 2900 об/мин.
Обороты тихоходного вала - 83 об/мин.
Межосевое расстояние – 140 мм
Межосевое расстояние – 200 мм
Привод
Обороты на выходе – 83 об/мин.
Крутящий момент на выходном валу – 697,4 Н·м
Мощность на выходе – 6,06 кВт
Обоснование выбора конструкции
Конические зубчатые колеса применяют в передачах, у которых оси валов пересекаются под некоторым углом. Наиболее распространены передачи с углом =90°.
Конические передачи сложнее цилиндрических в изготовлении и монтаже. Для нарезания конических колес требуются специальные станки и специальный инструмент. Кроме допусков на размеры зубьев здесь необходимо выдерживать допуски на углы, а при монтаже обеспечивать совпадение вершин конусов. Выполнить коническое зацепление с той же степенью точности, что и цилиндрическое, значительно труднее. Пересечение осей валов затрудняет размещение опор. Одно из конических колес, как правило, располагают консольно. При этом увеличивается неравномерность распределения нагрузки по длине зуба. В коническом зацеплении действуют осевые силы, наличие которых усложняет конструкцию опор. Все это приводит к тому, что, по опытным данным, нагрузочная способность конической прямозубой передачи составляет лишь около 0,85 цилиндрической. Несмотря на отмеченные недостатки, конические передачи имеют широкое применение, поскольку по условиям компоновки механизмов иногда необходимо располагать валы под углом.
В трехступенчатых коническо-цилиндрических редукторах коническая пара может иметь прямые, косые или криволинейные зубья. Цилиндрическая пара также может быть либо прямозубой, либо косозубой.
Наиболее употребительным диапазоном передаточных чисел для коническо-цилиндрических трехступенчатых редукторов можно считать и == 8÷15. В качестве максимальных передаточных чисел можно принимать: при прямозубых конических колесах Umax == 22; при конических колесах с круговыми зубьями Umax = 34 (в отдельных случаях Umax = 40).
Асинхронные машины — это машины переменного тока. Слово «асинхронный» означает не синхронный или не одновременный. При этом имеется в виду, что у асинхронных машин частота вращения магнитного поля отличается от частоты вращения ротора. Асинхронные машины, как и все электрические машины, обладают свойством обратимости, т. е. могут работать как в режиме двигателя, так и в режиме генератора. Асинхронные двигатели имеют значительные преимущества по своим свойствам, характеристикам и эксплуатационным данным перед двигателями других типов. Такие двигатели могут быть однофазными, двухфазными и трехфазными; наибольшее распространение имеют трехфазные двигатели.
Трехфазные двигатели изобретены выдающимся русским электротехником М. О.. Доливо-Добровольским в 1889г. Конструкция двигателя, предложенная М. О. Доливо-Добровольским, была настолько проста, надежна и экономична, что в основных чертах сохранилась до настоящего времени. Подавляющее число электрических двигателей, используемых в промышленности, энергетике и других областях, являются асинхронными. Они широко применяются в станках, вентиляторах, насосах, автоматических системах и т. п. Диапазон мощностей асинхронных двигателей, выпускаемых промышленностью, составляет от долей ватта до тысяч киловатт.
Технические характеристики асинхронного двигателя. Число оборотов двигателя стандартизовано и равно 3000, 1500, 1000, 750 об/мин. Мощность двигателя различна и принимает значения в соответствии с его назначением и зависит от числа оборотов.
Муфты упругие втулочные обладают высокой амортизирующей способностью, допускают кратковременные пиковые нагрузки, в 2,5—3 раза превышающие номинальнные. По ГОСТ 20884—75 они предназначены для соединения валов при величине передаваемого вращающего момента от 20 до 40-103 Н-м. Предусматривается изготовление муфт двух типов — с цилиндрическим и с коническим отверстием, и двух исполнений — на длинные и на короткие концы валов с диаметром от 14 до 240 мм.
1 Кинематический расчет
1.1 Задача
Подобрать электродвигатель, разбить передаточные отношения по ступеням и определить силовые и скоростные параметры на валах привода
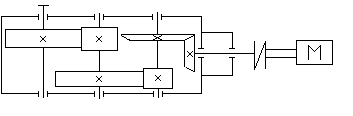
1.2 Расчетная схема
Рисунок 1.1 - Схема для расчета привода пластинчатого конвейера
1.3 Данные для расчета
Таблица 1.1 – Данные для расчета привода пластинчатого конвейера
| Рвых. ,кВт | 6 |
| Uобщ. | 35 |
| Цилиндрическая передача I | прямозубая |
| Цилиндрическая передача II | прямозубая |
| Рама | Сварная |
| Смазка | Окунание |
| Корпус | Литой |
| Муфта | Зубчатая |
1.4 Условия расчета
Двигатель подбираем по требуемой мощности и рекомендуемым оборотам. Передаточное отношение разбиваем согласно рекомендуемых диапазонов.
1.5 Выбор двигателя
Требуемую мощность электродвигателя определяют на основании исходных данных. Если указана мощность Рвых.. кВт, отнесенная к ведомому валу, то необходимая мощность электродвигателя
, кВт (1.1)
где
— коэффициент полезного действия (КПД) привода, равный произведению частных КПД;
-мощность на выходе (из задания), кВт .
(1.2)
- коэффициент полезного действия (КПД), пары подшипников
=0,99 (таблица 1.1 [1]);
-коэффициент полезного действия (КПД), конической зубчатой передачи
=0,96 (таблица 1.1 [1]);
-коэффициент полезного действия (КПД), цилиндрической зубчатой передачи
=0,97 (таблица 1.1 [1]) .
кВт
По найденному значению мощности Ртр., кВт выбирают, как правило, асинхронный электродвигатель трехфазного тока. Выбираем электродвигатель (приложение П3 с.328 [1]). Электродвигатель серии 4А. Исполнение закрытое обдуваемое. Электродвигатель типоразмера 90L2. Номинальная мощность 7.5 кВт и число оборотов 2900об/мин.
1.6 Определение передаточных отношений
Передаточные отношения каждой передачи определяются из диапазонов установленных для каждого вида передач.
Для конической передачи i принимаем из диапазона i =2÷4, в данной курсовой работе iкон.з.п. =2.5.
Для цилиндрических передач i принимаем из диапазона i =2÷6, в данной курсовой работе iпром.з.п.=4.24; iтих.з.п.=3.3.
Для того что бы проверить правильность выбора передаточных отношений необходимо их перемножить и сравнить с общим передаточным отношением.
iобщ.= iкон.з.п.· iпром.з.п ·iтих.з.п
Характеристики
Тип файла документ
Документы такого типа открываются такими программами, как Microsoft Office Word на компьютерах Windows, Apple Pages на компьютерах Mac, Open Office - бесплатная альтернатива на различных платформах, в том числе Linux. Наиболее простым и современным решением будут Google документы, так как открываются онлайн без скачивания прямо в браузере на любой платформе. Существуют российские качественные аналоги, например от Яндекса.
Будьте внимательны на мобильных устройствах, так как там используются упрощённый функционал даже в официальном приложении от Microsoft, поэтому для просмотра скачивайте PDF-версию. А если нужно редактировать файл, то используйте оригинальный файл.
Файлы такого типа обычно разбиты на страницы, а текст может быть форматированным (жирный, курсив, выбор шрифта, таблицы и т.п.), а также в него можно добавлять изображения. Формат идеально подходит для рефератов, докладов и РПЗ курсовых проектов, которые необходимо распечатать. Кстати перед печатью также сохраняйте файл в PDF, так как принтер может начудить со шрифтами.
















