124158 (689874), страница 3
Текст из файла (страница 3)
= arccos [(z · mn) /(2 · aw )] = arccos (97 · 5 / 2 · 250) = 14,07° = 14°4'11,52''
3.3 Проверочный расчет цилиндрической передачи.
Определяем контактные напряжения 6, с.9
где Zн – коэффициент, учитывающий форму сопряженных поверхностей зубьев.
Zн =
где w = t - угол профиля производящей рейки
t = arctg (tg /cos ) = arctg (tg 20 / cos 14°4'11,52'' ) = 20°34'2,82''
Zε - коэффициент учитывающий суммарную длину контактных линий. Для
для косозубых и шевронных передач
= 0,76
ε - коэффициент перекрытия. Для передач выполненных без смещения
1,7314
О
пределяем коэффициент Zε
Zε=
Определяют коэффициент нагрузки
Кн = Кн · Кн · Кн v , где
Кн - коэффициент, учитывающий распределение нагрузки между зубьями. Для прямозубых передач Кн = 1, для косозубых и шевронных передач
Кн = 1 + 2,1 · 10-6 · nст4 · V + 0,02 · (nст - 6) 1,35 =1,1
Кнv - коэффициент, учитывающий динамическую нагрузку в зацеплении (табл. 10), Кн v = 1,016
Кн = Кн · Кн · Кн v = 1,1 · 1,06 x 1,016= 1,1846
Вычислим контактное напряжение по формуле (9)
Найдем
= 5,5 % (запас прочности)
Проверочный расчет зубьев на выносливость при изгибе выполняется по формулам:
F3 = YF3 · Y · (2000 · T11 · KF ) / bw3 · dw3 · mn ≤ Fр3 (10)
F4 = F3 · (bw3 · YF4 / bw4 · YF3 ) ≤ Fр4
где y - коэффициент, учитывающий наклон зуба;
Y = 1 - / 140 = 1 – 14,07/140 = 0,8995
YFj - коэффициент формы зуба;
YFj = 36 · (1-(0,07 / zjv)+ 71 / z2jv)
где Z jv – эквивалентное число зубьев определяется по формуле:
Zjv = Z j / cos 3
Z3v = Z 3 / cos 3 = 18/cos3 14°4'11,52'' = 19,722
Z4v = Z 4 / cos 3 = 79/ cos3 15°4'11,52'' = 86,558
YF3 = 4,2445
YF4 = 3,63
Коэффициент нагрузки КF определяем по формуле:
КF = КF · КF · КFv
где КF для косозубых передач рассчитывают по формуле
КF = 4 + (ε - 1) · (nст - 5) / (4 · ε) = [4 + (1,7314 – 1)·(9-5)]/(4·1,7314)=4,422
КF определяем по формуле
КF = 1 + 15 · (Кн - 1) = 1 + 1,5 · (1,063 – 1 ) = 1,0945
Кfv находим из выражения:
КFv = 1 + f · (Кнv - 1) / н = 1,048
Находим КF :
К F = 1 · 1,0945 · 1,048=1,147
Определяем Fj по формуле (10)
Запас по прочности от 3 до 9 %
3.4 Определение диаметров окружностей зубчатых колес
Начальные окружности:
dw3 = (mn · z3 ) / cos = 5 · 18 / cos 14°4'11,52'' = 92,7835 мм
dw4 = (mn · z4) / cos = 5 · 77 / cos 14°4'11,52'' = 396,9072 мм
Окружность вершин зубьев:
da3 = d w3 + 2 · mn = 92,7835 + 2 · 5 = 102,7835 мм
da4 = d w4 + 2 · mn = 396,9072 + 2 · 5 = 406,9072
Окружность впадин зубьев:
d f3 = d w3 - 25 · mn= 92,7835 – 2,5 · 5 = мм
d f4 = d w4 - 25 · mn = 396,9072 – 2,5 · 5 =384,4072 мм
3.5 Определение сил в цилиндрической косозубой передаче
Окружная сила:
Ft3 = Ft4 = 2 · T 2 · 103 / w3 = 2 · 955 · 103 / 92,7835 = 20 585 Н
Радиальная сила
Fr3 = Fа4 = Ft3 · tg / cos = 20 585 · tg 20° / cos 14°4'11,52'' = 7 725 Н
Осевая сила:
Fa3 = Far4 = Ft3 · tg = 20 585 · tg 14°4'11,52'' = 5 160 H
4. Расчет валов. Подбор подшипников
4.1 Предварительный расчет валов
Редукторный вал представляет собой ступенчатое цилиндрическое тело, размеры и количество ступеней которого зависят от количества и размеров установленных на вал деталей.
Диаметр выходного конца ведущего (быстроходного) вала обычно принимают близким к диаметру вала электродвигателя, что позволяет использовать стандартную муфту для соединения выходных концов валов. Ориентировочно определяют диаметр di выходного конца вала из расчета на чистое кручение по пониженным допускаемым напряжениям. Это позволяет учесть влияние изгиба на величину эквивалентных напряжений на концевых участках валов 1, с. 31)
di1 3 (16 · T i · 103) / ·
где i - порядковый номер вала (1 - для быстроходного вала, 2 - для промежуточного вала, 3 - для тихоходного вала);
T i - крутящий момент на соответствующем валу, Н∙м
- заниженное значение допускаемых касательных напряжений, МПа
(для сталей 40, 45 принимают = 15…20 МПа)
4.1.1 Быстроходный вал
Диаметр выходного участка вала
45,8 мм
Полученное значение округляют до ближайшего из ряда Ra 40 по ГОСТdL1 = 50 мм. Для удобства соединения вала редуктора с валом электро-двигателя стандартной муфтой соблюдают условие, чтобы диаметры соединяемых валов имели размеры, отличающиеся не более чем на 20% 1, с. 32), т.е. d L1’ = (0,8 – 1,2) · d, где d - диаметр вала электродвигателя, определяемый по каталогу, d =60 мм (по ряду Ra 40).
4.1.2 Промежуточный вал
Определяем диаметр опасного сечения под колесом по пониженным допускаемым касательным напряжениям = 20 МПа,
62,42 мм
Принимаем ближайшее большее значение из стандартного ряда Ra 40 dLL2 =65 мм
4.1.3 Тихоходный вал
Диаметр выходного конца вала находим при пониженном допускаемом напряжении = 20 МПа,
101,87 мм
Принимаем d L 1 = 110 мм (ряд Ra 40)
4.2 Первый этап эскизной компоновки
Первый этап эскизной компоновки выполняется с целью определения расстояний между сечениями валов, в которых приложена нагрузка, и сечениями, контактирующими с опорами.
Эскизную компоновку рекомендуется выполнять в масштабе 1:1 на миллиметровой бумаге. Достаточно сделать одну проекцию - разрез по плоскости, в которой лежат оси валов. Последовательность выполнения первого этапа изложена в работах 1 - 4.
4.3 Подбор и проверка шпонок
Для соединения вала с деталями, передающими кручение, часто используют призматические шпонки.
Рассмотрим пример. Пусть нужно установить шпонку на промежуточном вале под коническим колесом. Выбираем призматическую шпонку по диаметру dL1 = 70 мм по ГОСТ 23360-78 (рис. 1) 5,с. 20. Размеры шпонки: ширина b=20мм, высота h = 12 мм, глубина паза вала t1 = 7,5 мм, глубина паза втулки t2=5,8 мм. Длину шпонки Lшп назначают из стандартного ряда таким образом, чтобы она была на 5 - 10 мм меньше длины ступицы колеса Lст, Lшп = L ст - (5 - 10). Длину ступицы принимают 5, ñ.30 в зависимости от диаметра d вала под ступицей: для цилиндрической передачи Lст = (1-1,5) · d; для конической передачи Lст = (1-1,2) · d.
Длина шпонки Lшп’ = Lст - (5 - 10) = 75 – 12 = 63 . Выбираем Lшп = 63. Шпонка 20 х 12 х 63 по ГОСТ 23360 – 78.
Напряжение смятия узких граней шпонки не должно превышать допускаемого
см = 100 МПа, т.е.
см = 2 · Т · 10 3 / d · Lp · (h – t1) см
где Т - крутящий момент, передаваемый валом, Нм; d - диаметр вала в месте установки шпонки (в нашем примере d = d L 2 = 70 мм;
L р= Lшп - b = 70-20=50
см = 99,2 МПа см
На промежучочном валу - шпонка 20x12x70 ГОСТ 23360-78.
4.4 Конструктивные размеры зубчатых колес
Размеры элементов зубчатых колес определяем по рекомендациям, приведенным в работах 1,3 - 5.
4.5 Силы в зубчатых прердачах
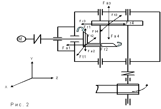
Для определения направлений сил в зубчатых передачах и угловых скоростей в данный момент времени следует воспользоваться показанным на рис. 2 направлением окружной скорости ленты (на кинематической схеме колеса условно раздвинуты). Привод реверсивный, в случае изменения направления вращения в конической передаче окружные усилия Ft1 и Ft2 и в цилиндрической передаче окружные усилия Ft3 и Ft4 и осевые усилия Fа3 и F а4 поменяют направления на противоположные.
4.6 Расчетные схемы валов
Опорные реакции, эпюры изгибающих и крутящих моментов.
4.6.1 Быстроходный вал
Определение расстояний между опорами.
Размер от dae1 до среднего диаметра шестерни
с1 = 0,5 · bw1 · cos 1 = 0,5 · 45 · cos 14° = 21,8 мм
Принимаем зазор между dae1 и торцом подшипника 1 = + m, где m - расстояние от внутренней стенки корпуса до подшипника, m = 10 мм.
Рис. 2. Определение направления действующих сил.
Для подшипников быстроходного вала выбираем консистентную смазку вследствие значительной удаленности одного из подшипников от картера редуктора. Следовательно, этот подшипник не будет смазываться масляным туманом даже при высоких окружных скоростях. Поэтому рекомендуется на этом валу устанавливать мазеудерживающее кольцо и принимать
m = 10 мм.
- расстояние между dae1 и внутренней стенкой корпуса;
L1= 44,95 мм – с компоновки
L = 100 – с компоновки
Подшипник 7212А d = 60 , D = 110, Т = 23,75, В = 22, L = 100
Точка приложения радиальной реакции в опорах расположена в средней плоскости подшипника и может быть определена по выражению
а = Тп /2 + е · (D + d) /6,
где Тп - ширина подшипника;
D - наружный диаметр подшипника;
d - диаметр вала под подшипником;
е - параметр осевого нагружения подшипника.
а = 20,375
Определяем размер Lп1.
Lп1 = L + 2 · (Тп - а1 ) = 89,63 мм
Определяем размер L1.
L1 = 45 мм
Определение составляющих опорных реакций и изгибающих моментов.
Рассмотрим плоскость YOZ. Составим уравнение равновесия суммы моментов относительно опор А и В вала:
Σ МAY = 0 Σ МBY = 0
Fr1 · (L1 + Ln1) - Fa1 · dm1 / 2 + RBy · Ln1 =0;
Fr1 · L1 - Fa1 · dm1 / 2 + RАy · Lп1 = 0;
Проверим правильность нахождения реакций RAY и RВY , для этого составим третье уравнение равновесия – сумму проекций всех сил на ось Y:
Y = 0; - RAY + RBY + Fr1 = -1739+209+1530=0
Построение эпюры изгибающих моментов.
Участок 1:
МZ1 = 0; 0 · Z1 = МZ1
Участок 2:
МZ2 = 0; RAY · Z2 = М2
0 Z2 Ln1
Z2 = 0 МZ2 = 0.
Z2 = Ln1 МZ2 = RAY · Ln1 = 1739 · 0,08963 = 156 H·м
Участок 3:
МZ3 = 0; RAY · (Ln1 + Z3) = RBY · Z3 = МZ3
0 Z3 L1
Z3 = 0 МZ3 = RAY · Ln1 = 1739 · 0,08963 = 156 H·м
Z3 = L1
МZ3=RAY (Ln1+L1)-RBY·L1=1739(0,08963+0,045)-209·0,045=225Н·м
Рассмотрим плоскость XOZ.
Σ МAX = 0 Σ МBX = 0
RBx x Ln1 – Ft1 · (Ln1 + L1) = 0
RBХ x Ln1 – Ft1 · L1= 0
RBХ = Ft1 · (1 + L1/ Ln1) = 6581,4·(1+45/89,63)=9885,6 H
RАХ = Ft1 · L1 / Lп1= 6581,4·45/89,63 = 3304,3 Н
Х = 0 RВY - RАY - Ft1 = 7383-2007-5376 = 0
Участок 1:
МZ1 = 0; 0 · Z1 = МZ1
Участок 2:
МZ2 = 0; RAХ · Z2 = М2
0 Z2 Ln1
Z2 = 0 МZ2 = 0.
Z2 = Ln1 МZ2 = RAХ · Ln1 = 3304,3 · 0,08963 = 296 Н
Участок 3:
МZ3 = 0; RAХ · (Ln1 + Z3) = RBХ · Z3 = МZ3
0 Z3 L 1
Z3 = 0 МZ3 = RAХ · Ln1= 3304,3 · 0,08963 = 296 Н
Z3 = L1
МZ3=RAХ·(Ln1+L1)-RBХ·L1= 3304,3·(0,08963+0,045)-9885,6·0,045=0
Крутящий момент нагружает быстроходный вал на всей длине:
Т1 = 283 Н · м.
Суммарные радиальные нагрузки на опоры равны:
Суммарный изгибающий момент в опасном сечении под подшипником в опоре В:
Промежуточный вал
Принимаем с компоновки:
L2=95,2
L3=88,4















