124147 (689863)
Текст из файла
Министерство образования и науки Российской Федерации
Федеральное агентство по образованию
Государственное образовательное учреждение высшего профессионального образования
Восточно-Сибирский государственный технологический университет
Институт пищевой инженерии и биотехнологии
Кафедра «Биомедицинская техника, процессы и аппараты пищевых производств»
Допущен к защите
Зав. кафедрой
_________________
«___»__________200__г.
КУРСОВАЯ РАБОТА
по дисциплине «Гидравлика»
Тема: Расчет гидросистемы с параллельно включенным дросселем
Исполнитель:
студент (ка)
группа
Руководитель проекта
Улан-Удэ, 2009
ФЕДЕРАЛЬНОЕ АГЕНСТВО ПО ОБРАЗОВАНИЮ
ВОСТОЧНО-СИБИРСКИЙ ГОСУДАРСТВЕННЫЙ
ТЕХНОЛОГИЧЕКИЙ УНИВЕРСИТЕТ
ЗАДАНИЕ № 8
на курсовую работу
Студента 3 курса
Фамилия_____________ Имя _______Отчество___________
Время выдачи задания « 9 » марта 2009 г.
Срок выполнения работы « 27 » апреля 2009 г.
Защита работы назначена на « 4 » мая 2009 г.
1. Тема работы Расчет гидросистемы____________________________________________________________________________________________________________________________________________________________________________________________________________________________________________________________
2. Исходные данные к работе l01=0,4 (м); l13=0,4 (м); l12=2,0 (м); l23=2,8 (м); l30=0,6 (м); U=1,0 (м/с); fп=10·10-4 (м2); Fп=600 (Н)________________________________________________________________________________________________________________________________________________________________________________________________________________________________________________________________________________________________________________________________________________________________________________________________________________________________________________________________________________________________________________________________________________________________________________________________________________________________________________________________________________________________________________________________________________________________________________________________________________________________________________________________________________________
3. Содержание расчетно-пояснительной записки (перечень подлежащих разработке вопросов)________________________________________________
Определение оптимальных скоростей движения жидкости в гидролиниях_____________________________________________________
Выбор жидкости, применяемых в гидросистемах__________________
Расчет гидролиний_____________________________________________
Расчет простой гидролинии_____________________________________
Расчет разветвленных гидролиний________________________________
Расчет параллельных соединений гидролиний______________________
Выбор оптимальных диаметров гидролиний_______________________
Определение гидравлических сопротивлений______________________
Построение напорной, пьезометрической линий____________________
Подбор оборудования__________________________________________
Литература, пособия
Вильнер Я.М. Справочное пособие по гидравлике, гидромашинам и гидропроводу. - Минск: Высшая школа, 1996.
Полякова Л.Е., Ямпилов С.С, Блекус В.Г., Норбоева Л.К., Хантургаев А.Г., Хараев Г.И., Цыбенов Ж.Б.. Методическое пособие по выполнению курсовых проектов и работ по дисциплинам «Гидравлика, гидравлические машины и гидропривод» и задания. Улан-Удэ 2006.
График выполнения курсовой работы:
с 9 марта по 19 марта Определение оптимальных скоростей движения жидкости в гидролиниях; Выбор жидкости, применяемых в гидросистемах; Расчет гидролиний
с 19 марта по 26 марта Расчет простой гидролинии; Расчет разветвленных гидролиний; Расчет параллельных соединений гидролиний
с 26 марта по 10 апреля Выбор оптимальных диаметров гидролиний; Определение гидравлических сопротивлений
с 10 апреля по 27 апреля Построение напорной, пьезометрической линий;
Подбор оборудования_________________________________________
____________________________________________________________________________________________________________________________________
Руководитель
Задание принял к исполнению__________________________________
Введение
При расчете курсовой работы необходимо знать: источники энергии (насосы), потребители энергии (гидродвигатели и др.) и уметь их увязывать в гидросистему.
В практике встречаются две задачи:
а) по исходным параметрам потребителя энергии (расходу, давлению, усилию, моменту и т.д.) требуется провести расчет гидролиний и определить исходные параметры для выбора источника энергии.
б) по имеющимся параметрам источника энергии определить возможность использования его с данным потребителем, т. е. провести проверочный расчет.
В основе решения этих задач лежит расчет гидролиний, т. е. определение потерь энергии в гидролиниях, диаметров трубопроводов, скорости движения жидкости, расходы жидкости, давлений.
Гидравлический расчет является составной частью инженерного расчета, который учитывает множество факторов: условия эксплуатации и надежность, экономические и технологические соображения, условия максимума унификации деталей и материально-технического снабжения и т.д. Поэтому, как правило, приходится выполнять несколько вариантов гидравлического расчета. Однако на данном этапе подготовки специалиста у него нет опыта и знаний, необходимых для учета всех факторов; инженерный расчет студенты выполняют при дипломном проектировании. Поэтому в данном методическом указании не рассматриваются другие стороны инженерного расчета.
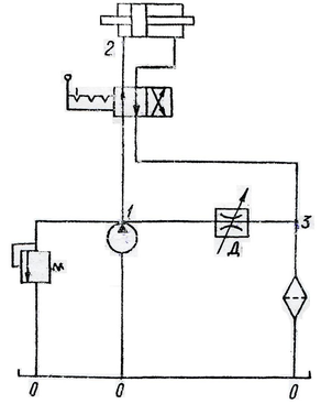
Гидросхема
| l01; l13 | l12 | l23 | l30 | Umax | Umin | fп | Fп | жидкость |
| 0,4 | 2,0 | 2,8 | 0,6 | 1,0 | 0,01 | 10·10-4 | 600 | АМГ-10 |
Насос при закрытом дросселе подает жидкость в гидроцилиндр и, далее, жидкость через фильтр сливается в бак, при этом скорость поршня гидроцилиндра максимальна. При полностью открытом дросселе только часть жидкости, подаваемой насосом, проходит в гидроцилиндр, в этом .случае скорость движения поршня будет максимальной. Предохранительный клапан предохраняет гидросистему от перегрузок
Определить тип насоса, подобрать гидроаппаратуру. Рассчитать мощность, подачу давления насоса, диаметры гидролиний, ударное повышение давления в точке 1, перепад давления на клапане. Построить напорную линию. Подобрать элементы гидросистемы.
Скорости движения жидкости в гидролиниях
Приступая к гидравлическому расчету гидролинии надо иметь в виду, что не всегда решение можно получить чисто гидравлическими методами. В этих случаях прибегают к технико-экономическому расчету. Дело в том, что с увеличением скорости резко возрастают потери энергии в гидролиниях, а с уменьшением скорости возрастает металлоемкость конструкции. Поэтому в каждом случаи существует оптимальные значения диаметров трубопроводов и скорости движения жидкости, при которых сумма годичных эксплуатационных и капитальных затрат оказывается минимальной. Это с одной стороны, а с другой стороны в различных отраслях промышленности к гидросистемам предъявляются различные требования, которые оказывают влияние на величину оптимальных значений диаметров и скорости.
Оптимальные значения диаметра трубопроводов и скорость движения жидкости в различных отраслях техники различны.
В общем машиностроении принято ограничивать скорость в зависимости от давления.
а) при коротких трубопроводах (l/d < 100) скорости находятся в пределах:
всасывающие – 0,5-1,5;
сливные – 2;
напорные – 3-5;
б) при длинных трубопроводах (l/d > 100) скорости находятся в пределах:
всасывающие – 0,3-0,8;
сливные – 1,2;
напорные – 2-2,5;
Однако, надо иметь в виду, что в общем случае скорости надо принимать так, чтобы потери давления в гидролиниях не превышали 5-6 % рабочего давления.
Жидкости, применяемые в гидросистемах
В гидросистемах, в зависимости от назначения, применяются различные жидкости: в моечных машинах – моющие жидкости, которые по своим свойствам близки к воде; в системах гидропривода – различные масла.
Физические свойства жидкости
| Жидкость | Вязкость при 50°С υ50·106 м2/с | Пределы рабочих температур, °С | Плотность ρ, кг/м3 | Модуль упругости Е, МПа |
| АМГ-10 | 10 | -60 - +100 | 900 | 1305 |
Модуль упругости и плотность жидкости в пределах рабочих температур практически не меняются.
Расчет гидролиний
Гидролинии бывают довольно сложные: имеются ответвления, изменяются диаметры труб и материал. Для удобства расчета гидролинии подразделяются на простые и сложные. Простая гидролиния - прямая труба постоянного диаметра. Сложные гидролинии имеют ответвления, однако любую сложную гидролинию можно представить как совокупность простых. Простая гидролиния гидравлически определена, если известны гидродинамические напоры или давления на ее концах, диаметр и расход жидкости. На практике встречаются три задачи о простой гидролинии: в первой требуется найти потери удельной энергии, во второй - диаметр, в третьей - расход жидкости
Гидролиния 0-1
Т.к. гидролиния 01 всасывающая, как принято в общем машиностроении скорость принимаем 0,5-1,5 м/с
диаметр гидролинии выбирается по ГОСТ 8734-58
Находим Vдейст
режим движения жидкости характеризуют числом Рейнольса
т.к. Re>2320 тип движения жидкости ламинарный
Коэффициент Дарси определяется в зависимости от режима движения жидкости. При ламинарном режиме определяем по формуле Блазиуса
Потери гидродинамического напора или давления определяются формулой Дарси-Вейсбаха.
Коэффициент местного сопротивления выбираем по табл.5 из Методического пособия по выполнению курсовых работ по дисциплинам "Гидравлика, гидравлические машины и гидропривод"
потери давления определяются как сумма потерь по длине и в местных сопротивлениях
Гидролиния 1-2
Т.к. гидролиния 1-2 напорная, как принято в общем машиностроении скорость принимаем 3-5 м/с
диаметр гидролинии выбирается по ГОСТ 8734-58
Находим Vдейст
режим движения жидкости характеризуют числом Рейнольса
т.к. Re>2320 тип движения жидкости ламинарный
Коэффициент Дарси определяется в зависимости от режима движения жидкости. При ламинарном режиме определяем по формуле Блазиуса
Характеристики
Тип файла документ
Документы такого типа открываются такими программами, как Microsoft Office Word на компьютерах Windows, Apple Pages на компьютерах Mac, Open Office - бесплатная альтернатива на различных платформах, в том числе Linux. Наиболее простым и современным решением будут Google документы, так как открываются онлайн без скачивания прямо в браузере на любой платформе. Существуют российские качественные аналоги, например от Яндекса.
Будьте внимательны на мобильных устройствах, так как там используются упрощённый функционал даже в официальном приложении от Microsoft, поэтому для просмотра скачивайте PDF-версию. А если нужно редактировать файл, то используйте оригинальный файл.
Файлы такого типа обычно разбиты на страницы, а текст может быть форматированным (жирный, курсив, выбор шрифта, таблицы и т.п.), а также в него можно добавлять изображения. Формат идеально подходит для рефератов, докладов и РПЗ курсовых проектов, которые необходимо распечатать. Кстати перед печатью также сохраняйте файл в PDF, так как принтер может начудить со шрифтами.
















