124086 (689813)
Текст из файла
Расчетно-пояснительная записка
к курсовому проекту по технологии
Дисциплина: «Технология сборки машин »
Тема Курсового проекта
Разработка технологического процесса сборки «Штамп»
Содержание:
Введение
-
Описание конструкции изделия и условий работы, технические характеристики; необходимые методы технологических испытаний
-
Анализ технологичности изделия
-
Описание схемы сборки, обоснование технологического маршрута
-
Подбор оборудования, оснастки
-
Расчет технологических параметров сборки
-
Расчет размерных цепей
-
Нормирование операций
-
Описание сборочного приспособления
-
Описание схемы установки
Список использованной литературы
Введение
Выполнение курсового проекта по курсам «Технология сборки ВРД», «Технология сборки машин», является одним из основных этапов практической подготовки инженеров. Практические навыки, приобретенные студентами в период самостоятельной работы над проектом, способствуют закреплению теоретических знаний, полученных в лекционных курсах.
В данном курсовом проекте разрабатывается технологический процесс сборки штампа, предназначенного для серийного производства деталей. Выполняется расчет технологических параметров сборки:
-
Расчет усилий запрессовки
-
Расчет усилий затяжки резьбовых соединений
-
Выявление и расчет сборочных размерных цепей
Так же производится подбор оборудования и оснастки, нормирование сборочных операций. Для контроля работоспособности редуктора разрабатывается структурная схема испытательного стенда. Приводится описание приспособления для запрессовки – оправки.
Курсовой проект выполнен в современных программных пакетах, таких как «AutoCAD», «Unigraphics».
Приводится методика расчета сборочных размерных цепей в системе «Unigraphics». Параллельно приводится расчет размерных цепей аналитическим методом. Спроектирована объемная модель редуктора, с последующей визуализацией процесса сборки.
1. Описание конструкции изделия и условий работы, технические характеристики
Штамп предназначен для пробивки отверстий и обрубки по контуру заготовок.
Штамп состоит из двух плит, плита верхняя и плита нижняя, которые собираются отдельно и позиционируются относительно друг друга на одной из последней операции. Все детали штампа кроме пуансонов, изготавливаются из стали 45 ГОСТ1050-88. Штамп крепится на станине автоматической линии специальными уголками с помощью винтов. В направляющей и нижней плитах выполнен сквозной паз для точной фиксации листа. В верхнюю плиту ввинчена специальный хвостовик, служащая для подъема верхней плиты вверх, после того как произошла обрубка. Отходы падают в низ, в тару. Пунсоны встают в пуансоно-держатель по посадке с зазором, а направление их происходит с помощью направляющей плиты.
Технические характеристики:
1. Масса штампа m= 46,8 кг.
2. Габаритные размеры, мм 246×220×185
3.Усилие пробивки, т 9,5
2. Анализ технологичности штампа
Под технологичностью конструкции изделия понимают совокупность свойств конструкции, позволяющих вести технологическую подготовку производства, изготавливать, эксплуатировать и ремонтировать изделие при наименьших затратах труда, средств, времени и материалов по сравнению с однотипными конструкциями изделий того же назначения при обеспечении установленных показателей качества (ГОСТ 18831-73). Технологичность конструкции сборочной единицы, являющейся составной частью изделия, должна иметь те же свойства и обеспечивать технологичность изделия, в состав которого она входит.
По области проявления технологичности различают производственную технологичность конструкции и эксплуатационную. Производственная технологичность проявляется в сокращении затрат средств и времени на конструкторскую подготовку производства (КПП), технологическую подготовку производства (ТПП), процессы изготовления деталей, сборку и испытание; эксплуатационная— в сокращении затрат средств и времени на техническое обслуживание и ремонт изделия.
Технологичность конструкции оценивается качественно и количественно.
3. Описание схемы сборки, обоснование технологического маршрута
Для данного штампа предлагается следующая схема сборки.
-
Общая схема сборки:
4. Подбор оборудования, оснастки
При сборке данного штампа используется следующий инструмент:
Операция 010. Слесарно-сборочная.
Направляющая втулка запрессовывается в верхнюю плиту по посадке H8/u8 с усилием запрессовки Fз=
H. В качестве оборудования выбран пресс гидравлический усилием 10 тонн.
Направляющие колонки запрессовываются нижнюю плиту по посадке H8/u8 с усилием запрессовки Fз=
H. В качестве оборудования выбран пресс гидравлический усилием 10 тонн.
Матрица устанавливается по посадке H7/m6 так как посадка переходная выбран молоток 7850-0117 ГОСТ 2310-77.
Болты затягиваются Ключ торцовый 10-80 ГОСТ 1068-54
5. Расчет технологических параметров сборки
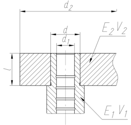
Расчет натягов втулки.
1) Направляющая втулка в плиту верхнюю.
Ø33H8
ES=0,039
IS=0
Ø33u8:
es=+0,099
is=+0,06
Nmin=is-ES=0,06-0,039=0,021
Nmax=es-IS=0,099-0=0,099
TΔ=Nmax-Nmin=0,099-0,021=0,078
2) Направляющая колонка в плиту нижнюю.
Ø20H8
ES=0,033
IS=0
Ø33u8:
es=+0,081
is=+0,048
Nmin=is-ES=0,048-0,033=0,015
Nmax=es-IS=0,081-0=0,081
TΔ=Nmax-Nmin=0,081-0,015=0,066
3) Матрица в плиту нижнюю посадка 138 H7/m6.
Ø138H7
ES=0,04
IS=0
Ø138m6:
es=+0,04
is=+0,015
Smax= ES- is=0,04-0.015=0,025
Nmax=es-IS=0,04-0=0,04
TΔ=Nmax+ Smax =0,04-0,025=0,065
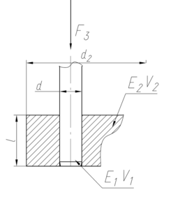
Расчет усилия запрессовки.
Посадка осуществляется с натягами Fz.
Усилие запрессовки рассчитывается по формуле:
где Nmax – максимальная величина натяга в посадке, конструктивно заданная, [м];
fmax – максимальный коэффициент трения в посадке, определяемый материалами деталей соединения, шероховатостями поверхностей, наличием смазки;
λ1,λ2 - коэффициенты радиальной податливости вала и втулки соответственно;
l – длина посадочного размера [м].
Коэффициенты радиальной податливости определяют по формуле:
;
.
где: d –диаметр посадки [м];
Е1, Е1 – Модули упругости материалов вала и втулки [Н/м²];
ν1, ν2- Коэффициенты Пуассона материалов вала и втулки соответственно;
λ1. Результаты расчетов представлены в таблицах 1,2.
Табл.1
| Характеристика | ||
| тип | Ед.изм. | Втулка |
| d | м | 0,033 |
| d1 | м | 0,020 |
| d2 | м | 0,06 |
| E1 | Н/м |
|
| E2 | Н/м |
|
|
| 0,3 | |
|
| 0,3 | |
|
|
| |
|
|
| |
| L | м | 0,036 |
| fmax | 0,13 | |
| Nmax | м |
|
| F3 | Н |
|
Аналогично считаем усилие запрессовки колонки
| Характеристика | ||
| тип | Ед.изм. | Колонка |
| d | м | 0,02 |
| d1 | м | 0,00 |
| d2 | м | 0,06 |
| E1 | Н/м |
|
| E2 | Н/м |
|
|
| 0,3 | |
|
| 0,3 | |
|
|
| |
|
|
| |
| L | м | 0,046 |
| fmax | 0,13 | |
| Nmax | м |
|
| F3 | Н |
|
Аналогично считаем усилие запрессовки матрицы
| Характеристика | ||
| тип | Ед.изм. | Колонка |
| d | м | 0,138 |
| d1 | м | 0,00 |
| d2 | м | 0,18 |
| E1 | Н/м |
|
| E2 | Н/м |
|
|
| 0,3 | |
|
| 0,3 | |
|
|
| |
|
|
| |
| L | м | 0,014 |
| fmax | 0,13 | |
| Nmax | м |
|
| F3 | Н |
|
6. Расчет сборочных размерных цепей
Расчет размерных цепей производим в программе «Unigraphics NX3 ».
Характеристики
Тип файла документ
Документы такого типа открываются такими программами, как Microsoft Office Word на компьютерах Windows, Apple Pages на компьютерах Mac, Open Office - бесплатная альтернатива на различных платформах, в том числе Linux. Наиболее простым и современным решением будут Google документы, так как открываются онлайн без скачивания прямо в браузере на любой платформе. Существуют российские качественные аналоги, например от Яндекса.
Будьте внимательны на мобильных устройствах, так как там используются упрощённый функционал даже в официальном приложении от Microsoft, поэтому для просмотра скачивайте PDF-версию. А если нужно редактировать файл, то используйте оригинальный файл.
Файлы такого типа обычно разбиты на страницы, а текст может быть форматированным (жирный, курсив, выбор шрифта, таблицы и т.п.), а также в него можно добавлять изображения. Формат идеально подходит для рефератов, докладов и РПЗ курсовых проектов, которые необходимо распечатать. Кстати перед печатью также сохраняйте файл в PDF, так как принтер может начудить со шрифтами.
















