197503 (689771), страница 2
Текст из файла (страница 2)
Детали, входящие в образованную группу, должны иметь:
- однородные по форме и расположению поверхности, обеспечивающие базирование и закрепление в рабочей зоне обрабатывающего оборудования без дополнительной выверки;
- явно выраженные базы и признаки ориентации, позволяющее организовать их транспортирование и складирование в ориентированном положении с использованием стандартной оснастки;
- конструкцию, обеспечивающую надежность захвата, удержания и переноса ее захватными устройствами промышленного робота.
Кроме этого, конструкции деталей должны быть технологичными, соответствовать общим правилам, установленным ГОСТ 14.201-83.
При конструировании деталей необходимо из геометрических элементов (цилиндр, конус, сфера, канавка, резьба) комплексной детали составить более простую деталь, отвечающую перечисленным выше рекомендациям, при этом геометрические элементы можно менять местами, уменьшать или увеличивать их диаметральные и линейные размеры.
В процессе проектирования каждой детали присваивается свой конструкторско-технологический код. Конструкторский код содержит код организации разработчика (в курсовой работе - КГТУ), код классификационной характеристики, порядковый регистрационный номер.
Технологический код устанавливают по технологическому классификатору.
Эскизы деталей и их конструкторско-технологический код представим в виде таблицы 2.2.1.
Разработку технологического процесса и РТК будем производить на основании детали, имеющей в своей конструкции наибольшее число составляющих элементов.
Приведем расчет веса каждой детали. Формула для определения веса имеет следующий вид:
/2,с. 79/
где V – объем заготовки;
ρ – удельный вес, для чугуна: ρ=7,6 г/см3;
d – диаметр заготовки, см;
L – длина заготовки, см;
Получим вес для детали №1.
Вес 1 участка детали:
По аналогии рассчитаем вес остальных участков:
G7=2,01; G12=8,59; G14=21,92; G15=28,63; G16=15,46; G17=30,54; G18=26,84
Тогда общий вес детали будет равен:
G1∑= G2+ G7+ G12+ G14+ G15- G16+ G17- G18=
= 2,01+8,59+21,92+28,63+15,46+30,54-26,84 =102,08 (кг)
Вес остальных деталей определим аналогично, результаты расчета представим в виде таблицы:
Таблица 2.2.1 Вес деталей группы
| Порядковый номер детали | 1 | 2 | 3 | 4 | 5 |
| Вес детали G, кг | 102,08 | 142,94 | 70,23 | 116,78 | 174,87 |
По данным таблицы 2.2.1 произведем кодирование деталей.
Таблица 2.2. Комплексная деталь и детали группы
| |
| Комплексная деталь |
| |
| ПИСФУ.40.XXXX.001.723431.2433710Л |
| |
| ПИСФУ.40.XXXX.002. 723431.2433710Л |
| |
| ПИСФУ.40.XXXX.003. 723431.2433710К |
| |
| ПИСФУ.40.XXXX.004. 723431.2433710Л |
| |
| ПИСФУ.40.XXXX.005. 723431.2433710М |
2.3 Разработка последовательности изготовления детали
Материал детали - чугун ВЧ38-17, масса m=161,32 кг. Для данной детали исходной заготовкой является отливка, поэтому для получения заготовки необходимо назначить припуски на максимальные размеры, исходя из экономичности, т.к. в получаемой детали часть материала будет удалена в виде стружки.
Данная отливка относится к ІІ классу точности, обеспечивается формовкой с механизированным выемом деревянной модели, закрепляемой на легкосъемных металлических плитах, из форм и с заливкой в сырые и подсушенные формы. Этот способ применяют для получения отливок в серийном производстве.
По данным таблицы 3 /4. с.120/ назначаем припуски на отдельные поверхности для ІІ класса точности:
Ø30+1,2; Ø40-1,5; Ø420-1,5; Ø430-1,5; Ø440-1,5; Ø480-1,5;
Данная деталь относится к 1 классу сложности /1. с.127/. Для детали рекомендуется принимать отклонения по 18 квалитету /1. с. 133, таблица 14/. Исходя определим размеры отливки:
| Ø30+1,2 -5,3=24,7+1,2; | Ø40+1,2 - 6,1=33,9-1,5; | Ø440-1,5+8,9=448,9-3,2; |
| Ø420-1,5+8,9=428,9-1,5; | Ø430-1,5+8,9=438,9-1,5; | Ø480-1,5+8,9=488,9-1,5; |
Для отливки также необходимо назначить уклоны для облегчения удаления из формы модели и стержня. Принимаем уклоны равными 1˚, литейные радиусы R=5 мм.
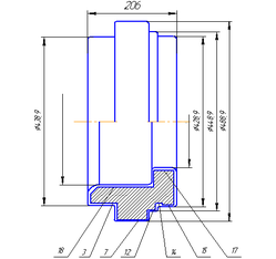
Ниже приведем совмещенный чертеж детали с заготовкой:
Рисунок 2.3.1 Совмещенный чертеж детали с заготовкой
Важным этапом проектирования является выбор технологических баз. Базирование детали осуществляется в патроне. Подробная схема базирования представлена в таблице 2.3.1.
Выбор технологических баз:
- осуществляется на основании следующих общих положений:
1) На первой операции при обработке литых заготовок можно использовать не обработанные поверхности с наименьшими припусками
2) при переходе от одной операции к другой необходимо соблюдать принципы совмещения и постоянства баз.
3) В случае отсутствия надежных технологических баз можно создавать искусственные базы.
Выбор метода обработки зависит от требований, предъявляемых к точности обработки, точности размеров, формы и параметров шероховатости поверхностей деталей. Выбор этих параметров осуществляется на основании таблиц средней экономической точности различных методов механической обработки /4,с.6 - 18/.
На данном этапе проектируется маршрутный технологический процесс изготовления детали, который предусматривает определенную последовательность выполняемых операций.
Приведем вид обработки для каждой поверхности :
поверхность 3 – черновое, чистовое точение, тонкое точение.
поверхность 12 – черновое точение;
поверхность 7 – черновое точение;
поверхность 14 – черновое точение;
поверхность 15 – черновое точение;
поверхность 17 – черновое растачивание;
поверхность 18 – чистовое растачивание;
Таблица 2.2. Маршрутный технологический процесс
2.4 Выбор технологического оборудования, промышленного робота и вспомогательных устройств
Данный этап проектирования связан с разработкой маршрутного технологического процесса и является окончательным в выборе моделей технологического оборудования, ПР и вспомогательных устройств, комплектующих РТК. Для этого используют данные, полученные ранее (анализ исходной информации и последовательность изготовления детали)
Выбор технологического оборудования осуществляется в зависимости от типа производства, габаритных размеров заготовки и требуемой точности обработки.
Входящее в состав РТК технологическое оборудование (станки с ЧПУ, полуавтоматы) должны обеспечивать:
полную автоматизацию цикла обработки детали;
надежное базирование и автоматический зажим заготовки в рабочей зоне;
свободный доступ захватного устройства ПР в рабочую зону;
стыковку системы управления и электроавтоматики с ПР и вспомогательными устройствами для преобразования и передачи технологических команд;
механизированное или автоматизированное удаление стружки;
контроль наличия детали в рабочей зоне, правильности ее расположения и базирования в зажимных приспособлениях;
автоматизацию ограждения рабочей зоны;
Целесообразность применения той или иной модели ПР определяется соответствием конструктивно-технологических параметров их функциональному назначению:
числом степеней подвижности для выполнения требуемого объема операций (действий);
соответствием манипуляционных возможностей схемам загрузки и зонам обслуживания основного технологического оборудования;
минимальным количеством вспомогательных устройств и простейших средств автоматизации, необходимых для правильного течения технологического процесса;
простотой и краткостью цикла переналадки, высоким коэффициентом использования и минимальным временем простоя основного технологического оборудования;
обеспечением требований техники безопасности;
Выбор вспомогательных устройств осуществляется в зависимости от типа, формы, массы, материала и размеров деталей, технологических схем оборудования и серийности производства.
Для обработки деталей типа тел вращения применяются токарно-винторезные станки. При автоматизации производства необходимо применение станков с ЧПУ, поэтому для обеспечения данного условия выбираем токаро-винторезный станок с системой ЧПУ модели 16К30Ф305 /4, с. 22-23/. Ниже приведена краткая техническая характеристика данного станка:
Таблица 2.4.1 Техническая характеристика станка модели 16К30Ф305
| Параметры станка | |
| Наибольший диаметр обрабатываемой заготовки, мм | |
| над станиной | 830 |
| над суппортом | 620 |
| Наибольший диаметр прутка, проходящего через отверстие шпинделя, мм | 270 |
| Наибольшая длина обрабатываемой заготовки, мм | 1400 |
| Шаг нарезаемой резьбы: | |
| метрической, мм | До 10 |
| Частота вращения шпинделя, мин-1 | 6,3-1250 |
| Число скоростей шпинделя | 24 |
| Наибольшее перемещение суппорта: | |
| продольное | 1250 |
| поперечное | 370 |
| Подача суппорта, мм/об (мм/мин) | |
| продольная | 1-1200 |
| поперечная | 1-600 |
| Число ступеней подач | б/с |
| Скорость быстрого перемещения суппорта, мм/мин: | |
| продольного | 4800 |
| поперечного | 2400 |
| Мощность электродвигателя привода главного привода, кВт | 22 |
| Габаритные размеры (без ЧПУ), мм | |
| длина | 4350 |
| ширина | 2200 |
| высота | 1600 |
| Масса станка, кг | 6300 |
Техническая характеристика ПР УМ160Ф2.81.01 приведена выше (см.таб.1.1)
Вспомогательные устройства
Магазинное загрузочное устройство (МЗУ)
Накопитель
2.5 Проектирование технологических операций
Проектирование операций предусматривает:
уточнение намеченной ранее структуры и содержания операций в зависимости от выбранного оборудования;















