124006 (689748)
Текст из файла
МIНIСТЕРСТВО ОСВIТИ І НАУКИ УКРАΪНИ
ДОНЕЦЬКИЙ НАЦIОНАЛЬНИЙ ТЕХНIЧНИЙ УНИВЕРСИТЕТ
Механічний факультет
Кафедра ОПМ
КУРСОВИЙ ПРОЕКТ
з дисципліни
«Взаємозамінність, стандартизація та технічні вимірювання»
за темою: «Розмірний аналіз складальної одиниці»
Виконавець
студент гр. МС – 04н Володько А.Ю
Консультант, Деркач О.В
доц., к.т.н.
Нормоконтролер, Сулейманов С.Л
Донецьк 2007р.
РЕФЕРАТ
Курсова робота містить: 42 сторінки, 23 рисунків, 2 таблиці, 8 посилань, 1 додаток.
Об’єкт роботи: вихідний вал співосного трьоступінчатого редуктору.
Мета роботи: Визначення технічних вимог до складальної одиниці, призначення та обґрунтування посадок для з’єднань, розмірний аналіз складальної одиниці. Побудова та розрахунок розмірного ланцюга, розрахунок граничних розмірів деталей з їх відхиленнями, розрахунок виконавчих розмірів граничних калібрів, та вибір універсальних вимірювальних засобів для контролю розмірів деталей.
Приведено технічний опис складальної одиниці, технічні вимоги до неї; зроблене обґрунтування і вибір посадок гладких циліндричних з'єднань, підшипників кочення, шпонкових, різьбових з’єднань; зроблений розмірний аналіз складальної одиниці; приведене обґрунтування технічних вимог до деталей складальної одиниці; приведені вибір і розрахунок калібрів для контролю гладкого циліндричного з'єднання й обрані універсальні вимірювальні засоби для контролю розмірів валу; обраний комплекс показників і приладів для контролю точності зубчастого колеса.
КАЛІБР, ДОПУСК, ВІДХИЛЕННЯ, ПОСАДКА, НАТЯГ, ЗАЗОР, ТЕХНІЧНІ ВИМОГИ, РОЗМІР, З'ЄДНАННЯ.
ВСТУП
Прискорення соціально-економічного розвитку держави передбачає всіляку інтенсифікацію виробництва на основі науково-технічного прогресу. Останнім часом значно збільшився випуск нових видів машин і приладів, що відповідають сучасним вимогам. Це стало можливим не тільки за рахунок удосконалювання їхньої конструкцій і технології виготовлення, але й у результаті широкого використання внутрішньогалузевої і міжгалузевої спеціалізації на основі уніфікації і стандартизації виробів, агрегатів і деталей, застосування методів комплексної і випереджальної стандартизації, упровадження системи керування якістю й атестації продукції, системи технологічної підготовки виробництва.
При проектуванні нових сучасних машин і механізмів конструктор постійно користається стандартами. Застосовуючи сучасні стандарти, розроблювач закладає в технологічну документацію новітні досягнення науки і техніки з метою створення економічних і технічно досконалих конструкцій.
Виконання даної курсової роботи сприяє закріпленню теоретичних знань з дисципліни «Взаємозамінність, стандартизація і технічні виміри» і практичному опануванню діючих стандартів.
1 ТЕХНИЧЕСКОЕ ОПИСАНИЕ СБОРОЧНОЙ ЕДИНИЦЫ
Выходной вал поз. 1 трёхступенчатого соосно-цилиндрического редуктора сборочной единицы (рис. 1) предназначен для передачи крутящего момента от двухвенцового зубчатого блока поз. 2 (который является третьим валом) к зубчатой муфте на хвостовике вала поз. 1. Одновременно с этим на вал установлены роликовые радиальные подшипники поз. 3, 4, которые служат для установки на них двухвенцового блока поз. 5 (который является вторым валом). Передача вращения осуществляется через цилиндрическую прямозубую передачу (двухвенцовый блок поз. 2- зубчатое колесо поз. 6).
Опоры вала — роликоподшипники радиальные двухрядные № 3609, 3615 0-го класса точности нагружены радиальной нагрузкой.
Для фиксации наружных колец подшипников в корпусе редуктора — привертные крышки поз. 7, 8, которые обеспечивают защиту от попадания пыли.
Сборка вала производится в следующей последовательности:
Изначально надевается до упорного буртика стопорное кольцо 9, затем на вал поз. 1 напрессовываются подшипник поз. 10. на подшипник поз. 10 напрессовывается двухвенцовый зубчатый блок поз. 5, затем запрессовывается между зубчатым блоком поз. 5 и валом поз. 2 второй подшипник поз. 11, все это фиксируется стопорными кольцами по краям поз. 9, 12. Затем на вал устанавливается шпонка и напрессовывается зубчатое колесо поз. 6. Для установки внутренних колец опорных подшипников поз. 13, 14 надеваются дистанционные втулки поз. 15, 16, и в завершении на вал напрессовываются опорные роликовые двухрядные подшипники поз. 13, 14. После этого вал устанавливается в редуктор с регулировкой осевой игры с помощью набора прокладок и привертных крышек поз. 7, 8, которые фиксируют наружные кольца опорных подшипников.. На хвостовик вала устанавливается шпонка и надевается зубчатая муфта.
Рисунок 1.1 - Сборочная единица (Тихоходный вал редуктора)
2. ИСХОДНЫЕ ДАННЫЕ
Тип производства – массовое.
Передаваемый крутящий момент – 1,8 · 10 6 Н · мм.
Частота вращения вала n =66 об/мин.
Параметры зубчатого колеса: m n = 6 мм; z = 71 ; β = 0˚ ;
d =420 мм; a w = 280 мм.
Радиальные нагрузки, действующие на подшипниковые опоры:
RA = 5650 Н; RB = 36100 Н.
3. ТЕХНИЧЕСКИЕ ТРЕБОВАНИЯ К СБОРОЧНОЙ ЕДИНИЦЕ
Назначаем в зависимости от окружной скорости степень точности зубчатого колеса поз. 6 и вала 1:
v
— 9 степень точности.
где v — окружная скорость передачи, м/с;
d — диаметр делительной окружности, мм;
n — частота вращения, мин–1.
Определяем величину бокового зазора и назначаем вид сопряжения для шестерня поз. 6. Для этого рассчитываем минимальный необходимый боковой зазор в зубчатом зацеплении:
Jn min ≥ ν + aw (α1· Δt1 – α2·Δt2 )·2 sinαw,
где ν – боковой зазор для размещения слоя смазки
ν = 0,01· mn = 0,01·6 = 0,06 мм = 60 мкм;
aw – межосевое расстояние быстроходной ступени;
Δt1, Δt2 – разность между рабочей температурой материала зубчатого колеса и корпуса и стандартной нормальной температурой соответственно
(Δt1= 60º-20º = 40ºС; Δt2 = 30º - 20º = 10ºС)
α1, α2 – коэффициенты теплового линейного расширения материала зубчатого колеса и корпуса соответственно ( α1 = 12 · 10-6 мм / ºС, α2 = 10 ·10-6 мм/ºС),
α w – угол профиля исходного профиля зуба (α w = 20º ).
Jn min ≥ 0,06 + 280 · (12·10─6 ∙ 40 −10∙10−6 ∙ 10)∙2 sin20˚ = 0,166 мм = 166 мкм
По назначаем вид сопряжения B, который обеспечит минимальный боковой зазор в зацеплении:
Jn min = 210 мкм > 166 мкм
Предельное отклонение межосевого расстояния:
fa =
мм =
мкм
В процессе эксплуатации зубчатая передача должна работать плавно, без шума.
Для нормальной работы узла необходимо обеспечить осевую игру – осевое перемещение подшипника из одного крайнего положения в другое. Принимаю осевую игру равной 0,4-0,5 мм.
4 ОБОСНОВАНИЕ И ВЫБОР ПОСАДОК
4.1 Посадки гладких цилиндрических соединений Выбор посадки соединения колесо вал
Согласно рекомендации [8] соединение колесо вал осуществляется по переходной посадке. Переходные посадки обеспечивают лёгкую сборку и демонтаж соединений при высокой точности центрирования. Принимаю поле допуска вала
, поле допуска посадочной поверхности колеса
. Получим посадку
Предельные отклонения:
мкм,
мкм;
мкм,
мкм;
мкм;
мкм;
Допуск посадки:
мкм.
Рисунок 4.1 - Схема полей допусков посадки колеса на вал
Назначаем посадку глухой крышки поз. 7 подшипникового узла в корпус по рекомендациям [6]:
— посадка с зазором — предназначена для подвижных соединений, не требующих точности перемещения, и для неподвижных грубоцентрированных соединений. Проведем анализ посадки.
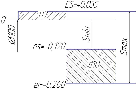
100H7 ES = +0,035 мм; EI = 0 мм [5];
100d10 es = –0,120 мм; ei = –0,260 мм [5].
Определяем минимальный Smin и максимальный зазор в соединении Smax , мм:
Smin = EI – es = 0 – (–0,120) = 0,120 мм;
Smax = ES – ei = 0,035 – (–0,260) = 0,295 мм.
Допуск посадки TS , мм:
= Smax – Smin = 0,295 – 0,120 = 0,175 мм.
Рисунок 4.2 - Схема полей допусков соединения
Назначаю посадку сквозной привертной крышки поз. 8 подшипника в корпус по рекомендации:
соединение
- посадка с зазором
Эта посадка обеспечивает собираемость соединения и достаточно высокую точность центрирования отверстия крышки относительно выходного конца вала.
Предельные отклонения:
отверстия 160H7 ES = +0,040 мм; EI = 0 мм [5, с. 76];
вала 160 h8 es = 0 мм; ei = - 0,063 мм [5, с.68].
Предельные зазоры в соединении:
Smin = EI – es = 0 – 0 = 0 мм;
Smax = ES – ei = 0,040 – (–0,063) = 0,103 мм.
Допуск посадки TS , мм:
TS = Smax – Smin = 0,103 – 0 = 0,103 мм
Рисунок 4.3 - Схема полей допусков соединения
Назначаю посадку дистанционного кольца поз. 15 на вал по рекомендации [6]. Так как выбор полей допусков отверстия и вала ничем не обусловлен, то назначаю посадку с гарантированным зазором:
соединение
Эта посадка обеспечивает беспрепятственную установку дистанционного кольца на вал.
Предельные отклонения:
отверстия 50F9 EI = 0,030 мм [5, с. 76];
ES = EI + IT9 = 0,030 + 0,062 = 0,092 мм;
вала 50h6 es = 0 мм;
ei = es – IT6 = 0 – 0,016 = -0,016 мм [5, с.70].
Предельные зазоры в соединении:
Smin = EI – es = 0,030 – 0 = 0,030 мм;
Smax = ES – ei = 0,092 – (–0,016) = 0,108 мм.
Допуск посадки TS , мм:
TS = Smax – Smin = 0,108 – 0,030 = 0,078 мм
Рисунок 4.4 - Схема полей допусков соединения
Назначаю посадку дистанционного кольца поз. 16 на вал по рекомендации [6]. Так как выбор полей допусков отверстия и вала ничем не обусловлен, то назначаю посадку с гарантированным зазором:
соединение
Эта посадка обеспечивает беспрепятственную установку дистанционного кольца на вал. Предельные отклонения:
отверстия 80F9 EI = 0,030 мм [5, с. 76];
ES = EI + IT9 = 0,030 + 0,074 = 0,104 мм;
вала 80h6 es = 0 мм;
ei = es – IT6 = 0 – 0,019 = -0,019 мм [5, с.70].
Предельные зазоры в соединении:
Smin = EI – es = 0,030 – 0 = 0,030 мм;
Smax = ES – ei = 0,104 – (–0,019) = 0,123 мм.
Допуск посадки TS , мм:
TS = Smax – Smin = 0,123 – 0,030 = 0,093 мм
Рисунок 4.5- Схема полей допусков соединения
4.2 Посадки подшипников качения
В качестве опор тихоходного вала редуктора выбраны: роликовые радиальные сферические двухрядные подшипники 0-го класса точности № 3609 ГОСТ 5721-75, № 3615 ГОСТ 5721-75 (рисунок 7).
Рисунок 4.6 – Подшипник роликовый радиальный сферический двухрядный № 3609, 3615.
Основные геометрические параметры подшипников:
Характеристики
Тип файла документ
Документы такого типа открываются такими программами, как Microsoft Office Word на компьютерах Windows, Apple Pages на компьютерах Mac, Open Office - бесплатная альтернатива на различных платформах, в том числе Linux. Наиболее простым и современным решением будут Google документы, так как открываются онлайн без скачивания прямо в браузере на любой платформе. Существуют российские качественные аналоги, например от Яндекса.
Будьте внимательны на мобильных устройствах, так как там используются упрощённый функционал даже в официальном приложении от Microsoft, поэтому для просмотра скачивайте PDF-версию. А если нужно редактировать файл, то используйте оригинальный файл.
Файлы такого типа обычно разбиты на страницы, а текст может быть форматированным (жирный, курсив, выбор шрифта, таблицы и т.п.), а также в него можно добавлять изображения. Формат идеально подходит для рефератов, докладов и РПЗ курсовых проектов, которые необходимо распечатать. Кстати перед печатью также сохраняйте файл в PDF, так как принтер может начудить со шрифтами.















