124006 (689748), страница 3
Текст из файла (страница 3)
d max = d + es = 10 – 0,026 = 9,974 мм;
d min = d + ei = 10 – 0,206 = 9,794 мм.
Определяю предельные размеры внутренней резьбы (резьбовое отверстие):
D 2 max = D2 + ES = 8,650 + 0,150 = 8,80 мм;
D 2 min = D2 + EI = 8,650 + 0 = 8,650 мм;
D 1 max = D1 + ES = 8,917 + 0,236 = 9,153 мм;
D1 min = D1 + EI = 8,917 + 0 = 8,917 мм;
D max = не нормируется;
D min = D + EI = 10 + 0 = 10,0 мм.
Рисунок 4.16- Схема полей допусков резьбового соединения М10-
(средний диаметр)
5 РАЗМЕРНЫЙ АНАЛИЗ СБОРОЧНОЙ ЕДИНИЦЫ
Размерный анализ сборочной единицы будем производить методом полной взаимозаменяемости. Чтобы обеспечить полную взаимозаменяемость, размерные цепи рассчитывают методом максимума-минимума, при котором допуск замыкающего размера определяют арифметическим сложением допусков составляющих размеров. Метод расчета на максимум-минимум, учитывающий только предельные отклонения звеньев размерной цепи и самые неблагоприятные их сочетания, обеспечивает заданную точность сборки без подгонки (подбора) деталей.
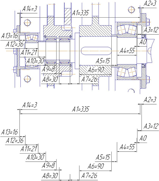
Определим номинальное, наибольшее и наименьшее значения и допуск замыкающего звена А0 (рис. 17).
Рисунок 5.1- Сборочная размерная цепь
В размерную цепь входят 4 стандартных звена – это подшипники (А4, А8, А10, А12).
Для расчета отклонения замыкающего звена назначим допуски звеньев, если поле допуска увеличивающих размеров деталей H10, уменьшающих h9:
Увеличивающие: Н10: A14=3+0.040, A1=335+0.230, A2=3+0.040;
Уменьшающие: H9: A3=12-0,043, A5=15-0,043, A6=90-0,0,87, A7=26-0,052, A9=8-0,036, A11=21-0,052, A13=16-0,043.
Стандартные: А4=55-0,120, А8=30-0,120, А10=30-0,120, А12=30-0,120.
Допуск замыкающего звена зависит от 4-х стандартных деталей, поэтому размерный анализ сборочной единицы будем производить методом регулирования, при котором предписанная точность исходного (замыкающего) размера достигается преднамеренным изменением (регулированием) величины одного из заранее выбранных составляющих размеров, называемого компенсатором [7, с.169]. Для заданной сборочной единицы (рис. 17) роль компенсирующих размеров выполняют прокладки.
Для нормальной работы подшипников между крышкой и торцом подшипника необходимо обеспечить зазор для компенсации теплового расширения вала. Величину зазора принимаю равной А0 = 0,3(0,1) мм. На рисунке 17 представлена размерная цепь с исходным звеном А0. Звенья
– увеличивающие,
- уменьшающие.
Сумма размеров звеньев
является компенсатором. Номинальные размеры звеньев цепи, их характеристики, отклонения и допуски приведены в таблице 1.
Таблица 1.- К расчету размерной цепи методом регулирования
| Звено | Номинальный размер, мм | Характер звена | Верхнее отклонение ЕS, мкм | Нижнее отклонение EI, мкм | Допуск Т, мкм |
| А1 | 24 | увеличивающее | +230 | 0 | 230 |
| А2 | 3 | компенсатор | рассчитывается | ||
| А3 | 12 | уменьшающее | 0 | - 43 | 43 |
| А4 | 55 | уменьшающее | 0 | -120 | 120 |
| А5 | 15 | уменьшающее | 0 | -43 | 43 |
| А6 | 90 | уменьшающее | 0 | -87 | 87 |
| А7 | 26 | уменьшающее | 0 | - 52 | 52 |
| А8 | 30 | уменьшающее | 0 | -120 | 120 |
| А9 | 8 | уменьшающее | 0 | -36 | 36 |
| А10 | 30 | уменьшающее | 0 | -120 | 120 |
| А11 | 21 | уменьшающее | 0 | -52 | 52 |
| А12 | 36 | уменьшающее | 0 | -120 | 120 |
| А13 | 16 | уменьшающее | 0 | -43 | 43 |
| А14 | 3 | компенсатор | рассчитывается | ||
| А0 | 0,3 | замыкающее | +100 | - 100 | 200 |
Определяем номинальный размер компенсатора:
Распределим номинальный размер k: А2 = А4 =1,85 мм.
Определяем величины допусков на изготовление всех деталей и проставим предельные отклонения в тело деталей, то есть по ходу обработки сопрягаемых поверхностей [3, с.44]. Звенья А4 ,А8 ,А10 ,А12 являются шириной кольца подшипника и допускаемые отклонения его по ГОСТ 520-71 равны: es = 0 мм; ei = -0,12 мм = - 120 мкм.
Сумма допусков составляющих звеньев:
Допуск замыкающего звена:
Предельные отклонения компенсатора:
;
;
Определим величину компенсации
:
Проверяю расчет:
.
Рассчитываю предельные размеры компенсатора:
Принимаю
за постоянные прокладки.
Количество сменных прокладок:
Толщина сменных прокладок:
Проверим расчет компенсатора:
>
.
Условие выполняется. Таким образом, в комплект входят две постоянные прокладки толщиной 1,35 мм и 1,35 мм и 6 сменных прокладок толщиной 0,14 мм.
6. ОБОСНОВАНИЕ ТЕХНИЧЕСКИХ ТРЕБОВАНИЙ К ДЕТАЛЯМ
6.1 Тихоходный вал
Допуск цилиндричности посадочных мест под подшипники качения класса точности 0:
Tф = 0,3Td = 0,3 0,025 = 0,0075 ≈ 0,008 мм.
Допуск цидиндричности выходного конца вала:
Tф = 0,3Td = 0,3 0,025 = 0,0075 ≈ 0,008 мм.
Допуски соосности посадочных поверхностей:
для подшипников качения Т = 0,02 мм;
-
для зубчатого колеса Т = 0,02 мм.
Допуск перпендикулярности торцов вала для базирования подшипников качения : Т = 0,02 мм.
Допуск параллельности расположения шпоночного паза:
- на входном конце вала Т= 0,5 ∙ 0,032 = 0,016 ≈ 0,02 мм.
Допуск симметричности расположения шпоночного паза:
- на выходном конце вала Т= 2,0 ∙ 0,032 = 0,64 ≈ 0,06 мм.
6.2 Зубчатое колесо
Допуск цилиндричности посадочного отверстия:
Т = 0,3 ∙ ТD = 0,3 ∙ 0,025 = 0,0075 мм
Допуск торцового биения зубчатого венца на диаметре делительной окружности:
Допуск радиального биения зубчатого венца: Т = 0,105 мм.
Допуск торцового биения торца ступицы: Т = 0,06мм.
Допуск симметричности и параллельности шпоночного паза ступицы зубчатого колеса принимаю аналогичными принятым в п.6.1.
7 КОНТРОЛЬ РАЗМЕРОВ ДЕТАЛЕЙ
7.1 Выбор универсальных измерительных средств
Для контроля размеров тихоходного вала выбираю универсальные измерительные средства. При выборе измерительных средств учитываю допускаемую погрешность измерения
, а также предельную погрешность измерения приборов
. При этом должно выполняться условие:
Выбранные измерительные средства приведены в таблице 2.
Таблица 2.- Универсальные измерительные средства
Размер | Допуск на размер, Т мм | | | Пределы измерения, мм | Условное обозначение |
| Ø45k6, Ø50h6 | 0,016 | 0,007 | ±0,005 | 25…50 | МК-50-2 |
| Ø50Is6 | 0,022 | 0,007 | ±0,007 | 25…50 | МК-50-2 |
| Ø80k6, Ø80h6, Ø75n6, Ø70p6, Ø65p6 | 0,019 | 0,01 | ±0,005 | 50…100 | МК-100-2 |
| 40h14 | 0,520 | 0,140 | ±0,1 | 0…125 | ШЦ-I-125-0,1 |
| 110h14 | 0,870 | 0,140 | ±0,1 | 0…125 | ШЦ-I-125-0,1 |
| 135h14 | 1,000 | 0,240 | ±0,1 | 0…630 | ШЩ-III-630-0,1 |
| 190h14 | 1,150 | 0,240 | ±0,1 | 0…630 | ШЩ-III-630-0,1 |
| 295h14 | 1,300 | 0,240 | ±0,1 | 0…630 | ШЩ-III-630-0,1 |
| 210h14 | 1,150 | 0,240 | ±0,1 | 0…630 | ШЩ-III-630-0,1 |
| 450h14 | 1,550 | 0,120 | ±0,1 | 0…500 | ШЦ-III-500-0,1 |
7.2 Расчет размеров калибров для гладкого цилиндрического соединения
В данной курсовой работе необходимо рассчитать калибр-пробку и калибр-скобу для отверстия
и для вала
.
Для расчета размеров калибров выберем по [5, с.266…269, табл.1] следующие данные:
-
смещение поля допуска калибра внутрь поля допуска детали Z (Z1) и (1);
-
допустимый выход размера изношенного калибра за границу поля допуска калибра-пробки Y и калибра-скобы Y1;
-
допуск на изготовление калибра-пробки H и калибра скобы H1;
-
допуск на изготовление контркалибра для пробки Hp.
Предельные размеры для отверстия
:















