123929 (689717), страница 7
Текст из файла (страница 7)
Напряжение на свободном конце вала в сечении А:
| | |
где
– изгибающий момент;
| | |
– момент сопротивления при изгибе;
|
| |
Окончательно:
;
;
.
Напряжение на свободном конце вала в сечении B:
| | |
где
– изгибающий момент;
| | |
– момент сопротивления при изгибе;
| | |
Окончательно:
;
;
.
Напряжение на свободном конце вала в сечении C:
| | |
| | |
– момент сопротивления при изгибе;
| | |
Окончательно:
;
;
.
Напряжение на свободном конце вала в сечении D:
| | |
где
– изгибающий момент;
| | |
– момент сопротивления при изгибе;
| | |
;
;
.
Напряжения во всех сечениях не превышают предела текучести
для стали марки 45.
Выбор подшипников.
Для определения радиальной нагрузки на подшипники
и
будем исходить из наихудшего случая.
| | |
| | |
.
Приведённая динамическая нагрузка равна:
| | |
где
– коэффициент учитывающий характер нагрузки двигателя.
;
.
Динамическая грузоподъёмность:
| | |
где
– требуемый срок службы.
;
.
Выбираем шарикоподшипники радиальные однорядные по ГОСТ 8339-75.
ОПОРА A:
| Тип |
|
|
|
|
|
| 213 | 65 | 120 | 23 | 44000 | 5000 |
ОПОРА В:
| Тип |
|
|
|
|
|
| 313 | 65 | 140 | 35 | 71300 | 4000 |
-
Моделирование двигателя
Моделирование прямого пуска спроектированного двигателя выполняется на холостом ходу с последующей нагрузкой после выхода на установившийся режим (через 5с) номинальным моментом (Mном=119,702 Н·м).
Моделирование выполняется в среде ПМК МИК-АЛ с учетом вышеуказанных замечаний без учета эффекта вытеснения тока с постоянными параметрами схемы замещения машины в двух вариантах:
– для параметров номинального режима;
– для параметров пускового режима.
Текст программы в ПМК МИК-АЛ для номинального режима:
$ВВОД
$УРАВН(Т)
{* Параметры НОМИНАЛЬНОГО режима *}
u:=537.4; P:=1; Rs:=0.253; Rrw:=0.191; Wk:=0;
Lm:=0.1223; Ls:=0.12507; Lr:=0.12588; J:=1.5; Mc:=0;
{* Питающие напряжения *}
Usa=N#sin_t(u:ПАР=1,314.15926,0.0);
Usb=N#sin_t(u:ПАР=1,314.15926,4.1888);
Usc=N#sin_t(u:ПАР=1,314.15926,2.0944);
Usal1=(-0.4082483)*(Usb+Usc)+0.8164967*Usa;
Usbet1=0.7071068*(Usb-Usc);
{*Преоразование в произвольную систему координат*}
FI'=P*Wk;
Usu=Usal1*N#cos(FI)+Usbet1*N#sin(FI);
Usv=-Usal1*N#sin(FI)+Usbet1*N#cos(FI);
{* Потокосцепления статора и ротора *}
Fsu'=Usu-Isu*Rs+P*Wk*Fsv;
Fsv'=Usv-Isv*Rs-P*Wk*Fsu;
Fru'=0-Iru*Rrw+Frv*P*(Wk-W);
Frv'=0-Irv*Rrw-Fru*P*(Wk-W);
{* Токи статора и ротора *}
{* СЛАУ *}
СЛАУ: Isu,Iru;
Ls*Isu+Lm*Iru=Fsu;
Lr*Iru+Lm*Isu=Fru;
СЛАУ: Isv,Irv;
Ls*Isv+Lm*Irv=Fsv;
Lr*Irv+Lm*Isv=Frv;
{* Электромагнитный момент и скорость *}
M=P*(Fsu*Isv-Fsv*Isu);
W'=(M-Mc)/J;
IstA=Isu/1.73;
КОНЕЦ
* Задание на эксперимент *
ИНТ RKT4
ШАГ ИНТ=0.001
ШАГ ВЫВ=0.006
КОН ВР=5
ВЫВОД Isu,Isv,IstA,Iru,Irv,Fsu,Fsv,W,M
ДИСПЛ W,M,Isu,Iru
$КОН
$СТОП
Текст программы в ПМК МИК-АЛ для пускового режима:
$ВВОД
$УРАВН(Т)
{* Параметры ПУСКОВОГО режима *}
u:=537.4; P:=1; Rs:=0.253; Rrw:=0.254; Wk:=0;
Lm:=0.208; Ls:=0.212; Lr:=0.21258; J:=1.5; Mc:=0;
{* Питающие напряжения *}
Usa=N#sin_t(u:ПАР=1,314.15926,0.0);
Usb=N#sin_t(u:ПАР=1,314.15926,4.1888);
Usc=N#sin_t(u:ПАР=1,314.15926,2.0944);
Usal1=(-0.4082483)*(Usb+Usc)+0.8164967*Usa;
Usbet1=0.7071068*(Usb-Usc);
{*Преоразование в произвольную систему координат*}
FI'=P*Wk;
Usu=Usal1*N#cos(FI)+Usbet1*N#sin(FI);
Usv=-Usal1*N#sin(FI)+Usbet1*N#cos(FI);
{* Потокосцепления статора и ротора *}
Fsu'=Usu-Isu*Rs+P*Wk*Fsv;
Fsv'=Usv-Isv*Rs-P*Wk*Fsu;
Fru'=0-Iru*Rrw+Frv*P*(Wk-W);
Frv'=0-Irv*Rrw-Fru*P*(Wk-W);
{* Токи статора и ротора *}
{* СЛАУ *}
СЛАУ: Isu,Iru;
Ls*Isu+Lm*Iru=Fsu;
Lr*Iru+Lm*Isu=Fru;
СЛАУ: Isv,Irv;
Ls*Isv+Lm*Irv=Fsv;
Lr*Irv+Lm*Isv=Frv;
{* Электромагнитный момент и скорость *}
M=P*(Fsu*Isv-Fsv*Isu);
W'=(M-Mc)/J;
IstA=Isu/1.73;
КОНЕЦ
*Задание на эксперимент*
ИНТ RKT4
ШАГ ИНТ=0.001
ШАГ ВЫВ=0.006
КОН ВР=5
ВЫВОД Isu,Isv,IstA,Iru,Irv,Fsu,Fsv,W,M
ДИСПЛ W,M,Isu,Iru
$КОН
$СТОП
Результаты моделирования пускового и номинального режимов в среде ПМК МИК-АЛ представлены на рис. 3, 4, 5, 6.
Рис. 3 - Динамическая механическая характеристика
: ––––– для номинального режима; – – – для пускового режима.
Рис. 4 - Зависимость электромагнитного момента от времени: ––––– для номинального режима; – – – для пускового режима
Рис. 5 - Зависимость угловой частоты вращения ротора от времени: ––––– для номинального режима; – – – для пускового режима
Рис. 6 - Зависимость тока фазы А статора от времени для номинального режима
3. Исследовательская часть
Целью исследовательской части является исследование влияния закона управления
на динамические пусковые характеристики.
Частотный способ регулирования частоты вращения позволяет применять более надежные и дешевые асинхронные двигатели с короткозамкнутым ротором. Однако для изменения частоты питающего напряжения требуется наличие источника электрического тока переменной частоты. В качестве последнего используют либо синхронные генераторы с переменной частотой вращения и чаще всего приоритетнее использование преобразователей на полупроводниковых элементах (тиристорах и IGBT транзисторах) [4].
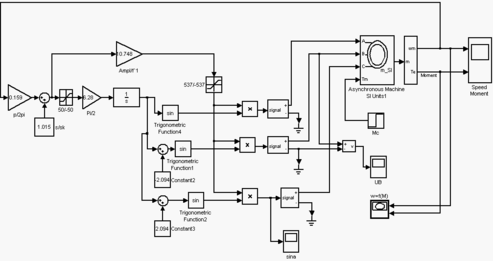
В данном разделе будет произведено моделирование в среде Matlab v6.1 пуска электропривода с асинхронным двигателем с короткозамкнутым ротором по закону
при питании каждой фазы от однофазного инвертора, спроектированным в данной курсовой работе.
Моделирование производится с постоянным абсолютным скольжением для двух случаев: при
и скольжении, близком к критическому
; пуск выполняется с увеличением частоты от 0 до 50 Гц. Наброс нагрузки со значением номинального момента производится при t=6 c.
Структурная схема в среде Matlab v6.1 представлена на рис. 7.
Рис. 7 - Структурная схема пуска АД по закону
Результаты моделирования представлены на рис. 8, 9, 10, 11.
Результаты моделирования в среде Matlab v6.1:
Рис. 8 - Зависимость угловой скорости от времени при
Рис. 9 - Зависимость момента от времени при
Рис. 10 - Зависимость угловой скорости от времени при
Рис. 11 - Зависимость момента от времени при
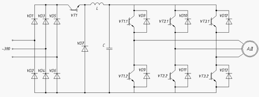
4. Выбор схемы управления двигателем
Выбор схемы управления производим по рекомендациям [5] с учетом требований задания курсового проекта:
– напряжение сети 660 В
– мощность сети ограниченная
– тип электропривода реверсивный, регулируемый
– характер нагрузки вентиляторная
– условия пуска при постоянном моменте
– требования к регулированию скорости (для регулируемых электроприводов) (0,1 – 1,5)ωном
Схема управления АИН АД представлена на рис. 12.
Рис. 12 - Автономный инвертор напряжения на IGBT транзисторах
Трехфазное напряжение, подаваемое из сети, поступает на выпрямитель сформированный из диодов VD1 … VD6, в котором происходит выпрямление этого напряжения. За счет IGBT транзистора VT1 и диода VD7 имеется возможность ограничивать напряжение, подаваемое на автономный инвертор напряжения, собранный на IGBT транзисторах VT1.1 … VT3.2 и диодах VD8 … VD13.
;
;
;















