123855 (689661), страница 5
Текст из файла (страница 5)
Для изготовления стальных зубчатых колес рекомендуется применять кованые или штампованные заготовки, имеющие более высокие механические характеристики.
Шестерни (рис. 4.6) изготавливают за одно целое с валом, если расстояние а от впадины зуба до шпоночного паза меньше 2,5m. (рис, 4.7). Если а ≥ 2,5m, то шестерня выполняется съемной.
2,5 . m1 = 2,5 . 3,5 =8,75 мм;
2,5 . m2 = 2,5 . 3,5 =8,75 мм;
а =
; (4.130)
Быстроходная ступень:
а =
; (4.131)
а =
= 26,475 мм;
26,475 > 8,75;
Тихоходная ступень:
а =
; (4.132)
а =
= 27,35 мм;
27,35 > 8,75;
рис. 4.6 рис. 4.7
Так как, расстояние а, от впадин зубьев до шпоночных пазов в быстроходной и тихоходной ступенях больше 2,5m, то шестерни на этих ступенях будут выполняться съёмными.
Размеры шестерни быстроходной и тихоходной ступеней определены ранее (п. 4.3.2; 4.4.1; 4.4.2).
На торцах зубчатого венца выполнить фаски размером f = (0,5 - 0,7)m, округлив до стандартного значения.
f1 = 0.7m1 (4.133)
f1= 0,7 . 3,5 = 2,45 мм; - быстроходная ступень,
f2 = 0.7m2 (4.134)
f2= 0,7 . 3,5 = 2,45 мм; - тихоходная ступень,
Принимаем размеры фасок равные 2,5 мм.
Конструкцию кованых зубчатых колес (рис. 4.8) применяют при наружном диаметре da менее 500 мм. Так как, наружный диаметр da, зубчатых колёс меньше 500 мм, то конструкция колёс будет кованная.
Диаметр ступицы:
dст = 1.6 . dк; (4.135)
где: dк – диаметр ступени вала, предназначенной для посадки колеса (п. 4.4.1; 4.4.2), мм.
dст2 = 1,6 . 42 = 67,2 мм – быстроходная ступень;
dст2 = 1,6 . 60 = 96 мм – тихоходная ступень;
рис. 4.8
Длина ступицы lст, мм:
lст = (1.2 ÷ 1.5) dк; (4.136)
Если lст окажется меньше ширины венца колеса lω, то принять lст =lω:
lст2 = 1,5 . 42 = 63 мм;
lст4 = 1,2 . 60 = 72 мм;
Так как lст2 < lω2, lст4 < lω4, то принимаем lст2 = lω2, lст4 = lω4;
lст2 = 78 мм, lст2 = 78 мм;
Толщина обода колеса δ0, мм:
δ0 = (2,5 ÷ 4,0) . m; (4.137)
где: m – модуль передачи, мм:
Величина δ0 должна быть не менее 8 - 10 мм.
δ01 = 3,0 . 3,5 = 12 мм – тихоходная ступень;
δ02 = 3,0 . 3,5 = 12 мм – быстроходная ступень;
Диаметр окружности, по которой располагаются центры отверстий Dотв, мм:
Dотв = 0,5 . (D0 + dст); (4.138)
где:
D0 = df – 2 . δ0; (4.139)
Быстроходная ступень:
D02 = df2 – 2 . δ02; (4.140)
D02 = 278,05 – 2 . 12 = 254,05 мм;
Dотв2 = 0,5 . (254,05 + 67,2) = 160,63 мм;
Тихоходная ступень:
D04 = df4 – 2 . δ01; (4.141)
D04 = 271,5 – 2 . 12 = 247,5 мм;
Dотв4 = 0,5 . (247,5 + 96) = 171,75 мм;
Диаметр отверстий dотв, мм:
dотв = (15 ÷ 25);
dотв = 25 мм;
Толщина диска С, мм:
С = (0,2 ÷ 0,3) . bi; (4.142)
где: bi – ширина венца колеса (см. п. 4.2, 4.3), мм;
Быстроходная ступень:
С2 = 0,25 . b2 (4.143)
С2= 0,25 . 78 = 19,5 мм;
Тихоходная ступень:
С4 = 0,25 . b4 (4.144)
С4 = 0,25 . 78 = 19,5 мм;
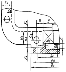
4.7 Конструирование корпуса редуктора
Рис. 4.9.1.а
Для удобства монтажа деталей корпус обычно выполняют разъёмным (рис. 4.9.1.а) Плоскость разъёма проходит через оси валов и делит корпус на основание (нижнюю часть) и крышку (верхнюю часть).
Толщина стенки корпуса δК и крышки δ1К редуктора, мм:
где: аωт – межосевое расстояние тихоходной ступени, мм;
основание редуктора;
δК = 0,025 . аωт + 3; (4.145)
δК = 0,025 . 196 + 3 = 7,9 мм;
крышка редуктора;
δ1К = 0,02 . аωт + 3; (4.146)
δ1К = 0,02 . 196 + 3 = 6,9 мм;
Так в результате расчётов оказалось, что δК < 8 мм, и δ1К < 8 мм, то принимаем, что δК = δ1К = 8 мм.
Толщина верхнего фланца основания корпуса редуктора b, мм:
b = 1.5 . δК ; (4.147)
b = 1.5 . 8 = 12 мм;
Толщина нижнего фланца основания корпуса редуктора p, мм:
p = 2.35 . δК ; (4.148)
p = 2.35 . 8= 18,8 мм;
Толщина фланца крышки редуктора b1, мм:
b1 = 1,5 . δ1К ; (4.149)
b1 = 1,5 . 8 = 12 мм;
Толщина рёбер жёсткости основания m и крышки m1 редуктора, мм:
основание редуктора;
m = (0.85 ÷ 1) . δК; (4.150)
m = 1 . 8 = 8 мм;
крышка редуктора;
m1 = (0.85 ÷ 1) . δ1К; (4.151)
m1 = 1 . 8 = 8 мм;
Диаметр фундаментных болтов d1, мм:
d1 = (0,03 ÷ 0,036) . аωт + 12; (4.152)
d1 = 0,03 . 196 + 12 = 18,47 мм;
Полученное значение округляем до 18 мм;
Диаметр болтов у подшипников d2, мм:
d2 = (0,7 ÷ 0,75) . d1;(4.153)
d2 = 0.75 . 13,85 = мм;
Полученное значение округляем до 14 мм;
Диаметр болтов, соединяющих основание корпуса с крышкой d3, мм;
d3 = (0,5 ÷ 0,6) . d1; (4.154)
d3 = 0,5 . 18 = 9 мм;
Полученное значение округляем до 10 мм;
Диаметр винтов, крепящих смотровую крышку d5, мм;
d5 = (0.3 ÷ 0.5) . d1; (4.155)
d5 = 0.4 . 18 = 7,39 мм;
Полученное значение округляем до 8 мм;
Расстояние от наружной поверхности стенки корпуса С1, С2, С3, до оси болтов d1, d2, d3, и ширины фланцев корпуса К1, К2, К3, выбираются в зависимости от диаметров болтов d1, d2, d3. Диаметры отверстий под болты принять на 1 мм больше диаметров болтов.
С1 = 23 мм, К1 = 44 мм; С2 = 19,5 мм, К2 = 36 мм; С3 = 10 мм, К3 = 16 мм.
Расположение оси отверстия для болта диаметром d2 определяется размером е (см. рис. 4.9.2.б):
е ≈ (1 ÷ 1,2) . d2; (4.156)
е ≈ 1 . 14 = 14 мм;
Полученное значение округляем до целого числа: 14 мм.
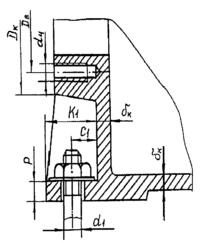
При конструировании крышки определяющим размером является диаметр D отверстия в корпусе под подшипник (см. рис. 4.9.2.б, в). Толщина стенки крышки δ3, диаметр d4, и число винтов крепления Z крышки к корпусу в зависимости от D.
Толщина стенки крышки δ3 = 6 мм;
Диаметр винтов крышки под подшипник d4 = 8 мм;
Число винтов крепления Z = 4 шт.
б в
Рис. 4.9.2.б, в.
Толщина фланца крышки δ4, мм:
δ4 = 1,2 . δ3; (4.157)
δ4 = 1,2 . 6 = 7,2 мм;
Толщина ножки крышки δ5, мм;
δ5 = (0,9 ÷ 1,0) . δ3; (4.158)
δ5 = 1,0 . 6 = 6 мм;
Длинна ножки крышки l, мм;
l = (1,2 ÷ 2,0) . δ3; (4.159)
l = 1,5 . 6 = 9 мм;
Диаметр окружности, по которой располагаются оси винтов крепления крышки DВ, мм:
DВ = D + 2C4; (4.160)
где: С4 ≈ d4;
DВ1 = 80 + 2 8 = 96 мм;
DВ2 = 80 + 2 8 = 96 мм;
Диаметр фланца крышки DФ, мм:
DФ = D + (4 ÷ 4,4) . d4; (4.161)
DФ1 = 80 + 4 . 8 = 112 мм;
DФ2 = 80 + 4 . 8 = 112 мм;
Диаметр гнезда DК, мм:
DК = DФ + (2 ÷ 5); (4.162)
DК1 = 112 + 4 = 116 мм;
DК2 = 112 + 4 = 116 мм;
Рис. 4.9.3. г
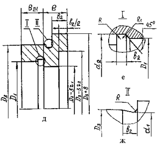
Промежуточная опора (см. рис. 4.9.3 г) сооснорасположенных валов находится внутри корпуса редуктора. В отверстии опоры располагаются подшипники входного и выходного валов, имеющие разные наружные диаметры D1 и D3. Расточку отверстия выполняют со сквозным диаметром D3. Для установки подшипника с меньшим диаметром D1 применяют кольцо (см. рис. 4.9.3 д). Кольцо фиксируется кольцевым выступом на наружной поверхности, входящим в канавку разъемного корпуса.
Рис. 4.9.3. д, е, ж.
Подшипники доводятся до упора в торцовые поверхности кольца. Формы канавок, выполняемых в кольце, показаны на рис. 4.9.3 е, ж, их размеры приведены в табл. 4.4.
Таблица 4.4
Размеры канавок, мм
| Di | b2 | d1 | d2 | R | R1 |
| Св. 10 до 50 | 3 | Di – 0.5 | Di + 0.5 | 1.0 | 0.5 |
| Св. 50 до 100 | 5 | Di – 1.0 | Di + 1.0 | 1.6 | 0.5 |
| Св. 100 | 8 | 2.0 | 1.0 |
4.8. Компоновочная схема редуктора
Компоновочную схему редуктора выполнять на миллиметровой бумаге формата AI в масштабе 1:1 тонкими линиями (приложение 1), чтобы при необходимости можно было произвести необходимые изменения.
При выполнении компоновочной схемы размеры принимать из таблицы 4.5
Таблица 4.5
Размеры к компоновочной схеме редуктора
| Обозначения | Наименование | Примечание |
| аωб=аωТ | Межосевое расстояние быстроходной и тихоходной ступеней | 196 мм |
| а | Расстояние между торцом колеса и внутренней стенкой редуктора | 8 мм |
| а1 | Расстояние между делительным диаметром колеса и стенкой редуктора | а1=а+т=11,5 мм |
| вi | Ширина венца шестерни | b1=82 мм b3=78 мм |
| di | Диаметры делительных окружностей зубчатых колес | d1=105,2; d2=286,8; d3=112; d4=280; |
| l1, l2, l3 | Расстояние между центрами подшип-ников и зубчатых колес промежуточ-ного вала | l1 = 59,5 мм, l2 = 148 мм, l3 = 59,5 мм. |
| Di, dn, Bni; | Диаметры наружного и внутреннего колец подшипников, ширина подшипников | Раздел 4.5 |
| К2, К3 | Размеры фланцев редуктора | К2=36 мм; К3=28 мм; |
| Dф, б4 | Размеры крышки подшипника | Раздел 4.7 |
| е | Расстояние между торцами подшипников в промежуточной опоре | е = 8 |
| L4 | Расстояние от крышки подшипника до шкива ременной передачи | L4 = 10 мм |
| L5 | Ширина шкива ременной передачи | 45 мм. |
| L6 | Расстояние от крышки подшипника до муфты | L6=10мм |
4.9 Расчёт валов на совместное действие изгиба и кручения
Валы редуктора нагружены силами, действующими в зацеплениях передач, и испытывают деформации изгиба и кручения. Для упрощения расчётов принять, что силы являются сосредоточенными, приложены в серединах венцов зубчатых колёс и направлены по нормалям к профилям зубьев в полюсах зацепления. При расчёте их раскладывают на составляющие, действующие вдоль координатных осей. Схема редуктора и усилий, действующих в передачах, приведена на рис. 4.11.
Рис. 4.11















