123725 (689577), страница 3
Текст из файла (страница 3)
Т1-1= Т2-2= Т3-3= T1=0,85Нм;
T4-4=0.
Определяем суммарные радиальные реакции [4,рис 8.2]:
;
;
;
Н;
;
Н.
Определяем результирующий изгибающий момент в наиболее опасном сечении (в точке 3) [4,рис 8.2]:
;
;
Нм2.
Эквивалентный момент:
;
;
Нм2.
5.3 Расчет промежуточного вала - червяка
Назначаем материал вала. Принимаем сталь 40Х, для которой [1, табл.8.4] σв=730Н/мм2;
Н/мм2;
Н/мм2;
Н/мм2.
Определяем диаметр выходного конца червяка из расчёта на чистое кручение
;
где [τк]=(20…25)Мпа [1,c.161]
Принимаем [τк]=20Мпа.
;
мм.
Принимаем dв=8мм.
Принимаем диаметр вала под подшипник 10мм.
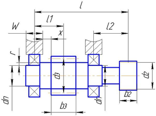
Намечаем приближенную конструкцию червяка (рис.7), увеличивая диаметр ступеней вала на 5…6мм
Рис.7 Приближенная конструкция промежуточного вала
х=8мм;
W=20мм;
r=2,5мм;
b2=18мм;
b3=28мм.
Расстояние l определяем из суммарных расстояний тихоходного и быстроходного валов с зазором между ними 25…35мм.
l=60+30+30=120мм.
l1=30мм; l2=30мм.
Учитывая, что осевые нагрузки на валу имеются предварительно назначаем подшипники шариковые радиально-упорные однорядные серии диаметров 1 по
мм подшипник №36100К6, у которого Dп=26мм; Вп=8мм [4,табл.К27].
Заменяем вал балкой на опорах в местах подшипников.
Рассматриваем вертикальную плоскость (ось у)
Определяем реакции в подшипниках в вертикальной плоскости.
МСу=0;
-RDу·0,09+Fr3·0,03+Fr2·0,12=0
RDy=(262,5·0,03+21,2·0,12)/ 0,09;
RDy==116Н.
МDу=0;
RCy·0,09- Fr3·0,06+ Fr2·0,03=0;
RCy=(262,5·0,06-21,2·0,03)/ 0,09;
RCy=168Н.
Назначаем характерные точки 1, 2, 3, и 4 и определяем в них изгибающие моменты:
М1у=0;
М2у=-RCy·0,03;
М2у=-5Нм;
М3услева=-RCy·0,09+Fr3·0,06;
М3услева=0,6Нм
М3усправа= Fr2·0,03;
М3усправа= 0,6Нм
М4у=0;
Строим эпюру изгибающих моментов Му, Нм (рис.8).
Определяем реакции в подшипниках в горизонтальной плоскости.
МСх=0;
RDx·0,09-Ft3·0,03-Ft2·0,12=0;
RDx=( 262,5·0,03+ 58,3·0,12)/0,09;
RDx=87,5Н;
МDх=0;
RCx·0,09- Ft3·0,06-Ft2·0,03=0;
RCx=(262,5·0,03+58,3·0,06)/ 0,09;
RCx=126Н.
Назначаем характерные точки 1, 2, 3 и 4 и определяем в них изгибающие моменты:
М1x=0;
М2x=-RCx·0,03;
М2x=-3,8Нм;
М3xслева= -RCx·0,09-Ft3·0,06;
М3xслева=-27Нм;
М3xсправа= Ft2·0,03;
М3xсправа=1,7Нм;
М4у=0.
Строим эпюру изгибающих моментов Му, Нм (рис.8)
Рис.8 Эпюры изгибающих и крутящих моментов промежуточного вала.
Крутящий момент
Т1-1=0;
Т2-2=-Т3-3=- T2=-2,1Нм;
Т4-4=0.
Определяем суммарные радиальные реакции [4,рис 8.2]:
;
;
;
Н;
;
Н.
Определяем результирующий изгибающий момент в наиболее опасном сечении (в точке 3) [4,рис 8.2]:
;
;
Нм.
Эквивалентный момент:
;
;
Нм.
Все рассчитанные значения сводим в табл.5.
Таблица 5
Параметры валов
| R1, H | R2, H | MИ, Нм | MИэкв, Нм | |
| Тихоходный вал | 4821 | 798 | 144 | 146 |
| Быстроходный вал | 137,4 | 13,1 | 6,2 | 6,3 |
| Промежуточный вал - червяк | 1419 | 405 | 92,5 | 93 |
6 Подбор и проверочный расчет шпонок
Выбор и проверочный расчет шпоночных соединений проводим по [4]. Обозначения используемых размеров приведены на рис.9.
Рис.9 Сечение вала по шпонке
6.1 Шпонки быстроходного вала
Для выходного конца быстроходного вала при d=6 мм подбираем призматическую шпонку со скругленными торцами по ГОСТ23360-78 bxh=2x2 мм2 при t=1,2мм (рис.9).
При длине ступицы полумуфты lм=16 мм выбираем длину шпонки l=14мм.
Материал шпонки – сталь 40Х нормализованная. Напряжения смятия и условия прочности определяем по формуле:
(6.1)
где Т – передаваемый момент, Нмм; Т1=0,85 Нм.
lр – рабочая длина шпонки, при скругленных концах lр=l-b,мм;
[]см – допускаемое напряжение смятия.
С учетом того, что на выходном конце быстроходного вала устанавливается полумуфта из ст.3 ([]см=110…190 Н/мм2) вычисляем:
Условие выполняется.
Для зубчатого колеса вала при d=15 мм подбираем призматическую шпонку со скругленными торцами bxh=5x5 мм2 при t=3мм, t1=2,3мм. Т1=0,85Нм.
При длине ступицы шестерни lш=15 мм выбираем длину шпонки l=12мм.
Материал шпонки – сталь 45 нормализованная. Проверяем напряжение смятия, подставив значения в формулу (6.1):
Условие выполняется.
6.2 Шпонки промежуточного вала
Для зубчатого колеса вала при d=8 мм подбираем призматическую шпонку со скругленными торцами bxh=2x2 мм2 при t=1,2мм, t1=1мм. Т2=2,1Нм. При длине ступицы шестерни lш=18 мм выбираем длину шпонки l=14мм.
Материал шпонки – сталь 45 нормализованная. Проверяем напряжение смятия, подставив значения в формулу (6.1):
Условие выполняется.
6.3 Шпонки тихоходного вала
Передаваемый момент Т3=21Нм.
Для выходного конца вала при d= 18мм подбираем призматическую шпонку со скругленными торцами bxh=6x6 мм2 при t=3,5мм.
При длине ступицы полумуфты lМ=20 мм выбираем длину шпонки l=16мм.
Для червячного колеса тихоходного вала при d=30 мм подбираем призматическую шпонку со скругленными торцами bxh=8x7мм2 при t=4мм.
При длине ступицы шестерни lш=28 мм выбираем длину шпонки l=22мм.
С учетом того, что на ведомом валу устанавливается колесо из бронзы ([]см=70…90 Н/мм2) вычисляем по формуле (6.1):
условие выполняется.
Таблица 6
Параметры шпонок и шпоночных соединений
| Параметр | тих.вал- полум | тих.вал- колесо | промвал-шестерня | быстр валшестер. | быстр. валполум. |
| Ширина шпонки b,мм | 6 | 8 | 2 | 5 | 2 |
| Высота шпонки h,мм | 6 | 6 | 2 | 5 | 2 |
| Длина шпонки l,мм | 16 | 22 | 14 | 12 | 14 |
| Глубина паза на валу t,мм | 3,5 | 4 | 1,2 | 3 | 1,2 |
| Глубина паза во втулке t1,мм | 2,8 | 3,3 | 1 | 2,3 | 1 |
7 Проверочный расчет валов на статическую прочность
В соответствии с табл.5 наиболее опасным является сечение 3-3 тихоходного вала, в котором имеются концентраторы напряжений от посадки зубчатого колеса с натягом, шпоночного паза и возникают наибольшие моменты. Исходные данные для расчета:
МИэкв= 146Нм;
МИ=144Нм;
Т3-3=21Нм;
dв=30мм;
в=8мм – ширина шпонки,
t=4мм – глубина шпоночного паза,
l=22мм – длина шпонки.
При расчете принимаем, что напряжения изгиба изменяются по симметричному циклу, а напряжения кручения – по отнулевому циклу.
Определяем диаметр вала в рассчитываемом сечении при допускаемом напряжении при изгибе [σ-1]и=60МПа:
мм; 30>23.
Условие соблюдается.
Определяем напряжения изгиба: σи=Ми/W;
где W – момент сопротивлению изгибу. По [4,табл.11.1]:
;
мм3;
σи=144000/32448=4,4Н/мм2.
При симметричном цикле его амплитуда равна: σа= σи =4,4Н/мм2.
Определяем напряжения кручения: τк=Т3-3/Wк;
где Wк – момент сопротивлению кручению. По [4,табл.22.1]:
;
мм3;
τк=21000/64896=0,3Н/мм2.
При отнулевом цикле касательных напряжений амплитуда цикла равна:
τа= τк /2=0,3/2=0,15Н/мм2.
Определяем коэффициенты концентрации напряжении вала [4, с.258]:
(Кσ)D=( Кσ/Кd+ КF-1)/ Кy;
(Кτ)D=( Кτ/Кd+ КF-1)/ Кy; (7.1)
где Кσ и Кτ – эффективные коэффициенты концентрации напряжений,
по табл.11.2 [4] выбираем для шпоночных пазов, выполненных концевой фрезой Кσ =1,6, Кτ =1,4;
Кd – коэффициент влияния абсолютных размеров поперечного сечения, по табл.11.3 [4] выбираем Кd =0,75;
КF- коэффициент влияния шероховатости, по табл.11.4 [4] выбираем для шероховатости Rа=1,6 КF=1,05;
Кy - коэффициент влияния поверхностного упрочнения, по табл.11.4 [4] выбираем для закалки с нагревом ТВЧ Кy =1,5.
Подставив значения в формулы (7.1) получим:
(Кσ)D=( 1,6/0,75+ 1,05-1)/ 1,5=1,45;
(Кτ)D=( 1,4/0,75+ 1,05-1)/ 1,5=1,28.
Определяем пределы выносливости вала [4, c263]:
(σ-1)D=σ-1/(Кσ)D; (τ-1)D=τ-1/(Кτ)D; (7.2)
где σ-1 и τ-1 – пределы выносливости гладких образцов при симметричном цикле изгиба и кручения, по табл.3. [4] σ-1 = 380Н/мм2 , τ-1 ≈0,58 σ-1 =220Н/мм2;
(σ-1)D=380/1,45=262Н/мм2; (τ-1)D=220/1,28=172 Н/мм2.
Определяем коэффициенты запаса прочности по нормальным и касательным напряжениям 4, c263]:
















