123725 (689577), страница 2
Текст из файла (страница 2)
Проверку контактных напряжений производим по формуле [4, c.77]:
; (3.10)
где: К – коэффициент нагрузки, при окружной скорости колеса менее 3м/с К=1.
Определяем ∆σН
;
;
недогрузки, что допускается.
3.3 Проверочный расчет зубьев на изгиб
Расчетное напряжение изгиба в основании ножки зубьев колеса [4,с.78]:
; (3.11)
где: YF– коэффициент формы зуба колеса, YF =1,55 [4,табл.4.10].
Подставив значения в формулу получим:
;
Прочность зубьев на изгиб обеспечивается.
Определяем ∆σF
;
Все вычисленные параметры проверочных расчетов заносим в табл.3.
Таблица 3
Параметры проверочных расчетов
| Параметр | Обозн. | Допускаемое | Расчетное | Недогрузка(-) или перегрузка(+) |
| Контактное напряжение, МПа | σН | 195 | 154 | -20% |
| Напряжение изгиба, МПа | σF1 | 97,5 | 10,1 | -79% |
4 Расчет быстроходной ступени привода
Межосевое расстояние для быстроходной ступени для того, чтобы корпус редуктора был разъемным по осям валов принимаем равным 50мм. а=50мм. Определяем модуль [2,c.36]:
mn=(0,01…0,02)·50;
mn=0,5…1;
Принимаем mn=1.
Определяем суммарное число зубьев по формуле (3.12) [1,c.36]:
zΣ=2а/mn;
zΣ=2·50/1; zΣ=100
Принимаем zΣ=100.
Определяем число зубьев шестерни и колеса по формулам (3.13) [2,c.37]:
z1= zΣ/(U1+1); z1=100/(2,5+1);
z1=28,5; принимаем z1=28.
Тогда z2= zΣ-z1=100-28=72
Фактическое передаточное соотношение U1=72/28=2,57
Отклонение передаточного числа от номинального незначительное.
Определяем делительные диаметры шестерни и колеса по формуле (3.17) [2,c.37]:
d1=mn·z1=1х28=28мм;
d2=mn·z2=1х72=72мм;
Определяем остальные геометрические параметры шестерни и колеса по формулам [2,c.37]:
;
;
;
;
;
мм;
;
мм;
;
мм;
;
мм;
;
мм;
;
мм;
;
мм
;
мм;
;
мм;
Определяем окружные скорости колес
;
м/с.
Назначаем точность изготовления зубчатых колес – 7А [2,c.32].
Определяем силы в зацеплении [4, табл.6.1]:
- окружная
;
Н;
- радиальная
; где α=20° - угол зацепления;
;
Н;
Осевые силы в прямозубой передачи отсутствуют.
Все вычисленные параметры заносим в табл.4.
Таблица 4
Параметры зубчатой передачи быстроходной ступени
| Параметр | Шестерня | Колесо |
| mn,мм | 1 | |
| ha,мм | 1 | |
| ht,мм | 1,25 | |
| h,мм | 2,25 | |
| с, мм | 0,25 | |
| z | 28 | 72 |
| d,мм | 28 | 72 |
| dа,мм | 30 | 74 |
| df,мм | 25,5 | 69,5 |
| b, мм | 15 | 18 |
| аW,мм | 50 | |
| v, м/с | 4 | |
| Ft, Н | 58.3 | |
| Fr, Н | 21,2 | |
5 Проектный расчет валов редуктора
По кинематической схеме привода составляем схему усилий, действующих на валы редуктора по закону равенства действия и противодействия. Для этого мысленно расцепим шестерни и колеса редуктора, при этом дублирующий вал не учитываем.
Схема усилий приведена на рис.1.
Рис.2 Схема усилий, действующих на валы редуктора.
Из табл.1,2,4 выбираем рассчитанные значения:
Т1=0,85 Нм; Т2=2,1 Нм; Т3=21 Нм;
Ft1= Ft2=58,3 Н; Ft3=262,5 Н; Ft4=525 Н; Fr1= Fr2=21,2 Н;
Fr3= Fr4=262,5 Н; d1=28мм; d2=72мм; d3=16мм; d4=80мм.
Fm1 и Fm1 – консольные силы от муфт, которые равны [4, табл.6.2]:
;
;
Н;
Н.
Rx и Ry – реакции опор, которые необходимо рассчитать.
Так как размеры промежуточного вала определяются размерами остальных валов, расчет начнем с тихоходного вала.
5.1 Расчет тихоходного вала редуктора
Схема усилий действующих на валы редуктора представлена на рис.2.
Назначаем материал вала. Принимаем сталь 40Х, для которой [2, табл.8.4] σв=730Н/мм2;
Н/мм2;
Н/мм2;
Н/мм2.
Определяем диаметр выходного конца вала под полумуфтой из расчёта на чистое кручение [2,c.161]:
где [τк]=(20…25)МПа
Принимаем [τк]=20МПа.
;
мм.
Принимаем окончательно с учетом стандартного ряда размеров Rа20 (ГОСТ6636-69):
мм.
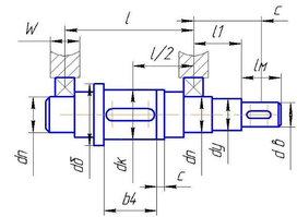
Намечаем приближенную конструкцию ведомого вала редуктора (рис.3), увеличивая диаметр ступеней вала на 5…6мм, под уплотнение допускается на 2…4мм и под буртик на 10мм.
Рис.3 Приближенная конструкция тихоходного вала
мм;
мм – диаметр под уплотнение;
мм – диаметр под подшипник;
мм – диаметр под колесо;
мм – диаметр буртика;
b4=28мм.
Учитывая, что осевые нагрузки на валу имеются предварительно назначаем подшипники шариковые радиально-упорные однорядные серии диаметров 2 по
мм подшипник №46205, у которого Dп=52мм; Вп=15мм [4,табл.К27].
Выбираем конструктивно остальные размеры: W=20мм; lм=20мм; l1=35мм; l=60мм; с=5мм.
Определим размеры для расчетов: l/2=30мм;
с=W/2+ l1+ lм/2=55мм – расстояние от оси полумуфты до оси подшипника.
Проводим расчет тихоходного вала на изгиб с кручением.
Заменяем вал балкой на опорах в местах подшипников (см. рис.4). Назначаем характерные точки 1,2, 3 и 4.
Определяем реакции в подшипниках в вертикальной плоскости.
ΣМ2y=0; RFy·0,06-Fr4·0,03=0
RFy= 262,5·0,03/ 0,06;
RЕy= RFy=131Н.
Определяем изгибающие моменты в характерных точках: М1у=0; М2у=0; М3у= RЕy·0,03; М3у =4Нм2; М3у=0;
Строим эпюру изгибающих моментов Му, Нм2 (рис.3)
Определяем реакции в подшипниках в горизонтальной плоскости.
ΣМ4x=0; Fm2·0,115- RЕx·0,06+ Ft4·0,03=0;
RЕx=( 1145·0,115+ 525·0,03)/ 0,06;
RЕx=4820Н;
ΣМ2x=0; -Fm2·0,055+ Ft4·0,03+ RFx·0,06=0;
RFx= (1145·0,055- 525·0,03)/ 0,06;
RFx=787Н.
Определяем изгибающие моменты:
М1х=0;
М2= -Fr4·0,03
М2х=-262,5·0,03;
М2х=-8Нм;
М3хслева=-Fm2·0,085-RЕх ·0,055;
М3хслева==-1145·0,085-787·0,03;
М3хслева=-121Нм;
М3х=- REх ·0,055;
М3х=- 4820 ·0,03;
М3х=- 144;
М4х=0;
Строим эпюру изгибающих моментов Мх.
Рис.4 Эпюры изгибающих моментов тихоходного вала
Крутящий момент Т1-1= Т2-2= Т3-3= T3=21Нм; T4-4=0.
Определяем суммарные радиальные реакции [4,рис 8.2]:
;
;
;
Н;
;
Н.
Определяем результирующий изгибающий момент в наиболее опасном сечении (в точке 3) [4,рис 8.2]:
;
;
Нм2.
Эквивалентный момент:
;
;
Нм2.
5.2 Расчет быстроходного вала редуктора
Схема усилий, действующих на быстроходный вал представлена на рис.2.
Назначаем материал вала. Принимаем сталь 40Х, для которой [2, табл.8.4] σв=730Н/мм2;
Н/мм2;
Н/мм2;
Н/мм2.
Определяем диаметр выходного конца вала под полумуфтой из расчёта на чистое кручение [2,c.161]:
где [τк]=(20…25)Мпа
Принимаем [τк]=20Мпа.
;
мм.
Принимаем окончательно с учетом стандартного ряда размеров Rа10 (ГОСТ6636-69):
мм.
Намечаем приближенную конструкцию быстроходного вала вала редуктора (рис.5), увеличивая диаметр ступеней вала на 5…6мм, под уплотнение допускается на 2…4мм и под буртик на 10мм.
мм;
мм – диаметр под уплотнение;
мм – диаметр под подшипник;
мм – диаметр под ступицу шестерни;
мм – диаметр буртика;
b1=15мм.
Учитывая, что осевых нагрузок на валу нет предварительно назначаем подшипники шариковые радиальные однорядные особо легкой серии по
мм подшипник №100, у которого Dп=26мм; Вп=8мм [4,табл.К27].
Выбираем конструктивно остальные размеры:
W=14мм; lм=16мм; l1=25мм; l=60мм.
Определим размеры для расчетов:
l/2=30мм; с=W/2+ l1+ lм/2=40мм – расстояние от оси полумуфты до оси подшипника.
Проводим расчет быстроходного вала на изгиб с кручением.
Рис.5 Приближенная конструкция быстроходного вала
Заменяем вал балкой на опорах в местах подшипников (см. рис.6). Назначаем характерные точки 1,2, 3 и 4.
Определяем реакции в подшипниках в вертикальной плоскости.
ΣМ2y=0; RАy·0,06-Fr1·0,03=0 RАy= 21,2·0,03/ 0,06; RАy= RВy=10,6Н.
Определяем изгибающие моменты в характерных точках:
М1у=0;
М2у=0;
М3у= RАy·0,03;
М3у =0,5Нм2;
М3у=0;
Строим эпюру изгибающих моментов Му, Нм2 (рис.6).
Определяем реакции в подшипниках в горизонтальной плоскости.
ΣМ4x=0; Fm1·0,1- RАx·0,06+ Ft1·0,03=0;
RАx= (64,5·0,1+ 58,3·0,03)/ 0,06;
RАx=137Н;
Рис.6 Эпюры изгибающих моментов быстроходного вала
ΣМ2x=0; Fm1·0,02- Ft1·0,03+ RВx·0,06=0;
RВx= (58,3·0,03- 64,5·0,02)/ 0,06;
RВx=7,7Н
Определяем изгибающие моменты:
М1х=0;
М2= -Fm1·0,04
М2х=-64,5·0,04;
М2х=-2,6Нм;
М3хсправа=-Fm1·0,1+RВх ·0,03;
М3хсправа==-64,5·0,1+7,7 ·0,03;
М3хсправа=-6,2Нм;
М3х=- RАх ·0,03;
М3х=- 137 ·0,03;
М3х=- 4,1;
М4х=0;
Строим эпюру изгибающих моментов Мх. Крутящий момент
















