123696 (689564)
Текст из файла
Содержание
3
4
5
6
11
14
17
19
22
25
29
32
35
36
Вступление
Задача 1: Выбор посадки с натягом
Задача 2: Расчет переходной посадки на вероятность получения натягов и зазоров
Задача 3: Контроль размеров (расчет исполнительных размеров калибров и контркалибров)
Задача 4: Выбор посадки колец подшипника
Задача 5: Метод центрирования и выбор посадки шлицевого соединения
Задача 6: Степень точности и контролируемые параметры цилиндрической зубчатой передачи
Задача 7: Расчет размерной цепи для обеспечения заданного замыкающего звена
Задача 8: Основные размеры и предельные отклонения резьбовых соединений
Задача 9: Определение вида шпоночного соединения
Заключение
Список используемой литературы
Введение
Курсовой проект включает в себя решение задач по темам:
-
Посадки;
-
Шлицевые соединения;
-
Зубчатая передача;
-
Резьбовые соединения;
-
Шпоночные соединения;
-
Размерные цепи.
Целью решения задач является более глубокое усвоение основных теоретических положений и приобретение навыков по выбору посадок для различного соединения деталей в зависимости от их технического назначения (резьбовые, шпоночные и другие соединения), по составлению и решению размерных цепей, а также совершенствование навыков поиска и использования нормативных документов (ГОСТ, СТ СЭВ и т.д.) и табличных данных.
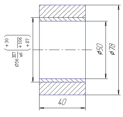
1. Рассчитать и выбрать посадку для соединения 2-3 при следующих исходных данных:
Крутящий момент Mкр = 0
Осевая сила Pос = 5300 Н
Номинальный диаметр d = 56 мм
Длина контакта l = 40 мм
Коэффициент трения-сцепления f = 0,13
Диаметр внутреннего отверстия d1 = 50 мм
Диаметр втулки d2 = 78 мм
Материал вала Сталь 45
Материал втулки БрО4Ц4С17
Вид запрессовки Механическая
Высота микронеровностей вала Rzd = 5 мкм
Высота микронеровностей втулки RzD = 10 мкм
Рабочая температура соединения t = 60ْ С
Условия работоспособности:
1. Отсутствие проскальзывания;
2. Отсутствие пластических деформаций в соединении.
При расчетах используются выводы задачи Ляме (определение напряжений и перемещений в толстостенных полых цилиндрах).
По известным значениям внешних нагрузок (Mкр; Pос) и размерам соединения (d; l) определяется требуемое минимальное удельное давление на контактных поверхностях соединения по формуле [1.1]:
, [1.1]
где Pос – продольная осевая сила, стремящаяся сдвинуть одну деталь относительно другой; Mкр – крутящий момент, стремящийся повернуть одну деталь относительно другой; l – длина контакта сопрягаемых поверхностей; f – коэффициент трения-сцепления.
По полученному значению p определяется необходимая величина наименьшего расчетного натяга N’min [1.2]
, [1.2]
где E1 и E2 – модули упругости материалов деталей; c1 и c2 – коэффициенты Ляме, определяемые по формулам [1.3] и [1.4]
, [1.3]
, [1.4]
где d1 – диаметр внутреннего отверстия; d2 – диаметр втулки; μ1 и μ2 – коэффициенты Пуассона.
Принимаются значения E1 = 1,96·105 Н/мм2, E2 = 0,84·105 Н/мм2, μ1 = 0,3, μ2 = 0,35 (табл. 1.106, стр. 335. Мягков том 1).
Определяются с учетом поправок к N’min величина минимального допустимого натяга [1.5]
, [1.5]
где γш – поправка, учитывающая смятие неровностей контактных поверхностей деталей при образовании соединения [1.6]
[1.6]
γt – поправка, учитывающая различие коэффициентов линейного расширения материалов деталей [1.7]
, [1.7]
где αD и αd – коэффициенты линейного расширения материалов;
– разность между рабочей и нормальной температурой
Принимаются значения αD = 17,6·10-6 град-1, αd = 11,5·10-6 град-1 (табл. 1.62, стр. 187-188, Мягков том 1).
На основе теории наибольших касательных напряжений определяется максимальное допустимое удельное давление [pmax], при котором отсутствует пластическая деформация на контактных поверхностях деталей. В качестве [pmax] берется наименьшее из двух значений, определенных по формулам [1.8] и [1.9]
, [1.8]
, [1.9]
где σТ1 и σТ2 – предел текучести материалов деталей.
Принимаются значения σТ1 =355 МПа (табл. 3, стр. 97, Анурьев том 1), σТ2 = 147 МПа (табл. 68, стр. 198, Анурьев том 1).
Определяется величина наибольшего расчетного натяга N’max [1.10]
[1.10]
Определяется с учетом поправок к N’min величина максимального допустимого натяга [1.11]
, [1.11]
где γуд – коэффициент удельного давления у торцов охватывающей детали.
Принимается значение γуд = 0,93 (по графику рис. 1.68, стр. 336, Мягков том 1).
Выбирается посадка из таблиц системы допусков и посадок (табл.1.49, стр. 156, Мягков том 1)
,
для которого Nmax = 106 мкм < [Nmax], Nmin = 57 мкм > [Nmin].
рис.1.1
рис.1.2
рис.1.3
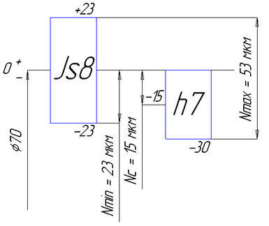
2. Для соединения 16-17 определить вероятностные характеристики заданной переходной посадки:
.
рис.2.1
рис.2.2
Рассчитывается посадка, и определяются минимальный и максимальный натяг [2.1], [2.2], [2.3]
, [2.1]
, [2.2]
, [2.3]
поля допусков [2.4], [2.5]
, [2.4]
, [2.5]
где ВО – верхнее отклонение отверстия; во – верхнее отклонение вала; НО – нижнее отклонение отверстия; но – нижнее отклонение вала. (ВО=30 мкм , НО=-10 мкм , во=25 мкм , но=0 мкм)
Определяется среднее квадратичное отклонение натяга (зазора) по формуле [2.6]
[2.6]
Определяется предел интегрирования [2.7]
[2.7]
Принимается значение функции Ф(1.65) = 0.4505 (табл. 1.1, стр. 12, Мягков том 1).
Рассчитывается вероятность натягов [2.8] (или процент натягов [2.9]) и вероятность зазора [2.10] (или процент зазоров [2.11]):
[2.8]
[2.9]
[2.10]
[2.11]
вероятность натяга
процент натяга
вероятность зазора
процент зазора
рис.2.3
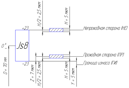
3. Рассчитать исполнительные размеры гладких предельных калибров (контркалибров) для контроля деталей соединения: 16-17.
Расчет исполнительных размеров калибра-скобы для вала h7
рис.3.1
Проходная сторона рассчитывается по формуле [3.1], граница износа – [3.2], непроходная сторона – [3.3]
, [3.1]
, [3.2]
, [3.3]
где d – номинальный диаметр вала; во – верхнее отклонение вала; но – нижнее отклонение вала; Z1 – отклонение середины поля допуска на изготовление проходного калибра для вала относительно наибольшего предельного размера изделия; Y1 – допустимый выход размера изношенного проходного калибра для вала за границу поля допуска изделия.
Принимаются значения Z1 = 4 мкм, Y1 = 3 мкм (табл. 2, стр. 8, ГОСТ 24853-81).
Допуска на изготовление калибров для вала (проходной и непроходной стороны) принимается H1 = 5 мкм (табл. 2, стр. 8, ГОСТ 24853-81).
Допуска на изготовление контркалибров для вала (проходной и непроходной стороны, границы износа) принимается Hр = 2 мкм (табл. 2, стр. 8, ГОСТ 24853-81).
Исполнительные размеры калибра-скобы:
проходная сторона
,
непроходная сторона
.
Исполнительные размеры контркалибра-скобы:
проходная сторона
,
непроходная сторона
,
граница износа
.
рис.3.2
Расчет исполнительных размеров калибра-пробки для отверстия Js8
рис.3.3
Проходная сторона рассчитывается по формуле [3.4], граница износа – [3.5], непроходная сторона – [3.6]
, [3.4]
, [3.5]
, [3.6]
где D – номинальный диаметр вала; ВО – верхнее отклонение отверстия; НО – нижнее отклонение отверстия; Z – отклонение середины поля допуска на изготовление проходного калибра для отверстия относительно наименьшего предельного размера изделия; Y – допустимый выход размера изношенного проходного калибра для отверстия за границу поля допуска изделия.
Принимаются значения Z = 7 мкм, Y = 5 мкм (табл. 2, стр. 8, ГОСТ 24853-81).
Допуска на изготовление калибров для отверстия (проходной и непроходной стороны) принимается H = 5 мкм (табл. 2, стр. 8, ГОСТ 24853-81).
Исполнительные размеры калибра-скобы:
проходная сторона
,
непроходная сторона
.
рис.3.4
4. Выбрать посадки для колец 7 и 8 подшипника №421.
Класс точности 0
Радиальная реакция в опорах R = 45 кН
Перегрузка 100%
Характер нагружения: вращающийся вал
Диаметр внутреннего кольца d = 105 мм
Диаметр внешнего кольца D = 260 мм
Ширина подшипника B = 60 мм
Ширина фаски кольца подшипника r = 4 мм
При характере нагружения – вращающийся вал внутреннее кольцо испытывает циркуляционное нагружение, внешнее – местное. Интенсивность нагрузки подсчитывается по формуле [4]
, [4.1]
где R – радиальная реакция в опорах; B – ширина подшипника; r – ширина фаски кольца подшипника, kП – динамический коэффициент посадки, зависящий от характера нагрузки (при перегрузке до 150%, умеренных толчках и вибрации kП = 1); F – коэффициент, учитывающий степень ослабления посадочного натяга при полом вале или тонкостенном корпусе (при сплошном вале F = 1, табл. 4.90, стр. 286, Мягков том 2); FA – коэффициент неравномерности распределения радиальной нагрузки R между рядами роликов (FA = 1 для радиальных и радиально-упорных подшипников).
Характеристики
Тип файла документ
Документы такого типа открываются такими программами, как Microsoft Office Word на компьютерах Windows, Apple Pages на компьютерах Mac, Open Office - бесплатная альтернатива на различных платформах, в том числе Linux. Наиболее простым и современным решением будут Google документы, так как открываются онлайн без скачивания прямо в браузере на любой платформе. Существуют российские качественные аналоги, например от Яндекса.
Будьте внимательны на мобильных устройствах, так как там используются упрощённый функционал даже в официальном приложении от Microsoft, поэтому для просмотра скачивайте PDF-версию. А если нужно редактировать файл, то используйте оригинальный файл.
Файлы такого типа обычно разбиты на страницы, а текст может быть форматированным (жирный, курсив, выбор шрифта, таблицы и т.п.), а также в него можно добавлять изображения. Формат идеально подходит для рефератов, докладов и РПЗ курсовых проектов, которые необходимо распечатать. Кстати перед печатью также сохраняйте файл в PDF, так как принтер может начудить со шрифтами.















