123341 (689437), страница 2
Текст из файла (страница 2)
Разработка топологии
Резисторы
В гибридных интегральных микросхемах широко применяются тонкопленочные резисторы. Сопоставляя физические свойства пленок с техническими требованиями к параметрам резистора, выбирают подходящий материал. При этом руководствуются следующими соображениями: необходимо, чтобы резистор занимал возможно меньшую площадь, а развиваемая в нем температура не должна нарушать стабильность параметров, ускорять процессы старения, выводить величину сопротивления за рамки допуска. По возможности стараются применить более толстые пленки, т.к. у очень тонких ухудшается стабильность сопротивления.
Из сказанных выше соображений выбираем сплав РС-3710, у которого имеются следующие характеристики: диапазон сопротивлений 10…20000 Ом, Удельное сопротивление 100…2000 Ом/, Удельная мощность 20 мВт/мм2, ТКС M = 3.5*10-4, = 1.5*10-4, коэффициент старения MКСТ = 2*10-6 ч-1, КСТ = 0.1*10-6.
Так же имеются конструкционные и технологические ограничения: минимальная длинна резистора l0 = 0.1 мм, минимальная ширина резистора b0 = 0.05 мм, минимальная длинна контактного перехода lк = 0.1 мм, минимальное расстояние между краями перекрывающих друг друга пленочных элементов h = 0.05 мм.
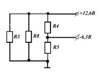
Для дальнейшего расчета резисторов необходимо знать их рассеиваемую мощность. Для этого все элементы в схеме, кроме резисторов заменим эквивалентами данных элементов, кроме диодов, учитывая их внутреннее сопротивление их PN – перехода, т.е. электрическая схема после замены элементов будет выглядеть следующим образом Рис 4.1:
а) б)
Рис. 4.1
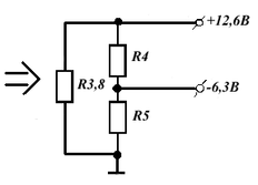
Для расчета токов будем использовать схему, изображенную на рис. 4.1в. Расчет будем вести по законам Кирхгофа.
Необходимые для расчета номиналы
R4=3,6 кОм, R3,8=197 Ом , R5=1,2 кОм, U2=12,6B, U1=-6,3B, допустимое относительное отклонение сопротивления от номинального значения для всех резисторов составляет
.
Для дальнейшего расчета мощности можно воспользоваться следующей формулой:
(1)
а для расчета токов в цепи воспользуемся законами Кирхгофа:
(2)
Решая систему (2) определим токи в цепи:
Далее перейдем к рис. 4.1а:напряжение на R3,8=6,107В, используя закон Ома
найдем токи I8 и I3:
I8=0,025A
I3=0,001A
Далее определим мощность резисторов R5, R4, R3 и R8 в отдельности, для этого воспользуемся формулой (1):
Для резистора R5:
Вт.
Для резистора R4:
Вт.
Для резистора R3:
Вт.
Для резистора R8:
Вт.
Для остальных резисторов, не вошедших в упрощенную схему, мощность будем определять по минимальному току I3:
Для резистора R2, 6,7:
Вт.
Для резистора R1:
Вт.
Дальнейший расчет резисторов будем проводить в соответствии с [1].
Приведем конструктивный расчет R4:
Зададимся коэффициентом влияния = 0,014 и вычислим коэффициенты влияния:
;
;
;
.
Определим среднее значение и половины полей рассеяния относительной погрешности сопротивления, вызванной изменением температуры по следующим формулам:
;
(3)
где
- среднее значение температурного коэффициента сопротивления резистивной пленки.
,
- верхняя и нижняя предельные температуры окружающей среды.
;
(4)
;
(5)
Таким образом, подставляя исходные данные в формулы (3) – (5) получаем следующее:
;
;
;
;
Определим среднее значение и половину поля рассевания относительной погрешности сопротивления, вызванное старением резистивного материала по формулам:
(6)
(7)
где
- среднее значение коэффициента старения резистивной пленки сопротивления.
- половина поля рассеяния коэффициента старения сопротивления резистивной пленки.
;
(8)
;
(9)
Таким образом, получаем следующее:
(10)
(11)
(12)
(13)
Определим допустимое значение случайной составляющей поля рассеяния суммарной относительной погрешности сопротивления по следующей формуле:
(14)
(15)
где:
,
,
Положив МRПР = 0, тогда:
(16)
(17)
Определим допустимое значение случайной составляющей поля рассеяния производственной относительной погрешности сопротивления по следующей формуле:
(18)
(19)
Подставим вычисленные выше значения в данную формулу, получим:
Определим допустимое значение случайной составляющей поля рассеяния производственной относительной погрешности коэффициента формы, по следующей формуле:
(20)
Подставим значения и получим:
Определим расчетное значение коэффициента форм резистора:
(21)
Определим ширину резистивной пленки:
мм (22)
мм (23)
мм (24)
(25)
мм (26)
мм (27)
Определим сопротивление контактного перехода резистора:
Ом (28)
Ом (29)
Проверим следующее условие:
(30)
Определим длину резистора:
мм (31)
мм (32)
Теперь определим среднее значение коэффициента формы:
(33)
Определим среднее значение МRПР и половину поля рассеяния RПР относительной производственной погрешности:
(34)
(35)
(36)
(37)
(38)
(39)
Определим граничные условия поля рассеяния относительной погрешности сопротивления резистора:
(40)
(41)
Определяем длину резистивной пленки и площадь резистора:
мм (42)
мм2 (43)
Определим коэффициент нагрузки резистора:
(44)
Подобно этому расчету рассчитываем остальные резисторы, а результаты заносим в таблицу №1.
Таблица №1
| Резисторы | α | L,мм | b, мм | S, мм | КН | P, мВт |
| R1 | 0,009 | 3,2 | 0,3 | 0,96 | 0,5208 | 10 |
| R2, R3, R6, R7 | 0,009 | 3,8 | 0,3 | 1,14 | 0,5263 | 12 |
| R4 | 0,014 | 2,7 | 0,7 | 1,89 | 0,8466 | 32 |
| R5 | 0,017 | 1,6 | 1,2 | 1,92 | 0,7813 | 30 |
Расчёт резистора типа “квадрат”
Приведём конструкционный расчёт резистора типа “квадрат” R8:
Зададимся коэффициентом влияния = 0.04 и вычислим коэффициенты влияния:
;
;
;
(45)
Определим среднее значение и половины полей рассеяния относительной погрешности сопротивления, вызванной изменением температуры по следующим формулам:
;
(46)
где
- среднее значение температурного коэффициента сопротивления резистивной пленки.
,
- верхняя и нижняя предельные температуры окружающей среды.
;
(47)
;
(48)
Таким образом, подставляя исходные данные в формулы (46) – (48) получаем следующее:
;
;
;
;
Определим среднее значение и половину поля рассевания относительной погрешности сопротивления, вызванное старением резистивного материала по формулам:
(49)
(50)
где
- среднее значение коэффициента старения резистивной пленки сопротивления.
- половина поля рассеяния коэффициента старения сопротивления резистивной пленки.
;
(51)
;
(52)
Таким образом, получаем следующее:
(53)
(54)
(55)
(56)
Определим допустимое значение случайной составляющей поля рассеяния суммарной относительной погрешности сопротивления по следующей формуле:
(57)
(58)
где:
,
,
Положив МRПР = 0, тогда:
(59)
(60)
Допустимое значение случайной составляющей поля рассеяния производственной относительной погрешности сопротивления по следующей формуле:
(61)
(62)
Подставим вычисленные выше значения в данную формулу, получим:
(63)
(64)
(65)
Определим допустимое значение случайной составляющей поля рассеяния производственной относительной погрешности коэффициента формы, по следующей формуле:
(66)
Подставим значения и получим:
(67)
Определим расчетное значение коэффициента форм резистора:
(68)
Определим ширину резистивной пленки:
мм (69)
мм (70)
мм (71)
(72)
мм (73)
мм (74)
Определим сопротивление контактного перехода резистора:
Ом (75)
Ом (76)
Проверим следующее условие:
(77)
Определим среднее значение коэффициента формы:
(78)
Определим среднее значение МRПР и половину поля рассеяния RПР относительной производственной погрешности:
(79)
(80)
(81)
(82)
(83)
Определим граничные условия поля рассеяния относительной погрешности сопротивления резистора:
















