123326 (689427)
Текст из файла
Оглавление
Оглавление
1 СТРУКТУРНЫЙ АНАЛИЗ МЕХАНИЗМОВ
1.1 Структурный анализ рычажного механизма
1.2 Структурный анализ зубчатого механизма
1.3 Структурный анализ кулачкового механизма
2. ДИНАМИЧЕСКИЙ АНАЛИЗ РЫЧАЖНОГО МЕХАНИЗМА
2.1 Определение скоростей
2.2 Определение приведённого момента инерции звеньев
2.3 Определение приведённого момента сопротивления
3. СИЛОВОЙ АНАЛИЗ РЫЧАЖНОГО МЕХАНИЗМА
3.1 Построение плана скоростей для расчётного положения
3.2 Определение ускорений
3.3 Определение сил и моментов инерции звеньев
3.4 Определение реакций в кинематических парах и уравновешивающей силы методом планов
3.5 Определение уравновешивающей силы методом Жуковского
3.6 Расчёт погрешности 2-х методов
4. ПРОЕКТИРОВАНИЕ КИНЕМАТИЧЕСКОЙ СХЕМЫ ПЛАНЕТАРНОГО РЕДУТОРА И РАСЧЁТ ЭВОЛЬВЕНТНОГО ЗАЦЕПЛЕНИЯ
4.1 Подбор числа зубьев и числа сателлитов планетарного редуктора
4.2 Исследование планетарного механизма графическим и аналитическим способом
1 СТРУКТУРНЫЙ АНАЛИЗ МЕХАНИЗМОВ
1.1 Структурный анализ рычажного механизма
Подвижные звенья механизма.
1-кривошип
2-шатун
3-коромысло
4-кулисный камень
5-кулиса
Рисунок 1.
Кинематические пары. 1
О (0-1),вр.,5 кл.
А (1-2),вр.,5 кл.
В (2-3),вр.,5 кл.
С (0-3),вр.,5 кл.
D (3-4),вр.,5 кл.
D' (4-5),пост.,5 кл.
E (0-5),пост.,5 кл.
Найдём число степеней свободы.
Запишем формулу Чебышева.
W=3∙n-2∙P5-P4 (1.1)
Где: W-число степеней свободы,
n-число подвижных звеньев,
P4 - число пар 4-го класса,
P5 - число пар 5-го класса.
W=3∙5-2∙7=1
Число степеней свободы рычажного механизма равно 1.
Разобьём механизм на группы Асура и
рассмотрим каждую группу в отдельности.
(Рисунок 1.2)
Группа 4-5
E (0-5)-внешняя
D (3-4)-внешняя
D' (4-5)-внутренняя
W=3∙2-2∙3=0
(Рисунок 1.3)
Группа 2-3
А (1-2)-внешняя
В (2-3)-внутренняя
С (0-3)-внешняя
W=3∙2-2∙3=0
Рисунок 1.3
Начальное звено (Рисунок 1.4)
O (0-1)
W=3-2=1
Рисунок 1.4
Составим структурную формулу:
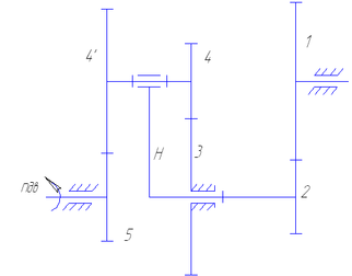
1.2 Структурный анализ зубчатого механизма
Подвижные звенья механизма.
1 – зубчатое колесо
H – водило
4-4’ – сдвоенный сателлит
5 – центральное колесо
(солнечное)
Кинематические пары.
(1-0),вр.,5 кл.
(2-0),вр.,5 кл.
(4-H),вр.,5 кл.
(5-0),вр.,5 кл.
(1-2),вр.,4 кл.
(3-4),вр.,4 кл.
(4‘-5),вр.,4 кл. Рисунок 1.5
Найдём число степеней свободы.
Запишем формулу Чебышева.
W=3∙n-2∙P5-P4 (1.1)
W=3∙4-2∙4-3=1
Число степеней свободы зубчатого механизма равно 1, следовательно, данный механизм является планетарным.
1.3 Структурный анализ кулачкового механизма
1-кулачок
2-ролик
3-толкатель
Кинематические пары.
А (1-0),вр.,5 кл.
В (1-2),4 кл.
С (2-3),вр.,5 кл. Рисунок 1.6
D (3-0),пост.,5 кл.
Найдём число степеней свободы.
W=3∙n-2∙P5-P4
W=3∙3-2∙3-1=2
Число степеней свободы равно 2.
W≠1 т.к. присутствует лишнее звено ролик.
Определим число лишних звеньев по формуле:
q=W-W1 где,
q-число лишних звеньев,
W1-число степеней свободы плоского механизма,
W-имеющееся число степеней свободы.
q=2-1=1
Для получения W=1 отбросим лишнее звено и рассмотрим новую схему.
Звенья механизма.
1-кулачок
3-толкатель
Кинематические пары.
А (1-0),вр.,5 кл.
В (1-3),4 кл.
С (0-3),вр.,5 кл. Рисунок 1.7
Найдём число степеней свободы.
W=3∙n-2∙P5-P4
W=3∙3-2∙2-1=1
Число степеней свободы кулачкового механизма равно 1.
2. ДИНАМИЧЕСКИЙ АНАЛИЗ РЫЧАЖНОГО МЕХАНИЗМА
2.1 Определение скоростей
Для заданной схемы механизма строим 12 положений.
Определяем масштабный коэффициент построения механизма:
(2.1)
где:
- масштабный коэффициент,
- длина звена,
- длина звена на чертеже,
Приступаем к построению повёрнутых планов скоростей для каждого положения. Рассмотрим пример построения для положения №5:
У кривошипа определяем скорость точки А
(2.2)
где:
- длина звена,
- угловая скорость кривошипа,
Для построения вектора скорости точки А определяем масштабный коэффициент
(2.3)
где:
- скорость точки А,
- вектор скорости точки А,
- полюс, выбираемый произвольно
Для определения скорости точки B запишем систему уравнений:
(2.4)
Вектор скорости точки А – VA известен по величине и по направлению. Вектор скорости точки С – VC равен нулю, т. к. точка С расположена на неподвижной шарнирной опоре. Вектора скорости VBA и VBC неизвестны ни по величине, ни по направлению, но нам известны их линии действия, на пересечении которых мы получим точку b. Соединив, полученную точку с полюсом π найдём длину вектора скорости точки B.
Для определения скорости центра масс 2-го звена S2 воспользуемся соотношением:
(2.5)
где:
,
- расстояния между соответствующими точками на механизме, м
,
- длинны векторов скоростей на плане, мм
мм
Соединив, точку
и π получим скорость центра масс второго звена.
Для определения скорости точки D воспользуемся следующим соотношением
(2.6)
где:
,
- расстояния между соответствующими точками на механизме, м
,
- длинны векторов скоростей на плане, мм
мм
Для определения скорости центра масс 3-го звена S3 воспользуемся соотношением:
(2.7)
где:
,
- расстояния между соответствующими точками на механизме, м
,
- длинны векторов скоростей на плане, мм
мм
т.к.
, то
Так как центр массы 4-го звена совпадает точкой D то,
Для определения скорости точки D’ запишем систему уравнений:
(2.8)
Вектор скорости точки D – VD известен по величине и по направлению. Вектор скорости точки E – VE равен нулю, т. к. точка E расположена на неподвижной опоре.
Вектора скорости VD’D и VD’E неизвестны ни по величине, ни по направлению, но нам известны их линии действия, на пересечении которых мы получим точку d’. Соединив, полученную точку с полюсом π найдём длину вектора скорости точки D’.
Так как 5-е звено совершает только поступательное движение то, скорости всех точек данного звена одинаковы.
Определим значения угловых скоростей звеньев.
Направление
определяем, перенеся вектор ab в точку S2 – второе звено вращается против часовой стрелки. Аналогично получим, что
направлена по часовой стрелке. Скорости остальных точек определяются аналогичным образом. Все значения сводим в таблицу(2.1).
Таблица 2.1 – Значения линейных и угловых скоростей.
| N положения | VB,
| VS2,
| VD=VS4,
| VS3,
| VD’=VS5,
| VAB,
|
|
|
| 1 | 0 | 2,994 | 0 | 0 | 0 | 4,71 | 15,596 | 0 |
| 2 | 2,734 | 2,933 | 4,614 | 1,452 | 3,367 | 5,959 | 19,731 | 17,089 |
| 3 | 5,335 | 4,351 | 9,002 | 2,834 | 7,958 | 4,891 | 16,194 | 33,341 |
| 4 | 4,94 | 4,781 | 8,337 | 2,624 | 8,241 | 0,767 | 2,54 | 30,877 |
| 5 | 3,572 | 4,113 | 6,029 | 1,898 | 5,989 | 2,816 | 9,326 | 22,328 |
| 6 | 2,166 | 3,265 | 3,655 | 1,151 | 3,498 | 4,716 | 17,177 | 13,537 |
| 7 | 0 | 2,994 | 0 | 0 | 0 | 4,71 | 15,596 | 0 |
| 8 | 1,543 | 3,445 | 2,604 | 0,82 | 2,443 | 3,659 | 12,116 | 9,645 |
| 9 | 3,547 | 4,237 | 5,986 | 1,884 | 5,877 | 1,785 | 5,911 | 22,17 |
| 10 | 4,596 | 4,666 | 7,756 | 2,441 | 7,737 | 0,343 | 1,135 | 28,724 |
| 11 | 4,675 | 7,851 | 2,472 | 7,338 | 0,751 | 2,487 | 29,078 | |
| 12 | 3,701 | 4,262 | 6,246 | 1,966 | 5,044 | 1,999 | 6,62 | 23,133 |
2.2 Определение приведённого момента инерции звеньев.
Приведённый момент инерции определяется по формуле:
Характеристики
Тип файла документ
Документы такого типа открываются такими программами, как Microsoft Office Word на компьютерах Windows, Apple Pages на компьютерах Mac, Open Office - бесплатная альтернатива на различных платформах, в том числе Linux. Наиболее простым и современным решением будут Google документы, так как открываются онлайн без скачивания прямо в браузере на любой платформе. Существуют российские качественные аналоги, например от Яндекса.
Будьте внимательны на мобильных устройствах, так как там используются упрощённый функционал даже в официальном приложении от Microsoft, поэтому для просмотра скачивайте PDF-версию. А если нужно редактировать файл, то используйте оригинальный файл.
Файлы такого типа обычно разбиты на страницы, а текст может быть форматированным (жирный, курсив, выбор шрифта, таблицы и т.п.), а также в него можно добавлять изображения. Формат идеально подходит для рефератов, докладов и РПЗ курсовых проектов, которые необходимо распечатать. Кстати перед печатью также сохраняйте файл в PDF, так как принтер может начудить со шрифтами.














