123265 (689410)
Текст из файла
КУРСОВОЙ ПРОЕКТ
по дисциплине «Строительная механика»
Тема: Металлические конструкции мостового крана общего назначения
Введение
Мостовые краны являются основным грузоподъемным оборудованием производственных цехов, закрытых и открытых складов. Краны, предназначенные для обслуживания металлургических цехов, представляют группу металлургических кранов.
Работоспособность надёжность и безопасность эксплуатации кранов во многом зависит от качества исполнения их металлических конструкций. В связи с этим по крановым металлоконструкциям предъявляются определённые требования: прочность, общая устойчивость конструкции и местная устойчивость отдельных её элементов; статическая и динамическая жёсткость; выносливость и, вместе с тем, минимально возможная масса, высокая технологичность изготовления и монтажа, иногда ограниченные габариты. Большинство этих требований должны обеспечиваться на стадии предварительного (проектного) расчёта и компонования.
1. Обоснование типа металлоконструкции, её описание и
конструктивные особенности
При необходимых прочностных характеристиках металлоконструкции должны быть технологичными, иметь малую стоимость, удовлетворять эстетическим требованиям, а внешние поверхности конструкций должны быть гладкими для снижения возможности образования коррозии и удешевления окраски. На основании этого проектируем мостовой кран, состоящий из двух пространственно-жёстких балок, соединенных по концам пролёта с концевыми балками, в которых установлены ходовые колёса. Крановая тележка перемещается по рельсам, уложенным по верхним поясам коробчатых балок, выполненных из листового проката. Принятая схема металлоконструкции моста приведена на рис. 1.1.
2. Предварительный расчёт основных несущих элементов
2.1 Обоснование принятого материала конструкции,
характеристики материала
Наиболее употребительными для расчётных (несущих) элементов металлоконструкции является углеродистая сталь Ст3сп5 по ГОСТ 380-94.
Материал выбран в соответствии с табл. 6.1. [1, с. 109] и из-за более низкой стоимости по сравнению с низкоуглеродистыми.
Расчётные сопротивления основного материала в соответствии с табл. 6.7. [1, с. 113] равны:
При растяжении-сжатии, изгибе:
При срезе:
При смятии торцевой поверхности:
.
Расчётные сопротивления сварных соединений принимаем в соответствии с табл. 6.8. [1, с. 113]:
Для заводских стыковых швов при работе на:
растяжение-сжатие:
;
срез:
;
Для угловых швов при работе на срез
.
2.2 Расчётные комбинации нагрузок
Расчётные комбинации нагрузок для металлоконструкций мостовых кранов приведены в табл. 6.13. [1, с. 116].
Определяем расчётные нагрузки комбинации.
I.1.A.
где I - прочность;
- тележка в середине пролёта моста;
- подъём груза.
2.3 Обоснование принятого веса пролётной части моста
Для заданных параметров крана при выбранной схеме его исполнения и принятом материале по графикам рис. 6.1. [1, с. 117] находим в качестве первого приближения
;
Интенсивность нормативной распределённой нагрузки на каждую балку моста:
, (2.1)
где
- нормативный вес пролётной части моста (пролётные балки с площадками обслуживания ),
;
- пролёт крана,
;
- коэффициент перегрузки (для металлоконструкции
[1, с. 117]
.
2.4 Определение расчётных величин нагрузок для принятых их
комбинаций
2.4.1 Распределенной от собственного веса моста
, (согласно формуле 2.1)
2.4.2 Сосредоточённых неподвижных от веса механизмов
передвижения крана и кабины управления
Вес привода механизма в связи отсутствия данных принимаем по усреднённым данным:
, (2.3)
где
- коэффициент перегрузки;
[1, с.117]
- вес привода,
;
[1, с.117].
Вес кабины принимаю с учётом её конструкции (закрытая с электрооборудованием)
, (2.4)
где
- коэффициент перегрузки;
- вес кабины,
;
.
;
.
2.4.3 Сосредоточенных подвижных от веса тележки и груза с
учётом динамических нагрузок при работе механизма подъёма
Расчётный вес груза:
, (2.5)
где
- коэффициент динамичности,
- коэффициент перегрузки для крюковых кранов,
- номинальный вес груза.
в соответствии с рисунком [4, с.68]
принимаю по таблице 6.15 [1, с.118]
где
- ускорение свободного падения.
.
Расчётный вес тележки:
, (2.6)
где
- коэффициент перегрузки веса тележки;
- номинальный вес тележки,
.
[1, с.117];
по табл. 6.14 [1].
.
2.5 Составление расчётной схемы приложения нагрузок и
определение расчётной величины изгибающего момента в
наиболее нагруженном сечении пролётной балки
- расчётная нагрузка от собственного веса пролётной части моста,
;
- вес приводов механизма движения крана,
;
- вес кабины управления,
;
- давление колёс тележки на балку,
;
- равнодействующая давления колёс тележки.
Расчётное давление колёс тележки
равно:
, (2.7)
где
- давление от расчётного веса тележки,
;
- давление от расчётного веса груза,
.
;
.
;
.
Распишем все имеющиеся расстояния:
;
[1, с.37];
;
.
У четырёхколёсной тележки наибольший изгибающий момент от подвижной нагрузки действует в сечении под колесом с давлением.
Для этого сечения суммарный изгибающий момент равен:
(2.8)
.
Коэффициент неполноты расчёта определяем по формуле:
, (2.9)
где
- коэффициент, учитывающий ответственность расчитыве6мого элемента;
- коэффициент, учитывающий отклонения в геометрических размерах конструкции, влияние коррозии и т.п.
- коэффициент, учитывающий несовершенство расчёта, связанных с неточностями расчётных схем.
Рекомендуемые ВНИИПТМАШем коэффициенты:
;
;
;
.
Момент сопротивления сечения пролётной балки, необходимый по условию прочности, определяем по формуле:
, (2.10)
где
- расчётный изгибающий момент,
;
- коэффициент неполноты расчётов;
- расчётное сопротивление материала при работе на изгиб,
;
.
Момент инерции сечения по условиям минимальной статической жёсткости:
, (2.11)
где
- коэффициент жёсткости,
;
- модуль упругости материала,
;
- пролёт моста,
;
- база тележки,
;
, (2.12)
где
- предельный относительный прогиб моста при действии номинальной подвижной нагрузки;
(табл. 6.16. [1, с.119]);
;
.
2.6 Определение относительной по минимуму веса высоты пролёта
балки
Определяем высоту стенки пролётной балки, удовлетворяющую условию минимума веса при соблюдении требований или прочности, или жёсткости в зависимости от толщины стенки.
Высота стенки при обеспечении заданной прочности:
, (2.13);
где
- толщина стенки,
.
Высота стенки при обеспечении заданной жёсткости:
, (2.14)
Гибкость стенки:
, (2.15).
Результаты расчётов сведём в таблицу 2.1. и представим в виде кривых на рис. 2.2
Таблица 2.1.
| | 4 | 6 | 8 | 10 |
| | 1,023 | 0,835 | 0,724 | 0,647 |
| | 0,912 | 0,796 | 0,723 | 0,672 |
| | 255,8 | 139,2 | 90,5 | 64,7 |
Определяющей является прочность, т.к.
.
Принимаем для дальнейших расчётов толщину стенки
, тогда оптимальная высота балки будет равна
при гибкости
. (По рекомендации ВНИИПТМАШа жёсткость стенок целесообразно назначать в пределах
).
Округляем
до
, т.е.
.
Остальные размеры определяем из следующих соотношений.
;
;
;
;
; [1, с.123].
Для балки, по условию минимума веса и на основании графиком с размерами:
;
;
;
;
.
Площадь поперечного сечения:
, (2.16).
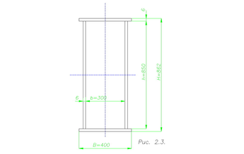
Таким образом, сечение балки примет вид как на рис.2.3.
2.7 Расчёт основных геометрических характеристик сечения
Моменты инерции в двух плоскостях.
, (2.17);
;
, (2.18);
.
Моменты сопротивления
, (2.19);
;
, (2.20);
.
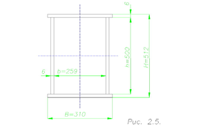
2.8 Компоновка и расчёт опорной части пролётной балки
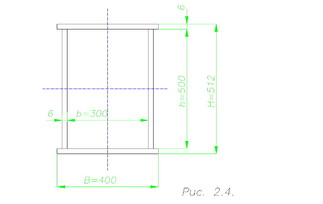
Примем поперечное сечение пролётной балки, показанное на рис. 2.4.
Сечение главной балки на опоре.
Момент инерции сечения относительно оси
по формуле (2.17).
.
Статический момент полусечения относительно оси
.
Площадь поперечного сечения по формуле (2.16).
.
2.9 Компоновка концевой балки в зависимости от конструкции
механизма движения крана
Выбираем диаметр ходового колеса по таблице 7.1 (3, с.161)
, на основании конструкции угловых букс колёс выбираем расстояние между стенками торцевой балки
.
Характеристики
Тип файла документ
Документы такого типа открываются такими программами, как Microsoft Office Word на компьютерах Windows, Apple Pages на компьютерах Mac, Open Office - бесплатная альтернатива на различных платформах, в том числе Linux. Наиболее простым и современным решением будут Google документы, так как открываются онлайн без скачивания прямо в браузере на любой платформе. Существуют российские качественные аналоги, например от Яндекса.
Будьте внимательны на мобильных устройствах, так как там используются упрощённый функционал даже в официальном приложении от Microsoft, поэтому для просмотра скачивайте PDF-версию. А если нужно редактировать файл, то используйте оригинальный файл.
Файлы такого типа обычно разбиты на страницы, а текст может быть форматированным (жирный, курсив, выбор шрифта, таблицы и т.п.), а также в него можно добавлять изображения. Формат идеально подходит для рефератов, докладов и РПЗ курсовых проектов, которые необходимо распечатать. Кстати перед печатью также сохраняйте файл в PDF, так как принтер может начудить со шрифтами.















