123080 (689354), страница 4
Текст из файла (страница 4)
Масштаб: 1мм=1мкм
Рисунок 3.3.1 – Схема расположения полей допусков посадки
Находим предельные зазоры, натяги и размеры, строим схему расположения полей допусков соединения
Масштаб: 1мм=1мкм
Рисунок 3.3.2 – Схема расположения полей допуска посадки
Рисунок 3.3.3 – Схема сечения вала с простановкой размеров и требований по чистоте шероховатости и погрешности формы
Рисунок 3.3.4 – Изображение сечения ступицы с простановкой размеров и требований по чистоте шероховатости и погрешностей формы
3.4 Взаимозаменяемость резьбовых соединений
Задание: для резьбового соединения на сборочном чертеже выбрать размер, шаг резьбы, наружный диаметр, средний диаметр, внутренний диаметр в соответствии со стандартами на резьбу. Назначить точность (степень точности) и поле допусков наружной и внутренней резьбы. Начертить профили резьбы в соответствии с принятой посадкой.
Для крепления крышки подшипника по рекомендациям [4,с.126] в зависимости от среднего диаметра подшипника D=110 мм для крепления крышки выбираем толщину стенки крышки σ=8 мм, диаметр винтов крепления крышки δ=10 мм; количество винтов n=6.
Анализируя конструкцию крепления крышки подшипника приходим к выводу, что резьбовое соединение выполняет малоответственную работу, т.к. крышка только предотвращает попадание инородных тел к подшипнику качения. Следовательно, принимаем класс точности резьбы грубый, шаг крупный и с учетом толщины стенки принимаем нормальную длину свинчивания.
По стандарту ГОСТ 8724 – 81 и по чертежу принимаем номинальный диаметр резьбы
.
По стандарту ГОСТ 24705 – 81 рассчитываем по формулам и уточняем по таблицам средний
и внутренний
диаметр.
Средний диаметр:
;
Внутренний диаметр:
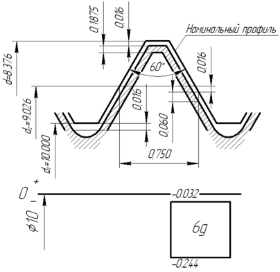
По стандарту ГОСТ 16093 – 81 выбираем поле допусков и степень точности для наружной и внутренней резьбы. С учетом толщины стенки, прмнимаем длину свинчивания нормальную N=5-15 мм. Выбираем N=9мм.
Наружная резьба
Внутренняя резьба
Резьба
По стандарту ГОСТ 16093 – 81 выбираем предельные отклонения.
Внутренняя резьба
средний диаметр
наружный диаметр
внутренний диаметр
По стандарту ГОСТ 16093-81 выписываем предельные отклонения:
для внутренней резьбы
EI=0
По таблице 5 с.5-6 определяем допуск TD1=0.375 мм; TD2=0,224 мм.
Находим верхнее отклонение:
ESD1=EI+ TD1=0.375 мм
ESD2=EI+ TD2=0,224 мм
По среднему диаметру
D2=9.026-7H=9.026
По внутреннему диаметру
D1=8.376-7H=8.376
Для наружной резьбы
es=-0.032 мм
По таблице 5 с.5-6 определяем допуск Td1=0.375 мм; Td2=0,170 мм
Находим нижнее отклонение:
eid1=es- Td1=-0.032-0.375= -0.407 мм
eid2=es- Td2=-0.032-0.170= -0.202 мм
По среднему диаметру
d2=9.026-
=9.026
По наружному диаметру
d=8.376-
Строим схему расположения полей допусков резьбы по среднему диаметру.
Рисунок 3.4.1 – Схема расположения полей допусков резьбы по среднему диаметру.
Рисунок 3.4.2 – Положение полей допусков наружной резьбы с основным отклонением 8g.
Рисунок 3.4.3 – Положение полей допусков внутренней резьбы с основным отклонением 7Н.
4 Расчет размерной цепи
Задание: для заданной размерами цепи сформулировать задачу, решаемую расчетом заданной размерной цепи, расчет произвести двумя методами: максимум – минимум и вероятностным.
Исходные данные: замыкающее звено
- зазор между верхним подшипником качения и крышкой.
Расчетом данной размерной цепи решается прямая задача, при которой по заданному значению замыкающего звена определяется точность составляющих звеньев.
4.1 Расчет методом максимум – минимум
По сборочному чертежу выявляем составляющие звенья размерной цепи.
Замыкающее звено
- зазор между верхним подшипником качения и крышкой.
- ширина кольца подшипника;
- ширина дистанционного кольца;
- ширина ступицы червячного колеса;
- ширина дистанционного кольца;
- ширина кольца подшипника;
– высота буртика нижней крышки;
- толщина прокладки верхней крышки;
– ширина корпуса;
- толщина прокладки нижней крышки;
- высота буртика верхней крышки;
– замыкающее звено.
– увеличивающие звенья;
- уменьшающие звенья.
Составим схему размерной цепи.
Рисунок 4.1.1 – Схема размерной цепи.
Проверяем правильность составления схемы размерной цепи по основному уравнению
(4.1)
где
- номинальное значение замыкающего звена;
- сумма номинальных значений увеличивающих звеньев;
- сумма номинальных значений уменьшающих звеньев;
– число увеличивающих звеньев;
– всего звеньев.
Равенство соблюдается, значит схема размерной цепи составлена правильно.
Определим коэффициент точности для составляющих звеньев
(4.2)
где
- допуск замыкающего звена;
- сумма допусков звеньев, предельные отклонения которых известны;
- сумма единиц допусков звеньев с неизвестными допусками;
– число звеньев, для которых нужно определить точность.
По таблице 13 [1, с. 182] определим квалитет – принимаем точность составляющих размеров по IТ 10, для которого
По таблице предельных отклонений определяем допуски и результаты расчетов сводим в таблицу.
Таблица 4.1 – Результаты расчета размерной цепи методом максимум-минимум.
| Обозначение звеньев | Номинальный размер, мм | Квалитет точности | Допуск, мм | Номинальный размер, мм | |
| ES; es | EI; ei | ||||
| 1 | 2 | 3 | 4 | 5 | 6 |
|
| 23 | - | 0.120 | 0 | -0.120 |
|
| 8 | IТ 10 | 0.058 | 0 | -0.058 |
|
| 98 | IТ 10 | 0.127 | -0.038 | -0.156 |
|
| 20 | IТ 10 | 0.084 | 0 | -0.084 |
|
| 23 | - | 0.120 | 0 | -0.120 |
|
| 8 | IТ 10 | 0.058 | +0.029 | -0.029 |
|
| 1 | - | 0.200 | 0 | -0.200 |
|
| 188 | IТ 10 | 0.185 | 0 | -0.185 |
|
| 1 | - | 0.200 | 0 | -0.200 |
|
| 6 | IТ 10 | 0.048 | +0.024 | -0.024 |
|
| 4 | - | 1.200 | +0.600 | -0.600 |
Определим предельные отклонения на размеры составляющих звеньев по правилу:
а) если размер охватываемый, то предельные отклонения назначаются как для вала;
б) если размер охватывающий, то предельные отклонения назначаются для основного отверстия;
в) если размер явно нельзя отнести к первому или второму случаю, то допуск делится пополам
Проверяем правильность назначения допусков по условию
(4.3)
Условие (4.3) не выполняется, по этому вводим корректирующие звено
, так как его легче изготовить. Предельные отклонения для этого звена определяем по формуле 93 [1, с. 238] для увеличивающего звена.
Получим
.
Проводим повторную проверку по формуле (4.3).
Условие выполняется, расчет выполнен правильно.
4.2 Вероятностный метод
При расчете размерных цепей методом максимум – минимум исходим из того, что даже при самом неблагоприятном сочетании размеров звеньев (например, когда все увеличивающие звенья будут наименьшими) замыкающие звено должно находиться в пределах поля допуска. Этим достигается полная (или абсолютная) взаимозаменяемость.
В крупносерийном и массовом производстве при расчете размерных цепей необходимо использовать основные положения теории вероятностей. Размер замыкающего звена можно рассматривать как сложное случайное событие, зависящее от рода независимых простых случайных событий размеров составляющих звеньев.
Определим расчетный коэффициент точности для составляющих звеньев размерной цепи.
















