123080 (689354), страница 3
Текст из файла (страница 3)
Пункт 6б – микрометры рычажные МР и МРН с ценой деления 0,002 мм и 0,05 мм при установке на нуль по установочной мере и скобырычажные (СР) с ценой деления 0,002 мм при настройке на нуль по концевым мерам длины при использовании на всем пределе измерения. При работе находится в стойке или обеспечивается надежная изоляция от тепла рук оператора. Предельная погрешность измерения составляет 0,0045 мм.
Из вышеперечислленых приборов наиболее недорогим является микрометр рычажный, который удобно и просто настраивать.
Выбираем измерительный инструмент для контроля размера посадочного места под внешнее кольцо подшипника
По методическим указаниям опредляем, что для этого размера б=0,010 мм; Т=0,035 мм. Этот раэмер можно измерить инструментами, указанными в пунктах 4б; 6а; 9а; 11; 12.
Пункт 4б – нутромеры микрометрические (НМ) с величиной отчета 0,01 мм. При работе находится в стойке. Предельная погрешность этого измерения будет равна
мм.
Пункт 6а – нутромеры индикаторные при замене отмечанного устройства измерительной головки (ИГ) с ценой деления 0,0001 или 0,002 мм. При работе находится в руках. Предельная погрешность этого измерения будет равна
мм.
Пункт 9а – пневманические пробки с прибором с ценой деления 1 мкм и 0,5 мкм с настройкой по установочным кольцам. При работе находится в руках. Предельная погрешность этого измерения будет равна
мкм.
Пункт 11 – микроскопы инструментальные (большая и малая модели). Предельная погрешность этого измерения будет равна
мм.
Пункт 12 – микроскопы увеличительные измерительные при использовании штриховой головки. Предельная погрешность
мм.
Из вышеперечисленных приборов наиболее подходящий является нутрометр индикаторный.
Таблица 2.3 – Выбор средств измерения
| Наименование размера | Размер, мм | Допускаемая погрешность измерения, мм | Предельная погрешность средств измерения | Наименование СИ, тех. характеристика и условие эксплуатации |
| Шейка вала под внутреннее кольцо подшипника |
| 0.005 | 0.045 | Рычажный микрометр (HP), с ценой деления 0,002 мм свыше 25 до 50 мм. При работе находится в стойке |
| Гнездо корпуса под внутреннее кольцо подшипника |
| 0.010 | 0.0065 | Нутромер индикаторный (НИ), с ценой деления 0,001 или 0,002 свыше 50 до 120 мм измерении находится в руках |
3 Взаимозаменяемость стандартных изделий
3.1 Выбор и расчет посадок колец подшипников качения
Задание: для заданного подшипникового узла выбрать посадки наружного и внутреннего колец с обоснованием. Рассчитать эти посадки. Начертить условное изображение подшипникового узла, вала и корпуса с простановкой полей допусков, посадок, шероховатости и требований к погрешностям формы и расположения.
Исходные данные: подшипник №7310
Режим работы: тяжелый
Нагрузка: 12000 Н
Выбираем конструктивные размеры подшипника по ГОСТ 27365 – 87:
- внутренний диаметр подшипника;
– внешний диаметр подшипника;
- ширина подшипника;
– радиус закругления внутренний;
r1 =1.0 мм – радиус закругления внешний.
Определяем виды нагружения колец.
На основе анализа конструкции и работы узла устанавливаем, что внутреннее кольцо вращается с валом, следовательно оно испытывает циркуляционный вид нагружения, наружное кольцо установлено в стакане и не вращается, следовательно оно испытывает местный вид нагружения.
Для циркуляционного нагруженного кольца посадку выбираем расчетом интенсивности радиальной нагрузки [1, с. 221]
(3.1)
где
– расчетная радиальная реакция опоры, Н;
– рабочая ширина посадочного места, м;
– динамический коэффициент посадки, зависимый от характера нагрузки;
– коэффициент, учитывающий степень ослабления посадочного
места при полом вале и тонкостенном корпусе;
– коэффициент неравномерности распределения радиальной нагрузки,
.
Принимаем
, так как режим работы тяжелый;
, так как вал сплошной;
, так как имеется осевая нагрузка.
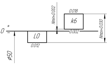
По таблице 17 [1, с. 222] выбираем поле допуска шейки вала под внутреннее кольцо –
Размер шейки вала:
Тогда посадка -
Определим предельные размеры и натяги
Масштаб: 1мм=1мкм
Рисунок 3.1.1 – Схема расположения полей допусков размеров вала и отверстия в соединении
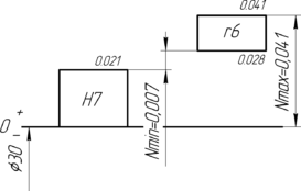
Посадку для местно нагруженного кольца выбираем по рекомендации [1, с. 233]. По таблице 18 принимаем поле допуска отверстия в стакане –
, т.к. в нашем случае режим работы тяжелый.
Размер отверстия под наружное кольцо
Посадка наружного кольца подшипника
Определим предельные размеры и зазоры
Масштаб: 1мм=1мкм
Рисунок 3.1.2 – Схема расположения полей допусков соединения
Шероховатость посадочных поверхностей определяем по таблице 3 ГОСТ 3325 – 85.
Шероховатость поверхности вала
Шероховатость поверхности отверстия
Отклонения от формы посадочных поверхностей определяем по таблице 4 ГОСТ 3325 – 85. Торцевое биение заплечиков вала по таблицам 5, 6 ГОСТ 3325 – 85.
Масштаб: 1мм=2мм
Рисунок 3.1.3 – Условное обозначение подшипникового узла и его деталей с простановкой размеров, полей допусков и посадок, шероховатости и требований к погрешностям формы и расположений поверхностей.
3.2 Допуски и посадки шпоночных соединений
Задание: для заданного на сборочном чертеже шпоночного соединения выбрать с обоснованием посадки шпонки с пазом вала и пазом ступицы. Рассчитать эти посадки, начертить поперечные сечения вала и ступицы со шпоночными пазами. Выбрать точность для непосадочных размеров шпоночных соединений.
Исходные данные: шпоночное соединение вала с барабаном.Соединение неподвижное, нереверсивное. По стандарту ГОСТ 23360 – 78 выбрать размеры элементов шпоночного соединения
[с. 4]
– ширина шпонки и паза;
- высота шпонки;
– глубина паза вала;
– глубина паза ступицы.
Поле допусков размеров шпоночного соединения выбираем по рекомендации [5, с. 57]. Принимаем поля допусков на ширину шпонки, паза вала и паза ступицы.
Поле допуска ширины шпонки -
Поле допуска ширины паза вала – Js
Поле допуска ширины паза ступицы –
Посадка шпонки с пазом вала
Посадка шпонки с пазом ступицы
Определим предельные размеры, зазор и натяги соединений шпонки с пазом вала
Масштаб: 1мм=1мкм
Рисунок 3.2.1 – Схема расположения полей допусков в соединении
Определим предельные размеры, зазор и натяги соединений шпонки с пазом ступицы
Масштаб: 1мм=1мкм
Рисунок 3.2.2 – Схема расположения полей допусков в соединении
Посадку для соединения вал – втулка выбираем по [5, с. 57].
При передаче вращающего момента шпоночным соединениям применение посадки колеса на вал с зазором недопустимо, а посадки переходные нежелательны. Объясняется это тем, что если в соединении имеется зазор, то при вращении вала происходит обкатывание со скольжением поверхностей вала и отверстия колеса, которое приводит к их изнашиванию. Поэтому на посадочных поверхностях вала и отверстия колеса при передачи крутящего момента шпонкой следует создавать натяг, гарантирующий перекрытие стыка.
Поэтому принимаем посадку барабана на валу –
Определим предельные размеры и натяги для соединения
Определим предельные размеры и натяги
Масштаб: 1мм=1мкм
Рисунок 3.2.2 – Схема расположения полей допусков в соединении
Рисунок 3.2.3 – Поперечное сечение вала и втулки со шпоночным пазом
3.3 Допуски и посадки шлицевых соединений
Задание: для заданного шлицевого соединения выбрать по стандарту основные размеры. Назначить метод центрирования в зависимости от твердости поверхностей вала и отверстия, режима работы.Выбрать посадки по центрирующему диаметру и боковым сторонам шлица. Начертить поперечное сечение шлицевого вала и втулки и проставить размеры, шероховатость и погрешность формы и расположения.
Исходные данные: задано шлицевое соединение
твердость поверхностей
, неподвижное соединение с реверсивным движением.
По стандарту ГОСТ 1139 – 80 выбираем размеры шлицевого соединения
– наружный диаметр;
- внутренний диаметр;
- ширина шлица;
– число шлицов.
Принимаем центрирование по наружному диаметру
Посадки шлицевого соединения принимаем по рекомендации [2, с. 59] центрирующих
; боковых
.
Условное изображение при центрировании по наружному диаметру:
Отверстие:
вал -
Находим предельные размеры, зазоры и натяги, строим схему расположения полей допусков соединения
















