123065 (689353), страница 2
Текст из файла (страница 2)
(7)
(8)
(9)
4.4 Редуктор.
По техническому заданию инерционность редуктора учитывается в уравнении двигателя, поэтому редуктор считается безынерционным звеном и его уравнение имеет вид:
Уравнение вход-выход и уравнение в переменных состояния:
Передаточная функция редуктора:
4.5 Двигатель постоянного тока.
Управление осуществляется по цепи якоря, магнитный поток в зазоре постоянный, а реакция якоря и гистерезис магнитной цепи отсутствует. В этом случае исходные уравнения двигателя оказываются линейными и образуют следующую систему уравнений:
(10)
Здесь
– приведенный к валу двигателя момент сопротивления;
– приведенный к валу двигателя момент инерции вращающихся частей;
– напряжение, приложенное к якорю двигателя;
,
,
,
– ток, сопротивление, индуктивность и угловая скорость цепи якоря;
,
– конструктивные постоянные двигателя;
– угол поворота вала двигателя.
Установившийся режим работы двигателя:
Значения переменных в этом режиме будем обозначать с нулевыми индексами:
(11)
Эти уравнения можно использовать для определения коэффициентов
и
, так как один из установившихся режимов называется номинальным и соответствует значениям:
,
,
,
(рад/с)
Модель двигателя необходимо получить в отклонениях от установившегося режима, но поскольку уравнение (10) линейное, то уравнения в отклонениях будут иметь вид (10).
Вывод динамической модели:
Так как индукция якоря учтена в постоянной времени усилителя мощности, то в (10) индукция равна нулю. Отсюда можно найти ток якоря:
(12)
Обозначим
,
и получим уравнения в переменных состояния:
(13)
Для того, чтобы получить уравнение вход-выход необходимо продифференцировать второе уравнение системы по времени.
, (14)
где
– электромеханическая постоянная двигателя;
– электромагнитная постоянная двигателя;
,
.
Уравнение двигателя принимает вид:
(15)
Расчет коэффициентов:
(кг·м2)
(16)
Передаточная функция двигателя:
Рис.4.Структурная схема двигателя.
; (17)
.
5.ВЫВОД УРАВНЕНИЙ СИСТЕМЫ.
5.1 Уравнения в переменных состояния.
Здесь объединяются уравнения всех элементов:
-
Измерителя рассогласования;
-
Датчика выхода;
-
Усилителя мощности;
-
Двигателя;
-
Редуктора
в одну систему путем исключения промежуточных переменных так, чтобы остались входные величины (
,
,
), переменные состояния (
,
,
) и величина
.
Уравнения в переменных состояния:
(18)
Здесь
,
,
,
,
,
,
.
5.2 Матричная форма уравнений в переменных состояния.
Учитывая
уравнения в переменных состояния в матричной форме будут иметь вид:
(18)
5.3 Уравнения вход-выход заданной части системы.
Для вывода уравнений вход-выход целесообразно построить структурную схему заданной части:
Рис.5. Структурная схема заданной части.
(19)
(20)
Для вывода уравнений вход-выход оба уравнения (20) умножим на общий знаменатель и перейдем к оригиналам:
(21)
6.АНАЛИЗ СВОЙСТВ ЗАДАННОЙ ЧАСТИ СЛЕДЯЩЕЙ СИСТЕМЫ.
6.1 Проверка управляемости.
Проверку проводим по уравнению (18) при
с помощью критерия управляемости.
Обычно предполагают, что объект управления (система) обеспечивает возможность изменения его переменных состояния и регулируемых величин в соответствие с целью управления с помощью управлений, приложенных к нему. Однако ясно, что в общем случае не всякий объект управления допускает такую возможность, т.е. не каждый объект является управляемым. Следует отметить, что это свойство – управляемости – зависит исключительно от внутренних свойств объекта.
Для оценки управляемости систем используется критерий Калмана, в основе которого лежит матрица управляемости:
,
где
- размерность вектора переменных состояния.
В нашем случае
, значит:
,
,
,
Матрица U будет иметь вид:
Так как
и определитель матрицы U не равен нулю, то объект является полностью управляемым.
6.2 Проверка наблюдаемости заданной части системы.
Для формирования модального управления необходимо измерить переменные состояния системы. Но часто бывает так, что переменные состояния недоступны для прямого измерения с помощью каких-либо датчиков. Обычно измеряются выходные величины объекта (системы), такие, как регулируемые переменные, ошибка системы, положение регулирующего органа, скорость изменения регулируемой величины. Отсюда возникает задача наблюдения, которая состоит в необходимости восстановления значений переменных состояния системы по результатам измерения (наблюдения) некоторых выходных величин системы, а это оказывается возможным только в том случае, если объект (система) является наблюдаемым.
Для определения наблюдаемости системы воспользуемся критерием наблюдаемости, предложенный Калманом. Этот критерий использует матрицу наблюдаемости, которая для систем имеет вид:
,
где
- размерность вектора переменных состояния.
В нашем случае
, значит:
,
,
,
Матрица N будет иметь вид:
Так как
и определитель матрицы N не равен нулю, то объект является вполне наблюдаемым.
6.3 Проверка устойчивости нескорректированной системы.
Проверка устойчивости нескорректированной замкнутой системы обычно проводится для того, чтобы убедится, нельзя ли построить требуемую следящую систему лишь на основе заданных элементов. Если выходной сигнал измерителя рассогласования
подать на вход усилителя, то получится замкнутая система, структурная схема которой приведена на рисунке 6.
Рис.6.Структурная расчетная схема нескорректированной замкнутой системы.
Для использования алгебраического критерия Гурвица необходимо знать характеристический полином исследуемой замкнутой системы. Таким образом, получим:
Необходимым, но недостаточным условием устойчивости является положительность всех коэффициентов полинома, но поскольку старшая степень полинома равна трем, то для проверки устойчивости также необходимо воспользоваться частным случаем алгебраического критерия Гурвица – критерием Вышнеградского. Согласно последнему, система будет устойчивой, если будет выполнено условие:
,
где
- коэффициенты характеристического полинома при переменной р в соответствующих степенях.
Подставим коэффициенты нашего характеристического полинома в последнее выражение и проверим выполнение этого условия:
как видно, условие не выполняется.
Следовательно, для заданной замкнутой системы условие не выполняется, то можно сделать вывод о том, что заданная часть системы является неустойчивой.
7. СИНТЕЗ УСТРОЙСТВА УПРАВЛЕНИЯ.
Рис.7. Структурная схема следящей системы.
Допустим, заданная часть системы описывается уравнением:
, (24)
где
.
Уравнение устройства управления выберем:
(25)
Здесь
,
и
- полиномы, которые нужно определить так, чтобы замкнутая система (24), (25) имела требуемые показатели качества:
Для вывода расчетных соотношений запишем уравнение замкнутой системы:
(26)
Чтобы упростить схему управляющего устройства, примем:
,
.
При этом передаточная функция замкнутой системы определяется выражением:
Число уравнений:
Число коэффициентов:
,
.
,
,
Приравнивая числитель и знаменатель, получим:
Коэффициенты
выбираются из таблиц нормирующих передаточных функций по
и
. Кроме
из этой таблицы выбирается
:
.
Подставим численные значения всех коэффициентов и произведем расчет:
;
;
;
Искомое уравнение устройства управления имеет вид:
8. СИНТЕЗ НАБЛЮДАТЕЛЯ ПЕРЕМЕННЫХ СОСТОЯНИЯ.
Построение модального управления пригодно лишь в том случае, когда переменные состояния могут быть измерены непосредственно. Если же эти переменные не доступны измерению, то для получения их асимптотических оценок необходимо построить наблюдатель.
Наблюдатель переменных состояния заданной части будем строить на основе наблюдателя Калмана.
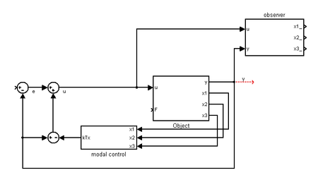
Рис.8. Структурная схема системы с наблюдателем.
В соответствие с заданием:
Далее производим расчеты в соответствии со стандартным алгоритмом построения наблюдателя:
,
,
Корни желаемого характеристического полинома выберем следующие:
,
,
,
Характеристический полином наблюдателя:
Уравнение наблюдателя имеет вид:
9. ПОСТРОЕНИЕ И АНАЛИЗ МОДЕЛИ СИСТЕМЫ.
Моделирование как исходной, так и синтезированной систем выполним в среде “SIMULINK” программного пакета “MATLAB”.
Убедимся в том, что оценки переменных состояния «догоняют» переменные состояния объекта на заданном интервале tнаб. Для этого составим структурную схему модели (объект + наблюдатель с управлением по переменным состояния).
















