123065 (689353)
Текст из файла
МИНИСТЕРСТВО ОБРАЗОВАНИЯ И НАУКИ РОСCИЙСКОЙ ФЕДЕРАЦИИ
ФЕДЕРАЛЬНОЕ АГЕНСТВО ПО ОБРАЗОВАНИЮ
ЮЖНЫЙ ФЕДЕРАЛЬНЫЙ УНИВЕРСИТЕТ
ТЕХНОЛОГИЧЕСКИЙ ИНСТИТУТ
ЮЖНОГО ФЕДЕРАЛЬНОГО УНИВЕРСИТЕТА В Г. ТАГАНРОГЕ
Факультет автоматики и вычислительной техники
Кафедра систем автоматического управления
ПОЯСНИТЕЛЬНАЯ ЗАПИСКА
к курсовой работе
по дисциплине «Теория автоматического управления»
на тему «Динамический расчет следящих систем»
Вариант 5, колонка 1.
Выполнил:
студент гр. А-144
18.12.07 г
Безродный С.В.
Проверил:
преподаватель кафедры САУ
18.12.07 г
Гайдук А.Р.
Таганрог 2007 г.
СОДЕРЖАНИЕ.
1.ВВЕДЕНИЕ. 3
2.ТЕХНИЧЕСКОЕ ЗАДАНИЕ. 5
3.ОПИСАНИЕ СЛЕДЯЩЕЙ СИСТЕМЫ. 7
4. УРАВНЕНИЯ ЭЛЕМЕНТОВ. 8
4.1 Измеритель рассогласования. 8
4.2 Датчик выхода. 9
4.3 Усилитель мощности. 10
4.4 Редуктор. 10
4.5 Двигатель постоянного тока. 11
5.ВЫВОД УРАВНЕНИЙ СИСТЕМЫ. 15
5.1 Уравнения в переменных состояния. 15
5.2 Матричная форма уравнений в переменных состояния. 15
5.3 Уравнения вход-выход заданной части системы. 16
6.АНАЛИЗ СВОЙСТВ ЗАДАННОЙ ЧАСТИ СЛЕДЯЩЕЙ СИСТЕМЫ. 18
6.1 Проверка управляемости. 18
6.2 Проверка наблюдаемости заданной части системы. 19
6.3 Проверка устойчивости нескорректированной системы. 20
7. СИНТЕЗ УСТРОЙСТВА УПРАВЛЕНИЯ. 22
8. СИНТЕЗ НАБЛЮДАТЕЛЯ ПЕРЕМЕННЫХ СОСТОЯНИЯ. 25
9. ПОСТРОЕНИЕ И АНАЛИЗ МОДЕЛИ СИСТЕМЫ. 27
10.ЗАКЛЮЧЕНИЕ. 35
11.СПИСОК ИСПОЛЬЗОВАННОЙ ЛИТЕРАТУРЫ. 36
ПРИЛОЖЕНИЕ. Схема электрическая принципиальная.
1.ВВЕДЕНИЕ.
В зависимости от характера информации, получаемой об объекте в процессе его работы, наличия его математического описания, статических характеристик объекта и главное – задачи, поставленной перед системой автоматического управления, принципы автоматического управления существенно различаются.
Основной задачей курсовой работы является синтез и последующее исследование следящей системы с использованием современных методов и инструментов теории управления. Основным требованием, предъявляемым к следящим системам, является минимум погрешности
, определяемой как разность между заранее неизвестным законом
и управляемой величиной
. Следящая система представляет собой замкнутую систему регулирования угла поворота вала, управляемого двигателем; задающее воздействие устанавливается путем поворота некоторого задающего вала.
Выполнение данной курсовой работы охватывает следующие разделы курса «Теория управления»: «Составление математических моделей элементов систем и регулярных воздействий»; «Преобразование моделей»; «Аналитический синтез уравнений управляющего устройства по требованиям к качеству системы»; реализация этих уравнений, т.е. разработка схемы устройства управления или алгоритма работы цифрового варианта устройства управления.
Следящие системы применяются для управления радиолокационными антеннами, радиотелескопами, артиллерийскими установками на подвижных платформах, а также для регулирования синхронности и синфазности вращения валов ведущего и ведомого двигателей в том случае, когда они расположены на достаточно большом расстоянии друг от друга.
Нетрудно заметить, что качественные следящие системы, отрабатывающие с заданной точностью поступающие на их вход задающие воздействия, применяются во многих сферах жизнедеятельности людей: в промышленности, в области военной техники, в гражданской авиации и т.д. Однако создание следящих систем, которые затем найдут свое применение в определенных областях человеческой деятельности, включает в себя несколько этапов: постановку задачи, разработку математической модели синтезируемой системы, непосредственно синтез самой системы и переход от математической модели проектируемой системы к реальным устройствам, которые бы описывались синтезированной моделью, т.е. этап реализации. В данной курсовой работе как раз и рассматриваются все перечисленные этапы создания следящих систем.
2.ТЕХНИЧЕСКОЕ ЗАДАНИЕ.
1) Начертить функциональную схему заданной части системы, вывести дифференциальные уравнения в переменных состояния всех элементов, а также заданной части системы. Численные значения параметров элементов системы:
| Параметр | Величина |
|
| 77 |
|
| 1,2 |
|
| 110 |
|
| 3000 |
|
| 5,1 |
|
| 25·10-4 |
|
| 0,28 |
|
| 75 |
|
| 0,035 |
|
| 1 |
Тип усилителя – транзисторный.
Тип измерителя рассогласования – сельсины.
2) Проверить наблюдаемость, управляемость и устойчивость заданной части при коэффициенте усиления усилителя
.
3) Начертить структурную расчетную схему заданной части, вывести уравнения вход-выход заданной части системы.
4) Построить модальное управление по заданному времени регулирования
и условию астатизма первого порядка.
5) Построить наблюдатель Калмана для заданной части системы, перейти к управлению по оценкам переменных состояния, время переходного процесса в наблюдателе положить равным
.
6) Проверить устойчивость замкнутой системы, построить переходные характеристики
, воспользовавшись для моделирования пакетом SIMULINK for Windows в системе MatLAB.
7) Осуществить выбор электрической схемы усилителя мощности (по литературным источникам), построить схему управляющего устройства вместе с наблюдателем на операционных усилителях и схему всей системы.
3.ОПИСАНИЕ СЛЕДЯЩЕЙ СИСТЕМЫ.
Рис.1. Функциональная схема проектируемой системы.
ИП-1 – измерительный преобразователь (сельсины)
ИП-2 – потенциометрический преобразователь угла поворота выходного вала
УУ – управляющее устройство
УМ – усилитель мощности
ИД – исполнительный двигатель
Ред – редуктор
Нагрузка – приводимый в движение рассматриваемой системой агрегат
В качестве измерительных преобразователей (чувствительных элементов) используются сельсины. Преобразователь угла поворота выходного вала ИП-2 берется потенциометрическим. Потенциометрические датчики обычно питаются от источника постоянного напряжения. Если измерительные преобразователи работают на переменном токе, то на их выходе включается фазочувствительный усилитель-выпрямитель, являющийся составной частью соответствующего ИП, т.е. его коэффициент передачи учтен в заданном коэффициенте передачи чувствительного элемента.
Управляющее устройство (УУ), принимает сигналы, поступающие с обоих ИП. В нем формируется напряжение, пропорциональное управляющему воздействию, которое затем подается на усилитель мощности (УМ). В курсовой работе синтезируется уравнение УУ и разрабатывается его схема на операционных усилителях.
4.УРАВНЕНИЯ ЭЛЕМЕНТОВ
4.1 Измеритель рассогласования.
В данной системе используется измеритель рассогласования на сельсинах, схема которого изображена на рисунке 2.
Рис.2. Схема измерителя рассогласования на сельсинах с фазочувствительным усилителем.
Измеритель рассогласования следует считать безынерционным, так как его постоянная времени на несколько порядков меньше постоянных времени остальных звеньев.
,
,
,
Уравнение измерителя рассогласования:
, (1)
где
- коэффициент передачи измерителя рассогласования.
(2)
Уравнение в переменных состояния и уравнение вход-выход совпадают, так как данный элемент является безынерционным.
Сельсины являются индукционными машинами, которые позволяют при постоянном напряжении на выходе получать на выходных обмотках систему напряжений, амплитуда и фаза которых определяются угловым положением ротора. Сельсины также позволяют преобразовать такую систему напряжений в соответствующее ей угловое положение ротора или в напряжение, фаза и амплитуда которого являются функцией системы входных напряжений и угла поворота ротора. Поэтому сельсины часто применяются в качестве измерителей рассогласования следящих систем.
4.2 Датчик выхода.
Рис.3. Схема датчика выхода.
Этот датчик угла поворота вала нагрузки описывается уравнением:
, (3)
где
.
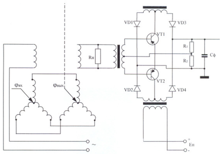
4.3 Усилитель мощности.
Так как по заданию усилитель мощности является звеном первого порядка, то его уравнение имеет вид:
(4)
это уравнение вход-выход.
Обозначим
, получим следующую систему:
(5)
это уравнение усилителя.
Передаточная функция усилителя может быть записана в виде:
(6)
Подставляя исходные значения
,
, получим:
Характеристики
Тип файла документ
Документы такого типа открываются такими программами, как Microsoft Office Word на компьютерах Windows, Apple Pages на компьютерах Mac, Open Office - бесплатная альтернатива на различных платформах, в том числе Linux. Наиболее простым и современным решением будут Google документы, так как открываются онлайн без скачивания прямо в браузере на любой платформе. Существуют российские качественные аналоги, например от Яндекса.
Будьте внимательны на мобильных устройствах, так как там используются упрощённый функционал даже в официальном приложении от Microsoft, поэтому для просмотра скачивайте PDF-версию. А если нужно редактировать файл, то используйте оригинальный файл.
Файлы такого типа обычно разбиты на страницы, а текст может быть форматированным (жирный, курсив, выбор шрифта, таблицы и т.п.), а также в него можно добавлять изображения. Формат идеально подходит для рефератов, докладов и РПЗ курсовых проектов, которые необходимо распечатать. Кстати перед печатью также сохраняйте файл в PDF, так как принтер может начудить со шрифтами.
















