122852 (689263)
Текст из файла
МИНИСТЕРСТВО СЕЛЬСКОГО ХОЗЯЙСТВА И ПРОДОВОЛЬСТВИЯ РЕСПУБЛИКИ БЕЛАРУСЬ
БЕЛАРУССКИЙ ГОСУДАРСТВЕННЫЙ АГРАРНЫЙ ТЕХНИЧЕСКИЙ УНИВЕРСИТЕТ
Кафедра автоматизированных систем управления производством
КУРСОВАЯ РАБОТА
по “Основам автоматики”
АНАЛИЗ СИСТЕМЫ АВТОМАТИЧЕСКОГО РЕГУЛИРОВАНИЯ ТЕМПЕРАТУРЫ ВОЗДУХА В ЖИВОТНОВОДЧЕСКОМ ПОМЕЩЕНИИ
МИНСК 2007
Содержание
Цель и задание работы
1. Характеристики объекта управления, описание устройства и работы САР, составление её функциональной схемы. Принцип автоматического управления и вид схемы
2. Составление структурной схемы системы
3. Определение закона регулирования системы
4. Определение передаточных функций системы по управляющему
5. Анализ устойчивости системы. Определение запасов устойчивости
6. Анализ зависимости статической ошибки системы от изменения управляющего воздействия на систему
7. Совместный анализ изменения управляемой величины объекта управления и системы от возмущающего воздействия в статике. Определение статической ошибки системы по возмущающему воздействию
8. Оценка качества управления по переходным функциям
Общие выводы по работе
Литература
Цель и задание работы
Цель работы: закрепление базовых знаний по курсу «Основы автоматики» на примере проведения анализа системы автоматического регулирования температуры в животноводческом помещении.
Задание
-
Дать краткую характеристику объекта управления, описать устройство и работу системы, составить её функциональную схему. Сделать вывод о принципе автоматического управления, и виде системы.
-
Составить структурную схему системы.
-
Определить закон регулирования системы.
-
Определить пересадочные функции системы по управляющему (задающему), возмущающему воздействиям и для ошибок по этим воздействиям.
-
Выполнить анализ устойчивости системы по критериям Гурвица и Найквиста. Определить запасы устойчивости.
-
Проанализировать зависимость статической ошибки системы от изменения управляющего (задающего) воздействия на систему. Сделать вывод о характере этой зависимости.
-
Провести совместный анализ изменения управляемой (регулируемой) величины объекта управления и системы от возмущающего воздействия в статике. Дать их сравнительную оценку. Определить статическую ошибку системы по возмущающему воздействию.
-
Оценить качество управления по переходным функциям.
-
Сделать общие выводы по работе.
Таблица 1 – исходные данные.
| Вар. | Сх. | К1 | К2 | Т1, с | кд | Тд, с | ку | Т2, с | КМ |
| 32 | 9 | 1 | 1 | 500 | 0,2 | 12 | 400 | 33 | 0,1 |
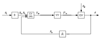
Рисунок 1.
1. Характеристика объекта управления, описание устройства и работы САР, составление её функциональной схемы, принцип автоматического управления и вид схемы
На рисунке 1 приводим схему заданной системы.
Объектом управления(ОУ) является животноводческое помещение с электрокалорифером. Регулируемой величиной является температура θ внутри сельскохозяйственного помещения. Целью управления является поддержание постоянной температуры θ на постоянном заданном уровне. Управляющим воздействием на ОУ является электрическая мощность РН, подаваемая на электрокалорифер 2. Основное возмущающее воздействие-изменение температуры θН наружного воздуха. Датчиком (Д) является термометр сопротивления (Rθ) 3. Входным сигналом для термометра сопротивления является температура θ внутри помещения, выходной сигнал-сопротивление RД датчика.
Задатчиком являются переменные сопротивления R2 и R7, задающий сигнал-величина сопротивления, которая в определенном масштабе соответствует заданной температуре θЗ.
Сравнивающее устройство (СУ)-это измерительная мостовая схема (М), образованная сопротивлениями Rθ, R1, R2...R7, для которой входным сигналом являются величины сопротивлений Rθ, R2 и R7, выходным сигналом является напряжение разбаланса моста UН, которое в определенном масштабе соответствует ошибке регулирования.
Тиристорный регулятор мощности (вместе с предусилителем) выполняет функции управляемого усилителя (УУ) 4.
На основании этого описания составляем функциональную схему системы (рис.2).
Рис.2. Функциональная схема САР температуры в животноводческом помещении.
Система работает следующим образом:
В установившемся режиме при равенстве температуры
в помещении с заданным значением температуры
,мост сбалансирован и его выходное напряжение
равно 0. При отклонении температуры приточного воздуха от задонного ,например, вселедствии изменения наружной температуры
, сопротивление датчика
изменяется ,мост разбалансируется. Напряжение
разбаланса моста ,являющееся сигналам возникновения ошибки системы ,усиливается усилителем и подается на электрокалорифер .Электрокалорифер в приточном воздуховоде начинает работать ,тем самым изменяя степень смешивания холодного наружного воздуха и рециркуляционного воздуха на входе в канал .При понижение температуры электрокалорифер понижает мощность , при повышении – повышает .
В результате рассмотрение устройство и работы системы можно сделать следующие выводы.
В системе реализован принцип управление по отклонению (по ошибке). Система является стабилизирующей.
2. Составление структурной схемы системы автоматического регулирования температуры в животноводческом помещении
Структурной схемой называется наглядное графическое изображение математической модели (математического описания) системы.
При математическом описании систему разбивают на отдельные звенья направленного действия, передающие воздействия только в одном направлении – с входа на выход.
На структурной схеме каждое звено изображается прямоугольником, внутри которого записывается математическое описание звена. Связи между звеньями структурной схемы изображаются линиями со стрелками, соответствующими направлению прохождения сигналов. Над линиями ставятся обозначения сигналов.
Составим структурную схему САР температуры в животноводческом помещении. Для этого получим передаточные функции всех элементов системы.
-
Уравнение животноводческого помещения с электрокалорифером, как объекта управления:
,
где
- температура воздуха в помещении
- температура наружного воздуха
PH, кВт – электрическая мощность, подаваемая на электрокало рифер.
Изображение Лапласа этого уравнения.
В нашем случае передаточная функция системы по управляющему воздействию
:
Передаточная функция по возмущающему воздействию
(температура наружного воздуха):
Аналогичным образом получим передаточные функции остальных элементов.
-
Датчик температуры Д:
,
-
Задатчик З:
;
;
-
Сравнивающее устройство мост (М)
,
;
-
Управляемый усилитель (УУ) :
,
Усилитель усиливает мощность
;
Составим структурную схему САР.
Задатчик (З) системы является безинерционным. Его коэффициент передачи Кз должен быть равен коэффициент передачи Кд датчика. Поскольку заданная Θз и действительная Θ температуры должны быть в одном масштабе.
Поэтому для наглядности исследования эти коэффициенты Кд=Кз можно принять за СУ и считая, что из заданной температуры Θз непосредственно вычитается измеренная датчиком температура Θд и формируется сигнал ошибки е.
Преобразованная таким образом структурная схема представлена на рисунке.4.
Рисунок.3 Структурная схема САР температуры воздуха в животноводческом помещении.
Рисунок. 4 Структурная схема САР температуры воздуха в животноводческом помещении.
3. Определение закона регулирования системы
Законом регулирования называют математическую зависимость, в соответствии с которой управляющее воздействие на объект формировалось бы безинерционным регулятором в функции от ошибки системы.
Закон регулирования во многом определяет свойства системы. Определим закон регулирования рассматриваемой САР. Для этого найдем передаточную функцию, определяющую взаимосвязь управляющего воздействия на объект и ошибки:
Передаточная функция безынерционного регулятора примет вид:
Окончательно для безинерционного регулятора получаем:
Закон управления является пропорциональным (П-закон). Когда управляющее воздействие на объект формируется пропорционально ошибки.
4. Определение передаточных функций системы по управляющему и возмущающему воздействию и для ошибок по этим воздействиям
Передаточная функция САР по управляющему воздействию определяет взаимосвязь между применением регулируемой величины Y(Θ) и изменением задающего воздействия Yз(Θз):
Подставляя численные значения параметров и после некоторых преобразований получим:
Характеристики
Тип файла документ
Документы такого типа открываются такими программами, как Microsoft Office Word на компьютерах Windows, Apple Pages на компьютерах Mac, Open Office - бесплатная альтернатива на различных платформах, в том числе Linux. Наиболее простым и современным решением будут Google документы, так как открываются онлайн без скачивания прямо в браузере на любой платформе. Существуют российские качественные аналоги, например от Яндекса.
Будьте внимательны на мобильных устройствах, так как там используются упрощённый функционал даже в официальном приложении от Microsoft, поэтому для просмотра скачивайте PDF-версию. А если нужно редактировать файл, то используйте оригинальный файл.
Файлы такого типа обычно разбиты на страницы, а текст может быть форматированным (жирный, курсив, выбор шрифта, таблицы и т.п.), а также в него можно добавлять изображения. Формат идеально подходит для рефератов, докладов и РПЗ курсовых проектов, которые необходимо распечатать. Кстати перед печатью также сохраняйте файл в PDF, так как принтер может начудить со шрифтами.















