109043 (689185)
Текст из файла
Министерство Образования Российской Федерации
Томский государственный университет систем управления и радиоэлекроники (ТУСУР)
Кафедра радиоэлектроники и защиты информации(РЗИ)
Усилитель мощности широкополосного локатора
Пояснительная записка к курсовой работе по дисциплине “Схемотехника аналоговых устройств”
Студент гр.148-3
Уткин А.Н
Руководитель
Доцент каф. РЗИ
Титов А.А
Томск 2001
Реферат
Курсовая работа 39 с., 13 рис., 2 табл., 7 источников.
Усилитель мощности, выходная корректирующая цепь, межкаскадная корректирующая цепь, рабочая точка, выбор транзистора, схемы термостабилизации, методика Фано, однонаправленная модель транзистора, эквивалентная схема Джиаколетто, нагрузочные прямые, дроссельный каскад.
Объектом исследования является усилитель мощности нелинейного локатора.
В данной курсовой работе рассматриваются условия выбора транзистора,
методы расчета усилительных каскадов, корректирующих цепей, цепей термостабилизации.
Цель работы – приобрести навыки расчета транзисторных усилителей мощности.
В результате работы был расчитан широкополосный усилитель мощности, который может использоваться в широкополосной локации для исследования прохождения радиоволн в различных средах.
Курсовая работа выполнена в текстовом редакторе Microsoft World 97 и представлена на дискете 3,5”.
Техническое задание
Усилитель должен отвечать следующим требованиям:
1 Рабочая полоса частот: 50-500 МГц
2 Допустимые частотные искажения
в области нижних частот не более 3 дБ
в области верхних частот не более 3 дБ
3 Коэффициент усиления 20 дБ
4 Выходная мощность P=0.5 Вт
5 Диапазон рабочих температур: от +10 до +50 градусов Цельсия
6 Сопротивление источника сигнала и нагрузки Rг=Rн=50 Ом
Содержание
1 Введение……………………………………………………………………… .5
2 Определение числа каскадов…………………………………………………6
3 Распределение искажений на высоких частотах……………………...…….6
4 Расчет оконечного каскада……………………………………………..…….6
4.1 Расчет рабочей точки………………………………………………………..6
4.1.1 Расчет рабочей точки при использовании Rк=Rн……………………….7
4.1.2 Расчет рабочей точки для дроссельного каскада………………………..9
4.2 Выбор транзистора оконечного каскада …………………………………10
4.3 Расчет эквивалентной схемы транзистора ……………………………….11
4.4 Расчет цепей питания и термостабилизации……………………………..13
4.4 1 Эмиттерная термостабилизация…………………………………………13
4.4.2 Коллекторная пассивная термостабилизация…………………………..14
4.4.3 Коллекторная активная термостабилизация……………………………15
4.5 Расчет элементов высокочастотной коррекции…………………………..17
4.5.1 Расчет выходной корректирующей цепи………………………………..17
4.5.2 Расчет межкаскадной корректирующей цепи…………………………..20
5 Расчет предварительного каскада……………………………………………24
6 Расчет входного каскада……………………………………………………...27
7 Расчет дросселей, разделительных и блокировочных конденсаторов…….31
8 Заключение…………………………………………………………………….35
9 Литература……………………………………………………………………..39
1 Введение
В данной курсовой работе расчитывается усилитель широкополосного локатора, который может использоваться в исследованиях прохождения радиоволн в различных средах, в том числе прохождения различных длин волн в городских условиях, исследования влияния радиоволн на микроорганизмы.
Но так как коэффициент усиления транзистора на высоких частотах составляет единицы раз, то при создании усилителя необходимо применять корректирующие цепи, обеспечивающие максимально возможный коэффициент усиления каждого каскада усилителя в заданной полосе частот. Для нейтрализации влияния выходной емкости выходного транзистора на уровень выходной мощности усилителя, предложено использовать выходную корректирующую цепь, рассчитанную по методике Фано. С целью повышения коэффициента полезного действия усилителя, целесообразно применение активной коллекторной термостабилизации
2 Определение числа каскадов
При расчете усилителей первым делом определяют количество каскадов [1,2]. Число каскадов определяется по коэффициенту усиления, который определяется техническим заданием (тз). Для этого выбирается коэффициент усиления для одного каскада. Потом коэффициент усиления усилителя делится на коэффициент усиления одного каскада.
В данном мне задании коэффициент усиления усилителя 20дб. Я задался коэффициентом усиления одного каскада около 6дб. Так число каскадов должно быть целым, то тогда после вычислений получается, что в состав усилителя будет входить 3 каскада и на каждый каскад будет приходиться по 6.67дб усиления:
3 Распределение искажений на высоких частотах
На высоких частотах в усилителе возникают нелинейные искажения вследствие нелинейности его элементов, что приводит к отклонению амплитудно-частотной характеристики.
При распределении искажений на высоких частотах определяются искажения приходящиеся на каждый каскад усилителя[1,2].
Для этого допустимые частотные искажения, определяемые заданием, делятся на число каскадов усилителя.
По заданию допустимые частотные искажения на высоких частотах равны 3дб. В усилитель входит 3 каскада. Тогда на каждый каскад будет приходиться по 1дб искажений.
4 Расчет оконечного каскада
4.1 Расчет рабочей точки
Рабочей точкой называется ток или напряжение на транзисторе при отсутствии входного сигнала.
Рабочая точка расчитывается по заданной мощности Рвых или выходному напряжению Uвых. Но чаще даётся мощность, по которой можно найти выходное напряжение (амплитуду) из соотношения [1,2]:
(4.1)
(4.2)
Тогда амплитуда выходного напряжения будет равна:
По известному сопротивлению нагрузки и выходному напряжению можно найти ток в нагрузке:
(4.3)
В результате ток равен:
4.1.1 Расчет рабочей точки для реостатного каскада
Чтобы найти ток в рабочей точке, нужно знать ток на выходе каскада:
(4.4)
Сопротивления Rк и Rн выбраны равными, то равны и токи, протекающие через них:
(4.5)
Тогда получим:
Схема для данного случая изображена на рисунке (4.1).
Координаты рабочей точки находится по выражениям:
(4.6)
(4.7)
Здесь Uост начальное напряжение нелинейного участка выходных характеристик транзистора, берется от 2В до 3В. После подстановки в выражения (4.6, 4.7) получится:
Рисунок 4.1
Напряжение источника питания для схемы будет составлять сумму падений напряжений на сопротивлении Rк и транзисторе:
(4.8)
где
- напряжение в рабочей точке
Выражение (4.8) называется нагрузочной прямой по постоянному току. В пределах этой прямой будет изменяться рабочая точка.
Чтобы провести прямую, достаточно знать две точки:
В сигнальном режиме строится нагрузочная прямая по переменному току:
(4.9)
(4.10)
Для упрощения расчетов берут
После подстановки получается:
На рисунке (4.2) изображен вид нагрузочных прямых по постоянному и переменному токам.
Рисунок 4.2 – Нагрузочные прямые
Мощности рассеиваемая на транзисторе и потребляемая каскадом определяются по выражениям:
( 4.11)
(4.12)
Соответственно мощности будут равны:
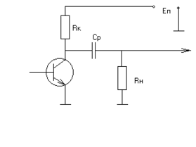
4.1.2 Расчет рабочей точки для дроссельного каскада
В отличие от предыдущего каскада дроссельный имеет вместо сопротивления Rк дроссель Lдр, который по постоянному току имеет сопротивление близкое к нулю, а по переменному – намного большее сопротивления нагрузки.
Положим выходное напряжение тем же (Uвых=7.71В).
Рисунок 4.3- Дроссельный каскад
Расчет рабочей точки производится по тем же выражениям, что и для предыдущего каскада (4.6, 4.7), но выходной ток каскада будет равен току нагрузки:
Тогда рабочая точка будет иметь следующие координаты:
Так как дроссель по постоянному току является короткозамкнутым проводником, то напряжение питания будет равным падению напряжения на транзисторе, то есть Еп=Uкэо=10.71В.
Нагрузочная прямая по переменному току описывается выражением:
(4.13)
Для упрощения здесь
Тогда изменение напряжения на транзисторе будет равно:
Вид нагрузочных прямых изображен на рисунке (4.4).
Рисунок 4.4- Нагрузочные прямые для дроссельного каскада
Потребляемая мощность каскадом и рассеиваемая на транзисторе аналогично определяется по выражениям (4.11, 4.12). В результате
получается:
Видно, что мощность рассеивания равна потребляемой.
Сравнивая энергетические характеристики двух каскадов, можно сделать вывод, что лучше взять дроссельный каскад, так как он имеет наименьшее потребление, напряжение питания и ток.
4.2 Выбор транзистора оконечного каскада
Выбор транзистора осуществляется по следующим предельным параметрам:
- предельный допустимый ток коллектора
;
- предельно допустимое напряжение коллектор-эмиттер
;
- предельная мощность, рассеиваемая на коллекторе
.
- граничная частота усиления транзистора по току в схеме с ОЭ
.
Этим требованиям удовлетворяет транзистор КТ939А [3]. Основные технические характеристики этого транзистора приводятся ниже.
Электрические параметры:
-граничная частота коэффициента передачи тока в схеме с ОЭ
МГц;
-постоянная времени цепи обратной связи при
В
пс;
-индуктивность базового вывода
;
-индуктивность эмиттерного вывода
;
-статический коэффициент передачи тока в схеме с ОЭ
;
-емкость коллекторного перехода при
В
пФ.
Характеристики
Тип файла документ
Документы такого типа открываются такими программами, как Microsoft Office Word на компьютерах Windows, Apple Pages на компьютерах Mac, Open Office - бесплатная альтернатива на различных платформах, в том числе Linux. Наиболее простым и современным решением будут Google документы, так как открываются онлайн без скачивания прямо в браузере на любой платформе. Существуют российские качественные аналоги, например от Яндекса.
Будьте внимательны на мобильных устройствах, так как там используются упрощённый функционал даже в официальном приложении от Microsoft, поэтому для просмотра скачивайте PDF-версию. А если нужно редактировать файл, то используйте оригинальный файл.
Файлы такого типа обычно разбиты на страницы, а текст может быть форматированным (жирный, курсив, выбор шрифта, таблицы и т.п.), а также в него можно добавлять изображения. Формат идеально подходит для рефератов, докладов и РПЗ курсовых проектов, которые необходимо распечатать. Кстати перед печатью также сохраняйте файл в PDF, так как принтер может начудить со шрифтами.
















