29006-1 (689161)
Текст из файла
Министерство образования Российской Федерации
ТОМСКИЙ ГОСУДАРСТВЕННЫЙ УНИВЕРСИТЕТ СИСТЕМ УПРАВЛЕНИЯ И РАДИОЭЛЕКТРОНИКИ
(ТУСУР)
Кафедра радиоэлектроники и защиты информации (РЗИ)
Усилитель корректор.
Пояснительная записка к курсовому
проекту по дисциплине «Схемотехника аналоговых электронных устройств»
Выполнил
студент гр.148-3
КузнецовА.В._______
Проверил
Преподаватель каф.РЗИ
ТитовА.А.__________
2001
Реферат
ВЫСОКАЯ ЧАСТОТА (ВЧ), НИЗКАЯ ЧАСТОТА (НЧ), КОЭФФИЦИЕНТ УСИЛЕНИЯ (КУ), КОРРЕКТИРУЮЩАЯ ЦЕПЬ (КЦ),АПЛИТУДНОЧАСТОТНАЯ ХАРАКТЕРИСТИКА (АЧХ).
Целью данной работы является усвоение методики расчета аналоговых
усилительных устройств.
В данной работе производился расчет широкополосного усилителя с наклоном АЧХ для корректирования входного сигнала.
Курсовая работа выполнена в текстовом редакторе Microsoft Word 7.0, (представлена на дискете).
Техническое задание
Тема проэкта: широкополосный усилитель-корректор
1.Диапазон частот от 20МГц до 400МГц
2.Допустимые частотные искажения в области НЧ 3дБ, в ВЧ 3 дБ
3.Источник входного сигнала 50 Ом
4.Амплитуда напряжения на выходе 3В
5.Характер и величина нагрузки 50 Ом
6.Условия эксплуатации +10-+60 С
7. Дополнительные требования: С ростом частоты коэфициент усиления должен возрастать с подъемом с 30дБ до 33дБ
Содержание
1.Введение......................................................................................…5
2.Определение числа каскадов ........................................................6
3.Распределение искажений в области высоких частот.................6
4 Расчет оконечного каскада.......................................................…..6
4.1 Расчет рабочей точки...........................................................….6
4.2 Выбор транзистора……………………………………........…7
4.3 Расчёт эквивалентной схемы транзистора.........................….8
4.4 Расчет цепей питания и термостабилизации.....….............…9
4.5 расчет элементов высокочастотной коррекции..…......…....12
5 Расчёт предоконечного каскада…………………………...….….15
6 Расчёт входного каскада……………………………….......……..16
7 Расчет блокировочных и разделительных емкостей.…….……..19
8 Техническая документация…………………………………….…21
9 Заключение…………………………………………….………..…23
10 Литература………………………………………………………..24
1.Введение
В данной курсовой работе требуется рассчитать корректирующий усилитель с подъёмом амплитудно-частотной характеристики. Необходимость усиливать сигнал, возникает из-за того, что достаточно велики потери в кабеле. К тому же потери значительно возрастают с ростом частоты.
Для того, чтобы компенсировать эти потери сигнал после приёма предварительно усиливают, а затем направляют далее по кабелю. При этом усилитель должен иметь подъём АЧХ в области высоких частот. В данной работе требовалось обеспечить подъём равный 3дБ на октаву.
При проектировании усилителя основной трудностью является обеспечение заданного усиления в рабочей полосе частот. В данном случае полоса частот составляет 20-400 МГц
Для реализации широкополосных усилительных каскадов с заданным подъёмом амплитудно-частотной характеристики (АЧХ) предпочтительным является использование диссипативной корректирующей цепи четвертого порядка [1].
2 Определение числа каскадов
Для обеспечения заданного коэффициента усиления равного 30 дБ при коэффициенте усиления транзистора около 10дБ, примем число каскадов усилителя равное 3.
3 Распределение искажений в области высоких частот
Рассчитывая усилитель будем исходить из того, что искажения вносимые корректирующими цепями каскадов не превышают 1,5 дБ, а искажения вносимые выходной корректирующей цепью не превышают 1 дБ, тогда искажения вносимые усилителем не превысят 2,5 дБ.
4 Расчет оконечного каскада
4.1 Расчет рабочей точки
Рассчитаем рабочую точку транзистора для резистивного и дроссельного каскада используя формулы:
, (4.1)
где
амплитуда напряжения на выходе усилителя,
сопротивление нагрузки.
Вт;
; (4.2)
А;
, (4.3)
где
ток рабочей точки
А для резистивного каскада;
А ;
А для дроссельного каскада;
А;
, (4.4)
где
напряжение рабочей точки, а
.
В;
; (4.5)
- Вт рассеиваемая мощность для резистивного каскада;
- Вт рассеиваемая мощность для дроссельного каскада;
, (4.6)
где
напряжение питания каскада;
В - для резистивного каскада;
В - для дроссельного каскада;
; (4.7)
Вт - для резистивного каскада;
Вт - для дроссельного каскада.
П
ринципиальная схема резистивного каскада представлена на рисунке 4.1.1,а эквивалентная схема по переменному току на рисунке 4.1.1,б, дроссельного каскада на рисунке 4.1.2,а и его эквивалентная схема по переменному току на рисунке 4.1.2,б.
Р
исунок 4.1.1
Рисунок 4.1.2
Здесь
сопротивление нагрузки,
разделительная емкость.
Результаты вычислений:
|
|
|
|
|
| |
| с | 11,6 | 5 | 660 | 1531 | 132 |
| с | 5 | 5 | 330 | 330 | 66 |
4.2 Выбор транзистора. Нагрузочные прямые
При выборе транзистора нужно учесть предельные значения транзистора
,
,
,
.
В;
А для резистивного каскада;
А для дроссельного каскада;
Вт для резистивного каскада;
Вт для дроссельного каскада;
Ггц.
|
|
|
|
| |
| с | 6 | 660 | 1,7-4 | 158 |
| с | 6 | 330 | 1,7-4 | 79 |
Свой выбор остановим на транзисторе КТ939А предельные допустимые значения которого полностью отвечают вышеуказанным требованиям.
Необходимые справочные данные транзистора КТ939А [2].
=18 В ,
=0,4 А ,
=4 Вт ,
=3060 МГц,
=4,6 пс ,
=6,04 пФ при
=5 В ,
=113,
нГн,
нГн.
Построим нагрузочные прямые для двух описанных выше каскадов.
а) б)
Рисунок 4.2
Исходя из вышеуказанных результатов вычислений, целесообразней всего применять дроссельный каскад, так как при использовании дроссельного каскада меньше напряжение питания, рассеиваемая мощность, а также потребляемая мощность (что очень существенно).
4.3 Расчет эквивалентной схемы транзистора
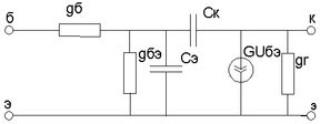
Расчет каскада основан на применении эквивалентной схемы замещения транзистора [3] рисунок 4.3.1,а ,а также однонаправленной схемы замещения[4] рисунок 4.3.1,б.
а) б)
Рисунок 4.3.1
Здесь
проводимость базы
, (4.8)
где
постоянная времени цепи обратной связи (табличное значение),
ёмкость коллекторного перехода (табличное значение),
проводимость база-эмиттер
См;
, (4.9)
где
сопротивление эмиттера
, (4.10)
где
ток рабочей точки,
статический коэффициент передачи тока с общим эмиттером.
Ом;
См;
, (4.11)
где
граничная частота транзистора.
пФ;
входная индуктивность,
где
индуктивность базового и эмиттерного выводов соответственно;
нГн;
=
;
выходное сопротивление транзистора
, (4.12)
где
и
допустимые параметры транзистора.
Ом;
.
В расчете также используется параметр
, (4.13)
где
верхняя частота усилителя;
.
4.4 Расчет цепей питания и выбор схемы термостабилизации
Рассмотрим три варианта схем термостабилизации: эмиттерную, пассивную коллекторную и активную коллекторную и произведем для них расчет. Схема эмиттерной термостабилизации представлена на рисунке 4.4.1.
Рисунок 4.4.1
Здесь
,
задают смещение напряжения на базе транзистора,
элемент термостабилизации,
шунтирует
по переменному току.
, (4.14)
где
падение напряжения на резисторе
примем
=4 В.
Ом;
; (4.15)
В,
; (4.16)
; (4.17)
где
ток базового делителя;
.
А;
Ом;
Ом;
; (4.18)
мкГн.
Схема пассивной коллекторной термостабилизации представлена на рисунке 4.4.2.
Здесь
осуществляет смещение напряжения, а также используется в качестве элемента термостабилизации.
Примем
=
;
, (4.19)
где
; (4.20)
А;
КОм;
; (4.21)
8,3 В.
Рассмотрим схему активной коллекторной термостабилизации [5].
Р
исунок 4.4.3
В данной схеме транзистор VT2 используется в качестве элемента термостабилизации. Ток коллектора VT2 является базовым током смещения. Здесь
,
-базовый делитель для транзистора VT2,
предотвращает генерацию в каскаде.
>1 В,
примем
=1 В;
; (4.22)
Ом;
; (4.23)
В;
, (4.24)
где
ток коллектора транзистора VT1,
статический коэффициент передачи тока с общим эмиттером транзистора VT1
-ток базового смещения транзистора VT1.
А;
, (4.25)
где
- ток коллектора транзистора VT2.
, (4.26)
Характеристики
Тип файла документ
Документы такого типа открываются такими программами, как Microsoft Office Word на компьютерах Windows, Apple Pages на компьютерах Mac, Open Office - бесплатная альтернатива на различных платформах, в том числе Linux. Наиболее простым и современным решением будут Google документы, так как открываются онлайн без скачивания прямо в браузере на любой платформе. Существуют российские качественные аналоги, например от Яндекса.
Будьте внимательны на мобильных устройствах, так как там используются упрощённый функционал даже в официальном приложении от Microsoft, поэтому для просмотра скачивайте PDF-версию. А если нужно редактировать файл, то используйте оригинальный файл.
Файлы такого типа обычно разбиты на страницы, а текст может быть форматированным (жирный, курсив, выбор шрифта, таблицы и т.п.), а также в него можно добавлять изображения. Формат идеально подходит для рефератов, докладов и РПЗ курсовых проектов, которые необходимо распечатать. Кстати перед печатью также сохраняйте файл в PDF, так как принтер может начудить со шрифтами.
,
задают смещение напряжения на базе транзистора,
шунтирует
, (4.14)
осуществляет смещение напряжения, а также используется в качестве элемента термостабилизации.
=
, (4.19)
; (4.20)
А;
КОм;
; (4.21)
8,3 В.
,
-базовый делитель для транзистора VT2,
предотвращает генерацию в каскаде.















