25668-1 (689137), страница 3
Текст из файла (страница 3)
Методика расчета корректирующей цепи не изменилась, условия – прежние, т.к. тип транзистора не изменился. Нормировка элементов цепи осуществляется на выходные емкость и сопротивление генератора. Табличные значения нормированных элементов прежние:
Величины, необходимые для разнормировки, изменились с учетом параметров генератора:
Нормированные параметры изменились:
Разнормируем элементы МКЦ:
Рассчитаем дополнительные параметры:
где S210 - коэффициент передачи входного каскада. Расчет входного каскада окончен.
-
Расчет разделительных емкостей
Рассчитываемый усилитель имеет 4 реактивных элемента, вносящих частотные искажения - разделительные емкости. Усилитель должен обеспечивать в рабочей полосе частот искажения АЧХ, не превышающие 3дБ. Номинал каждой емкости с учетом заданных искажений, параметров корректирующей цепи и транзистора, рассчитывается по формуле [2]:
(2.32)
где Yн – заданные искажения; R11 – параллельное соединение выходного сопротивления транзистора и соответствующего сопротивления МКЦ (R2), Ом R22 – соответствующий номинал резистора МКЦ (Rдоп), Ом; wн – нижняя частота, Рад/с.
Приведем искажения, заданные в децибелах, к безразмерной величине:
, (2.33)
где М – частотные искажения, приходящиеся на каскад, Дб. Тогда
Номинал разделительной емкости оконечного каскада:
Номинал разделительной емкости предоконечного каскада:
Номинал разделительной емкости входного каскада:
На этом расчет разделительных емкостей и усилителя заканчивается.
3. Заключение.
В результате выполненной курсовой работы получена схема электрическая принципиальная усилителя генератора с емкостным выходом. Известны топология элементов и их номиналы. Поставленная задача решена в полном объеме, однако для практического производства устройства данных недостаточно. Необходимая информация может быть получена в результате дополнительных исследований, необходимость которых в техническом задании настоящего курсового проекта не указывается.
Список использованных источников
1 Петухов В.М. Полевые и высокочастотные биполярные транзисторы средней и большой мощности и их зарубежные аналоги: Справочник. – М.: КУБК-а, 1997.
2 Титов А.А. Расчет корректирующих цепей широкополосных усилительных каскадов на биполярных транзисторах – http://referat.ru/download/ref-2764.zip.
3 Титов А.А. Григорьев Д.А. Расчет элементов высокочастотной коррекции усилительных каскадов на полевых транзисторах. – Томск, 2000. - 27 с.
4 Мамонкин И.Г. Усилительные устройства: Учебное пособие для вузов. – М.: Связь, 1977.
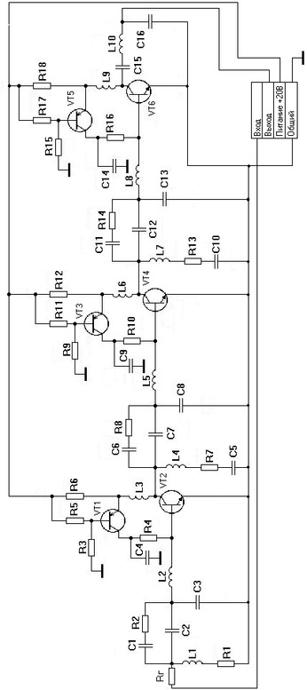
РТФ КП 468740.001 Э3 | |||||||||||||||||||||||||||||
| Усилитель генератора с емкостным выходом Схема электрическая принципиальная | Литер. | Масса | Масштаб | ||||||||||||||||||||||||||
| Изм | Лист | № докум. | Подп. | Дата | |||||||||||||||||||||||||
| Разраб. | Дубовенко Д | ||||||||||||||||||||||||||||
| Пров. | Титов А.А. | ||||||||||||||||||||||||||||
| Т.контр. | Лист 1 | Листов 3 | |||||||||||||||||||||||||||
ТУСУР, РТФ, гр.148-3 | |||||||||||||||||||||||||||||
| Н.контр. | |||||||||||||||||||||||||||||
| Утв. | |||||||||||||||||||||||||||||
| Поз.обоз-начение | Наименование | Кол. | Примечание | ||||||||||||||||||||||||||
| Конденсаторы ОЖО.460.107ТУ | |||||||||||||||||||||||||||||
| С1 | К10-17б-56пФ± 5% | 1 | |||||||||||||||||||||||||||
| С2 | К10-17б-11пФ± 5% | 1 | |||||||||||||||||||||||||||
| С3 | К10-17б-2.2пФ± 5% | 1 | |||||||||||||||||||||||||||
| С4 | К10-17б-1пФ± 5% | 1 | |||||||||||||||||||||||||||
| С5,С10 | К10-17б-110пФ± 5% | 2 | |||||||||||||||||||||||||||
| С6 | К10-17б-330пФ± 5% | 1 | |||||||||||||||||||||||||||
| С7,С12 | К10-17б-150пФ± 5% | 2 | |||||||||||||||||||||||||||
| С8,С13 | К10-17б-75пФ± 5% | 2 | |||||||||||||||||||||||||||
| С9 | К10-17б-1.2пФ± 5% | 1 | |||||||||||||||||||||||||||
| С11 | К10-17б-300пФ± 5% | 1 | |||||||||||||||||||||||||||
| С14 | К10-17б-3.6пФ± 5% | 1 | |||||||||||||||||||||||||||
| С15 | К10-17б-4700пФ± 5% | 1 | |||||||||||||||||||||||||||
| С16 | К10-17б-20пФ± 5% | 1 | |||||||||||||||||||||||||||
| Дроссели ОЮО.475.000.ТУ | |||||||||||||||||||||||||||||
| L1 | 175нГн | 1 | |||||||||||||||||||||||||||
| L2 | 55нГн | 1 | |||||||||||||||||||||||||||
| L3 | 245мкГн | 1 | |||||||||||||||||||||||||||
| L4,L7 | 48нГн | 2 | |||||||||||||||||||||||||||
| L5,L8 | 8нГн | 2 | |||||||||||||||||||||||||||
| L6,L9 | 400мкГн | 2 | |||||||||||||||||||||||||||
| L10 | 37нГн | 1 | |||||||||||||||||||||||||||
| РТФ КП 468740.001 ПЭ3 | |||||||||||||||||||||||||||||
| Изм. | Лист | № Докум | Подпись | Дата | |||||||||||||||||||||||||
| Выполнил | Дубовенко | Усилитель Перечень элементов | Лит | Лист | Листов | ||||||||||||||||||||||||
| Проверил | Титов А.А. | 2 | 3 | ||||||||||||||||||||||||||
| Принял | Титов А.А. | ТУСУР, РТФ, гр. 148-3 | |||||||||||||||||||||||||||
| Поз.обоз-начение | Наименование | Кол | Примечание | ||||||||||||||||||||||||||
| Резисторы ГОСТ 7113-77 | |||||||||||||||||||||||||||||
| Rг | МЛТ – 0.25 –100 Ом ± 5% | 1 | |||||||||||||||||||||||||||
| R1 | МЛТ – 0.25 –120 Ом ± 5% | 1 | |||||||||||||||||||||||||||
| R2 | МЛТ – 0.25 –6.8 КОм ± 5% | 1 | |||||||||||||||||||||||||||
| R3 | МЛТ – 0.25 –91 КОм ± 5% | 1 | |||||||||||||||||||||||||||
| R4 | МЛТ – 0.25 –8.2 КОм ± 5% | 1 | |||||||||||||||||||||||||||
| R5 | МЛТ – 0.25 –11 КОм ± 5% | 1 | |||||||||||||||||||||||||||
| R6 | МЛТ – 0.25 –39 Ом ± 5% | 1 | |||||||||||||||||||||||||||
| R7 | МЛТ – 0.25 –33 Ом ± 5% | 1 | |||||||||||||||||||||||||||
| R8 | МЛТ – 0.25 –680 Ом ± 5% | 1 | |||||||||||||||||||||||||||
| R9 | МЛТ – 0.25 –30 КОм ± 5% | 1 | |||||||||||||||||||||||||||
| R10 | МЛТ – 0.25 –2.7 КОм ± 5% | 1 | |||||||||||||||||||||||||||
| R11 | МЛТ – 0.25 –3.3 КОм ± 5% | 1 | |||||||||||||||||||||||||||
| R12 | МЛТ – 0.25 –12 Ом ± 5% | 1 | |||||||||||||||||||||||||||
| R13 | МЛТ – 0.25 –33 Ом ± 5% | 1 | |||||||||||||||||||||||||||
| R14 | МЛТ – 0.25 –1.2 КОм ± 5% | 1 | |||||||||||||||||||||||||||
| R15 | МЛТ – 0.25 –5.1 КОм ± 5% | 1 | |||||||||||||||||||||||||||
| R16 | МЛТ – 0.25 –1 КОм ± 5% | 1 | |||||||||||||||||||||||||||
| R17 | МЛТ – 0.25 –1.1 КОм ± 5% | 1 | |||||||||||||||||||||||||||
| R18 | МЛТ – 0.25 –3.9 Ом ± 5% | 1 | |||||||||||||||||||||||||||
| Транзисторы | |||||||||||||||||||||||||||||
| V1,V3,V5 | КТ 316 А СБ.0336049М | 3 | |||||||||||||||||||||||||||
| V2,V4,V6 | 2Т 916 А аАО. 339136 ТУ | 3 | |||||||||||||||||||||||||||
| РТФ КП 468740.001 ПЭ3 | |||||||||||||||||||||||||||||
| Изм. | Лист | № Докум | Подпись | Дата | |||||||||||||||||||||||||
| Выполнил | Дубовенко | Усилитель Перечень элементов | Лит | Лист | Листов | ||||||||||||||||||||||||
| Проверил | Титов А.А. | 3 | 3 | ||||||||||||||||||||||||||
| Принял | Титов А.А. | ТУСУР, РТФ, гр. 148-3 | |||||||||||||||||||||||||||
















