25410 (686837), страница 2
Текст из файла (страница 2)
, де
коефіцієнти умови роботи, які приймаємо за ([1], стр.86, додаток Е таблиця Е7). Вони становлять:
коефіцієнти, які приймаємо
ширина підошви фундаменту,
коефіцієнти, які приймаємо за ([1], стр.87, додаток Е таблиця Е8).
Вони становлять (при
):
розрахункове значення умовного зчеплення.
середнє розрахункове значення умовної ваги грунтів, які залягають нижче підошви фундамента. Приймаємо
.
-
Визначаємо
при
за формулою
:
-
Визначаємо
:
-
Визначаємо
:
-
Визначаємо
:
-
Визначаємо
:
-
Визначаємо різницю між
і
:
Остаточно приймаємо:
-
Визначаємо ексцентриситет рівнодійної для позацентрово завантаженого фундаменту при дії загального згинаючого моменту на рівні підошви фундаменту:
Визначаємо тиск на ґрунт у краю підошви позацентрово-завантаженого фундаменту:
Згідно норм, максимальний тиск на ґрунт не повинен перевищувати
, а мінімальний тиск повинен бути додатнім. Друга умова виконується очевидно
Перевіряємо першу вимогу:
Перша умова не виконується, отже збільшимоl на 0,3 м.
W=12,15 м3
Отже всі умови задовольняються.
Остаточно приймаємо:
Розрахунок осідання фундаменту на природній основі методом пошарового підсумування
Визначаємо тиск від власної ваги ґрунту природної вологості на рівні підошви грунтово-рослинного шару:
ї
Визначення осідання фундаменту методом пошарового підсумовування
| м | кПа |
|
|
| кПа | кПа | м | кПа | см | ||
| 1 | 2 | 3 | 4 | 5 | 6 | 7 | 8 | 9 | 10 | ||
| 0 | 30,46 | 0 | 0,8 | 1 | 177,91 | 162,79 | 144 | 8000 | 2,34 | ||
| 1,44 | 56,52 | 0,8 | 0,8 | 0,83 | 147,67 | ||||||
| 118,39 | 144 | 8000 | 1,70 | ||||||||
| 2,88 | 82,58 | 1,6 | 0,8 | 0,50 | 89,11 | ||||||
| 71,20 | 144 | 8000 | 1,03 | ||||||||
| 4,32 | 108,65 | 2,4 | 0,8 | 0,30 | 53,28 | ||||||
| 43,65 | 144 | 33438 | 0,15 | ||||||||
| 5,76 | 137,71 | 3,2 | 0,8 | 0,19 | 34,03 | ||||||
| 28,68 | 144 | 41000 | 0,08 | ||||||||
| 7,2 | 167,66 | 4 | 0,8 | 0,13 | 23,33 | ||||||
| 5,31 | |||||||||||
Схема розрахунку осідання фундаменту методом пошарового підсумовування
Згідно з ([1], стр. 94, додаток И, таблиця И.1) гранична деформація складає
. Згідно з розрахунком, отримано
, що не перевищує граничну деформацію.
5. Розрахунок фундаменту із забивних призматичних паль
Розрахунок фундаменту за першим граничним станом
1. Вибір розмірів паль згідно інженерно-геологічних умов ділянки, діючих навантажень, конструктивних особливостей споруди.
Приймаємо палю
.
2. Глибину закладання ростверку встановлюємо з конструктивних міркувань. Мінімальна висота ростверку під колону одноповерхової промислової будівлі складає:
.
3. Визначаємо довжину палі у ґрунті. При жорсткому спряженні палі з ростверком довжина її в ґрунті складає:
4. Для визначення несучої здатності палі при наступних значеннях:
Визначимо за ([2], стр.7, табл.1)
. Несучу здатність палі визначаємо за формулою:
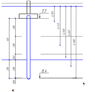
До схеми розрахунку пальового фундаменту
| h, м | Z, м | fi ,кН |
| 2 | 1,67 | 39,7 |
| 2 | 4,35 | 54,1 |
| 0,65 | 5,68 | 57,4 |
| 2 | 6,67 | 59,3 |
| 0,05 | 8,02 | 62,0 |
Розрахункове навантаження, яке допустиме на палю становить:
Визначення кількості паль фундаменту.
Кількість паль у кущі знаходимо за формулою:
Приймаємо остаточно
паль.
-
Конструювання ростверку.
Конструювання ростверку виконуємо виходячи з мінімальної відстані між палями, тобто
.
-
Визначення фактичного розрахункового навантаження на палю.
Розрахунок виконуємо за формулою:
Умова розрахунку за першим граничним станом задовольняється.
Визначаємо розміри умовного фундаменту на рівні вістря палі:
Визначаємо об’єм і вагу умовного фундаменту “паля ростверк ґрунт”:
Визначаємо середній тиск по підошві умовного фундаменту:
Визначаємо опір ґрунту основи на рівні підошви умовного фундаменту:
коефіцієнти умови роботи, які приймаємо за ([1], стр.8, таблиця №3). Вони становлять:
;
;
коефіцієнти, які приймаємо
ширина підошви умовного фундаменту,
коефіцієнти, які приймаємо за ([1], стр.9, таблиця №4).
Вони становлять (при
):
;
;
середнє розрахункове значення умовної ваги грунтів, які залягають нижче підошви умовного фундамента. Приймаємо
.
теж саме, які залягають вище підошви фундамента. Приймаємо
:
Тоді отримаємо:
Виконуємо перевірку попередньої умови при розрахунку основи по деформаціям:
Попередні умови розрахунку основи за деформаціями виконується:
.
Визначаємо потужність стиснутої товщі основи.
Потужність стиснутої товщі під підошвою умовного фундаменту складає:
, де
при відношенні
за ([3], стр. 19, табл. 2.3) становить:
.
Визначаємо середньозважене значення модуля деформації в межах стиснутої товщі основи.
Середньозважене значення модуля деформації становить:
Визначаємо осідання основи за формулою:
Перевіряємо умову розрахунку основи за деформаціями
:
.([1], стр. 94, додаток И, таблиця И.1)
Отже умова виконується.
6. Розрахунок фундаментів у пробитих свердловинах
-
Приймаємо один фундамент діаметром
, об’єм втрамбованого щебеню складає
. -
Глибину закладання ростверку приймаємо з конструктивних міркувань рівною
. -
Висоту фундаменту приймаємо
. Схема прийнятого фундаменту зображена на рисунку. -
Визначаємо параметри розширення:
Форма розширення приймається у вигляді еліпсоїда обертання з відношенням піввісей
.
Геометричні характеристики розширення:
- радіус розширення
де Vcr=1.5м3 – об’єм щебню;
- співвідношення осей еліпсоїда обертання
- коефіцієнт ущільнення щебню розширення
- висота розширення
- площа поперечного перерізу розширення.
Радіус ущільненої зони грунту
м - діаметр розширення
- коефіцієнт активної пористості
м.
Товщину ущільненої зони нижче розширення приймаємо за формулою
м.
Площа поперечного перерізу ущільненої зони дорівнює:
м2
-
Визначаємо несучу здатність основи, яке допустиме на фундамент, за несучою здатністю жорсткого матеріалу:
м2
-
Визначаємо несучу здатність основи, яка допускається на фундамент, за несучою здатністю ущільненого шару при:
Так як поверхня умовного конусу не перетинає стовбур фундаменту, то опір грунту за бічною поверхнею не враховуємо.
Тоді отримаємо:
-
Визначаємо несучу здатність основи, яка допускається на фундамент, за грунтом природного складу, який підстеляє ущільнену зону:
Отже отримаємо:
Тоді отримаємо:
при
за формулою
:
:
:
:
:
, об’єм втрамбованого щебеню складає
.
.
. Схема прийнятого фундаменту зображена на рисунку.
















