Avtomatizacia (682828), страница 2
Текст из файла (страница 2)
Для настройки И-части, т. е. для того чтобы получать разные средние скорости двигателя при одинаковых сигналах на входе, каскад усиления напряжения И-части питают импульсным напряжением от генератора импульсов, собранного на тиратроне (лампа Л4). Постоянную времени генератора можно изменять, перемещая движок сопротивления Р21, служащего для настройки времени удвоения.
ПИ- регулятор действует по следующему закону регулирования:
где kp- коэффициент передачи пропорциональной части регулятора;
kр.и – коэффициент передачи интегральной части;
У
ниверсальные ключи
Н
азывают аппараты которые служат для одновременных переключений в нескольких независимых электрических цепях управления. Эти аппараты могут быть использованы для переключения цепей как постоянного так и переменного тока. Универсальные переключатели состоят из набора контактных секций изолированных друг от друга пластмассовыми перегородками; через все секции проходит центральный валик, на одном конце которого укреплена пластмассовая рукоятка управления. В схемах автоматического регулирования они нашли применение при переключении схемы на автоматическое регулирование, а при неисправности последнего – на ручное управление для выбора соответствующего режима работы.
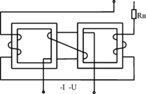
Магнитный усилитель
Магнитный усилитель представляет собой электромагнитный аппарат для управления относительно большой мощностью переменного тока посредством малой мощности постоянного тока или переменного тока другой частоты. Простейший магнитный усилитель представляет собой дроссель с двумя обмотками: управляющей ω1, подключенной к источнику постоянного напряжения, и управляемой, или выходной, ω2 , подключенной к источнику переменного напряжения. Нагрузка Rн управляющей обмотки является выходом сигнала. Работа магнитного усилителя заключается в следующем. При отсутствии тока в управляющей обмотке ω1 индуктивное сопротивление рабочих обмоток весьма велико, при этом протекающий через них ток мал и так же мало напряжение у входа Uвых на нагрузке. При подключении первичной обмотки к источнику постоянного тока в сердечнике появится магнитный поток, осуществляющий насыщение сердечника. С увеличением насыщения уменьшается индуктивность вторичных обмоток, а следовательно, и полное сопротивление. Уменьшение полного сопротивления увеличивает напряжение на нагрузке. При помощи подмагничивания постоянным током можно изменять в широких пределах индуктивность вторичных обмоток и , следовательно, ток во вторичной цепи. Если в цепь вторичных обмоток последовательно включить нагрузку Rн (двигатель) , то мощность постоянного тока, расходуемого в цепи первичных обмоток, будет значительно меньше мощности, выделяемой на нагрузке Rн. Поэтому такое устройство называется усилителем.
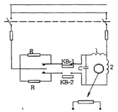
Исполнительный механизм.
И
сполнительным механизмом называется устройство, которое за счет внешнего источника энергии производит работу перемещения РО в соответствии с сигналом, поступающим на регулируемое или управляющее устройство. Электрический исполнительный механизм состоит из привода, редуктора, узла обратной связи по положению выходного вала и кольцевых выключателей. Выходной вал исполнительного механизма соединяется системой тяг и рычагов с регулируемым органом.
Время полного оборота вокруг вала составляет 120 с, а номинальный момент развиваемый на валу равен 3 кг.м.
Одна из обмоток двигателя 1 или 2 при помощи контактов реле управляющего устройства включается в сеть переменного тока, а др. обмотка при этом включается через конденсатор С. Включение конденсатора создает сдвиг фаз между токами, протекающими через обмотки двигателя. На выходном валу исполнительного устройства устанавливается два кулачка, которые управляют кольцевыми включателями КВ-1 и КВ-2, с их помощью можно ограничить ход входного вала исполнительного механизма в пределах 120°. Обратная связь по положению осуществляется реостатом Кобр.с, движение которого связано с выходным валом механизма. Напряжение, снимаемое с реостата, зависит от положения регулируемого органа. Направление вращения двигателя зависит от того, верхний или нижний контакт Р замкнут, а последний зависит от знака сигнала поступающего на реле. Направление вращения двигателя исполнительного механизма зависит от того в какую сторону отклонилась регулируемая величина от заданного значения; при этом двигатель перемещает регулируемый орган в сторону уменьшения отклонения. Исполнительный механизм можно использовать как при автоматическом управлении регулирующим органом, так и при ручном. В этом случае вместо командных контактов регулятора включаются контакты ключей или кнопок управления, а реостат обратной связи можно использовать для присоединения указателя положения регулирующего органа.
Регулирующая заслонка
Регулирующие заслонки получили широкое распространение в термических цехах для регулирования потока газа, пара, воздуха при небольшом избыточном давлении 1000 мм вод. ст. Это объясняется их конструктивной простотой достаточно хорошими регулировочными свойствами и небольшими потерями давления. Для регулирования газовых потоков в трубопроводах большого диаметра применяются поворотные многолопастные заслонки. В зависимости от расположения и конструкции газопровода заслонки можно устанавливать с вертикальными и горизонтальным расположением осей.
Приборы для регулирования соотношения
топливо - воздух
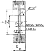
Диафрагма
Измерение перепада давления в сужающем устройстве производится через отдельные цилиндрические отверстия или через две кольцевые камеры, каждая из которых соединяется с внутренней полостью трубопровода кольцевой щелью (сплошной или прерывистой) или группой равномерно распределенных по окружности отверстий. При измерении перепада давления в бескамерном сужающем устройстве через отдельные отверстия наилучшие резуль-
таты обеспечивает установка сужающего устройства непосредственно между фланцами, а в промежуточной обойме. Кольцевые камеры обеспечивают выравнивай давления (что позволяет более точно измерять пеpeпад давления при коротких прямых участках трубопровода
правильный монтаж и надежную эксплуатацию сужающее устройства. Кольцевая камера выполняется либо непосредственно в сужающем устройстве, либо в каждом из фланцев, между которыми оно зажимается, либо в специальной промежуточной детали — корпусе. При малых давлениях в трубопроводах диаметром свыше 400 мм кольцевая камера может быть образована полостью трубки, с гнутой вокруг трубопровода в кольцо или прямоугольна.
Стандартная диафрагма представляет собой сужающее устройство, выполненное в виде плоского диска с центрическим отверстием для истечения жидкости. Она может применяться в трубопроводах диаметром не менее 50 мм при условии 0,05 -s; m*s- 0,7, где т — модуль
сужающего устройства, равный отношению площадей отверстий сужающего устройства и трубопровода при рабочей температуре, т. е. т = (d/D)*.
Схематичное изображение диафрагмы приведено на рис. Выше оси показано измерение перепада давления через кольцевые камеры, ниже оси — через отдельные отверстия. На рисунке приняты следующие обозначения: D2o — внутренний диаметр трубопровода пер» сужающим устройством при температуре 20° С; d20 - внутренний диаметр диафрагмы при той же температур; С — диаметр отдельного отверстия, диаметр отверстия или ширина кольцевой щели, соединяющей камеры с трубопроводом.
Работа устройства основана на зависимости перепада давления создаваемого неподвижным сужающим устройством, которое устанавливается в трубопроводе, от расхода окружающей среды.
При протекании потока вещества через суженное отверстие увеличивается его скорость, а значит растет кинетическая энергия и уменьшается потенциальная, а значит снижается статическое давление.
Зная перепад давления(p1-p2) можно определить расход
где Q – объемный расход в м³/сек
G – массовый расход в кГ/сек
F0 – площадь сужающего устройства в м²
α – коэффициент расхода
ε – поправочный коэффициент, учитывающий расширение среды
р1 – абсолютное давление до сужающего устройства в кГ/м²
р2 - абсолютное давление после сужающего устройства в кГ/м²
Коэффициент расхода
где
где D – диаметр трубопровода, м
d – диаметр сужающего устройства, м
Дифманометр
Мембранный типа ДМИ-Р. мембранные дифманометры типа предназначены для измерения расхода неагрессивных жидкостей и газов. Дифманометры типа ДМИ-Р являются бесшкальными приборами, в которых для дистанционной передачи показаний установлен индукционный датчик. С помощью датчика дифманометры преобразуют измеряемую разность давлений в пропорциональный ей электрический сигнал. Чувствительным элементом дифманометра служит эластичная мембрана 4. При изменении разности давлений, действующей на мембрану, мембрана и жестко связанный с ней плунжер 1 индукционного датчика 3 перемещаются, занимая положение, при котором усилие, развиваемое приложенной к мембране разностью давлений, уравновешивается силой пружины 2. Перемещение плунжера 1 преобразуется индукционным датчиком в э.д.с., пропорциональную по величине измеряемой разности давлений. Дистанционная передача электрического сигнала осуществляется компенсационным методом. Рассчитаны на давление от 63 до 10000 кГ/м²
Приборы для измерения давления
Дистанционный манометр.
И
змерительный комплект такого дистанционного манометра показан на рис. Первичный преобразователь 7 выполнен в корпусе бесшкального манометра. Чувствительным элементом является одновитковая трубчатая пружина 9 во внутреннюю полость, которой импульсной трубой подводится измеряемое давление р. К свободному концу пружины присоединен сердечник, помещенный внутри обмоток дифференциально - трансформаторной катушки 8 Измерительный прибор 5, показанный на рисунке условно, выполняют нескольких типов отличающихся размерами
Первичный преобразователь 7 измерительный прибор 5 соединяются методу собой четырехжильным кабелем так, что обмотки возбуждения соединены последовательно и питаются переменным током 28 В, 50 Гц. Вторичные обмотки катушек включены встречно через электронный усилитель 2. Индуктируемая в преобразователе ЭДС равна
, но так как при среднем состоянии сердечника обе величины равны и противоположны по знаку, то
. В измерительном приборе при таком положении сердечника
. В результате на вход электронного усилителя будет поступать
и измерительная система усилителя будет в состояние покоя.
















