79991 (674846), страница 14
Текст из файла (страница 14)
Требуемое давление, создаваемое вентилятором с учетом запаса на непредвиденное сопротивление в сети в размере 10% составит:
Pтр=1,1*P=81,7674 Па
В вентиляционной установке для данного помещения необходимо применить вентилятор низкого давления, т.к. Ртр меньше 1 кПа.
Выбираем осевой вентилятор (для сопротивлений сети до 200 Па) по аэродинамическим характеристикам т.е. зависимостям между полным давлением Ртр (Па), создаваемым вентилятором и производительностью Vтр (м/ч).
С учетом возможных дополнительных потерь или подсоса воздуха в воздуховоде необходимая производительность вентилятора увеличивается на 10%:
Vтр=1,1*G=2620 м/ч
По справочнику выбираем осевой вентилятор типа 06-300 N4 с КПД nв=0,65 первого исполнения. КПД ременной передачи вентилятора nрп=1,0.
4.2. Расчет зануления
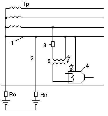
Степень воздействия электротока на организм человека зависит от его величины о протяженности воздействия. В случае если устройства питаются от напряжения 380/220 В или 220/127 В в электроустановках с заземленной нейтралью применяется защитное зануление. На рисунке 4.2 представлена принципиальная схема зануления.
Ro - сопротивление заземления нейтрали
Rh - расчетное сопротивление человека;
1 - магистраль зануления;
2 - повторное заземление магистрали;
3 - аппарат отключения;
4 - электроустановка (паяльник);
5 - трансформатор.
Рис. 4.2 Схема зануления
Зануление применяется в четырехпроводных сетях напряжением до 1 кВ с заземленной нейтралью. Зануление осуществляет защиту путем автоматического отключения поврежденного участка электроустановки от сети и снижение напряжения на корпусах зануленного электрооборудования до безопасного на время срабатывания защиты. Из всего выше сказанного делаем вывод, что основное назначение зануления - обеспечить срабатывание максимальной токовой защиты при замыкании на корпус. Для этого ток короткого замыкания должен значительно превышать установку защиты или номинальный ток плавких вставок.
Расчет сводится к проверке условия обеспечения отключающей способности зануления: Jкз>3Jнпл.вст>1,25Jнавт
Исходные данные: мощность питающего трансформатора 160 кВ*А; схема соединения обметок трансформатора – «звезда»; электродвигатель серии 4А; U = 380 В; тип – 4А160М2, N = 18,5 кВт.
Расчет Jкз производится по формуле: Jкз= Uф/(Zт/3+Zп)
г
де Uф – фазное напряжение, В; Zт – сопротивление трансформатора, Ом; Zп – сопротивление петли «фаза-нуль», которое определяется по зависимости
Zп = √(Rф + Rн)2 + (Xф + Xо + Xи)2
Где Rн; Rф – активное сопротивление нулевого и фазного проводников, Ом; Xф; Xо – внутренние индуктивные сопротивления фазного и нулевого проводников соответственно, Ом; Хи – внешнее индуктивное сопротивление петли «фаза-нуль», Ом.
Значение Zт зависит от мощности трансформатора, напряжения, схемы соединения его обмоток и конструктивного исполнения трансформатора. При расчетах зануления Zт берется из таблицы.
Расчетные полные сопротивления
масляных трансформаторов
| Мощность трансформатора кВ*А | Номинальное напряжение обмоток высшего напряжения, кВ | ||
| 40 | 6…10 | 1,949 | 0,562 |
| 63 | 6…10 | 1,237 | 0,360 |
| 100 | 6…10 | 0,799 | 0,226 |
| 160 | 6…10 | 0,487 | 0,141 |
| 250 | 6…10 | 0,312 | 0,090 |
| 400 | 6…10 | 0,195 | 0,056 |
| 630 | 6…10 | 0,129 | 0,042 |
| 1000 | 6…10 | 0,081 | 0,027 |
| 1600 | 6…10 | 0,034 | 0,017 |
В данном случае Zт = 0,487 Ом.
1. Зная мощность Р электродвигателя рассчитываем номинальный ток электродвигателя Jнэл.дв.
Р = √3 * Uн* Jнэл.дв cos α /1000 [кВт]
J
нэл.дв = 1000*Р/√3 * Uн cos α [А]
где Р – номинальная мощность двигателя, кВт; Uн – номинальное напряжение, В; cos α = 0,92 – коэффициент мощности, показывающий, какая часть тока используется на получение активной мощности и какая на намагничивание;
J
нэл.дв = 1000*18,5/√3 *380*0,92 = 30,6А
2. Для расчета активных сопротивлений Rн и Rф необходимо предварительно выбрать сечение, длину и материал нулевого и фазного проводников. Сопротивление проводников из цветных металлов определяется по формуле:
R = ρ*ℓ / S [Ом]
где ρ – удельное сопротивление проводника (для меди ρ = 0,018; для алюминия ρ = 0,028 Ом*мм2/м); ℓ - длина проводника, м; S – сечение, мм2. Сечение фазных проводников определяется по величине номинального тока электродвигателя плюс токовая нагрузка от других электродвигателей и осветительных приборов: в данном случае принимаем равной 70А. Тогда суммарная нагрузка составит 101А.
Задаемся алюминиевым проводником сечением 25 мм2 и длиной ℓ = 150м для фазного и нулевого проводов. Сечение нулевого проводника и его материал выбирается из условия, чтобы его проводимость была бы равна проводимости фазного проводника, т.е. сечения нулевого и фазных проводников должны быть равны.
Активное сопротивление фазного и нулевого проводников из алюминия при ℓ = 150м, S = 25 мм2 составят:
Rф = 0,028*150/25 = 0,17 Ом; Rн = 0,028*150/25 = 0,17 Ом.
3. Для медных и алюминиевых проводников внутреннее индуктивное сопротивление фазного и нулевого проводников Xф и Xо невелико и составляет 0,0156 Ом/км, т.е. Xф = 0,0156*0,15 = 0,0023 Ом; Xо = 0,0156*0,15 = 0,0023 Ом. Величину внешнего индуктивного сопротивления петли «фаза-нуль» в практических расчетах принимают равной 0,6 Ом/км.
4. Находим основные технические характеристики электродвигателя 4А 106М2: N = 18,5; cos α = 0,92.
Jпуск /Jном = 7,5
5. Зная Jнэл.дв вычисляем пусковой ток электродвигателя.
JпускЭл.дв = 7,5* Jнэл.дв = 7,5*30,6 = 229,5А
Определяем номинальный ток плавкой вставки
Jнпл.вст = JпускЭл.дв/α = 229,5/2,5 = 91,8А
где α – коэффициент режима работы (α = 1,6…2,5); для двигателей с частыми включениями (например, для кранов) α = 1,6…1,8; для двигателей, приводящих в действие механизмы с редкими пусками (транспортеры, вентиляторы), α = 2…2,5. В нашем случае принимаем α=2,5.
6. Определяем ожидаемое значение тока короткого замыкания:
Jкз > 3Jнпл.вст = 3*91,8 = 275,4А
Рассчитываем плотность тока δ в нулевом и фазном проводниках. Допускаемая плотность тока в алюминиевых проводниках не должна превышать 4-8А/мм2.
δ = Jнэл.дв /S = 30,6/25 = 1,2 А/мм2
7. Определяем внешнее индуктивное сопротивление петли «фаза-нуль», зная, что Хи = 0,6 Ом/км
Хи = 0,6*0,15 = 0,09 Ом
8. Рассчитываем сопротивление петли «фаза-нуль» Zп и ток короткого замыкания.
Z
п = √(Rф + Rн)2 + (Xф + Xо + Xи)2 =
= √(0,17+0,17)2 + (0,0023+0,0023+0,09)2 = 0,35 Ом
Jкз = Uф/(Zт/3+Zп) = 220/(0,487/3+0,35) = 429 А
Проверим обеспечено ли условие надёжного срабатывания защиты:
Jкз>3Jнпл.вст ; 429 > 3*91,8 А; 429 > 275,4 А
Jкз >1,25Jнавт;
Как видим, Jкз более чем в три раза превышает номинальный ток плавкой вставки предохранителя и, следовательно, при замыкании на корпус плавкая вставка перегорит за 5…7с и отключит повреждённую фазу.
По расчётному номинальному току плавкой вставки выбираем предохранитель стандартных параметров: ПН2 – 100; Jнпл.вст = 100А. Или выбираем автоматический выключатель по Jнавт = 1,25; Jнэл.дв = 1,25*30,6=39А. Выбираем из таблицы 6а автоматический выключатель модели А3712Ф; Jнавт=40 А.
4.3.Схема расположения светильников.
В связи с тем, что естественное освещение слабое, на рабочем месте должно применяться также искусственное освещение. Далее будет произведен расчет искусственного освещения.
Размещение светильников определяется следующими размерами:
Н = 3 м. - высота помещения
hc = 0,25 м. - расстояние светильников от перекрытия
hп = H - hc = 3 - 0,25 = 2,75 м. - высота светильников над полом
hp = высота расчетной поверхности = 0,7 м (для помещений, связанных с работой ПЭВМ)
h = hп - hp = 2,75 - 0,7 = 2,05 - расчетная высота светильника типа ЛДР (2х40 Вт). Длина 1,24 м, ширина 0,27 м, высота 0,10 м.
L - расстояние между соседними светильниками (рядами люминесцентных светильников), Lа (по длине помещения) = 1,76 м, Lв (по ширине помещения) = 3 м.
l - расстояние от крайних светильников или рядов светильников до стены, l = 0,3 - 0,5L.
lа = 0,5La, lв = 0,3Lв
la = 0,88 м., lв = 0,73 м.
Светильники с люминесцентными лампами в помещениях для работы рекомендуют устанавливать рядами.
Метод коэффициента использования светового потока предназначен для расчета общего равномерного освещения горизонтальных поверхностей при отсутствии крупных затемняющих предметов. Потребный поток ламп в каждом светильнике
Ф = Е r S z / N ,
где Е - заданная минимальная освещенность = 300 лк., т.к. разряд зрительных работ = 3
r - коэффициент запаса = 1,3 (для помещений, связанных с работой ПЭВМ)
S - освещаемая площадь = 30 м2.
z - характеризует неравномерное освещение, z = Еср / Еmin - зависит от отношения = L/h , a = La/h = 0,6, в = Lв/h = 1,5. Т.к. превышают допустимых значений, то z=1,1 (для люминесцентных ламп).
N - число светильников, намечаемое до расчета. Первоначально намечается число рядов n, которое подставляется вместо N. Тогда Ф - поток ламп одного ряда.
N = Ф/Ф1, где Ф1 - поток ламп в каждом светильнике.
















