46352 (665516), страница 2
Текст из файла (страница 2)
Таблица 3.
Основные характеристики цифровой интегральной микросхемы ADM 202E
| Параметр | Минимальный | Максимальный | Единица измерения |
| Напряжение питания | 4.5 | 5.5 | В |
| Нижний входной лог. порог | 0.8 | В | |
| Высокий входной лог. порог | 2.4 | В | |
| RS-232 приемник | |||
| Входное допустимое напр. | -30 | +30 | В |
| Входной нижний парог | 0.4 | В | |
| Входной высокий парог | 2.4 | В | |
| RS-232 передатчик | |||
| Выходной размах напр. | -+5 | В | |
| Сопр. Выхода передатчика | 300 | Ом | |
| Температурный диапазон | -40 | +85 | C |
Функциональная блок-схема интегральной микросхемы ADM 202E представлена на рис.2
Функциональная блок-схема интегральной микросхемы ADM 202E
Рисунок. 2
4.3 Выбор АЦП.
В качестве аналого-цифрового преобразователя послужила интегральная микросхема фирмы Analog Devices – AD7890-2. Выбор данной микросхемы был произведен исходя из ТЗ
Основные характеристики:
• 12-разрядный АЦП, время преобразования 5.9 мкс
• Восемь входных аналоговых каналов
• Входной диапазон :
от 0 В до +2.5 В
• Раздельный доступ к мультиплексору и к АЦП
• Встроенный источник опорного напряжения +2.5 В (возможно подключение внешнего.)
• Высокая скорость, “гибкость”, последовательный интерфейс
• Низкая потребляемая мощность (50 мВт максимум)
• Режим пониженного энергопотребления (75 мкВт).
Функциональная блок-схема интегральной микросхемы AD 7890-2 представлена на рис.3
Функциональная блок-схема интегральной микросхемы AD 7890-2
Рисунок 3
4.3.1 Расчет погрешности вносимой АЦП.
Аналого-цифровой преобразователь вносит следующие виды погрешностей:
-
нелинейности (погрешность нелинейности- это максимальное отклонение линеаризованной реальной характеристики преобразования от прямой линии, проходящей через крайние точки этой характеристики преобразования АЦП.);
-
дифференциальной нелинейности(погрешность дифференциальной нелинейности- это отклонение фактической разности уровней (входного сигнала АЦП), соответствующим двум соседним переключениям кода, от идеального значения этой разности, равной 1 МЗР. Для идеального АЦП разница уровней между соседними переключениями кода в точности равна 1 МЗР.);
-
погрешность полной шкалы (погрешность полной шкалы- это отклонение уровня входного сигнала, соответствующего последнему переключению кода от идеального значения, после того как была откорректирована погрешность биполярного нуля.);
В табл. 4 приведены погрешности взятые из каталога, на интегральную микросхему AD7890 фирмы Analog Devices
Таблица 4
Основный погрешности интегральной микросхемы AD7890
| Вид погрешности | Значение | % |
| Интегральная нелинейность | 1 МЗР | 0.0244 |
| Дифференциальная нелинейность | 1 МЗР | 0.0244 |
| Полной шкалы | 2.5 МЗР | 0.061 |
| Общая (АЦП) | 0,1098 |
4.4 Выбор сторожевого таймера.
Т.к. работа системы происходит в автономном режиме и не предусматривает работу оператора с ней, то для случая зависания микро-ЭВМ в схему системы сбора данных добавляется интегральная микросхема MAX690AMJA – сторожевой таймер. Выполняющая две основные функции: выведение МП из состояния зависания и сброс МП при включении питания.
Основные характеристики интегральной микросхемы МАХ690AMJA:
• Время сброса: 200 мС
• Рабочий диапазон напряжения питания: от 1 до 5.5 В
• Ток потребления: 200 мкА
• температурный диапазон эксплуатации: от –55 до +125 C.
4.5 Выбор интегральной микросхемы операционного усилителя
Нормирующий усилитель выполнен на аналоговой микросхеме OP-27А (операционный усилитель), исполненной в восьми контактном DIP-корпусе. Основные хар-ки операционного усилителя OP-27A приведены в табл.5.
Таблица 5
Основные характеристики аналоговой микросхемы ОР-27А
| Напряжение питания (UПИТ)В: | V+ | V- |
| 22 | -22 | |
| Напряжение смещения (UСМ)мкВ: | 25 макс. | |
| Ток смешения (IСМ)нА | ±40 макс. | |
| Ток сдвига (IСДВ)нА | 35 макс. | |
| Коэффициент озлобления синфазного сигнала (КООС) | 501190 макс. (144 Дб) | |
| Коэффициент усиления при разомкнутой обратной связи | 1800000 | |
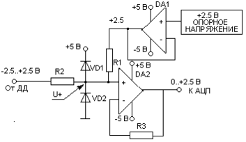
В систему сбора данных входят три линейных и один нелинейный датчики давления. Выходной диапазон напряжения нелинейного датчика давления составляет -2.5..+2.5, в входной диапазон АЦП – 0..+2.5. Согласовать уровни напряжения выхода датчика давления и входа АЦП можно с помощью схемы представленной на рис. 4. Данная схема состоит из: операционного усилителя – DA1, повторителя напряжения – DA2, схемы смещения – R1 и R2, схемы защиты – VD1 и VD2.. Для того чтобы не нагружать источник опорного напряжения в состав схемы нормирующего усилителя вводится повторитель напряжения. Данная схема вносит в ССД погрешность.
Нормирующий усилитель
R1,R2 – 40 КОм,
R3 – 20 КОм.
VD1, VD2 – схема защиты
Рисунок 4
4.5.1 Расчет погрешностей нормирующего усилителя
Суммарная погрешность нормирующего усилителя складывается из погрешности напряжения смещения (Uсм), погрешности тока сдвига (Iсдв), погрешности обратного тока диодов (В схеме защиты используются диоды марки 1N914A с обратным током утечки IД ОБР.=25 нА. Рассмотрим худший случай, когда IД ОБР.== 2*IД ОБР.) (Iд обр.), погрешности КООС (КООС), погрешности разброса параметров сопротивлений от номинального значения (R1 R2 MAX).
Оценка погрешности от напряжения смещения (Uсм)
Uсм= Uсм*Ку
где Ку – коэффициент усиления (в нашем случае Ку=1)
Uсм=25 мкВ
Uсм%=
Uсм%=0.001 %
Оценка погрешности от обратного тока диодов (Iд обр )
U+д= IД ОБР.*R2
U+д=0.002
Iд обр= U+д*Ку
Iд обр=2 мВ
Iд обр%=
Iд обр%=0.0016
Оценка погрешности от КООС (КООС)
,
где Кд – коэффициент усиления дифференциального сигнала (Кд=1);
КС – коэффициент усиления синфазного сигнала
КС=1/501190
КС=1.96*10-6
КООС=UВХ СИН MAX*KC,
где UВХ СИН MAX – синфазное максимальное входное напряжение (UВХ СИН MAX=2.5 В).
КООС=2.5*1.996*10-6
КООС=7.7 мкВ
КООС%=
КООС%=0.0003
Оценка погрешности от тока сдвига (Iсдв)
U+=IСДВ*R2
где U+ - см. рис.4
U+= 0.7 мкВ
Iсдв= U+*Ку
Iсдв=0.7 мкВ
Iсдв%=
Iсдв%=0.00004%
Оценка погрешности вносимой разбросам сопротивлений R1 и R2 от их номинального значения.
Для того чтобы уменьшить погрешность выбираем сопротивления с отклонениями от номинального значения ± 0.05%
R1MIN= 39,996 Ом
R2MAX=40,004 Ом
Ток протекаемый через R1 и R2 будет
И тогда общая погрешность нормирующего усилителя будет равна
НУ=((R1R1max+Iсдв+КООС+Iд обр+Uсм)/Ку)*100
| НУ=0.0277778 % | (1) |
4.6 Выбор и расчет внешних элементов гальванической развязки
В качестве элементов гальванической развязки используется цифровая микросхема 249ЛП5 - оптоэлектронный переключатель на основе диодных оптопар выполненных в металлостеклянном корпусе. основные характеристики цифровой микросхемы 249ЛП5 приведены в табл. 5.
Таблица 5
Основные характеристики цифровой микросхемы 249ЛП5
| Электрические параметры | |
| Входное напряжение при IВХ=15 мА | не более 1.7 В |
| Выходное напряжение в состоянии логического нуля | 0.4 В |
| Выходное напряжение в состоянии логической единицы | 2.4 |
| Предельные эксплутационные данные | |
| Входной постоянный ток | 12 мА |
| Входной импульсный ток | 15 мА |
| Напряжение питания | 5(0.5) В |
| Диапазон рабочих температур | -60…+85 С |
VT1- КТ3102Г(h21Э=100),
R2, VT1 –схема усиления входного тока,
Рисунок 5
Выходной ток ДКД усиливается с помощью транзистора VT1 т.к. максимальный выходной ток датчика контроля за давлением меньше, чем входной ток элемента гальвано развязки.















