CBRR1514 (664850)
Текст из файла
ОГЛАВЛЕНИЕ
1. СТРУКТУРНАЯ СХЕМА ЭВМ. ПОКОЛЕНИЯ ЭВМ 3
2. СИСТЕМЫ СЧИСЛЕНИЯ. 4
3. АРИФМЕТИЧЕСКИЕ ДЕЙСТВИЯ НАД ДВОИЧНЫМИ ЧИСЛАМИ 6
3.1 Вычитание с применением обратного кода. 6
3.2 Образование дополнительного кода. 7
4. УЗЛЫ ЭВМ. 7
5. СУММАТОР 8
6. ПОСЛЕДОВАТЕЛЬНЫЙ СУММАТОР 9
7. АРИФМЕТИКО - ЛОГИЧЕСКОЕ УСТРОЙСТВО (АЛУ) 10
8. ДЕШИФРАТОР 12
9. ПРЕОБРАЗОВАТЕЛИ С ЦИФРОВОЙ ИНДИКАЦИЕЙ 14
10. ПРЕОБРАЗОВАТЕЛЬ КОДА 8421 В 2421 15
11. ПРОГРАММИРУЕМАЯ ЛОГИЧЕСКАЯ МАТРИЦА (ПЛМ) 16
12. НАКАПЛИВАЮЩИЙ СУММАТОР 17
13. ОСНОВНЫЕ МИКРОПРОЦЕССОРНЫЕ КОМПЛЕКТЫ 18
14. ТИПОВАЯ СТРУКТУРА ОБРАБАТЫВАЮЩЕЙ ЧАСТИ МП 21
15. МИКРО ЭВМ НА БАЗЕ МП К580 22
16. ФОРМАТЫ КОМАНД И СПОСОБЫ АДРЕСАЦИИ 24
17. ЦЕНТРАЛЬНЫЙ ПРОЦЕССОРНЫЙ ЭЛЕМЕНТ К580 26
18. СИСТЕМА СБОРА ДАННЫХ НА БАЗЕ МП К580 27
19. ЦЕНТРАЛЬНЫЙ ПРОЦЕССОРНЫЙ ЭЛЕМЕНТ (ЦПЭ) К589 29
20. БЛОК МИКРОПРОГРАММНОГО УПРАВЛЕНИЯ (БМУ). 30
21. СТРУКТУРНАЯ СХЕМА И ПРИНЦИП ДЕЙСТВИЯ БЛОКА
МИКРОПРОГРАММНОГО УПРАВЛЕНИЯ (БМУ) 32
22. БЛОК ПРИОРИТЕТНОГО ПРЕРЫВАНИЯ (БПП) 34
23. СХЕМА УСКОРЕННОГО ПЕРЕНОСА (СУП) 35
24. СХЕМА ОДНОРАЗРЯДНОГО СУММАТОРА С ФОРМИРОВАНИЕМ
ЦИФРЫ ПЕРЕНОСА В СУП 36
25. ОРГАНИЗАЦИЯ ПАМЯТИ ЭВМ 37
26. ПОСТОЯННЫЕ ЗАПОМИНАЮЩИЕ УСТРОЙСТВА (ПЗУ) 39
27. ВНЕШНИЕ ЗАПОМИНАЮЩИЕ УСТРОЙСТВА (ВЗУ) 40
27.1 Метод записи без возврата к нулю 41
27.2 Фазовая модуляция. 41
27.3 Частотная модуляция. 42
28. УСТРОЙСТВА ВВОДА - ВЫВОДА ИНФОРМАЦИИ 42
29. ВЫВОД ИНФОРМАЦИИ НА ДИСПЛЕЙ 43
30. ВЫВОД ИНФОРМАЦИИ НА ТЕЛЕТАЙП 45
31. ИНТЕРФЕЙС 46
32. ОБМЕН ДАННЫМИ МЕЖДУ ОПЕРАТИВНОЙ ПАМЯТЬЮ И
ПЕРИФЕРИЙНЫМИ УСТРОЙСТВАМИ (ПУ) 48
33. ОБМЕН ДАННЫМИ ПО ПРЕРЫВАНИЯМ 51
34. СПЕЦИАЛИЗИРОВАННЫЕ УСТРОЙСТВА ИНТЕРФЕЙСА. АЦП 53
35. АЦП С ОБРАТНОЙ СВЯЗЬЮ (ОС) 54
36. АЦП СЛЕДЯЩЕГО ТИПА. 55
37. ЦАП С СУММИРОВАНИЕМ НАПРЯЖЕНИЯ НА ОПЕРАЦИОННОМ
УСИЛИТЕЛЕ (ОУ). 55
38. ПРИМЕНЕНИЕ МИКРО ЭВМ В СИСТЕМАХ АВТОМАТИЗИРОВАННОГО
УПРАВЛЕНИЯ (САУ) 56
39. СХЕМА СУММИРОВАНИЯ НАПРЯЖЕНИЯ НА АТТЕНЮАТОРЕ
СОПРОТИВЛЕНИЙ 58
40. ПРИМЕНЕНИЕ МИКРО ЭВМ В ПРИБОРАХ (СПЕКТРОФОТОМЕТР) 58
41. ПРОГРАММНОЕ ОБЕСПЕЧЕНИЕ (ПО) ЭВМ. 60
42. ОПЕРАЦИОННАЯ СИСТЕМА ЭВМ 61
43. МИКРОПРОЦЕССОРНЫЙ КОМПЛЕКТ К 1804. 62
44. АССЕМБЛЕР К580 66
1. СТРУКТУРНАЯ СХЕМА ЭВМ. ПОКОЛЕНИЯ ЭВМ
Создано 4 поколения ЭВМ:
1. 1946 г. создание машины ЭНИАК на электронных лампах. Запоминающие устройства (ЗУ) были построены на электронных. лампах, электронно - лучевых трубках (ЭЛТ) и линиях задержки.
2. 60-е годы. ЭВМ построены на транзисторах, ЗУ на транзисторах, линиях задержки и ферритовых сердечниках.
3. 70-е годы. ЭВМ построены на интегральных микросхемах (ИМС). ЗУ на ИМС.
4. Начало создаваться с 1971 г. с изобретением микропроцессора (МП). Построены на основе больших интегральных схем (БИС) и сверх БИС (СБИС).
Пятое поколение ЭВМ строится по принципу человеческого мозга, управляется голосом, используется новая технология на основе арсенида галлия.
ЭВМ предназначены для обработки информации и отображения результатов обработки. Для решения задачи должна быть написана программа.
Во время решения задачи программа и операнды (числа, над которыми производится операции) находятся в оперативной памяти (ОЗУ). Быстродействие ОЗУ соизмеримо с быстродействием АЛУ. В процессе решения задачи АЛУ постоянно взаимодействует с ОЗУ, передавая в ОЗУ промежуточные и конечные результаты и получая из ОЗУ операнды действия всех частей ЭВМ при решении задачи осуществляется под воздействием управляющих сигналов, вырабатываемых устройством управления в соответствии с программой, записанной в ОЗУ.
ПЗУ предназначено для хранения стандартных программ, таких как sin и cos, констант p, е.
Существует еще сверх ОЗУ (СОЗУ), которое обладает малым объемом и высоким быстродействием. СОЗУ применяется для кратковременного хранения операндов и промежуточных результатов.
Качество ЭВМ определяется: объемом ОЗУ (т.е. количеством одновременно хранимых в ОЗУ двоичных слов); быстродействием, определяемым количеством операций в сек. После выполнения задачи, программа и результаты через устройство вывода записываются во внешнее ЗУ. В качестве внешних ЗУ используются магнитная лента, гибкий магнитный диск, магнитный барабан, перфолента, перфокарты. Программа вводится в ОЗУ с внешних ЗУ или с клавиатуры через устройство ввода.
2. СИСТЕМЫ СЧИСЛЕНИЯ.
Основанием системы счисления называют. число, в виде степеней которого может быть записано любое число в данной системе счисления. Системы счисления, применяемые в ЭВМ, ориентированы на двоичную систему, т.к. основой ЭВМ является триггер, имеющий два устойчивых состояния.
В десятичной системе счисления основанием является. 10 и для записи чисел используют символы 0...9.В двоичной системе основанием является. 2. Для записи чисел используются символы 0 и 1.
Для перевода числа из десятичной системы в двоичную надо последовательно делить на два и результат записывать справа налево, начиная с последнего частного, включая остатки от деления.
Таблица 1
| 10 | 2 | 8 | 16 |
| 0 | 00 | 0 | 0 |
| 1 | 01 | 1 | 1 |
| 2 | 10 | 2 | 2 |
| 3 | 11 | 3 | 3 |
| 4 | 100 | 4 | 4 |
| 5 | 101 | 5 | 5 |
| 6 | 110 | 6 | 6 |
| 7 | 111 | 7 | 7 |
| 8 | 1000 | 10 | 8 |
| 9 | 1001 | 11 | 9 |
| 10 | 1010 | 12 | A |
| 11 | 1011 | 13 | B |
| 12 | 1100 | 14 | C |
| 13 | 1101 | 15 | D |
| 14 | 1110 | 16 | E |
| 15 | 1111 | 17 | F |
| 16 | 10000 | 20 | 10 |
В восьмеричной системе основанием является. 8. Для записи чисел используют символы 0...7. Любое число может быть записано как сумма степеней 8. Для перевода числа из десятичной системы в восьмеричную надо последовательно делить на 8.
Для перевода числа из двоичной системы в восьмеричную, нужно отсчитывать справа налево по три разряда двоичного числа и записывать каждую группу из трех разрядов с помощью символов 0...7.
Основанием в шестнадцатеричной системе является 16, для записи чисел используются символы 0...9 и A...F. Для перевода из десятичной системы в шестнадцатеричную, надо последовательно делить на 16:
В любой системе счисления ее основание записывается как 10. Для перевода числа из двоичной системы в шестнадцатеричную, нужно отсчитывать справа налево по 4 разряда двоичного числа и записывать каждую группу разрядов с помощью символов из Таблицы 1, в которой представлены соотношения между числами в различных системах счисления.
3. АРИФМЕТИЧЕСКИЕ ДЕЙСТВИЯ НАД ДВОИЧНЫМИ ЧИСЛАМИ
В принципе машина умеет только суммировать. Все остальные арифметические действия сводятся к арифметической операции суммирования, логическим операциям сдвига при умножении и делении. Вычитание заменяется суммированием в дополнительном или обратном коде.
Суммирование производится по правилам суммирования по модулю 2.
0 Å 0 = 0
0 Å 1 = 1
1 Å 0 = 1
1 Å 1 = 0 и 1 перенос в старший разряд.
3.1 Вычитание с применением обратного кода.
Прямой код положительного числа совпадает с его обратным и дополнительным кодом. Обратный код отрицательного числа образуется инверсией единиц в нули и нулей в единицы. Если кол-во разрядов уменьшаемого и вычитаемого разное, то слева дописываются нули в прямом коде так, чтобы кол-во разрядов было одинаково.
Содержимое знаковых разрядов :
0.- для полож.
1.- для отриц.
Если результат получается отрицательный, его нужно преобразовать в прямой код; содержимое знакового разряда не инвертируется. Если в знаковом разряде наблюдается переполнение разрядной сетки, то единица переполнения добавляется к младшему разряду, а затем происходит переход к прямому коду.
3.2 Образование дополнительного кода.
Дополнительный код образуется из прямого кода инверсией и добавлением единицы к младшему разряду. Если результат получился отрицательным, то чтобы получить прямой код необходимо осуществить инверсию, а затем добавить единицу к младшему разряду. Единица переполнения знакового разряда при использовании дополнительного кода отбрасывается.
4. УЗЛЫ ЭВМ.
Узлы ЭВМ классифицируются на :
1. комбинационные - это узлы, выходные сигналы которых определяются только сигналом на входе, действующим в настоящий момент времени (дешифратор). Выходной сигнал дешифратора зависит только от двоичного кода, поданного на вход в настоящий момент времени. Комбинационные узлы называют также автоматами без памяти.
2. последовательностные (автоматы с памятью) - это узлы, выходной сигнал которых зависит не только от комбинации входных. сигналов, действующих в настоящий момент времени, но и от предыдущего состояния узла (счетчик).
3. программируемые узлы функционируют в зависимости от того, какая программа в них записана. Например, программируемая логическая матрица (ПЛМ), которая в зависимости от прожженной в ней программы может выполнять функции сумматора, дешифратора, ПЗУ.
5. СУММАТОР
Сумматор может быть построен как комбинационная схема -
последовательный сумматор и как
последовательностная схема -
накапливающий сумматор. Сумматор осуществляет cуммирование цифр разрядов слагаемых и цифр переноса по правилам сложения по модулю 2. Работа сумматора строго регламентирована в соответствии с таблицей:
| ai | bi | Pi | Si | Pi+1 |
| 0 | 0 | 0 | 0 | 0 |
| 0 | 0 | 1 | 1 | 0 |
| 0 | 1 | 0 | 1 | 0 |
| 0 | 1 | 1 | 0 | 1 |
| 1 | 0 | 0 | 1 | 0 |
| 1 | 0 | 1 | 0 | 1 |
| 1 | 1 | 0 | 0 | 1 |
| 1 | 1 | 1 | 1 | 1 |
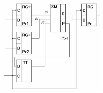
6. ПОСЛЕДОВАТЕЛЬНЫЙ СУММАТОР
Последовательный сумматор осуществляет суммирование слагаемых и цифр переноса поразрядно, начиная с младшего разряда. Основой его схемы является одноразрядный сумматор. Суммирование производится в одноразрядном сумматоре SM. Цифры i-того разряда слагаемого и цифра переноса из младшего разряда передаются на вход сумматора одновременно с приходом тактового импульса. Регистры 1 и 2 используются для приема и хранения цифр i-того разряда слагаемых. В D - триггере хранится цифра переноса из младшего разряда. Регистр 3 принимает и хранит цифру i-того суммы. С приходом тактового импульса из регистров 1, 2 и D - триггера разряда слагаемых и цифра переноса поступает на вход одноразрядного сумматора. Одновременно регистр 3 освобождается для приема цифры суммы.
7. АРИФМЕТИКО - ЛОГИЧЕСКОЕ УСТРОЙСТВО (АЛУ)
АЛУ предназначено для выполнения арифметических и логических операций над операндами. АЛУ классифицируются следующим образом:
Характеристики
Тип файла документ
Документы такого типа открываются такими программами, как Microsoft Office Word на компьютерах Windows, Apple Pages на компьютерах Mac, Open Office - бесплатная альтернатива на различных платформах, в том числе Linux. Наиболее простым и современным решением будут Google документы, так как открываются онлайн без скачивания прямо в браузере на любой платформе. Существуют российские качественные аналоги, например от Яндекса.
Будьте внимательны на мобильных устройствах, так как там используются упрощённый функционал даже в официальном приложении от Microsoft, поэтому для просмотра скачивайте PDF-версию. А если нужно редактировать файл, то используйте оригинальный файл.
Файлы такого типа обычно разбиты на страницы, а текст может быть форматированным (жирный, курсив, выбор шрифта, таблицы и т.п.), а также в него можно добавлять изображения. Формат идеально подходит для рефератов, докладов и РПЗ курсовых проектов, которые необходимо распечатать. Кстати перед печатью также сохраняйте файл в PDF, так как принтер может начудить со шрифтами.
















