45376 (664759), страница 3
Текст из файла (страница 3)
Циркуляционная линия с насосом введена для того, чтобы избежать образования застойных зон в рубашке, т.к. при отсутствии подачи горячей или холодной воды их образование неминуемо.
При составлении уравнений теплового баланса для рубашки и для аппарата пренебрегаем потерями теплоты в окружающую среду. Кроме того, считаем, что температура во всем объеме рубашки и аппарата постоянна. Это правомерно, поскольку в обоих случаях присутствует интенсивное перемешивание. Таким образом, мы имеем систему двух емкостей – аппарата и рубашки, каждую из которых можно считать аппаратом идеального смешения относительно температуры.
Запишем уравнение динамики для аппарата:
В левой части уравнения записано изменение количества теплоты в реакторе. Первое слагаемое правой части соответствует приходу теплоты с потоком реагентов, второе слагаемое соответствует притоку теплоты за счет теплообмена с рубашкой.
В этом уравнении применены следующие обозначения:
ρ – плотность среды в реакторе, кг/м3;
c – теплоемкость среды в реакторе, Дж/(кг·К);
V1 – объем реакционной смеси, м3;
T, Tн1, Tн2 – соответственно текущая температура реакционной смеси и температуры поступающих реагентов, °С;
v1, v2 – объемные скорости подачи раствора 1 и 2 соответственно, м3/с;
F – площадь соприкосновения раствора и стенки реактора, м2;
KТ – коэффициент теплопередачи от раствора в реакторе к воде в рубашке, Вт/(м2·K);
(T – Tр) – разность температур в реакторе и в рубашке °С.
Знак “+” перед вторым слагаемым мы поставили в предположении, что тепловой поток направлен от рубашки к реактор. В обратном случае этот знак изменится на противоположный.
Запишем уравнение динамики для рубашки:
В левой части уравнения записано изменение количества теплоты в рубашке. Первое слагаемое правой части соответствует изменению количества теплоты в рубашке за счет притока воды с температурой T и оттока воды с температурой, равной температуре в рубашке; второе слагаемое соответствует оттоку теплоты за счет теплообмена с реактором.
В
этом уравнении применены следующие обозначения:
ρ – плотность воды в рубашке, кг/м3;
c – теплоемкость воды, Дж/(кг·К);
V2 – объем рубашки, м3;
Tр, Tрн – соответственно текущая температура в рубашке и температура поступающей из сети воды, °С;
vр – объемная скорость подачи воды в рубашку, м3/с;
F – площадь соприкосновения раствора и стенки реактора, м2;
KТ – коэффициент теплопередачи от воды в рубашке к раствору в реакторе, Вт/(м2·K);
(T – Tр) – разность температур в реакторе и в рубашке °С.
Дополним полученную систему уравнением для изменения объема реакционной смеси:
Чтобы упростить моделирование, примем теплоемкость смеси в реакторе приблизительно равной теплоемкости воды. Строго говоря, теплоемкость в данном процессе зависит от концентрации желатины и исходных веществ в растворе и является величиной переменной. Однако концентрация исходного раствора желатины невелика, и в дальнейшем при добавлении новых порций реагентов она изменяется незначительно.
Преобразуем (2.7) и (2.8), учитывая, что объем смеси в реакторе является величиной переменной, а объем рубашки – величина постоянная:
,(2.10)
Совокупность уравнений (2.9) – (2.11) представляет собой математическую модель динамики объекта, в которой выходной величиной служит температура в реакторе, а входными – температуры и расходы входящих потоков реагентов, температура и расход теплоносителя на входе в рубашку.
Следует отметить, что, как и в случае модели, описанной в пункте (2.1), данная модель не является линейной. В дифференциальном уравнении (2.10) многие коэффициенты перед переменными не являются величинами постоянными, а, в свою очередь, зависят от других параметров системы и от начальных условий.
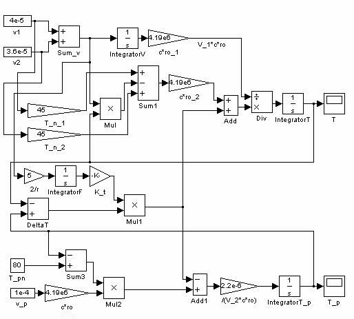
Для получения переходных характеристик температурного режима и последующей линеаризации используем пакет Simulink. На рисунке 2.5 показана схема модели.
Рисунок 2.5 – Тепловая модель объекта
В модели все величины указаны в системе СИ. При моделировании было учтено, что площадь теплопередачи является величиной переменной и равна площади соприкосновения раствора со стенкой аппарата.
Для установления начальных условий для величин использовались данные из пункта 1.2. Начальный объем реакционной смеси принят 0.2 л. Номинальные расходы реагентов приняты соответствующими номинальному режиму для пункта 2.1. Температура воды на входе в рубашку принята 80 °С.
Для вычисления площади теплообмена были использованы следующие соображения. Дно аппарата представляет собой эллипсоид вращения, т.е эллипсоид с двумя равными полуосями (см. рисунок 2.6).
Рисунок 2.6 – Конструкция аппарата
Численные значения длин полуосей: a = 0.15 м, b = 0.4 м.
Известно, что в начальный момент объем смеси составлял 0.2 л. Этот объем можно представить условно как сумму двух объемов: в эллиптической части аппарата (до уровня h0 = a) – Vэ, и в цилиндрической части (hдоп) – Vц. Для того, чтобы рассчитать начальное условие F0, нужно, очевидно, знать hдоп. Общий объем:
V0 = Vэ + Vц
Объем Vэ найдем как следствие из формулы объема эллипсоида:
откуда Vэ = 0.05 м3. Тогда Vц = 0.15 м3. Учтем, что этот объем вычисляется по формуле:
откуда легко найти, что hдоп = 0.3 м.
В свою очередь, начальное условие для площади можно записать в аналогичном виде:
F0 = Fэ + Fц.
Для вычисления Fэ воспользуемся уравнением эллипса. Площадь поверхности эллипсоида найдем как площадь фигуры, полученной путем вращения одной половины эллипса вокруг оси. Уравнение эллипса:
формула для нахождения площади:
В
ыразим из (2.12) y и подставим в (2.13). Преобразуем полученное выражение, учтя, что a < b. В результате получаем:
Данный интеграл берется с помощью тригонометрической подстановки
Пропустив промежуточные выкладки, приведем конечный результат:
Для вычисления Fц воспользуемся формулой:
Проведя вычисления по формулам (2.14) и (2.15), найдем начальное условие для площади теплообмена F0 = 1.381 м2.
Чтобы вычислить площадь теплообмена как функцию времени, воспользуемся следующими соображениями. За некоторое малое время Δt при подаче реагентов в реактор уровень в нем повысится на некоторую малую величину Δh. При этом площадь теплообмена и объем тоже получат приращения:
Выразив из второго выражения Δh и подставив его в первое, получим:
Устремляя Δt к нулю и интегрируя, получим:
Величина dV1 легко выражается из (2.9).
Для нахождения коэффициента теплопередачи воспользуемся формулой:
в которой приняты следующие обозначения:
α1 – коэффициент теплоотдачи от воды в рубашке к стенке рубашки;
δруб – толщина стенки рубашки;
λруб – коэффициент теплопроводности стенки рубашки;
δреак – толщина стенки реактора;
λ
реак – коэффициент теплопроводности стенки реактора;
α2 – коэффициент теплоотдачи от стенки реактора к реакционной смеси.
Для вычисления α1 воспользуемся критерием Нуссельта, характеризующим конвективный теплообмен между жидкостью и поверхностью твердого тела:
где λ – коэффициент теплопроводности теплоносителя;
d – определяющий размер.
Здесь в качестве определяющего размера необходимо принять эквивалентный диаметр трубы, обладающей таким же сечением, что и пространство внутри рубашки. Внутренний диаметр реактора 0.8 м, наружный – 0.9 м, толщина стенок рубашки и реактора – 0.006 м. Вычислив площадь кольца, найдем диаметр эквивалентной трубы: d=0.36 м. Коэффициент теплопроводности воды λ = 65.9 Вт/(м2·K). Для нахождения критерия Nu определим характер течения жидкости в рубашке. Это можно сделать, рассчитав критерий Рейнольдса по формуле:
где ω – линейная скорость движения жидкости в трубе;
d – определяющий размер;
ν – кинематическая вязкость среды.
Приняв расход воды 1.5·10-4 м3/с, диаметр подводящей трубы 20 мм, рассчитаем линейную скорость воды в рубашке при максимальном напоре: ω = 0.5 м/с. Кинематическую вязкость при температуре 80 °С примем равной 0.478·10-6 м2/с. Из (2.19) получаем Re = 14000. Следовательно, режим течения – турбулентный. Поэтому критерий Нуссельта вычисляется по формуле [3, с.160]:
Проведя вычисления по этой формуле, получаем Nuжd = 89.7. Подставив полученное значение в (2.18), получаем α1 = 16417 Вт/(м2·K).
Количественно определить характер движения жидкости в реакторе сложнее, т.к. присутствует мешалка. Можно предположить, что характер движения – турбулентный, обусловленный интенсивным перемешиванием. Среда в реакторе представляет собой сильно разбавленный водный раствор желатины и солей щелочных металлов, поэтому приближенно принимаем условия теплоотдачи от стенки реактора аналогичными условиям теплоотдачи в рубашке и считаем, что α2 = α1 = 16000 Вт/(м2·K).
Второе и третье слагаемые в знаменателе (2.17) равны, т.к. толщина стенок реактора равна толщине стенок рубашки – 6 мм. Стенки рубашки и реактора сделаны из стали 12Х18Н10Т, ее коэффициент теплопроводности λ = 16.88 Вт/(м·K).
П
одставив все полученные величины в (2.17), получим, что KТ = 1200 Вт/(м2·K).















