44936 (664030), страница 2
Текст из файла (страница 2)
Микросхема может работать в одном из трех режимов: режии О — простой ввод/вывод; режим 1 — стробируемый ввод/вывод; режим 2 — двунаправленный канал. Режим работы каналов можно изменять как в начале, так и в процессе выполнения программы, что позволяет обслуживать различные периферийные устройства в определенном порядке с помощью одной микросхемы КР580ВВ55А. Каналы А и В могут работать в различных
режимах, а работа канала С зависит от режимов работы каналов А и В, Комбинируя режимы работы каналов, можно обеспечить работу микросхемы почти с любым периферийным устройством.
Рисунок 6- Структурная схема КР580ВВ55А.
В режиме 0 осуществляется простой ввод/вывод данных по трем 8-разрядным каналам, причем канал С может использоваться как два 4-разрядных канала. Каждый из каналов может использоваться отдельно для ввода или вывода информации. В режиме О входная информация не запоминается, а выходная хранится в выходных регистрах до записи новой информации в канал или до записи нового режима.
В режиме 1 передача данных осуществляется только через каналы А и В, а линии канала С служат для приема и выдачи сигналов управления. Каждый из каналов А и В независимо
друг от друга может использоваться для ввода или вывода 8-разрядных данных, причем входные и выходные данные фиксируются в регистрах каналов.
В режиме 2 для канала А обеспечивается возможность обмена информацией о периферийными устройствами по 8-разрядному двунаправленному каналу. Для организации обмена используются пять линий канала С. В режиме 2 входные и выходные данные фиксируются во входном и выходном регистрах соответственно.
Таблица 3- Назначение выводов ИМС КР580ВВ55А.
| Номер вывода | Обозначение | Назначение |
| 9 | АО, А1 | Адрес |
| 27—34 | D7—DO | Шина данных |
П
родолжение таблицы 3- Назначение выводов ИМС КР580ВВ55А.
| 37—40, 1—4 | РА7—РАО | Канал А |
| 5 | RD | Чтение |
| 6 | CS | Выбор микросхемы |
| 7 | GND | Общий |
| 10—13, 17, 16, 15, 14 | PC7—PCO | Канал С |
| 18—25 | PBO—PB7 | Канал В |
| 26 | Ucc | +5 В |
| 35 | RESET | Установка |
| 36 | WR | Запись |
Рисунок 7- Интегральное исполнение интерфейса ввода- вывода.
1.1.4 Системный контроллер КР580ВК38.
Микросхема КР580ВК38 выполняет функцию системного контроллера и шинного формирователя, осуществляет формирование управляющих сигналов обращения к ОЗУ или к устройствам ввода/вывода (УВВ) и обеспечивает прием и передачу 8-разрядной информации между шиной данных микропроцессора и системной шиной.
Формирование сигналов I/OW, MEMW в данной микросхеме происходит относительно сигнала STSTB “Строб состояния”, что позволяет при применении в микропроцессорной системе микросхемы КР580ВК38 использовать ЗУ и УВВ с более широким диапазоном быстродействия. . Двунаправленный шинный формирователь осуществляет буферирование 8-разрядной шины данных и автоматический контроль направления передачи данных.
Подключение системного контроллера к шине данных микропроцессора осуществляется с помощью двунаправленных выводов DO—D7, к системной шине—с помощью двунаправленных выводов DBO—DB7. При необходимости с помощью сигнала BUSEN “Управление системной шиной” выводы DBO—DB7 системного контроллера могут быть переведены в состояние “Выключено”.
Т
аблица 4- Назначение выводов ИМС КР580ВК38.
| Н | Обозначение | Назначение |
| 6, 8, 10, 12, 15, 17, 19, 21 | DO—D7 | Шина данных |
| 5, 7, 9, 11, 13, 16, 18, 20 | DBO—DB7 | Системная шина |
| 1 | STSTB | Строб состояния |
| 2 | HLDA | Подтверждение захвата |
| 3 | WR | Запись |
| 4 | DBIN | Прием |
| 14 | GND | Общий |
| 22 | BUSEN | Управление системной шиной |
| 23 | INTA | Подтверждение прерывания |
| 24 | MEMR | Чтение памяти |
| 25 | I/OR | Чтение УВВ |
| 26 | MEMW | Запись в память |
| 27 | I/OW | Запись в УВВ |
| 28 | Ucc | +5 В |
Регистр состояния выполнен на шести D-триггерах и предназначен для хранения информации о состоянии микропроцессора, поступающей по шине данных DO—D7. Запись в регистр состояния осуществляется по сигналу STSTB, поступающему в начале каждого машинного цикла.
Декодирующая матрица в зависимости от режима работы микропроцессора, зафиксированного в регистре состояния, и входных управляющих сигналов HLDA, WR, DBIN формирует сигнал INTA “Подтверждение прерывания” или сигналы чтения/записи при обращении к ОЗУ или УВВ.
Рисунок 8- Интегральное исполнение ИМС КР580ВК38.
Рисунок 9- Структурная схема ИМС КР580ВК38.
1.1.5 Буферный регистр.
Микросхема КР580ИР82 представляет собой 8-разрядный буферный регистр, предназначенный для ввода и вывода информации со стробированием. Она может ильзоваться как в микропроцессорных системах, построенных на микросхемах серии КР580, так и в других вычислительных системах и устройствах дискретной автоматики.
Микросхема КР580ИР83 не содержит инвертирующие выходы. Данная микросхема имеет восемь триггеров D-типа и восемь выходных буферов, имеющих на выходе состояние “Выключено”. Управление передачей информации осуществляется с помощью сигнала STB “Строб”.
Рисунок 10- Структурная схема ИМС КР580ИР82.
При поступлении на вход STB сигнала высокого уровня осуществляется не тактируемая передача информации от входа DI до выхода DO. При подаче на вход STB сигнала низкого уровня микросхема хранит информацию предыдущего такта; при подаче на вход STB положительного перепада импульса происходит “защелкивание” входной информации. Выходные буферы микросхемы КР580ИР82 управляются сигналом ОЕ “Разрешение выхода”. При поступлении на вход ОЕ сигнала высокого уровня выходные буферы переводятся в состояние “Выключено”. Назначение выводов КР580ИР82 приведено в таблице 5.
Т
аблица 5- Назначение выводов КР580ИР82.
| Номер вывода | Обозначение | Назначение |
| 1 | DIO—DI7 | Входы регистра |
| 9 | ОЕ | Разрешение выхода |
| 10 | GND | Общий |
| 11 | CTD | Строб |
| 19—12 | DOO-D07 | Выходы регистра |
| 20 | Ucc | +5 В |
Электрические параметры РЕГИСТРА:
1. Uпит (напряжение питания) - 5 В
2. Выходное напряжение питания низкого уровня ( Uвых низ ур ): < 0.45 В
3. Выходное напряжение питания высокого уровня ( Uвых выс ур ): > 2.4 В
4. tзадер (Время задержки распространения информационного сигнала на выходе относительно информационного сигнала на входе < 30 нс
Рисунок 11- Интегральное исполнение ИМС КР580ИР82.
1
.1.6 Оперативное запоминающее устройство КР537РУ8.
Микросхема представляет собой оперативное запоминающее устройство емкостью 16К
Вывод
Ус чт.
Ввод
Ус зап.
Дешифратор адреса столбцов.
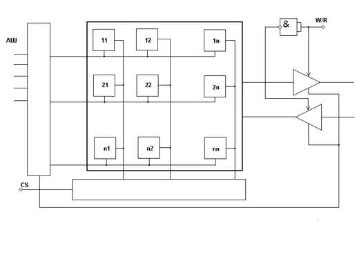
Рисунок 12- Организация ИМС ОЗУ.
Оперативные ЗУ предназначены для хранения переменной информации и имеют практически одинаковое быстродействие при считывании и записи. По способу хранения информации ОЗУ делятся на два основных типа: статические и динамические. Статические запоминающие элементы могут хранить информацию сколь угодно долго, пока подается электропитание. Динамические запоминающие элементы, напротив, способны хранить информацию только непродолжительное время. Поэтому для хранения информации её нужно периодически обновлять, или, другими словами регенерировать. Для обоих типов оперативных ЗУ существует множество различных схем. Их разнообразие отражает не
только множество технологий (ТТЛ, n-МОП, КМОП, ЭСЛ и т.д.) и конструкций, но ещё и разнообразие требований, предъявляемым к модулям памяти в отношении быстродействия,
емкости, плотности упаковки элементов и потребляемой мощности.
Статические ЗУ с произвольной выборкой (Random Access Memory) строятся на триггерах с непосредственными связями, которые могут неограниченно долго хранить информацию при включенном питании. Эти ОЗУ очень просты в эксплуатации, обладают высокой помехоустойчивостью, не требуют дорогих и сложных схем обслуживания, благодаря чему достигается умеренная стоимость всей системы памяти. При интегральной реализации статических ОЗУ используются два вида запоминающих матриц: накопители повышенного быстродействия (время цикла менее 100 нс) без схем дешифрации со средней степенью интеграции в БИС (до 256 бит); накопители среднего быстродействия (время цикла 300-1000 нс) с повышенной информационной ёмкостью
Рисунок 13- словарная организация БИС ОЗУ.
, 8














